lr_03 (1085785)
Текст из файла
МОСКОВСКИЙ ИНСТИТУТ РАДИОТЕХНИКИ ЭЛЕКТРОНИКИ И АВТОМАТИКИ
Лабораторная работа № 3
“Схемное проектирование РЭС в системе ORCAD”
рабочее место №1 (вариант 1)
по предмету
ОКП и МРЭС
Выполнил ст. гр. ВРУ-3-02
Проверил
Богаченков А.Н.
2005
Общие сведения
OrCAD Capture, OrCAD Capture CIS — графический редактор схем. Вариант CIS позволяет пользоваться базой данных компонентов через Интернет. Проект может быть подготовлен как в виде принципиальной электрической схемы, так и написан на специальном языке VHDL.
OrCAD PSpise — программа моделирования аналоговых и цифровых устройств. Позволяет рассчитывать режимы по постоянному току, чувствительность характеристик к вариации параметров компонентов, передаточные функции, частотные, фазовые и шумовые характеристики; переходные процессы, проводить спектральный анализ, статистические испытания по методу Монте-Карло, многовариантный анализ, параметрическую оптимизацию.
OrCAD Layout — программа разработки печатных плат. Позволяет осуществлять как ручную, так автоматическую разводку. Содержит сеточный автотрассиpовщик проводников на 16 слоев и средства создания управляющих файлов для фотоплоттеров.
1) Знакомство с программной средой
Открыли проект в каталоге D:\OrCAD\Demo1, ознакомились с электрическое схемой проекта, запустили моделирование и просмотрели сигналы в контрольных точках. Схема состоит из элементов НЕ, одновходовых инвертирующих Триггеров Шмидта, JK-триггера. Конденсатора и резистора.
2) Построение сложных проектов
Открыли проект в каталоге D:\OrCAD\Demo2. Просмотрели все принципиальные схемы. Нашли модули зеленого цвета (иерархические блоки) и сопоставили им соответствующие электрические схемы. Например, иерархическому блоку RAM была сопоставлена электрическая схема в файле “RAM (HSRAM…)”.
3) Подготовка электрической схемы
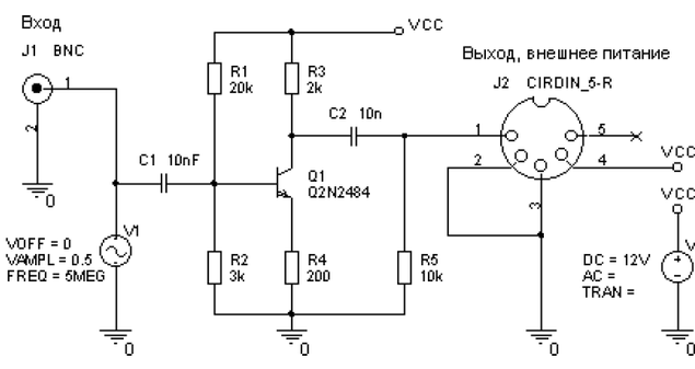
При построении схемы элементы выбираются в меню Place/Part. Размещение символов «земли» и источников питания производится из меню Place/Ground, Place/Power, проводники цепей размещаются по команде Place/Wire. В окно с электрической схемой помещаются все необходимые компоненты, затем они коммутируются. Далее задаем нумерацию и параметры компонентов. Схема показана на рис. 3.1.
Рис. 3.1. Схема электрическая принципиальная изучаемого устройства.
4) Моделирование схемы
Устанавливаем маркеры уровней напряжения на электроды транзистора, запускаем моделирование командой Pspise/Run. Полученные временные диаграммы показаны на рис. 3.2.
Из рис. 3.2 видно, что исследуемое устройство является усилителем, т.к. сигнал с коллектора транзистора снимается относительно общего провода, то усилитель инвертирует сигнал. Транзистор включен по схеме с ОЭ, имеет стабилизацию рабочей точки резистивным делителем в цепи базы и резистором R4.
Учитывая, что напряжение питания устройства 12 V, можно судить о неправильно выбранной рабочей точке, т.к. сигнал режется только с одной (нижней) стороны.
Для анализа спектральной характеристики устройства В меню программы OrCAD PSpise выбрать пункт Trace/Fourier. График спектра показан на рис 3.3.
В идеале гармоник на частотах 10 МГц, 15 МГц и т.д. быть недолжно. Они присутствуют именно из-за искажения сигнала. Хотя, иногда это свойство применяют специально: Если после транзистора установить полосовой фильтр на 10 МГц или 15 МГц с полосой пропускания 1…2 МГц, то на выходе фильтра получим сигнал заданной частоты (10 МГц или 15 МГц соответственно). После фильтра можно поставить усилитель гармонических сигналов и далее использовать сигнал более высокой частоты. Иными словами, данный эффект применяется в высокочастотных умножителях частоты.
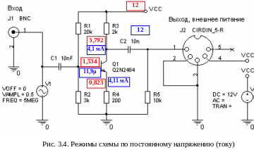
Д
алее зафиксируем режимы схемы по постоянному напряжению и току. Эти данные отображаются на схеме после нажатия кнопок и .
На рис. 3.4 приведена схема с напряжениями и токами. Напряжения указаны красным, токи – синим цветом шрифта.
Наше предположение о том, что режим работы транзистора выбран не очень удачно подтвердилось. В данном случае, напряжение на эмиттере должно быть таким:
– напряжение питания,
– напряжение на эмиттере транзистора.
Чтобы увеличить напряжение на коллекторе транзистора, необходимо увеличить сопротивление перехода КЭ (считаем, что в данном случае транзистор выполняет роль резистора). Этого можно добиться уменьшением тока базы, а соответственно необходимо увеличить номинал резистора R1 или уменьшить номинал резистора R2.
Исследуем АЧХ схемы. В программе OrCAD Capture командой PSpise/Edit Simulation Profile вызвать соответствующий диалог. В строке Analysis type выбрать AC Sweep/Noise. В группе параметров AC Sweep Type установить логарифмическую шкалу c декадными отсчетами — Logarithmic, Decade, начальную частоту Start Frequency равной 100, конечную частоту End Frequency — 10G, число точек на декаду Points/Decade — 4. График АЧХ показан на рис. 3.5.
Уменьшение АЧХ на низких частотах объясняется наличием конденсатора C1, который в силу малой емкости не может эффективно пропускать сигналы низких частот. Спад АЧХ на частотах ближе к 100 МГц можно объяснить частотными параметрами самого транзистора, в данном случае транзистор просто неспособен усиливать сигналы, с частотами выше 100 МГц из-за большой емкости перехода ЭБ.
Исследование частотной характеристики входного сопротивления – зависимость
от частоты.
Для этого, не закрывая программу OrCAD PSpise, последовательно выполнить команды меню Trace/Delete All Trace и Trace/Add Trace. (удалить все имеющиеся и добавить новые кривые). В открывшейся таблице выбрать сначала в левом списке параметр V(C1:1) — входное напряжение, затем в правом "/" – знак отношения, и, наконец, снова в левом I(C1) – входной ток. Проверить в нижнем поле с заголовком Trace Expression наличие выражения "V(C1:1) / I(C1)", нажать Ok. По аналогии с предыдущим пунктом задать логарифмический масштаб по вертикали, зарисовать график. График показан на рис. 3.6.
5) Разработка печатной платы
Подготавливаем данные для разработки топологии печатной платы. Составляем список соединений (Tools/Create Netlist), измерения – в дюймах.
Запускаем программу OrCAD Layout. Т.к. на этапе создания электрической схемы не для всех элементов указан тип корпуса, то необходимо указать корпуса (в данном случае только для разъемов).
Задать контуры печатной платы. Выбрать пункт меню Tool/Obstacle/Select Tool (или кнопку с подсказкой Obstacle Tool), дважды щелкнуть на месте одного из будущих углов платы, в открывшемся диалоге выбрать Obstacle Type (тип границы) – Board outline (контур платы), нажать Ok, одиночными щелчками мыши нанести угловые точки, закончить операцию нажатием правой кнопки мыши и выбором пункта меню End Command.
Осуществить автоматическую расстановку компонентов командой Auto/Place/Board. Осуществить автоматическую трассировку проводников командой Auto/Autoroute/Board. Получилось четыре (4) слоя. Для такой схемы глупо использовать четыре слоя, поэтому изменяем количество слоев на два слоя. Для этого сначала отменить результаты трассировки командой Auto/Unroute/Board. Затем командой View/Database Spreadsheet/Layers вызвать перечень слоев печатной платы. В столбце с заголовком Layer Type указаны типы слоев: Routing – используемые при трассировке, Plane – металлизация (земля, питание), Drill – символы отверстий, Jumper – перемычки, Doc – надписи, Unused – неиспользуемые слои. Корректировкой этих типов, в первую очередь, Routing и Unused, осуществляемой после двойного щелчка по этим названиям, можно включить/выключить тот или иной слой. При числе слоев 1–2 должны использоваться TOP (верхний) и/или BOTTOM (нижний). При большем числе подключаются INNER… (внутренние). После закрытия таблицы снова запустить автотрассировку командой Auto/Autoroute/Board.
На рис. 3.7 показан эскиз печатной платы.
Характеристики
Тип файла документ
Документы такого типа открываются такими программами, как Microsoft Office Word на компьютерах Windows, Apple Pages на компьютерах Mac, Open Office - бесплатная альтернатива на различных платформах, в том числе Linux. Наиболее простым и современным решением будут Google документы, так как открываются онлайн без скачивания прямо в браузере на любой платформе. Существуют российские качественные аналоги, например от Яндекса.
Будьте внимательны на мобильных устройствах, так как там используются упрощённый функционал даже в официальном приложении от Microsoft, поэтому для просмотра скачивайте PDF-версию. А если нужно редактировать файл, то используйте оригинальный файл.
Файлы такого типа обычно разбиты на страницы, а текст может быть форматированным (жирный, курсив, выбор шрифта, таблицы и т.п.), а также в него можно добавлять изображения. Формат идеально подходит для рефератов, докладов и РПЗ курсовых проектов, которые необходимо распечатать. Кстати перед печатью также сохраняйте файл в PDF, так как принтер может начудить со шрифтами.
















