Кушнир А.П. Методические указания по пневмоприводу. Часть 5 (1085188), страница 2
Текст из файла (страница 2)
Y1 = К; К = S1 * (/S2) (3-7)
Y2 = /К
Принципиальная электрическая схема (№3) управления, построенная по уравнениям (3.7) показана на рис. 3.7
Рис. 3.7. Упрощенная принципиальная электрическая схема управления приводом
Анализ синтезированной схемы (№3)
Анализ упрощенной принципиальной электрической схемы управления приводом (рис. 3.7) показывает, что система обеспечивает возвратно-поступательное движение штока, но лишь при крайне небольших величинах рабочего хода пневмоцилиндра. Срабатывание датчика S1 приведет к появлению требуемого сигнала Y1. Однако после возврата датчика S1 в исходное положение (S1=S2=0) обмотка реле К обесточится. Соответственно, катушка распределителя Y2 окажется под напряжением, что приведет к реверсу движения штока (втягиванию). Далее процесс будет повторяться. Таким образом, система управления будет работать в режиме параметрических колебаний. Таблица 3.2 показывает, что при система при отсутствии сигналов от датчиков (S1=S2=0) самоподдерживает лишь напряжение на электромагните Y2, то есть движение втягивания штока А-. В целом система оказывается неработоспособной из-за игнорирования этапов «1-2» и «3-4» (рис. 3.4), на что было обращено внимание в начале раздела.
Таблица 3.2. Проверка состояний системы
| S1 | S2 | Y1 пред. | Y2 пред. | Y1 | Y2 |
| 1 | 0 | Х | Х | 1 | 0 |
| 0 | 1 | Х | Х | 0 | 1 |
| 0 | 0 | 1 | 0 | 0 | 1 |
| 0 | 1 | 0 | 1 |
Появление этой ошибки в проектировании вызвано применением упрощенной системы уравнений (3-6).
И
справить данную ошибку можно путем введения условия самоподдержания движения А+ (выдвижения штока) в системе уравнений (3-6)
Y1 = К; К = S1+Y1 (3-8)
Y2 = /К; /К = S2
Соответственно, система уравнений (3-7) приобретет вид
Y1 = К; К = (S1 + K) * (/S2); Y2 = /К (3-9)
Анализ синтезированной схемы (№4)
Анализ системы уравнений (3-9) и принципиальной электрической схемы (№4) управления приводом (рис. 3.8) показывает, что система отвечает таблице (3-1), то есть обеспечивает работоспособность пневмоцилиндра во всех режимах.
Рис. 3.8 Принципиальная электрическая схема управления приводом с самоподдержанием
Работоспособные уравнения можно было бы получить с учетом расширенной циклограммы (рис. 3.4) и. полной системы уравнений (3-2)- (3-3). Нетрудно показать (предлагается сделать это студентам самостоятельно), что решение, полученное на базе системы уравнений (3-2)- (3-3) применительно к одному реле, будет полностью совпадать с системой скорректированных уравнений (3-9).
Выводы
Схема №3 (рис. 3.7) является неработоспособной.
Схема №1 (рис. 3.5) является самой простой, но имеет ограниченное применение из-за низкой надежности и соображений техники безопасности.
Исходя из изложенного можно использовать как схему №2 по рис. 3.6, так и №4 по рис. 3.8. Последняя схема немного проще, но обладает, недостатком - одна из обмоток распределителя будет постоянно находиться под напряжением. Окончательный выбор схемы можно сделать после анализа величин скоростей и рабочих перемещений штока.
При относительно длительных временах перемещения целесообразно использовать традиционную схему, рис. 3.6, которую и примем в качестве рабочей для дальнейшего рассмотрения.
3.4. Разработка схемы лабораторной установки
В соответствии с исходным заданием строим принципиальную пневматическую схему управления, рис. 3.8 и схему соединений, рис3.9.
Рис. 3.8 Принципиальная пневматическая схема
Рис. 3.9. Схема электрических и пневматических соединений лабораторного стенда
3.5. Тестирование схемы
Перед монтажом стенда необходимо проверить правильность полученных результатов.
Исходные соотношения для построения схемы управления могут быть проверены с использованием одной из программ моделирования, например LOGO!Soft-Comfort (фирмы Siemens).
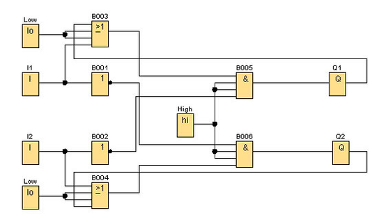
Принципиальная электрическая схема управления приводом на логических элементах в соответствии с системой уравнений (3-2, 3-3) показана на рис. 3.10.
Рис. 3.10. Принципиальная электрическая схема управления приводом на логических элементах
После подачи напряжения на схему, рис. 3.11, сигналы управления на выходах Q1 и Q2 равны нулю, если шток цилиндра остановился в промежуточном положении (I1 = I2 = 0). Для того, чтобы шток начал перемещаться, необходимо нажать на один из концевых выключателей, например I1, рис. 3.12. В этом случае на выходе появится логический сигнал высокого уровня Q1 = 1. Шток пневмоцилиндра начнет перемещаться (выдвигаться). Движение будет продолжаться (сигнал Q1 = 1 не сбрасывается) и при отсутствии сигналов от датчиков (I1 = I2 = 0), рис. 3.13. При достижении крайнего выдвинутого положения срабатывает датчик I2 = 1, рис. 3.14, что приводит в реверсу движения (Q2 = 1). Шток начинает задвигаться. Движение будет также продолжаться (сигнал Q2 = 1 не сбрасывается) при отсутствии сигналов от датчиков (I1 = I2 = 0), рис. 3.15. Далее процесс повторяется.
Рис. 3.11. Запуск схемы в промежуточном положении штока
Рис. 3.12. Крайнее (задвинутое) положение штока
Рис. 3.13. Режим поддержания выдвижения штока
Рис. 3.14. Крайнее (выдвинутое) положение штока
Рис. 3.15. Режим поддержания задвижения штока
3.6. Порядок выполнения лабораторной работы
-
В соответствии с п.3.1 выбрать вариант задания
-
Составить циклограмму перемещений штока
-
Получить систему логических уравнений работы привода
-
Упростить полученную систему логических уравнений
-
Проверить правильность упрощенной системы уравнений
-
Составить электрическую схему управления приводом
-
Провести анализ электрической схемы, сделать выводы
-
Провести тестирование электрической схемы
-
Составить схему электрических и пневматических соединений лабораторного стенда
-
Проверить схему электрических и пневматических соединений, показать её преподавателю
-
Собрать схему, еще раз её проверить, после чего подключить компрессор и включить питание.
-
Исследовать режимы работы установки, записать данные, выключить питание, составить отчет.
Содержание
-
Циклические пневмосистемы...........................................................3
-
Формы представления хода технологического процесса.............4
-
Методы проектирования пневматических САУ...........................11
-
Релейно-контактные системы управления....................................20
-
Устройства ввода электрических сигналов.................................21
-
Кнопочные выключатели (кнопки управления).........................22
-
Электромеханические путевые (концевые) выключатели .....24
-
Бесконтактные путевые выключатели......................................25
-
Устройства обработки электрических сигналов..........................31
Устройства преобразования сигналов.........................................33
-
Электропневматические преобразователи..............................34
-
Пневмоэлектрические преобразователи (реле давления)......35
Реализация логических функций в релейно-контактных системах управления.....................................................................36
2.5. Реализация функции запоминания сигнала в релейно-контактных системах управления..........................................38
2.6. Правила построения релейно-контактных схем.........................39
2.7. Проектирование релейно-контактных систем управления........42
2.8. Переключающие регистры...........................................................45
2.9. Реализация сервисных функций в релейно-контактных системах управления...........................................................................47
2.10. Электропневматические приводы с управлением от промышленных логических контроллеров......................52
3. Пример проектирования схемы управления пневмоцилиндра....54
3.1. Варианты заданий.........................................................................54
3.2. Пример расшифровки задания....................................................55
3.3. Проектирование системы управления........................................56
3.4. Разработка схемы лабораторной установки...............................64
3.5. Тестирование схемы.....................................................................66
3.6. Порядок выполнения лабораторной работы..............................69
















