Кушнир А.П. Методические указания по пневмоприводу. Часть 2 (1085185), страница 2
Текст из файла (страница 2)
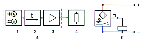
Работа оптических (фотоэлектрических) путевых выключателей (рис. 2.14) основана на изменении освещенности фоточувствительного элемента (фотоприемника) при перемещениях контролируемого объекта.
Рис. 2.13. Настройка емкостного путевого выключателя
Конструкция оптического выключателя (датчика) включает: излучатель и приемник 1, которые могут располагаться как в одном, так и в разных корпусах; логическую цепь 2, осуществляющую сравнение параметров излучаемого и воспринимаемого светового потока; усилитель 3, сигнал от которого поступает на нагрузку 4. Наличие логической цепи в датчике исключает возможность его ложного срабатывания от посторонних источников света.
Рис. 2.14. Оптический путевой выключатель: а) структурная схема; б) условное обозначение и схема подключения
Оптические датчики характеризуются большим разнообразием вариантов конструктивного исполнения (рис. 2.15).
Датчики типа «разнесенная оптика» состоят из двух корпусов — приемника и излучателя, которые должны располагаться строго друг напротив друга, рис. 2.15 а.
Датчики с отражением от катафота (световозвращателя) содержат излучатель и приемник в едином корпусе. Катафот входит в состав датчика, рис. 2.15 б.
Датчики с отражением луча от контролируемого объекта, рис. 2.15 в.
Датчики с оптоволоконными проводами используются в случаях, когда для самого датчика не хватает места в рабочей зоне, рис. 2.15 г.
а)
б)
в)
г)
Рис. 2.15. Оптические путевые выключатели
На электрических схемах бесконтактным путевым выключателям присваивают буквенно-цифровые индексы, например В1, В2 и т. д. Исключение могут составить герконовые выключатели, которые, как и контактные выключатели, часто обозначают латинской буквой S.
2.2. Устройства обработки электрических сигналов
Для обработки электрических сигналов применяют реле — устройства для автоматической коммутации электрических цепей по внешнему управляющему сигналу. Коммутация контактов в реле (рис. 2.16) осуществляется благодаря встроенному маломощному электромагнитному приводу.
Рис. 2.16. Реле
При подаче напряжения проходящий через обмотку катушки электрический ток создает электромагнитное поле, под действием которого якорь притягивается к сердечнику катушки. Сам якорь, в свою очередь, механически соединен с контактами, которые либо размыкаются, либо замыкаются. После снятия напряжения якорь выводится в исходное положение возвратной пружиной.
Рис. 2.17. Условное графическое обозначение реле
На схемах реле присваивают буквенно-цифровые обозначения (например: К1, К2, КЗ), а клеммам их контактов — двузначный цифровой индекс, первая цифра которого означает порядковый номер контакта в данном реле, а вторая — тип контакта (рис. 2.17а).
Рис. 2.18. Реле времени: К1 — с задержкой включения;
К2 — с задержкой выключения
На принципиальных электрических схемах ограничиваются изображением электропривода реле без механической связи с контактами (рис. 2.17, б). Контактам же, располагающимся в различных цепях схемы, дополнительно присваивают буквенно-цифровое обозначение, ранее назначенное данному реле. Под изображением электропривода реле вычерчивают таблицу, в заголовке которой приводят информацию о типе контактов в данном реле. В соответствующие столбцы таблицы заносят номера цепей, в которых эти контакты расположены.
В системах, работающих от источника постоянного тока, одну из клемм электромагнитного привода реле или другого устройства (например, распределителя) соединяют с отрицательным полюсом «- » источника питания напрямую, а вторую — через контакты устройств ввода электрического сигнала — с положительным полюсом «+ » источника.
Реле используют в качестве коммутирующих устройств с дистанционным управлением, а также для гальванической развязки управляющих и силовых электрических цепей.
Реле времени
Для замыкания или размыкания электрических цепей через заданный промежуток времени после подачи или снятия управляющего сигнала применяют реле времени (рис. 2,18). В отличие от индексации клемм контактов, описанной ранее, в реле времени клеммы нормально замкнутого контакта обозначают цифрами 5 и 6, а нормально разомкнутого — 7 и 8 (рис. 2.19).
О
братим внимание на то, что обозначения контактов реле времени снабжены дополнительными дугами, указывающими на замедленное срабатывание контакта при его движении в направлении центра кривизны дуги. В западноевропейских стандартах обозначение реле времени с задержкой включения (задержкой по переднему фронту) аналогично принятому в отечественных стандартах (см. рис. 2.18), тогда как обозначение реле с задержкой выключения (задержкой по заднему фронту) отличается от него и обозначается символом
Рис. 2.19. Обозначение реле времени и их контактов на схемах
Рис. 2.20. Обозначение реле времени с задержкой включения и выключения на электрических схемах (a – отечественных, в – зарубежных)
На отечественных и зарубежных электрических схемах реле с задержкой включения и выключения обозначают следующим образом (рис. 2.20).
Рядом с условными обозначениями реле времени рекомендуется указывать его временные характеристики.
2.3. Устройства преобразования сигналов
В электропневматических приводах связь между управляющей электрической и силовой пневматической частями обеспечивается преобразователями: электропневматическими (ЭПП) и пневмоэлектрическими (ПЭП).
















