Курсовая работа (1085016)
Текст из файла
Московский институт радиотехники, электроники и автоматики
(технический университет)
Курсовая работа
по предмету: «Радиотехнические цепи и сигналы»
Выполнил студент
Key_S
Проверил
Черниговская Э. М.
Москва 200_г.
Содержание
1
2
3
9
15
19
21
24
30
1. Содержание……………………………………………………………………
2. Задание…………………………………………………………………………
3. Определение спектральной плотности заданного
непериодического сигнала……………………………………………………
4. Определение спектра периодической последовательности
заданных видеоимпульсов……………………………………………………
5. Определение спектральной плотности радиоимпульса,
огибающая которого является заданным видеоимпульсом………………...
6. Определение спектра периодической последовательности
радиоимпульсов………………………………………………………………..
7. Определение функции корреляции заданного видеосигнала…………….
8. Определение спектральной плотности на выходе линейной цепи,
если на вход подается заданный видеоимпульс……………………………..
-
Литература……………………………………………………………………..
Задание
-
Определить спектральную плотность заданного непериодического сигнала. Найти и построить его амплитудный спектр.
-
Определить спектр периодической последовательности заданных видеоимпульсов. Найти и построить его амплитудный спектр.
-
Определить спектральную плотность радиоимпульса, огибающая которого является заданным видеоимпульсом.
-
Определить спектр периодической последовательности радиоимпульсов.
-
Найти и построить функцию – корреляцию заданного видеосигнала.
-
Найти спектральную плотность на выходе линейной цепи, если на вход подается заданный видеоимпульс.
Заданный видеоимпульс:
S(t) В
1
-1,5t1 0
t сек.
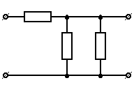
Заданная линейная цепь:
R
R C

Определение спектральной плотности заданного непериодического сигнала
Заданный видеоимпульс можно описать системой уравнений:
S
(t) =
S
(t) =
Считая известной спектральную плотность непериодического прямоугольного видеоимпульса, найдем спектральную плотность заданного сигнала:
Sпрям(t)
1
Спектральная плотность прямоугольного видеоимпульса
Для определения спектральной плотности заданного сигнала, воспользуемся свойствами преобразования Фурье:
Свойство дифференцирования во временной области
S(t) ( В )
1
–
– 1
Если у прямоугольного непериодического сигнала Sпрям(t) спектральная плотность будет Sпрям(), то у заданного треугольного сигнала, производным которого является прямоугольный , спектральная плотность будет равна j Sпрям()
Sпрям(t) : Sпрям ()
Спектральная плотность заданного треугольного непериодического сигнала будет равна:
Свойство временного запаздывания
Так как импульс запаздывает на , воспользуемся свойством временного запаздывания:
Если S(t) : S(), то S(t + t0) : S() e + j t0
Найдем и построим амплитудный спектр заданного сигнала
Из полученной формулы видно, что при , мы получим неопределенность вида
.
Для нахождения значения амплитудного спектра при , воспользуемся прямым преобразованием Фурье:
Рассчитаем несколько значений модуля спектральной плотности:
и т.д.
Найдем по амплитудному спектру значения частот (ширину спектра) на уровне
Амплитудный спектр заданного треугольного одиночного импульса
н в










Определение спектра периодической последовательности заданных видеоимпульсов
Заданная последовательность видеоимпульсов:
Sп(t) ( В )
1
t (c)








Заданную последовательность видеоимпульсов можно описать с помощью тригонометрического ряда Фурье:
– амплитуда постоянной составляющей
Аn – амплитуды гармонических составляющих
n – фазы гармонических составляющих
S(t) – заданный непериодический импульс
S
(t) =
Определим спектр периодической последовательности треугольного видеоимпульса
Определим постоянную составляющую:
Определим спектр периодической последовательности импульсов:
Для построения амплитудного спектра вычислим амплитуды Аn:
Определим фазы гармонических составляющих n:
и т.д.
Заданная последовательность треугольных видеоимпульсов будет описана в виде (для краткости возьмем первые пять членов ряда):
Амплитудный спектр периодической последовательности треугольных видеоимпульсов
An ( В )
А1
0,14
0,12
0,10
0,08
0,06
0,04
А2
А3
А4
А5
Определение спектральной плотности радиоимпульса, огибающая которого является заданным видеоимпульсом
Заданный радиоимпульс:
Sр(t)
1
0
-1
Найдем спектральную плотность радиоимпульса:
Для нахождения спектральной плотности заданного радиоимпульса, воспользуемся свойством умножения на косинус для преобразования Фурье
Для удобства анализа разобьем спектральную плотность радиоимпульса на две составляющих
Значение 0 выберем из условия:
0 >>
– ширина амплитудного спектра на уровне , найденного в первом пункте курсовой работы.
0 = (50 : 100)
для > 0
для < 0

Определение спектра периодической последовательности радиоимпульсов
Периодическая последовательность радиоимпульсов
Sрп(t) (В)
1
0
t (с)

где – периодическая последовательность заданных видеоимпульсов, найденная во втором пункте курсовой работы.
An – амплитуды гармонических составляющих, найденные во втором пункте курсовой работы.
Амплитудный спектр периодической последовательности радиоимпульсов
Sрп() ( В )







Определение функции корреляции заданного видеосигнала
S(t) ( В )
1
t (с)

График функции корреляции заданного видеосигнала
R()











Определение спектральной плотности на выходе линейной цепи, если на вход подается заданный видеоимпульс
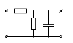
Заданная линейная цепь:
R
R C
Преобразуем элементы цепи в комплексные сопротивления. Схема примет вид:
Zr
Zr Zc
На вход цепи подается заданный видеоимпульс:
Sвх(t) ( В )
1
Спектральная плотность сигнала на выходе:
Sвх() – спектральная плотность одиночного треугольного видеоимпульса
Н() – передаточная характеристика
Выберем значение емкости и сопротивления из условия:
– граничная частота, определяемая на уровне
– ширина амплитудного спектра на уровне , найденного в первом пункте курсовой работы.
Выберем сопротивление равное Ом
10 кОм,
По ГОСТ 2825-67 из ряда Е24 выбираем емкость равную С = 15 нФ
Амплитудно-частотная характеристика
H()
0,5
0,45
0,4
0,35
0,3
0,25
0,2
0,15
0,1
0,05



гр
С = 15 нФ
Амплитудный спектр на выходе линейной цепи







Литература
-
Денисенко А. Н. «Спектральный анализ сигналов». Учебное пособие. МИРЭА, Москва 1991 г.
-
Денисенко А. Н., Стеценко О. А. «Линейные радиотехнические цепи». Учебное пособие. МИРЭА, Москва 1992 г.
30
Характеристики
Тип файла документ
Документы такого типа открываются такими программами, как Microsoft Office Word на компьютерах Windows, Apple Pages на компьютерах Mac, Open Office - бесплатная альтернатива на различных платформах, в том числе Linux. Наиболее простым и современным решением будут Google документы, так как открываются онлайн без скачивания прямо в браузере на любой платформе. Существуют российские качественные аналоги, например от Яндекса.
Будьте внимательны на мобильных устройствах, так как там используются упрощённый функционал даже в официальном приложении от Microsoft, поэтому для просмотра скачивайте PDF-версию. А если нужно редактировать файл, то используйте оригинальный файл.
Файлы такого типа обычно разбиты на страницы, а текст может быть форматированным (жирный, курсив, выбор шрифта, таблицы и т.п.), а также в него можно добавлять изображения. Формат идеально подходит для рефератов, докладов и РПЗ курсовых проектов, которые необходимо распечатать. Кстати перед печатью также сохраняйте файл в PDF, так как принтер может начудить со шрифтами.