Лекция 28 (1085008), страница 3
Текст из файла (страница 3)
Таким образом, непосредственное выделение рабочей боковой полосы на интересующей несущей частоте с помощью фильтров физически не представляется возможным. Выделение спектра боковой полосы с помощью фильтров может быть произведено лишь при искусственном разнесении боковых полос модуляции. Этот способ получения однополосного колебания лежит в основе метода повторной балансной модуляции.
Рассмотрим этот и другой методы формирования однополосного сигнала.
Выделение ОБП с помощью фильтров и повторной балансной модуляции
Основой метода повторной балансной модуляции является искусственное смещение боковых частот с помощью дополнительной модуляции на поднесущей частоте. Поднесущая частота F0 выбирается так, что отношение
F/F0
составляет единицы – десятки процентов, тогда как отношение
F/f0
в лучшем случае составляет тысячные доли процента, где F – частота модуляции; f0 – несущая частота.
П
ри повторной балансной модуляции формирование ОБП начинается на частоте заметно ниже рабочей.
Структурная схема, иллюстрирующая рассматриваемый метод, представлена на рис.28.9.
В первом балансном модуляторе БМ1 напряжение низкой частоты F модулирует колебание первой поднесущей частоты F01. Так как отношение F/F01 составляет единицы – десятки процентов, то фильтрация нерабочей боковой полосы может быть достигнута с помощью полосового фильтра Ф1, представляющего в простейшем случае многозвенную полосовую структуру на L,C элементах.10 Колебание несущей частоты подавляется балансным модулятором БМ1. Допустим (это отражено на рис.28.9), что фильтр Ф1 выделяет колебания верхней боковой полосы (F01 + F). Колебания с частотой (F01 + F) поступают как модулирующие на второй балансный модулятор БМ2, на который подаются также колебания второй поднесущей частоты F02 >> F01. Получающиеся на выходе БМ2 боковые полосы (F02 + F01 +F) и (F02 – F01 – F) оказываются значительно разнесёнными по частоте и отношение (F01 +F)/F02 остаётся достаточно большим, что позволяет осуществить эффективную фильтрацию интересующей боковой полосы с помощью многозвенного полосового фильтра Ф2. Колебания выделенной боковой полосы с выхода фильтра Ф2 (на рис.28.9 отражено выделение верхней боковой полосы) поступают как модулирующие колебания на балансный модулятор БМ, на который поступают также колебания модулируемой частоты fГ, которая, в общем случае, может перестраиваться в нужном интервале частот. С помощью фильтра Ф, в общем случае также перестраиваемого, выделяются колебания интересующей боковой полосы (на рис.28.9 отражено выделение верхней боковой полосы). Разнос между боковыми полосами на выходе балансного модулятора БМ
2(F02 + F01 + F)
получается достаточно большой. Соответственно отношение (F02 + F01 + F)/fГ оказывается велико и одна полоса может быть отделена от другой с помощью одиночного или нескольких перестраиваемых контуров. Генератор частоты fГ и фильтр Ф перестраиваются по частоте синхронно. На выходе фильтра Ф получаем выходное рабочее колебание с результирующей частотой fГ + F02 + F01 + F.
Очевидно, для выделения информационного сигнала на приёмной стороне должна быть восстановлена несущая частота, которая при рассматриваемом способе формирования однополосного сигнала оказывается равной f0 = fГ + F02 + F01.
Все три частоты fГ, F01, F02 должны иметь высокую стабильность, для чего применяется кварцевая стабилизация каждой из этих частот.
Рассмотренный способ формирования однополосного сигнала требует значительного количества балансных модуляторов и фильтров. Кроме того, первые два балансных модулятора с их фильтрами требуют весьма тщательной регулировки.
В современных передатчиках в качестве фильтров на выходе БМ1 применяют кварцевые и электромеханические (магнитострикционные) фильтры, обладающие довольно большой крутизной ската АЧХ, что способствует высокому подавлению нерабочей боковой полосы. Кварцевые и электромеханические фильтры позволяют достичь подавления ненужной боковой полосы порядка (50…60) дБ. При этом первая поднесущая частота F01 может быть выбрана до 200 – 500 кГц при использовании электромеханических фильтров и в интервале 100…500 кГц при использовании кварцевых фильтров. Чем выше значение F01, тем меньше потребуется промежуточных преобразований частотного спектра. Известны разработки кварцевых фильтров для частот 5…10 МГц и опытные разработки до 10…15 МГц. Однако до сих пор широко распространены кварцевые фильтры для частот 100…150 кГц, так как именно для этих частот возможно изготовление дешёвых кварцевых резонаторов с малым ТКЧ. Вторая поднесущая частота в современных передатчиках обычно выбирается в пределах (1…3) МГц. Соответственно фильтр Ф2 получается проще фильтра Ф1, а выходной фильтр Ф оказывается ещё проще. Фильтры различаются по рабочей частоте и уровню мощности проходящего сигнала. В тракте формирования однополосного сигнала предусматриваются усилители. Выходной балансный модулятор БМ является самым мощным и может быть выполнен на лампах. Первый балансный модулятор БМ1 является самым маломощным и выполняется по кольцевой схеме БМ на диодах. Следует отметить, что электромеханические и кварцевые фильтры – это также маломощные устройства. У электромеханических фильтров достижима добротность до 5000 – 10000, у кварцевых фильтров добротность выше и меньше неравномерность АЧХ.
Рассмотренный метод выделения ОБП является основным методом, используемым в профессиональной аппаратуре связи, так как он позволяет выделить ОБП с очень большим подавлением второй боковой полосы, освобождая этим канал связи от побочных помех. Кроме того, этот метод удобен для формирования группового сигнала при многоканальной работе. Метод также обладает хорошей эксплуатационной устойчивостью.
Кроме рассмотренного метода выделения ОБП известны, в частности, фазоразностный, фазофильтровый, синтетический и др. В профессиональной аппаратуре связи эти методы практически не применяются, в основном из-за сложности схемотехнических решений, нестабильности во времени их основных характеристик и т.п. Тем не менее, отдельные из них в силу простоты и других достоинств находят применение в специальной аппаратуре или в аппаратуре радиолюбительской связи. Исследование этих методов и поиск технических решений их реализации продолжаются. Поэтому знание других методов формирования ОБП радиоспециалистом целесообразно.
Выделение ОБП с помощью многофазной модуляции
(фазоразностный способ формирования ОБП)
В системах многофазной модуляции n – фазная система напряжений высокой частоты модулируется n – фазной системой напряжений низкой частоты. Каждая фаза представляет собой самостоятельную систему амплитудной модуляции (АМ), в которой образуются колебания несущей частоты и двух боковых полос. В общем случае число n должно быть больше двух. Напряжения как высокой так и низкой частоты в соседних фазах должны быть сдвинуты на
Идея выделения ОБП при многофазной модуляции заключается в том, что при суммировании составляющих всех фаз в общей нагрузке должны оказаться подавленными несущая частота и одна из боковых полос. Результатом суммирования является выделенный однополосный сигнал, например,
или
Уяснить идею метода легче, рассмотрев несколько частных случаев.
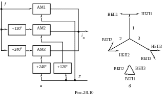
1. Трёхфазная модуляция. Структурная схема метода представлена на рис.28.10,а.
В этом случае n = 3 и напряжения в фазах сдвинуты соответственно на 1200 и 2400. В системе требуется три АМ генератора, работающих на общую нагрузку. АМ генераторы отличаются друг от друга только тем, что сигналы на них (модулируемый и модулирующий) подаются со сдвигами в 1200 и 2400. На рис.28.10,а указаны положительные сдвиги, но они могут быть и отрицательные. Также по одному сигналу сдвиг может быть положительный, а по другому – отрицательный. От этого зависит, сигнал какой боковой полосы (нижней или верхней) будет выделен. Принцип подавления колебания несущей частоты и одной боковой полосы поясняется векторной диаграммой рис.28.10,б. Чтобы понять векторную диаграмму, напомним общее выражение АМ колебания (24.5), когда модулируемый и модулирующий сигналы имеют начальные фазы
и
, отличные от нуля:
Если на выходе каждого АМ генератора существуют несущие колебания одинаковой амплитуды, то результирующее несущее колебание оказывается равным нулю, так как векторы несущих колебаний в этом случае образуют замкнутый треугольник.11 Точно также, при равенстве амплитуд создаваемых в каждом генераторе боковых колебаний при принятых положительных фазовых сдвигах сигналов векторы колебаний верхних боковых частот (полос) ВБП образуют замкнутый треугольник, а векторы колебаний нижних боковых частот (полос) НБП оказываются в фазе и складываются алгебраически.
2. Четырёхфазная модуляция. В этом случае n = 4 и фазовые сдвиги между напряжениями в фазах АМ равны 900, 1800 и 2700. Векторная диаграмма выходного сигнала при четырёхфазной модуляции показана на рис.28.11.
Векторная диаграмма построена на основании (28.4) при положительных сдвигах напряжений в фазах модуляции. Поэтому, как и при трёхфазной модуляции, подавленными на выходе оказываются колебания несущей и верхней боковой частоты (полосы) ВБП. На нагрузке выделяется колебание нижней боковой частоты (полосы) НБП. Для полного подавления несущего колебания и одной боковой полосы требуется полная амплитудная симметрия АМ генераторов и обеспечение требуемого сдвига фаз на несущей частоте и во всей полосе модулирующих частот.
3. Двухфазная (квадратурная) модуляция. Выше отмечалось, что многофазная модуляция формирования однополосного сигнала возможна при числе фаз больше двух. Если выбрать число фаз n = 2, то есть осуществить два амплитудно-модулируемых генератора с напряжениями, сдвинутыми на 1800, то, в чём нетрудно убедиться, используя (28.4) или соответствующую векторную диаграмму, колебание несущей частоты будет подавлено, а колебания боковых частот (полос) просуммируются. Обратим внимание, что если реализовать описанную систему при n = 2, то мы получим рассмотренную ранее схему двухтактно-параллельного БМ (рис.28.1,б и рис.28.4,б).
Если обратиться к векторной диаграмме для выходного сигнала при четырёхфазной модуляции (рис.28.11), то можно видеть, что если взять две соседние системы, напряжения в которых имеют фазовый сдвиг 900, то в суммарном сигнале одна боковая частота (полоса) будет отсутствовать (в примере рис.28.11 отсутствует ВБП), а на выходе будут колебания несущей и другой боковой частоты (в примере рис.28.11 колебания НБП). При этом амплитуда результирующего колебания несущей частоты определяется как корень квадратный из суммы квадратов несущих колебаний с выхода каждой фазы.12 Избавиться от несущего колебания на выходе системы можно, используя в каждой фазе вместо АМ генератора, обеспечивающего на выходе несущее колебание и две боковые частоты (полосы), балансный модулятор (БМ), на выходе которого будут только колебания боковых частот (полос). Схема такой системы представлена на рис.28.12 и носит название квадратурной схемы формирования однополосного сигнала (формирования ОБП).
Недостатком всех систем многофазной модуляции является требование амплитудной симметрии всех фаз, что является необходимым, но ещё недостаточным условием для подавления несущего колебания и колебания одной боковой частоты (полосы). Другим недостатком является необходимость создания нескольких напряжений (определяется числом фаз), сдвинутых на определённый угол. Если не будет обеспечен требуемый сдвиг напряжений, то даже при полной амплитудной симметрии фаз не будет полного подавления несущего колебания и одной боковой частоты (полосы). Равно как не будет полного сложения выделяемой ОБП. Основная трудность состоит в создании низкочастотных напряжений, так как в этом случае требуется обеспечить фиксированный фазовый сдвиг в некоторой полосе частот. Тем не менее эта задача успешно решается и существуют широкополосные фазовращатели, обеспечивающие в требуемой полосе частот необходимый фазовый сдвиг с точностью ±10. Обеспечить необходимый фазовый сдвиг на фиксированной несущей частоте проще.
















