Прямоточная барабанная сушилка (1084931), страница 2
Текст из файла (страница 2)
Высушиваемый материал проходит через подпорное устройство в виде сменного кольца или поворотных лопаток, посредством которых регулируется степень заполнения барабана, обычно не превышающая 20-25% его объема. Готовый продукт проходит через шлюзовой затвор, препятствующий подсосу наружного воздуха в барабан, и удаляется транспортером. Газы просасываются через барабан при помощи дымососа, установленного за сушилкой. Для улавливания из газов пыли между барабаном и дымососом включен циклон. [2]
Барабан приводится во вращение посредством зубчатого венца, который находится в зацеплении с ведущей шестерней, соединенной через редуктор с электродвигателем. Скорость вращения барабана зависит от угла его наклона и продолжительности сушки; обычно барабан делает 1-8об/мин. [2]
Барабанные сушилки отличаются высокой производительностью. Устанавливаются они либо в начале технологического процесса для предварительной подсушки сырья, либо в конце процесса для окончательной сушки готового продукта. В барабанных сушилках можно производить сушку топлива (бурый, каменный уголь, сланец, торф), глины, известняка, фосфоритов, марганцовых руд, бикарбоната натрия, аммиачной селитры, нитрата калия, пластических масс и т.д. [1]
Барабанные сушильные установки имеют множество преимуществ: интенсивность и равномерность сушки вследствие тесного контакта материала и сушильного агента; относительная простота и компактность устройства; большая производительность. К недостаткам относятся громоздкость при значительных затратах металла и необходимость сооружения специального помещения. [2]
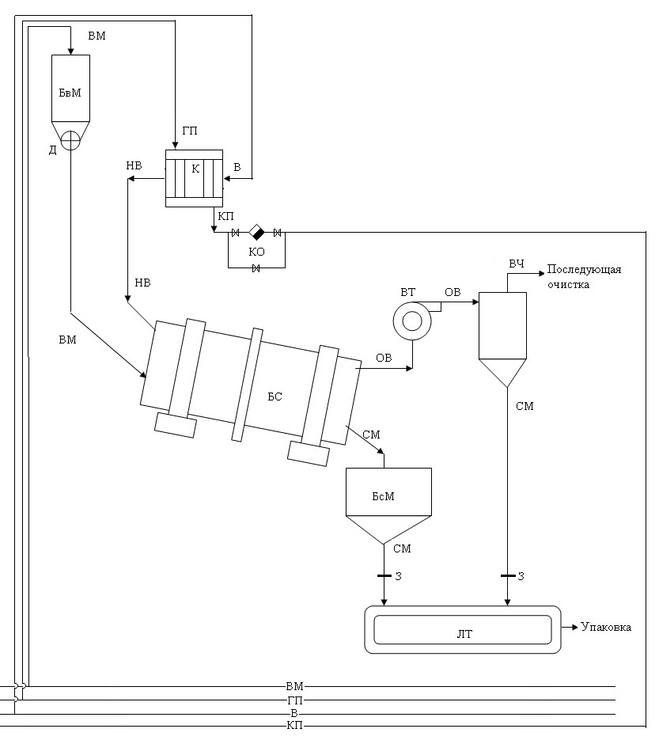
Технологическая схема установки
Влажный исходный материал NaCl подается в бункер влажного материала БвМ, откуда он через дозатор Д поступает в сушильный барабан БС. Воздух поступает в калорифер К, где нагревается греющим паром ГП и попадает в сушильный барабан БС. Конденсат греющего пара КП отправляется в линию конденсата через конденсатоотводчик КО.
Высушенный материал СМ, через затвор З, поступает в бункер высушенного материала БсМ, из которого он попадает на ленточный транспортер ЛТ. По ленточному транспортеру сухой материал отправляется на упаковку.
Отработанный воздух ОВ под действием разрежения, создаваемого вентилятором ВТ засасывается в циклон Ц. Из циклона частицы материала, уносимые с загрязненным воздухом, минуя затвор З, также попадают на ленточный транспортер ЛТ. Воздух, содержащий частицы высушенного материала ВЧ после циклона направляется на последующую очистку.
Условные обозначения
| Материалы В - воздух ВМ - влажный материал ГП - греющий пар ОВ - отработанный воздух КП - конденсат греющего пара ВЧ – воздух, содержащий частицы высушенного материала НВ - нагретый воздух СМ - сухой материал | Аппараты и устройства БвМ - бункер влажного материала БсМ - бункер сухого материала БС - барабан сушильный ВТ - вентилятор Д - дозатор З - затвор К - калорифер КО - конденсатоотводчик ЛТ - ленточный транспортер Ц - циклон |
3. Расчет основного оборудования.
Расчет основного оборудования начинаем с расчета основного узла сушильной установки — барабана, т.е. с определения его размеров, - диаметра и длины, на основе исходных данных, а именно: объемного напряжения барабана по влаге; расхода влажного материала; начальной влажности материала; конечной влажности материала. Методика, использованная для расчета основного оборудования, калориферов, бандажей и концентрации пыли приведена в [4].
3.1. Расчет количества удаляемой влаги в сушильном барабане
Задаемся исходными данными для расчета из технических условий: Производительность установки:
G н = 7000 кг/ч = 7000/3600 = 1,94
Начальная и конечная влажность материала:
= 6% масс. и
= 0,2% масс.
Определяем расход сухого материала:
G см = 1,94 (1 - 0,06) = 1,82
Находим относительную влажность материала на входе в аппарат:
Находим относительную влажность материала на выходе из аппарата:
Определяем количество влаги, удаляемое в барабане:
3.2. Размеры сушильного барабана
Из условия задаемся объемным напряжением барабана по влаге
,
Принимаем [5] ориентировочное значение m – отношение между длиной аппарата и диаметром барабана – равным 6,05.
Определяем в первом приближении диаметр барабана по формуле:
Ближайший больший диаметр барабана [5]: D6 = 2,2 м.
При этом длина аппарата может быть равна [5]: 10, 12, 14, 16 метров. Выбор длины аппарата определяется минимально необходимым объемом барабана
Минимально необходимая длина аппарата при известном минимально необходимом объеме и известном диаметре аппарата будет определяться по уравнению
Ближайшее большее значение длины барабана равно 12 м.
Окончательно принимаем Lб = 12 м, D6 = 2,2 м
3.2.1. Расчет потребного расхода сушильного агента в случае сушки атмосферным воздухом
Определение параметров воздуха на входе в сушильную установку
В случае сушки атмосферным воздухом параметры атмосферного воздуха определяются непосредственно по диаграмме Рамзина в зависимости от географического района, в котором будет установлена сушилка.
В справочной части учебного пособия [6] находим температуру и относительную влажность атмосферного воздуха в г. Новосибирск для июля: t0 = 18,7 °С; φо = 59%. По диаграмме I-Х определяем остальные параметры воздуха: I0=36
; хо = 0,0072
.
Определение параметров воздуха на входе в сушильный барабан
Заметим, что Х1 = Хо, следовательно, нам известны два параметра сушильного агента на входе в сушильный барабан: Х1 и t1. Определяем положение точки 1 по диаграмме I-Х по этим двум параметрам. Далее находим значения энтальпии и относительной влажности на входе в сушильную камеру φ1<5%, I1=174
.
Определение параметров воздуха на выходе из сушильного барабана в случае идеальной сушки
Согласно определению идеальной сушилки I2 = I1, т.е. линия сушки совпадает с линией I = сonst. Таким образом, зная какой-либо параметр воздуха на выходе из барабана, легко определить с помощью диаграммы Рамзина значения остальных параметров. По диаграмме Рамзина по двум параметрам (I2, t2) определяем положение точки 2, которая характеризует воздух на выходе из сушильного барабана. Откуда: 50% <φ 2<60%; Х2 = 0,0456
.
Определение действительных параметров воздуха на выходе из сушильного барабана
Задаемся температурой наружной поверхности изоляции θ=40°С и температурой окружающей среды t0=20 °С. Диаметр барабана с изоляцией принимаем равным диаметру барабана без изоляции: Dи =Dб=2,2 м. Рассчитаем коэффициент теплоотдачи от наружной поверхности барабана к окружающей среде:
Тогда удельные потери тепла в окружающую среду будут равны
Определяем удельные потери тепла с материалом.
По [6] вычисляем удельную теплоемкость сухого материала
,
где М = 59,5 г/моль – молярная масса хлористого натрия.
Теплоемкость воды составляет
.
Рассчитаем энтальпию материала на входе и выходе барабана, полагая, что речь идет о прямоточной сушилке и принимая, что
:
Тогда удельные потери тепла с материалом могут быть рассчитаны по формуле
Рассчитаем сумму удельных потерь тепла
Δ= - 285
Задаемся произвольным значением влагосодержания воздуха X > Хо, например X = 0,040
и находим сопряженное ему значение теплосодержания:
Находим положение произвольной точки (Х,I) в поле диаграммы I-Х, Соединяем полученную точку с точкой 1(X1, t1) и продолжаем линию реального процесса до пересечения с линией t2=50 o C. Находим положение точки 2 и соответствующие ей параметры: 50<φ 2<60%, I2=163
, X2=0,0436
.
Расчет потребного расхода воздуха в реальной сушилке
Определяем удельный расход воздуха по формуле
Тогда массовый расход абсолютно сухого воздуха равен
Условный удельный объем отработанного воздуха рассчитываем по формуле
где Rв = 287
- газовая постоянная воздуха;
Объемный расход влажного воздуха получаем, воспользовавшись формулой
3.2.2.Расчет скорости движения воздуха на выходе барабанной сушилки
Принимаем коэффициент заполнения сушилки материалом, показывающий долю поперечного сечения барабана, занятую материалом, в пределах, рекомендуемых в литературе
Находим внутренний диаметр барабана, учитывая, что [5] толщина стенки барабана 12 мм:
Найдем скорость движения сушильного агента в барабане:
3.2.3. Проверка найденного значения диаметра барабана по допустимой скорости сушильного агента в барабане
Допустимая скорость сушильного агента в барабане зависит от кажущейся плотности материала и от размера частиц.
















