Журнал лабораторных работ (1084273), страница 2
Текст из файла (страница 2)
Табл.3
| Заданная сила затяжки F, H. | Сила затяжки по эксперименту, соответствующая расчётному Тр | Приведенный угол и коэффициент трения | Сила затяжки по эксперименту, соответствующая расчётному моменту | Коэффициент трения на торце гайки ¦э. | |||||||||
| Тр | Fp | jэ, град | ¦пр.э. | Тзав. | Fзав. | ||||||||
| H*м | дел. инд. | дел. инд. | Н | H*м | дел. инд. | дел. инд. | Н | ||||||
Примечание:
Величины приведенных углов и коэффициентов трения, а также коэффициент трения на торце гайки определяются по формулам:
-
Выводы
-
Выполнение условия [Fp] =__________>Fзав =__________Н.
-
Соотношение между моментами Тр и Тт при F =__________Н.
-
Разница между расчетной и экспериментальной значениями максимальной силы затяжки
-
Причины расхождения величин сил затяжки по расчету и эксперименту (анализ оценки состояния поверхности, сопоставление углов и коэффициентов трения):
-
Соблюдения условия самоторможения резьбы:
Вопросы для самопроверки:
-
Какие материалы применяются для изготовления крепёжных деталей?
-
Какие типы резьбы применяются в крепёжных деталях?
-
Напишите зависимости между осевой силой F и окружной силой Ft при завинчивании и отвинчивании?
-
С помощью какого приспособления производится определение момента завинчивания Тзав?
-
Напишите условие самоторможения.
“______”_____________200__г.
Подпись студента_______________ Подпись преподавателя_______________
Лабораторная работа № 2
РАЗБОРКА, ОПРЕДЕЛЕНИЕ ОСНОВНЫХ ПАРАМЕТРОВ, СБОРКА ЗУБЧАТОГО РЕДУКТОРА
-
Техническая характеристика редуктора
Табл.1
| Редуктор цилиндрический 2-хступенчатый модели | |
| Общее передаточное число редуктора, Uр | |
| Крутящий момент на тихоходном валу, Т2 Н*м | |
| К.П.Д. редуктора – hр |
-
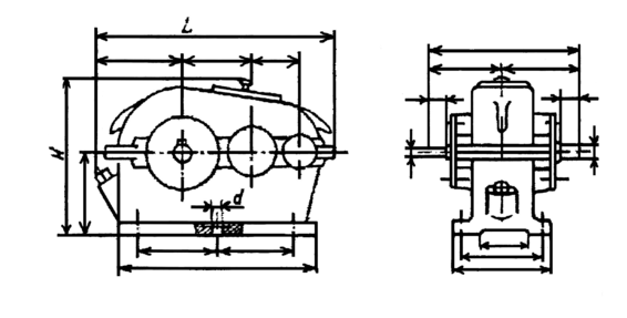
Общий вид редуктора и его основные размеры
Рис.1
-
Конструктивные особенности редуктора
Табл.2
| Конструктивная особенность | Характеристика | |
| Тип передач | Быстроходная ступень | |
| Тихоходная ступень | ||
| Конструкция крышек подшипников | ||
| Вид и способ смазки | Зацепления | |
| Подшипников | ||
| Способ замера уровня масла | ||
-
Кинематическая схема редуктора с указанием величины межосевых расстояний, чисел и направлений зубьев передач
-
Основные характеристики зацепления
Табл.3
| Наименование характеристики | Обозначение размерности | Значение характеристики | ||||
| замер. | расчет. | стандарт. | ||||
| Число зубьев | Быстрох. ступень | Z1 | ---------- | ---------- | ||
| Z2 | ---------- | ---------- | ||||
| Тихоходная ступень | Z3 | ---------- | ---------- | |||
| Z4 | ---------- | ---------- | ||||
| Передаточное число | Быстрох. ступень | Uб = Z2/Z1 | ---------- | |||
| Тихоходная ступень | UТ = Z4/Z3 | ---------- | ||||
| Ширина колеса | Абсолютная | вб, мм | ---------- | ---------- | ||
| вт, мм | ---------- | ---------- | ||||
| Относительная | yваб = вб/аб | ---------- | ||||
| yва = вт/ат | ---------- | |||||
| Межосевое расстояние | Быстрох. ступень | аб, мм | ---------- | |||
| Тихоходная ступень | ат, мм | ---------- | ||||
| Модуль | Торцевой | Быстрох. ступень |
| ---------- | ||
| Тихоходная ступень |
| ---------- | ||||
| Нормальный | Быстрох. ступень |
| ---------- | |||
| Тихоходная ступень |
| ---------- | ||||
| Угол наклона зуба по делительному диаметру колеса | Быстрох. ступень |
| ---------- | |||
| Тихоходная ступень |
| ---------- | ||||
| Диаметр выступов зубьев колеса | Быстрох. ступень |
| ---------- | |||
| Тихоходная ступень |
| ---------- | ||||
| Вывод о коррегировании ступень | Быстрох. ступень | |||||
| Тихоходная ступень | ||||||
-
Расчетное значение величины крутящего момента и мощности на входном валу редуктора.
Табл.4
| Межосевое расстояние а, мм | Передаточное число Uт | Передаточное число редуктора Up | Синхронное число оборотов nc | Допуск. напряжение [sн], МПа | Коэф. ширины зуба yват | Коэф. Ка 1/3, МПа | Коэф. Кнb | Момент ТII, Hм | Мощность NII, кВт |
-
Эскиз эпюры вала в корпусе редуктора с деталями осевой регулировки подшипников
-
Определение типоразмеров подшипников валов
Табл.5
| Наименование величин | Входной вал | Промежуточный вал | Выходной вал |
| Тип подшипника | |||
| Внутренний диаметр, мм | |||
| Наружный диаметр, мм | |||
| Ширина подшипника, мм | |||
| № подшипника | |||
| Статическая грузоподъемность С0 | |||
| Динамическая грузоподъемность С |
-
Выводы
Вопросы для самопроверки:
-
Для чего предназначен зубчатый редуктор и в каких машинах он используется?
-
Какие достоинства и недостатки имеет зубчатый редуктор?
-
Какие конструктивные расчетные параметры зубчатых передач определяют габариты редуктора?
-
Какие виды смазки зацепления и подшипников применяются в редукторах?
-
Какие способы регулировки зазоров в зацеплении и подшипниках применяются в редукторах?
Рис.1
“______”_____________200__г.
Подпись студента_______________ Подпись преподавателя_______________
Лабораторная работа № 3
РАЗБОРКА, ОПРЕДЕЛЕНИЕ ОСНОВНЫХ ПАРАМЕТРОВ, СБОРКА ЧЕРВЯЧНОГО РЕДУКТОРА
-
Техническая характеристика червячного редуктора
Табл.1
| Редуктор червячный одноступенчатый модели | |
| Передаточное число редуктора, U | |
| Крутящий момент на выходном валу, Тп Н*м | |
| К.П.Д. редуктора – h |
Рис.1
-
Конструктивные особенности червячного редуктора
Табл.2
| Конструктивная особенность | Характеристика | |
| Расположение линии разъема корпуса | ||
| Червяк | Схема расположения | |
| Форма внешней поверхности | ||
| Форма профилей витков | ||
| Направление витков | ||
| Наличие брызговиков | ||
| Червячное колесо | Способ крепления венца | |
| Материал венца | ||
| Вид и способ смазки | Червячной передачи | |
| Подшипников | ||
| Тип уплотнения выходных концов валов | Червячного колеса | |
| Червяка | ||
| Способ замера уровня масла в корпусе | ||
-
Кинематическая схема червячного редуктора
-
Основные характеристики червячной передачи
Табл.3
| Наименование характеристики | Расчетная зависимость | Значение характеристики | |||
| замер. | расчет. | стандарт. | |||
| Число зубьев колеса |
| ||||
| Число заходов червяка |
| ||||
| Передаточное число |
| ||||
| Межосевое расстояние |
| ||||
| Модуль передачи, мм |
| ||||
| Шаг червяка, мм |
| ||||
| Ход витка червяка, мм |
| ||||
| Коэфф. диаметра червяка |
| ||||
| Коэфф. смещения, мм |
| ||||
| Диаметры червяка | Делительный, мм |
| |||
| По вершинам витков, мм |
| ||||
| Диаметры червячного колеса | Делительный, мм |
| |||
| По вершинам зубьев, мм |
| ||||
| Наружный, мм |
| ||||
| Угол наклона витков червяка, l, град |
| ||||
| Длина нарезной части червяка, мм |
| ||||
| Ширина венца червячного колеса, мм |
| ||||
-
Расчетное значение крутящего момента и мощности на выходном валу редуктора
Табл.4
| аw, мм | U | н2, МПа | no, об/мин | nII, об/мин | TII, Нм | NII, кВт |
-
Эскиз опоры вала в колеса в корпусе червячного редуктора с деталями осевой регулировки подшипников
-
Определение типоразмеров подшипников в опорах валов
Табл.5
| Наименование параметра | Вал червяка | Вал червячного колеса |
| Тип подшипника | ||
| Внутренний диаметр d, мм | ||
| Наружный диаметр D, мм | ||
| Ширина подшипника, мм | ||
| № подшипника | ||
| Статическая грузоподъемность С0 | ||
| Динамическая грузоподъемность С |
-
Выводы
Вопросы для самопроверки:
-
Для чего предназначен червячный редуктор и в каких машинах он используется?
-
Какие достоинства и недостатки имеет червячная передача?
-
Какие конструктивные расчетные параметры червячной передачи определяют габариты редуктора?
-
Какие способы регулировки зацепления и подшипниковых опор применяются для червячных редукторов?
“______”_____________200__г.
Подпись студента_______________ Подпись преподавателя_______________
28
; 















