Проектирование устройств сопряжения (1083567), страница 8
Текст из файла (страница 8)
Отметим, что совсем не обязательно дешифровать все линии адресной шины магистрали. Довольно часто для упрощения схемы УС удобно часть этих линий отбросить, не заводить на селектор адреса. При этом важно, чтобы адреса проектируемого УС не перекрывались с адресами, занятыми другими устройствами компьютера. Наиболее часто отбрасывают младшие разряды адреса.
Рис. 2.6. Структура селектора адреса.
Рассмотрим небольшой пример. Пусть мы выбрали для нашего УС свободную зону из 16 адресов в пространстве устройств ввода/вывода 360...36F. Пусть наше УС должно иметь 4 адреса для 8-разрядного обмена. Тогда мы можем каждому адресу УС поставить в соответствие четыре магистральных адреса (то есть шестнадцать адресов выбранной зоны разделили на четыре адреса УС и получили четыре). Тогда на селектор адреса можно завести не 10, а только 8 адресных линий (SA2...SA9), отбросив два младших адреса. При этом, например, первому адресу УС будут соответствовать магистральные адреса 360...363. При обращении к любому из них селектор адреса будет распознавать первый адрес УС.
Однако при данном подходе надо соблюдать осторожность и не захватывать слишком больших зон адресов, так как иначе может не остаться возможностей для расширения системы. Как уже отмечалось, по стандарту ISA, устройства ввода/вывода адресуются 16 разрядами адресной шины SA0...SA15, но большинство плат расширения работают только с SA0...SA9, поэтому обычно нет смысла обрабатывать разряды SA10...SA15. Однако иногда разрабатываемое УС должно иметь очень много адресов. В таком случае оно может дешифровать все 16 разрядов, но свободными будут не все дополнительные адреса, а только окна, соответствующие свободным зонам в 1К-байтном пространстве 000...3FF. Например, свободному окну 300...31F в 64К-байтном пространстве (0000...FFFF) будут соответствовать свободные окна 0300...03IF, 0F00…0F1F, 1300...131F, 1F00...1F1F и т.д. (всего 64 окна). Так что советуем подумать, следует ли выбирать этот путь, существенно усложняющий селектор адреса.
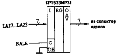
Несколько слов о селекторе адреса для УС, работающего в адресном пространстве памяти. В этом случае мы должны обрабатывать 20 разрядов адресной шины (при полном объеме памяти до 1 Мбайта) или все 24 разряда адресной шины (при полном объеме памяти до 16 Мбайт). Надо сказать, что разработка УС, работающего как устройство ввода/вывода, гораздо проще. Переход в адресное пространство памяти вызывается обычно необходимостью ускорения обмена с внутренним ОЗУ или ПЗУ, входящим в состав УС. Но в этом случае селектор адреса не должен обрабатывать столько младших разрядов адреса, сколько адресных входов имеет это ОЗУ или ПЗУ. Например, если внутреннее ОЗУ имеет организацию 1Кх8 (десять адресных входов), то десять младших разрядов адреса SA0...SA9 должны подаваться не на селектор адреса, а (через соответствующие буфера) непосредственно на адресные входы ОЗУ. Разряды адреса LA17...LA23 перед подачей на селектор адреса должны быть зафиксированы на все время цикла обмена (рис. 2.7). Отметим, что при использовании микросхемы регистра с малыми входными токами можно обойтись без входных буферов как для сигналов LA17...LA23. так и для сигнала ALE.
Помимо сигналов, показанных на рис. 2.6, на селектор адреса часто подают сигнал AEN, который при этом используется Для запрещения выработки выходных сигналов. То есть если по магистрали идет прямой доступ к памяти, то устройство ввода/вывода (в нашем случае — УС) должно быть обязательно отключено от магистрали и не должно реагировать на выставляемые на шине адреса коды (пока мы говорим об УС, ориентированных только на программный обмен).
Рис. 2.7. Обработка сигналов LA17 ... LA23.
А теперь рассмотрим несколько наиболее характерных схемотехнических решений селекторов адреса. Но сначала отметим требования, предъявляемые к ним:
- высокое быстродействие (селектор адреса должен иметь задержку не более чем интервал между выставлением адреса и началом сигнала строба обмена);
- возможность изменения селектируемых адресов (особенно важно для устройств ввода/вывода из-за малого количества свободных адресов);
- малые аппаратурные затраты.
Самое простое решение при построении селектора адреса — использование только микросхем логических элементов. Например, на рис. 2.8 показана схема, реагирующая на единственный адрес 3CF. Основным достоинством такого подхода является высокое быстродействие (для схемы на рис. 2.8 задержка не превышает 30 нс). При использовании микросхем с малыми входными токами можно обойтись без буферов. Но есть и недостатки: необходимость проектирования схемы заново для каждого нового адреса, невозможность смены адреса, сложность организации выбора нескольких адресов. Если надо иметь возможность изменять выбираемый адрес, то можно предусмотреть использование отключаемых инверторов для всех линий адреса. Тогда, подключая или отключая нужные инверторы с помощью перемычек или переключателей, мы получаем возможность перестраивать в некоторых пределах наш селектор адреса. Другой путь — применение элементов "Исключающее ИЛИ", работающих как управляемые инверторы. На рис. 2.9 показан тот же, что и на рис. 2.8 селектор адреса, но выбирающий в зависимости от кода на шине AS, задаваемого перемычками, адреса 3CF, 2CF, 1CF, 0CF и т.д. (всего 8 возможных адресов).
Рис. 2.8. Селектор адреса на логических элементах.
Рис. 2.9. Использование элементов "Исключающее ИЛИ" для изменения селектируемого адреса.
Селекторы адреса могут быть реализованы также на микросхемах дешифраторов. Вообще говоря, можно построить селектор адреса только на этих микросхемах, но объем аппаратуры получается при этом очень большим. Поэтому более правильным решением будет обработка старших адресных разрядов какой-то другой схемой (например, одним или несколькими логическими элементами), а младшие — с помощью одной микросхемы дешифратора. Примером может служить селектор адреса на рис. 2.10, сигналы на выходах которого соответствуют выбору шестнадцати адресов в пределах зоны, задаваемой другой частью схемы (обозначена AS). Совсем не обязательно использовать дальше все сигналы ADR0...ADR15, можно с помощью перемычек применять их для изменения адресов нашего УС. Отметим такое достоинство этого подхода по сравнению с рассмотренным ранее как возможность селектирования нескольких адресов.
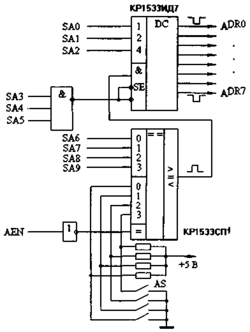
Следующий метод реализации селектора адреса — использование микросхем компараторов кодов, на одну входную шину которых подается адрес из магистрали, а на другую входную шину — код AS, соответствующий селектируемому адресу. Очевидно, что каскадируя эти микросхемы, можно построить селектор адреса исключительно на них, но это приведет к неоправданным аппаратурным затратам. Гораздо эффективнее применять компараторы кодов для изменения селектируемых адресов. На рис. 2.11 показана схема селектора адреса с использованием компаратора кодов и дешифратора. Здесь разряды SA0...SA2 определяют один из восьми адресов УС, SA3...SA5 жестко должны быть равными единице, а значения SA6...SA9 выбираются переключателями. Отметим, что время задержки этой схемы — не более 57 нс.
Наконец, наиболее универсальными являются селекторы адреса на базе ППЗУ и ПЛМ. В данном случае селектируемый адрес (или селектируемые адреса) зависит не от схемотехнических решений и не от кода, задаваемого переключателями, а от прошивки ППЗУ или ПЛМ. Такой подход обеспечивает, как правило, малые аппаратурные затраты, а также простую реализацию выбора нескольких адресов или зон адресов. Изменить селектируемый адрес (или адреса) можно заменой ППЗУ (ПЛМ), устанавливаемого в контактирующее устройство (сокет). Однако это может сделать только пользователь, имеющий набор ППЗУ (ПЛМ) для разных адресов или имеющий программатор (устройство для программирования). На рис. 2.12 показана схема селектора адреса на одной микросхеме ППЗУ (нулевой разряд адреса SA0 не задействован, a SA9 всегда должен быть равен нулю).
Рис. 2.10. Селектор адреса с использованием микросхемы дешифратора.
Риc. 2.11. Использование компаратора кода для изменения селектируемого адреса.
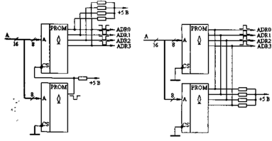
Возможно также комбинирование ППЗУ (ПЛМ) с другими микросхемами, например, с дешифраторами или компараторами кодов. Как уже отмечалось, малые входные токи микросхем ППЗУ серии КР556 позволяют отказаться от входных буферов адреса. Задержка микросхем ППЗУ (ПЛМ) этой серии не превышает 50 ... 80 нс. если необходимо обрабатывать больше разрядов адреса, чем имеется адресных входов у микросхем ППЗУ, то можно каскадировать две или более микросхемы, объединяя их, как показано на рис. 2.13. Здесь каждая из микросхем обрабатывает свои разряды адреса магистрали. Отметим, что вторая схема работает только на микросхемах, имеющих выходы с открытым коллектором и обеспечивает только высокие активные уровни выходных сигналов ADR. Полная задержка первой схемы складывается из времени выборки адреса и времени выбора и составляет около 80...100 нс. У второй схемы полная задержка определяется только временем выборки адреса и не превышает 50...80 нс.
Рис. 2.12. Селектор адреса на ППЗУ.
Рис. 2.13. Объединение микросхем ППЗУ в селекторе адреса.
2.1.3. Выработка внутренних стробирующих сигналов
Следующая важная функция интерфейсной части УС — выработка внутренних стробирующих сигналов синхронно с магистральными командными сигналами (-IOR, -IOW, -MEMR, -MEMW) в случае обращения по адресам нашего УС. Условно узел, выполняющий эту функцию, может быть представлен в следующем виде (рис. 2.14). На его вход подаются сигналы ADR0 ... ADRN с выхода селектора адреса, SBHE (в случае необходимости разделения 8- и 16-разрядных циклов), а также буферированные магистральные стробы записи и чтения (R и W). Выходы — это сигналы STR0 ... STRn, соответствующие обращениям с записью или чтением по всем адресам или группам адресов УС. Рассмотрим несколько методов построения этого узла.
Рис. 2.14. Структура блока выработки внутренних стробов.
Самый простейший подход — использование логических элементов — удобен в случае малого числа внутренних стробов STR На рис. 2.15 показана схема для двух адресов УС, доступных по чтению и записи. Достоинства такого подхода — малое число элементов и высокое быстродействие, а недостаток состоит в том, что приходится разрабатывать новую схему для каждого УС
В случае необходимости выработки большого числа внутренних стробирующих сигналов удобно использовать микросхемы дешифраторов. Пример такого решения представлен на рис. 2.16. Здесь два младших разряда адреса подаются не на селектор адреса, а непосредственно на дешифратор, верхняя половина которого управляется сигналом с селектора адреса и сигналом -IOR, а нижняя — сигналом с селектора адреса и -IOW. Таким образом, выходы STR0...STR3 соответствуют циклам чтения из четырех последовательных адресов, a STR4...STR7 — записи в эти адреса. Отметим, что не обязательно надо использовать все выходы дешифратора. Достоинства этого подхода — однотипность схемы рассматриваемого узла для всех УС и малые аппаратурные затраты при необходимости получения большого количества внутренних стробов обмена.
В некоторых случаях удобно не разделять интерфейсную часть УС на селектор адреса и формирователь внутренних стробов.
















