Проектирование устройств сопряжения (1083567), страница 20
Текст из файла (страница 20)
В данной главе рассматриваются основные принципы проектирования интерфейсов сопряжения устройств с параллельным портом.
3.1.2. Подключение простейших нестандартных устройств
Интерфейс Centronics и, соответственно, параллельный порт персонального компьютера ориентированы на подключение принтера. Подтверждением этому является и название сигналов интерфейса — AUTO FD — автоматический перевод бумаги, РЕ — конец бумаги и т.д. Однако при разработке нестандартных устройств для подключения к интерфейсу Centronics его сигналы могут быть использованы произвольно.
Итак, какими же ресурсами располагает разработчик устройства, сопрягаемого с интерфейсом Centronics? Все сигналы интерфейса, которые уже были перечислены в главе 1, можно разделить на четыре группы:
1 — восьмиразрядная шина данных для записи из компьютера (сигналы D0...D7);
2 — четырехразрядная шина управления для записи из компьютера (сигналы -STROBE, -AUTO FD, -INIT и -SLCT IN);
3 — пятиразрядная шина состояния для чтения в компьютер (сигналы -АСК, BUSY, PE, SLCT и -ERROR);
4 — шина "земли".
Все сигналы программно доступны, что позволяет реализовать произвольные протоколы информационного обмена в рамках имеющегося их набора и быстродействия компьютера.
Простейший анализ набора сигналов позволяет выделить основную проблему, возникающую при сопряжении устройств с интерфейсом Centronics. Поскольку шина данных является однонаправленной, что позволяет использовать ее только на вывод, для ввода данных необходимо использовать сигналы из пятиразрядной шины состояния. Таким образом, если не предпринимать специальных шагов, разрядность информационного обмена по чтению ограничена пятью линиями.
Рассмотрим следующую задачу. Необходимо разработать устройство типа "набор лампочек и кнопочек", содержащее переключатели и светодиоды. В зависимости от положения переключателей по некоторому алгоритму должны загораться светодиоды. Устройство должно подключаться к персональному компьютеру через параллельный порт.
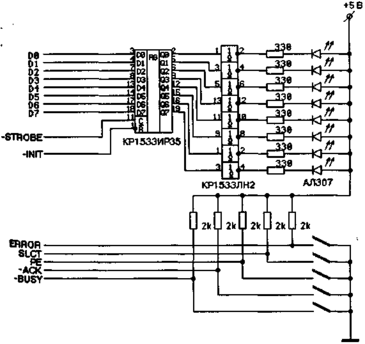
На рис. 3.1 показан вариант простейшей реализации такого устройства. Для управления светодиодами использованы сигналы D0 ... D7, поэтому их число ограничено восемью. Для опроса положения переключателей используются пять сигналов шины состояния, поэтому максимальное число таких переключателей — пять. Регистр КР1533ИР35 предназначен для фиксации данных и начальной установки (гашения) светодиодов. Сигнал -STROBE используется для стробирования записи данных в регистр, а сигнал -INIT — для сброса регистра и гашения светодиодов (светодиод горит при записи логической "1" в соответствующий разряд регистра). При замыкании переключателя по соответствующей ему линии шины состояния читается логический "0", а при размыкании — логическая "1". Для питания устройства используется внешний источник напряжением +5 В.
Рис. 3.1. Устройство типа "набор лампочек и кнопочек".
Рис. 3.2. Устройство типа "набор лампочек и кнопочек" с 8 переключателями.
В устройстве, схема которого показана на рис. 3.1, количество переключателей и светодиодов определяется разрядностью соответствующих шин интерфейса Centronics. При этом если байтовой разрядности шины данных в некоторых случаях еще хватает, то пяти линий шины состояния для ввода явно недостаточно. Наиболее естественный и простой способ увеличения числа разрядов на ввод — мультиплексирование принимаемых данных.
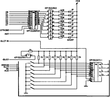
На рис. 3.2 показана схема устройства типа "набор лампочек и кнопочек" уже с восемью переключателями. Мультиплексор КР1533КП11 реализует преобразование восьми линий в четыре, которое выполняется в две фазы — ввод младшей тетрады и ввод старшей тетрады. Для переключения мультиплексора можно использовать свободный сигнал шины управления, например -SLCT IN.
Как видно, остается свободным один сигнал шины состояния. Его можно использовать, например, для определения наличия внешнего питания +5В (как показано на рис. 3.2) или детектирования подключения устройства (если поставить перемычку на "землю"). В обоих случаях предполагается, что с оборванной линии будет прочитана "1" (т.к. в адаптере Centronics компьютера стоит ТТЛШ-буфер).
Таким образом, использование мультиплексора позволило организовать двунаправленный байтовый информационный обмен через интерфейс Centronics. Это не так уж плохо, но все же в большинстве случаев байтовых шин недостаточно. В следующем параграфе рассмотрены простейшие способы расширения разрядности интерфейса.
3.1.3. Подключение модулей памяти
Рассмотрим задачу подключения к параллельному порту компьютера модуля памяти. Сама по себе она кажется несколько надуманной, однако модули памяти (ОЗУ или ПЗУ) могут входить в состав самых разных устройств, в том числе и сопрягаемых с компьютером через параллельный порт.
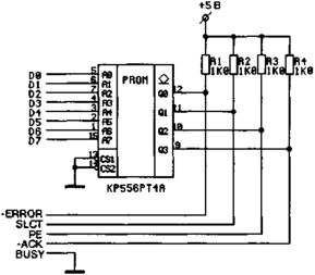
На рис. 3.3 показана схема модуля ППЗУ емкостью 256 4-разрядных слов. Он построен на одной микросхеме КР556РТ4А. Для ее сопряжения с интерфейсом Centronics вполне достаточно разрядности шин данных и состояния. Сигнал -BUSY использован для детектирования подключения модуля ППЗУ.
На рис. 3.4а показана схема модуля ППЗУ емкостью 1 Кбайт, построенного на двух микросхемах КР556РТ5. В этом случае в качестве старших адресных линий приходится использовать Две линии шины управления, а также мультиплексор для преобразования байта данных в две последовательно считываемые тетрады.
Такой же модуль ППЗУ можно подключить к параллельному порту несколько по-другому (рис.3.46). Для установки адреса используются байтовые регистры КР1533ИР23, выбор которых реализуется дешифратором КР1533ИД7. Свободные биты регистров могут использоваться как внутренние сигналы управления устройства (в данном случае свободны 6 битов одного из регистров, и старший из них используется для переключения тетрад мультиплексора при чтении).
Рис. 3.3. Модуль ППЗУ емкостью 256 4-разрядных слов.
Такой способ позволяет интерпретировать интерфейс Centronics как примитивную магистраль с шинами адреса (сигналы -STROBE, -AUTO FD и -INIT), данных (шина данных интерфейса по записи и шина состояния по чтению) и стробом записи (сигнал -SLCT IN). При этом протоколы записи и чтения по этой магистрали реализуются программно (см. п.3.2). Для данного модуля ППЗУ вариант магистрального сопряжения является избыточным, однако он наиболее универсален.
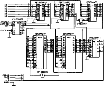
На рис.3.5 показана схема магистрального сопряжения с интерфейсом Centronics модуля ОЗУ емкостью 16 Кбайт, построенного на двух микросхемах КР537РУ17. Основное отличие этой схемы от предыдущей связано с необходимостью реализации как чтения, так и записи, поэтому приходится использовать буфер КР1533АП5 для развязки выходов ОЗУ от шины данных при чтении. Кроме того, требуется дополнительный управляющий сигнал RE, переключающий режимы чтения (RE=0) и записи (RE=1). Сигнал управления мультиплексором назван здесь "1/2".
Рис. 3.4 Модуль ППЗУ емкостью 1K байт (а). Модуль ППЗУ емкостью 1К байт (второй вариант) (6).
3.1.4. Универсальный параллельный адаптер
Примером, достаточно полно иллюстрирующим возможности магистрального сопряжения устройств с интерфейсом Centronics, является схема универсального параллельного адаптера — УПА (рис. 3.6). УПА предназначен для информационного программно-управляемого обмена с периферийными устройствами по семи байтовым двунаправленным портам PORT0 — PORT6 и по своим возможностям аналогичен универсальному контроллеру параллельного обмена, описанному в 2.1.9 (как уже упоминалось, оба названия равнозначны).
Для вывода данных используются семь регистров КР1533ИР23 — по одному на каждый порт, а для ввода — восемь мультиплексоров КР1533КП7 — по одному на каждый бит данных. Семь младших битов регистра конфигурации (два триггера КР1533ТМ8) устанавливают направление передачи каждого из портов — чтение (0) или запись (1). Старший бит переключает тетрады входного мультиплексора КР1533КП11. При включении питания все порты устанавливаются на чтение.
Рис. 3.5. Модуль ОЗУ емкостью 16 К байт.
Рис. 3.6. Универсальный параллельный адаптер.
Важно отметить, что так как к шинам данных и управления интерфейса Centronics должно быть подключено несколько нагрузок, то их приходится буферировать. Для этого предназначены микросхемы КР1533АП5 и КР1533ЛН1.
3.2. Проектирование программного обеспечения для обмена через Centronics
Для персонального компьютера семейства IBM PC имеются две возможности программирования параллельного порта — обращение по физическим адресам регистров порта (нижний уровень) или вызов программного прерывания 17Н (верхний уровень). При этом в обоих случаях может использоваться как ассемблер, так и язык высокого уровня. В данном разделе, как и ранее, все примеры написаны на языке Си.
3.2.1. Программирование на нижнем уровне
Параллельный порт имеет три адреса в пространстве устройств ввода-вывода компьютера: BASE — регистр данных, BASE+1 — регистр состояния, BASE+2 — регистр управления.
Здесь "BASE" — первый адрес порта. В компьютере может быть до трех параллельных портов — LPT1 ... LPT3. Таблица базовых адресов портов находится в области данных BIOS, начиная с ячейки 408Н: LPT1 - 0:408, LPT2 - 0:40А, LPT3 -0:40С (все коды 16-ричные). Если порт не установлен, то в соответствующей ячейке записан 0.
Таким образом, перед обращением к порту необходимо выполнить процедуру определения его базового адреса. Ниже приведен фрагмент программы, устанавливающий базовый адрес порта LPT1 (переменная Cent_Base).
b = (int *) MK_FP (0,0x408); // Указатель на ячейку 0:408
if ( *b != 0 ) // Если порт установлен
Cent_Base = *b; // Считываем его базовый адрес
else // Иначе — какие-то действия
Программирование подключенной к параллельному порту аппаратуры заключается в установке определенных битов в регистрах данных и управления и чтении определенных битов из регистра состояния. При этом если с регистром данных проблем не возникает (это обычный байтовый регистр), то два других регистра имеют некоторые особенности. Во-первых, некоторые биты являются инверсными. При записи в регистр управления нуля в этих битах устанавливаются единицы, а если на входах регистра состояния установлены нули, то из этих битов считываются единицы. Во-вторых, если четыре бита регистра управления расположены в младших битах байта (биты 0-3), то пять битов регистра состояния — в старших (биты 3-7). Полная информация об отображении сигналов шин управления и состояния интерфейса Centronics на регистры параллельного порта компьютера приведена в табл. 3.1.
| ШИНА | СИГНАЛ | БИТ | ИНВЕРСИЯ |
| Управление | -STROBE | 0 | инверсный |
| -AUTO FD | 1 | инверсный | |
| -INIT | 2 | прямой | |
| -SLCT IN | 3 | инверсный | |
| Состояние | -ERROR | 3 | прямой |
| SLCT | 4 | прямой | |
| PE | 5 | прямой | |
| -ACK | 6 | прямой | |
| -BUSY | 7 | инверсный |
Таблица 3.1. Управляющие сигналы Centronics.
Для того чтобы при программировании каждый раз не задумываться об особенностях того или иного бита, целесообразно один раз написать функции записи в регистр управления и чтения из регистра состояния, учитывающие инверсии битов и их расположение в байте. Вариант реализации таких функций приведен ниже.
















