Проектирование устройств сопряжения (1083567), страница 15
Текст из файла (страница 15)
Рис. 2.47. Схема накапливающего сумматора.
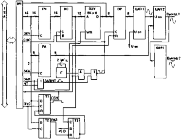
Полная структурная схема рассматриваемого УС (рис. 2.48) помимо накапливающего сумматора (НС) включает в себя управляющие регистры, схему запуска, буферное ОЗУ объемом 8К х 8, выходной регистр (ВР), ЦАП1, преобразующий коды выборок из ОЗУ в напряжение выходного сигнала и умножающий ЦАП2, задающий амплитуду выходного сигнала. В регистр частоты (РЧ) по сигналу записи кода частоты заносится шаг накапливающего сумматора (НС). В регистр амплитуды (РА) записывается код амплитуды по сигналу ЗКА. Управляющее слово из двух бит заносится в триггеры Т1 и Т2 по сигналу ЗУС. Выходной сигнал Т1 определяет режим генерации или останова, а выходной сигнал Т2 — режим запуска (разовый или автоматический).
Перед началом работы схема переводится в режим останова, задается шаг накапливающего сумматора, соответствующий единице младшего разряда адреса ОЗУ, и производится сброс накапливающего сумматора. Затем проводится запись кодов выборок в ОЗУ. При этом по сигналу записи в ОЗУ или чтения из ОЗУ (зап/чт) производится наращивание адреса ОЗУ. После окончания заполнения ОЗУ задается частота и амплитуда сигнала, и схема переводится в режим генерации, в котором на тактовый вход накапливающего сумматора поступает сигнал с кварцевого генератора. Выходной регистр (ВР) служит для обеспечения одновременности изменения всех разрядов входного кода ЦАП1 с целью уменьшения коммутационных помех ЦАП. ЦАП2 умножающего типа (К572ПА1) умножает выходной сигнал ЦАП1 на код амплитуды с РА.
Рис. 2.48. Функциональная схема генератора сигналов произвольной формы.
Фильтр низкой частоты (ФНЧ) с частотой среза, расположенной между верхней частотой выходного аналогового сигнала и частотой кварцевого генератора (Г), служит для сглаживания выходного сигнала. Он отсекает помеховый сигнал (рис. 2.45). Выход 1 используется в том случае, когда требуется хороший фронт выходного сигнала, не сглаженный ФНЧ.
В режиме разового запуска после одного периода выходного сигнала схемы старший разряд кода адреса ОЗУ перебрасывает триггер ТЗ и останавливает генерацию. Флагом окончания генерации (единственным битом слова состояния) при этом служит выход триггера Т1.
Интерфейсная часть (ИЧ) рассматриваемого генератора, как уже отмечалось, никаких особенностей не имеет и поэтому не будет рассматриваться подробно.
2.1.12. Измеритель частоты следования импульсов
Еще один тип УС — это контроллеры ввода/вывода частотно-временных параметров. Сюда относятся всевозможные генераторы прямоугольных импульсов с программно-управляемой частотой и скважностью, измерители и формирователи временных интервалов, а также измерители частоты. В основе всех подобных схем — счетчики, считающие импульсы образцовой или измеряемой частоты.
В рассматриваемом нами случае входным параметром будет частота следования прямоугольных импульсов. Простейший пример практического использования подобного УС — это измерение напряжения с помощью удаленного от компьютера датчика, в качестве которого выступает преобразователь напряжение-частота. Это довольно типичная ситуация в системах управления производственными процессами. Если применять в качестве линии передачи оптоволоконный кабель и оптоволоконные передатчик и приемник на входе и выходе, то датчик можно располагать на расстоянии в несколько километров от компьютера. Другое использование данного УС — в составе контрольно-измерительных систем, при отладке различных электронных устройств.
Цифровое измерение частоты обычно сводится к подсчету количества импульсов входного сигнала в течение заданного интервала времени (временного окна). Этот метод иллюстрируется рис. 2.49. Однако он имеет существенные недостатки. Если длительность временного окна выбрана постоянной, то диапазон измеряемых частот будет невелик, и, что еще более важно, точность измерения частоты будет существенно зависеть от самой частоты. Очевидно, что при низкой входной частоте эта погрешность будет очень большой, так как количество сосчитанных импульсов будет мало.
Другой метод измерения частоты — косвенный: измеряется период входного сигнала, для чего подсчитывается количество импульсов образцовой частоты в течение периода (рис. 2.50), и затем вычисляется обратная ему величина. И этот метод имеет свои недостатки. Здесь противоположная ситуация: если частота входного сигнала велика, то точность измерения периода, а значит, и частоты, будет низкой, так как количество сосчитанных импульсов будет мало.
Рис. 2.49. Измерение частоты входного сигнала.
Рис. 2.50. Измерение периода входного сигнала.
Чтобы обеспечить требуемую точность измерения частоты (периода) входного сигнала во всем частотном диапазоне, предлагается измерять длительность заданного количества периодов входного сигнала, а затем вычислять частоту по формуле: F = fM/N, где f — частота опорного тактового генератора, М — количество периодов входного сигнала, N — количество периодов тактового генератора (рис. 2.51). Задавая величину М и получая величину N, мы вычисляем F. При этом так как относительная погрешность измерения обратно пропорциональна N, то, выбирая М и, следовательно, N, мы можем обеспечить заданную точность измерения. Алгоритм выбора здесь не очень сложен, и за несколько циклов измерения можно определить частоту с нужной погрешностью. Для этого мы вполне можем ипользовать интеллект нашего компьютера, оставив на долю аппаратуры УС только подсчет импульсов тактового генератора в течение времени поступления заданного количества импульсов входного сигнала.
Рис. 2.51. Измерение М периодов входного сигнала.
Один из вариантов алгоритма сводится к тому, что сначала производится измерение длительности одного периода входного сигнала, а затем (если необходимо) количество измеряемых периодов входного сигнала увеличивается во столько раз, чтобы погрешность подсчета импульсов тактовой частоты была ниже заданной. При этом потребуется 1, 2 или максимум 3 цикла измерения. Другой вариант алгоритма (адаптивный) состоит в том, что в первом цикле данного измерения берется то число периодов входного сигнала, которое было получено в предыдущем измерении (то есть здесь мы считаем, что частота входного сигнала не изменяется очень быстро, что справедливо в большинстве случаев). При этом довольно часто бывает достаточно только одного цикла измерения.
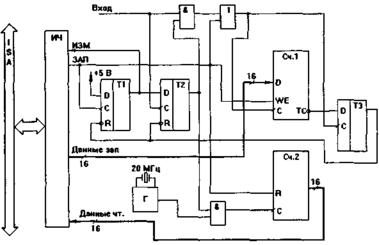
Переходим к проектированию схемы УС. Зададим количество разрядов нашего измерителя равным 16. Нам потребуется один адрес УС, доступный по записи и чтению (для записи М и чтения N). Можно использовать и 8-разрядный обмен, но тогда надо будет выделить нашему УС два адреса. Еще один адрес нужен для чтения флага готовности по окончании одного цикла измерения. Прямой доступ здесь, естественно, не нужен. Прерывание может быть удобно, особенно если на компьютер будут возложены и другие задачи. Таким образом, к интерфейсной части УС особых требований не предъявляется, и мы ее подробно рассматривать не будем.
Операционная часть должна включать в себя тактовый генератор, два счетчика (для тактового сигнала и для входного сигнала) и схему управления. Для уменьшения времени измерения необходимо выбирать самую высокую частоту тактового генератора и, следовательно, максимально быстродействующие счетчики. Возьмем, например, частоту 20 МГц и микросхемы КР1554ИЕ18 (4-разрядные синхронные, легко каскадируемые двоичные счетчики), которых потребуется 8 штук (по 4 на каждый из двух 16-разрядных счетчиков).
Рис. 2.52. Функциональная схема измерителя частоты.
Функциональная схема УС показана на рис. 2.52. Работа измерителя частоты начинается с записи числа (65536 — М) в счетчик Сч.1. При этом устанавливается триггер Т1, разрешая запись единицы в триггер Т2, и сбрасывается счетчик Сч.2. После прихода первого входного импульса устанавливается триггер Т2, разрешая работу счетчиков Сч.1 и Сч.2. Этим мы обеспечиваем временную привязку процесса измерения к входному сигналу. Отсчитав М входных импульсов, Сч.1 перебрасывает триггер ТЗ и сбрасывает Т1 и Т2. Компьютер узнает об окончании цикла измерения по сигналу ИЗМ и читает выходной код Сч.2, а затем вычисляет частоту входного сигнала. При необходимости цикл измерения повторяется.
2.1.13. Узлы контроллера локальной сети
Последний из рассматриваемых в данной главе примеров — это контроллер локальной сети, который представляет собой УС для обмена информацией между отдельными компьютерами и организации их совместной работы.
Как известно, локальные сети (в отличие от глобальных) применяются для связи сравнительно близко расположенных компьютеров (характерные расстояния — до нескольких километров). При этом используется последовательная передача данных, которая позволяет сократить количество соединительных проводов, обеспечить высокую помехозащищенность линии передачи и существенно упростить приемопередающие узлы контроллеров по сравнению с параллельной передачей. Скорости передачи в локальных сетях обычно достигают 1 — 10 Мбит/с и даже выше, поэтому стандартный интерфейс RS-232C для них не подходит. В качестве линий связи наиболее часто используют коаксиальный кабель, витую пару проводов и оптоволоконный кабель.
Типичными конфигурациями (топологиями) локальных сетей являются звезда, кольцо и шина (рис. 2.53). При топологии типа звезда существует центральный абонент (компьютер), управляющий всем обменом в сети, к которому подключаются остальные абоненты. Кольцевая топология предполагает последовательное соединение абонентов в замкнутую цепочку. При шинной топологии все абоненты параллельно подключаются к линии связи.
Рис. 2.53. Типичные топологии локальных сетей.
С точки зрения аппаратуры контроллера локальной сети, при звездной топологии один контроллер (центральный) должен быть очень сложным, а остальные (периферийные) — довольно простыми. На каждом отрезке линии связи при этом существуют только два абонента: приемник и передатчик. Это же справедливо и для кольцевой топологии, но все контроллеры должны быть одинаковыми. При шинной топологии все контроллеры одинаковы и все они работают на одну линию связи, то есть в любой момент в сети могут работать несколько передатчиков одновременно, что приводит к наложению передаваемых сигналов. Поэтому контроллеры сети данного типа, как правило, наиболее сложные.
Вообще контроллер локальной сети должен выполнять множество функций, среди которых буферирование передаваемых и принимаемых данных, преобразование параллельной информации в последовательную и обратно, кодирование и декодирование данных, управление доступом к сети, контроль за ошибками передачи и т.д. Рассмотрение всех подходов к реализации этих функций потребовало бы отдельной книги, поэтому мы остановимся здесь только на отдельных узлах УС данного типа. Кстати, пример устройства дешифратора одного из наиболее распространенных кодов — манчестерского — приведен в разделе 2.1.8.
Особенностью контроллеров локальных сетей как особого типа УС является то, что здесь как раз очень желательно достижение близких к предельным скоростей обмена данными между УС и компьютером и между УС и линией связи. Это позволяет, с одной стороны, обеспечить эффективный обмен информацией между включенными в сеть компьютерами, а с другой стороны, что не менее важно — снизить нагрузку на линию связи и уменьшить вероятность перегрузки сети.
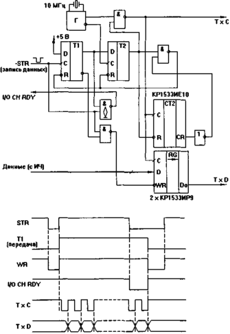
Рассмотрим следующую задачу. Необходимо разработать схему пословной (16 бит) передачи последовательной информации в сеть без буферирования со скоростью 10 Мбит/с. Эта скорость соответствует 1,25 Мбайт/с, что обеспечивается быстродействием ISA. На передачу 16 бит информации при этом потребуется 1,6 мкс. Пример реализации узла, решающего Данную задачу, показан на рис. 2.54.
По сигналу записи данных STR начинается процесс передачи данных. Данные записываются в сдвиговый регистр и затем сдвигаются 16 раз (отсчитывается счетчиком). Цепочка триггеров Т1 и Т2 обеспечивает привязку начала процесса передачи к ближайшему импульсу генератора тактовых сигналов Г. Если очередной сигнал STR приходит раньше, чем закончена передача предыдущего слова, то формируется задерживающий процесс обмена по ISA сигнал I/O CH RDY. Его максимальная длительность не будет превышать в данном случае 1,6 мкс, что удовлетворяет требованиям стандарта.
















