Зачетные билеты (1083399), страница 4
Текст из файла (страница 4)
ЗАЧЕТНЫЙ БИЛЕТ № 24
(1,0) 1. Модель трехфазного асинхронного двигателя представлена на рисунке, где показано направление вращения магнитного поля статора ns. Определите направление э.д.с. и тока в обмотке ротора, направление электромагнитной силы и момента.
(2,0) 2. Изобразите электрическую схему двигателя постоянного тока с параллельным возбуждением, подключите реостаты с помощью которых можно регулировать частоту вращения якоря.
(1,0) 3. Каково назначение элементов Е, Rб и Rк в этой схеме?
(1,0) 4. Сравните одно- и двухполупериодный выпрямитель. Приведите примеры схем. Обьясните их сходство и различия. Чем отличаются основные параметры этих выпрямителей?
(1,0) 5. Поясните назначение стабилизатора напряжения.
(1,5) 6. Двухтактный усилитель мощности. Поясните принцип работы схемы, представленной на рисунке.
(1,5) 7. Вам нужно разработать компьютер с наибольшим быстродействием. Какой тип логики Вы предпочтете при его разработке и почему: ДТЛ, ТТЛ(Ш), ЭСТЛ, МОП или КМОП?
(1,0) 8. Двоично-десятичный счетчик. Назначение. Приведите пример выполнения и применения.
Зав. кафедрой ИС-7, д.т.н, проф., Шатерников В. Е.
Московская Государственная Академия
Приборостроения и Информатики
Электротехника и электроника, часть 2.
ЗАЧЕТНЫЙ БИЛЕТ № 25
(1,5) 1. Трехфазный асинхронный двигатель развивает момент на валу Мн = 5 Нм при номинальной частоте вращения nн = 1450 об/мин. Двигатель включен в сеть с напряжением Uф = 380В, его cosj = 0,88 и ток Iл = 2 А.
Определите схему соединения двигателя, его к.п.д. и номинальное скольжение.
(1,0) 2. Изобразите внешние характеристики генератора постоянного тока с паралельным и независимымым возбуждением и обьясните, почему характеристика генератора с параллельным возбуждением более мягкая.
(1,0) 3. Приведите названия следующих электронных элементов:
(1,0) 4. Входной сигнал усилителя синусоидальной формы. Изобразите примерную форму сигнала на выходе усилителя, соответствующую точкам 1,2 и 3 на амплитудно-частотной характеристике усилителя.
(
1,5) 5. По входным и выходным характеристикам транзистора П416 включенного по схеме с общим эмиттером, определить h- параметры, если рабочая точка задана для Uкэо = 5,0В и Iбо = 0,2мА.
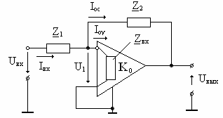
(1,5) 6. Обратные связи в усилителях. Поясните назначение усилителя, приведенного на рисунке, и используемый вид обратной связи.
(1,5) 7. Триггер и его назначение. В чем различие по назначению D- и T-триггеров?
(1,0) 8. Вам нужно разработать компьютер с наименьшим потреблением и малыми габаритами. Какой тип логики Вы предпочтете при его разработке и почему: ДТЛ, ТТЛ(Ш), ЭСТЛ, МОП или КМОП?
Зав. кафедрой ИС-7, д.т.н, проф., Шатерников В. Е.
Московская Государственная Академия
Приборостроения и Информатики
Электротехника и электроника, часть 2.
ЗАЧЕТНЫЙ БИЛЕТ № 26
(1,5) 1. Определить частоту вращения магнитного поля статора ns, номинальную частоту вращения nн и момент Мн на валу асинхронного двигателя,
если известны следующие величины: частота питающей сети f=50Гц,
скольжение s = 0,04, число пар полюсов p = 2, мощность Pн = 8 кВт.
(1,0) 2. Изобразите электрическую схему генератора постоянного тока с параллельным возбуждением, подключите реостаты с помощью которых можно регулировать частоту вращения якоря.
(2,0) 3. Поясните принцип работы усилителя мощности, представленного на рисунке.
(0,5) 4. Определите полосу пропускания усилителя.
(2,0) 5. По входным и выходным характеристикам транзистора КТ203 включенного по схеме с общим эмиттером, определить h- параметры, если рабочая точка задана для Uкэо = 10,0В и Iбо = 60,0мкА.
(1,5) 6. Мультивибратор и его назначение. Поясните принцип работы схемы.
(0.5) 7. Логические элементы. Приведите таблицы истинности для элементов: «И», «ИЛИ», «НЕ».
(1,0) 8. ЦАП. Их назначение. Приведите пример схемотехнического решения.
Зав. кафедрой ИС-7, д.т.н, проф., Шатерников В. Е.
Московская Государственная Академия
Приборостроения и Информатики
Электротехника и электроника, часть 2.
ЗАЧЕТНЫЙ БИЛЕТ № 27
(1,0) 1. На основании каких физических законов основан принцип работы асинхронного двигателя? Сформулируйте эти законы.
(2,0) 2. Определите ток Iн, потребляемый двигателем постоянного тока и момент Мн на его валу при номинальном режиме работы, если известны паспортные данные:
Pн = 8 кВт, nн = 1200 об/мин, hн = 89%, Uн = 150В.
(0,5) 3. Какая емкость связи между каcкадами больше Ср1 или Ср2 и почему?
(1,0) 4. Поясните принцип работы стабилитрона.
(1,5) 5. Объясните принцип работы устройства, представленного на рисунке.
(1,5) 6. Поясните принцип работы RC-генератора с Т-мостом.
(1,5) 7. Триггер и его назначение. R-S триггер и пример его схемотехнического выполнения.
(1,0) 8. Дешифратор. Назначение. Приведите пример применения.
Зав. кафедрой ИС-7, д.т.н, проф., Шатерников В. Е.
Московская Государственная Академия
Приборостроения и Информатики
Электротехника и электроника, часть 2.
ЗАЧЕТНЫЙ БИЛЕТ № 28
(1,5) 1. Какие виды потерь есть в асинхронном двигателе? Обьясните характер зависимости к.п.д. от нагрузки.
(1,5) 5. Обьясните принцип действия асинхронного двигателя
(1,0) 3. Приведите названия следующих электронных элементов:
(1,0) 4. Входной сигнал усилителя синусоидальной формы. Изобразите примерную форму сигнала на выходе усилителя, соответствующую точкам 1,2 и 3 на амплитудной характеристике усилителя.
(1,0) 5. Положительная обратная связь в усилителях. Ее применение.
(1,5) 6. Поясните принцип работы транзисторного ключа, представленного на рисунке.
(1,5) 7. Вам нужно разработать компьютер с наибольшим быстродействием. Какой тип логики Вы предпочтете при его разработке и почему: ДТЛ, ТТЛ(Ш), ЭСТЛ, МОП или КМОП?
(1,0) 8. Триггер и его назначение. Приведите пример R-S-триггера и его схемотехническое выполнение.
Зав. кафедрой ИС-7, д.т.н, проф., Шатерников В. Е.
Московская Государственная Академия
Приборостроения и Информатики
Электротехника и электроника, часть 2.
ЗАЧЕТНЫЙ БИЛЕТ № 29
(0,5) 1. Представьте шкалу синхронных скоростей для электрических машин переменного тока.
(2,0) 2. Какие способы регулирования частоты вращения ДПТ вы знаете? Обьясните их применение.
(1,0) 3. Обозначьте электрические величины на различных клеммах 1,2,3 усилителя
(0,5) 4. Сравните внешние характеристики двухполупериодного выпрямителя без фильтра и с L фильтром.
(1,0) 5. Как выбирается рабочая точка усилительного каскада с общим эмиттером?
(1.5) 6. Вам нужно разработать компьютер с наибольшим быстродействием. Какой тип логики Вы предпочтете при его разработке и почему: ДТЛ, ТТЛ(Ш), ЭСТЛ, МОП или КМОП?
(2,0) 7. Обратные связи в усилителях. Поясните назначение усилителя, приведенного на рисунке, и используемый вид обратной связи.
(1,5) 8. АЦП. Их назначение. Приведите пример схемотехнического решения.
Зав. кафедрой ИС-7, д.т.н, проф., Шатерников В. Е.
Московская Государственная Академия
Приборостроения и Информатики
Электротехника и электроника, часть 2.
ЗАЧЕТНЫЙ БИЛЕТ № 30
(1,0) 1. Модель трехфазного асинхронного двигателя представлена на рисунке, где показано направление вращения магнитного поля статора ns. Определите направление э.д.с. и тока в обмотке ротора, направление электромагнитной силы и момента.
(2,0) 2. Изобразите электрическую схему двигателя постоянного тока с параллельным возбуждением, подключите реостаты с помощью которых можно регулировать частоту вращения якоря.
(1,0) 3. Каково назначение элементов Е, Rб и Rк в этой схеме?
(1,0) 4. Сравните одно- и двухполупериодный выпрямитель. Обьясните их сходство и различия. Чем отличаются основные параметры этих выпрямителей?
(
1,0) 5. По входным и выходным характеристикам транзистора КТ203 включенного по схеме с общим эмиттером, определить h- параметры, если рабочая точка задана для Uкэо = 10,0В и Iбо = 60,0мкА.
(1,5) 6. Поясните принцин работы и назначение схемы ТТЛШ-логики, приведенной ниже.
(1,5) 7. Дешифратор. Назначение. Приведите пример применения.
(1,0) 8. Двоично-десятичный счетчик. Назначение. Приведите пример выполнения и применения.
Зав. кафедрой ИС-7, д.т.н, проф., Шатерников В. Е.















