Зачетные билеты (1083399), страница 3
Текст из файла (страница 3)
(1,5) 6. Почему электрические машины обратимы. Обьясните физические принципы.
(1,0) 7. Триггер и его назначение. R-S триггер и пример его схемотехнического выполнения.
(1,5) 8. Двоично-десятичный счетчик. Назначение. Приведите пример выполнения и применения.
Зав. кафедрой ИС-7, д.т.н, проф., Шатерников В. Е.
Московская Государственная Академия
Приборостроения и Информатики
Электротехника и электроника, часть 2.
ЗАЧЕТНЫЙ БИЛЕТ № 16
(1,0) 1. Нарисуйте механическую характеристику асинхронного двигателя.
Укажите характериные точки на ней.
(1,0) 2. Изобразите механические характеристики двигателя постоянного тока с параллельным и последовательным возбуждением, если известна частота вращения холостого хода nо1 = 4000 об/мин для первого двигателя, а также nн = 3600 об/мин и
Мн = 20Нм для обоих двигателей.
(
(0,5) 4. Определите коэффициент усиления усилителя по характеристике данной на рисунке.
(2.0) 5. Поясните назначение элементов RэCэ в схеме УОЭ.
(1,0) 6. Чем отличается электрический и тепловой пробой p-n-перехода?
(2,0) 7. Поясните принцин работы и назначение схемы ТТЛШ-логики, приведенной ниже.
(1,5) 8. Дешифратор. Назначение. Приведите пример применения.
Зав. кафедрой ИС-7, д.т.н, проф., Шатерников В. Е.
Московская Государственная Академия
Приборостроения и Информатики
Электротехника и электроника, часть 2.
ЗАЧЕТНЫЙ БИЛЕТ № 17
(1.0) 1. Какие виды потерь есть в асинхронном двигателе? Обьясните характер зависимости к.п.д. от нагрузки.
(1,0) 2. Объясните принцип действия асинхронного двигателя
(1,0) 3. Приведите названия следующих электронных элементов:
(0,5) 4. Входной сигнал усилителя синусоидальной формы. Изобразите примерную форму сигнала на выходе усилителя, соответствующую точкам 1,2 и 3 на амплитудной характеристике усилителя.
(2,0) 5. Поясните принцип работы мостового выпрямителя, представленного на рисунке.
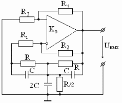
(2,0) 6. Поясните назначение и принцип работы усилителя, приведенного на рисунке.
(1,5) 7. Поясните принцип работы и назначение схемы ЭСТЛ-логики, приведенной ниже.
(1,0) 8. ЦАП. Их назначение. Приведите пример схемотехнического решения.
.
Зав. кафедрой ИС-7, д.т.н, проф., Шатерников В. Е.
Московская Государственная Академия
Приборостроения и Информатики
Электротехника и электроника, часть 2.
ЗАЧЕТНЫЙ БИЛЕТ № 18
(1,0) 1. Представьте шкалу синхронных скоростей для электрических машин переменного тока.
(1,5) 2. Какие способы регулирования частоты вращения ДПТ вы знаете? Обьясните их применение.
(0,5) 3. Сравните внешние характеристики двухполупериодного выпрямителя без фильтра и с L фильтром.
(1,5) 4. Объясните принцип работы следующего устройства:
(1,5) 5. По входным и выходным характеристикам транзистора МП21Д, включенного по схеме с общим эмиттером, определить h-параметры.
(1,5) 6. Вам нужно разработать компьютер с наибольшим быстродействием. Какой тип логики Вы предпочтете при его разработке и почему: ДТЛ, ТТЛ(Ш), ЭСТЛ, МОП или КМОП?
(1,0) 7. ЦАП. Их назначение. Приведите пример схемотехнического решения.
(1,5 ) 8. Объясните принцип работы следующего устройства:
Зав. кафедрой ИС-7, д.т.н., проф., Шатерников В.Е.
Московская Государственная Академия
Приборостроения и Информатики
Электротехника и электроника, часть 2.
ЗАЧЕТНЫЙ БИЛЕТ № 19
(1.0) 1. Представьте рабочие характеристики асинхронного двигателя и обьясните характер зависимостей.
(0,5) 2. Представьте классификацию МПТ по способам возбуждения и их схемы.
(1,0) 3. Сравните внешние характеристики двухполупериодного выпрямителя с RC и CLC фильтрами.
(1,5) 4. При каких условиях возможно самовозбуждение ГПТ?
(1,5) 5. Как выбирается рабочая точка усилительного каскада с общим эмиттером?
(1,0) 6.Определите полосу пропускания усилителя.
(2,0) 7. Поясните принцип работы элемента И-НЕ ДТЛ-логики.
(1,5) 8. ЦАП. Их назначение. Приведите пример схемотехнического решения.
Зав. кафедрой ИС-7, д.т.н, проф., Шатерников В. Е.
Московская Государственная Академия
Приборостроения и Информатики
Электротехника и электроника, часть 2.
ЗАЧЕТНЫЙ БИЛЕТ № 20
(1,5) 1. Модель трехфазного асинхронного двигателя представлена на рисунке, где показано направление вращения магнитного поля статора ns. Определите направление э.д.с. и тока в обмотке ротора, направление электромагнитной силы и момента.
(1,5) 2. Изобразите электрическую схему двигателя постоянного тока с параллельным возбуждением, подключите реостаты с помощью которых можно регулировать частоту вращения якоря.
(1,0) 3. Каково назначение элементов Е, Rб и Rк в этой схеме?
(1,0) 4. Почему электрические машины обратимы? Объясните физические принципы.
(1,0) 5. Поясните принцип работы транзисторного ключа.
(1,0) 6. Поясните назначение и принцип работы усилителя, приведенного на рисунке.
(1,5) 7. Поясните принцип работы и назначение схемы МОП-логики, приведенной ниже.
(1,5) 8. Двоично-десятичный счетчик. Назначение. Приведите пример выполнения и применения.
Зав. кафедрой ИС-7, д.т.н, проф., Шатерников В. Е.
Московская Государственная Академия
Приборостроения и Информатики
Электротехника и электроника, часть 2.
ЗАЧЕТНЫЙ БИЛЕТ № 21
(1.0) 1. Объясните принцип действия асинхронного двигателя.
(2,0) 2. Изобразите электрическую схему генератора постоянного тока с параллельным возбуждением, подключите реостаты с помощью которых можно регулировать частоту вращения якоря.
(1,0) 3. Сравните различные типы фильтров (C, L, RC, CLC), обьясните их принцип действия, а также преимущества и недостатки.
(0,5) 4.Определите полосу пропускания усилителя.
(1,5) 5. По входным и выходным характеристикам транзистора П416 включенного по схеме с общим эмиттером, определить h- параметры, если рабочая точка задана для Uкэо = 5,0В и Iбо = 0,2 мА.
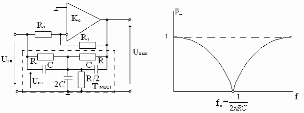
(2,0) 6. Поясните принцип работы RC-генератора с Т-мостом.
(1,0) 7. Триггер и его назначение. R-S триггер и пример его схемотехнического выполнения.
(1,0) 8. Вам нужно разработать компьютер с наибольшим быстродействием. Какой тип логики Вы предпочтете при его разработке и почему: ДТЛ, ТТЛ(Ш), ЭСТЛ, МОП или КМОП?
Зав. кафедрой ИС-7, д.т.н, проф., Шатерников В. Е.
Московская Государственная Академия
Приборостроения и Информатики
Электротехника и электроника, часть 2.
ЗАЧЕТНЫЙ БИЛЕТ № 22
(1,5) 1. Трехфазный асинхронный двигатель развивает момент на валу Мн = 1Нм при номинальной частоте вращения nн = 2700 об/мин. Двигатель включен в сеть с напряжением Uл = 220В, его cosj = 0,87 и ток Iл = 1,2А.
Определите схему соединения двигателя, его к.п.д. и номинальное скольжение.
(1,0) 2. Для чего предназначен щеточно-коллекторный узел в машине постоянного тока?
(1,5) 3. Как графически изображается полупроводниковый диод? Изобразите его вольтамперную характеристику, если Iпр= 5мА, а Uобр= 100В.
(0,5) 4. Входной сигнал усилителя синусоидальной формы. Изобразите примерную форму сигнала на выходе усилителя, соответствующую точкам 1,2 и 3 на амплитудно-частотной характеристике усилителя.
(1,0) 5. Приведите названия следующих электронных элементов:
(
(1,5) 7. Поясните принцип работы и назначение схемы ЭСТЛ-логики, приведенной ниже.
(1,0) 8. Двоично-десятичный счетчик. Назначение. Приведите пример выполнения и применения.
Зав. кафедрой ИС-7, д.т.н, проф., Шатерников В. Е.
Московская Государственная Академия
Приборостроения и Информатики
Электротехника и электроника, часть 2.
ЗАЧЕТНЫЙ БИЛЕТ № 23
(1,0) 1. На основании каких физических законов основан принцип работы асинхронного двигателя? Сформулируйте эти законы.
(2,0) 2. Определите ток Iн, потребляемый двигателем постоянного тока и момент Мн на его валу при номинальном режиме работы, если известны паспортные данные:
Pн = 1 кВт, nн = 1980 об/мин, hн = 85%, Uн = 180В.
(0,5) 3. Какая емкость связи между каcкадами больше Ср1 или Ср2 и почему?
(1,0) 4. Сравните внешние характеристики однополупериодного выпрямителя без фильтра и с RC фильтром.
(0,5) 5. Обьясните принцип функционирования тиристора и для чего он предназначен?
(2,0) 6. Поясните назначение и принцип работы усилителя, приведенного на рисунке.
(1,5). 7. Поясните, что такое полупроводники, p-типа и n-типа проводимости.
(1,5). 8. Дешифратор. Назначение. Приведите пример применения.
Зав. кафедрой ИС-7, д.т.н, проф., Шатерников В. Е.
Московская Государственная Академия
Приборостроения и Информатики
Электротехника и электроника, часть 2.















