Основы аналоговой схемотехники (1083279), страница 4
Текст из файла (страница 4)
причем Uвх1m= Uвх2m.
В результате воздействия входных напряжений изменяются базовые и соответственно коллекторные токи транзисторов (рис.13)
причем Iк1m= Iк2m.
Коллекторные токи будут создавать суммарный магнитный поток Тр вых,
Определяемый магнитодвижущей силой
F=0,5w1iк1 – 0,5w1iк2.
Подставив значения токов и учитывая, что их постоянные и переменные составляющие одинаковы, окончательно получим
F= w1Iк1m sin ωt.
Таким образом, как следует из последнего выражения, постоянное подмагничивание трансформатора отсутствует, а транзисторы работают как бы поочередно, образуя гармоническое выходное напряжение из двух полусинусоид.
Напряжение на нагрузочном резисторе RН пропорционально магнитному потоку, определяемому магнитодвижущей силой F, поэтому напряжение на выходе усилителя также будет гармоническим.
Преимущества двухтактных усилителей мощности – меньшие нелинейные искажения, поскольку высшие гармонические составляющие компенсируются; возможность получения высокого к.п.д. при использовании режима В; меньшая чувствительность к пульсация напряжения питания.
1.9 Многокаскадные усилители.
Рассмотренные выше однокаскадные усилители имеют, как правило, коэффициент усиления порядка нескольких десятков или сотен единиц. Однако, в реальных устройствах промышленной электроники требуются гораздо большее усиление входного сигнала. В этих случаях используются многокаскадные усилители.
Блок-схема усилительного устройства приведена на рис. 1.14
Усилитель напряжения может состоять из нескольких каскадов, обеспечивающих необходимый коэффициент усиления устройства.
Результирующий коэффициент усиления усилителя равен произведению коэффициента усиления всех каскадов:
Кu = Кu1 Кu2 Кun
Повтори-тель
Ku 1
УОЭ 1
Ku 2
Усилитель мощности
Ku 4
Uвх
Рис. 14 Блок-схема многокаскадного усилительного устройства.
Соединение каскадов осуществляется с помощью резисторов, конденсаторов и трансформаторов. В зависимости от способа связи различают:
-
Усилители с резистивно-емкостной (RC связью, цепь связи которых состоит из резисторов и конденсаторов.
-
Если связь осуществляется только с помощью резисторов (гальваническая связь), усилители называются УПТ – усилителями постоянного тока.
-
Усилители с трансформаторной связью. Применяются сравнительно редко. (см. например, усилители мощности рис.12 и 13).
-
Если в устройстве связи используется LC – контур, имеем избирательный усилитель.
Для примера на рис.14 представлена Rc связь между усилителями, например, УОЭ1 и УОЭ2 (где C2 – емкость связи, в качестве сопротивления связи R выступает входное сопротивления УОЭ2). Величина емкости связи С2 существенно влияет на АЧХ всего усилителя (рис.15).
Рис. 15 АЧХ многокаскадного усилителя.
Рассмотрим влияние емкости С2 на амплитудно-частотную характеристику усилителя. Для электрической цепи межкаскадной связи можно записать уравнение Uвых2 = Uвх3 + UС2, представляющее собой 2-ой закон Кирхгофа. Так как выходное напряжение Uвых2 второго каскада определяется характеристиками этого УОЭ1 и не зависит от С2, то для цепи межкаскадной RC-связи оно постоянно Uвых2 =const. Пусть величина емкости С2 возрастает, сопротивление ХС = I/ωC2, падает по закону Ома UC2 также уменьшается, последнее приводит к увеличению Uвх3 и общего коэффициента усиления Кu. Это отражается условной диаграммой:
С2 ↑→ ХC ↓→ UC2 ↓→ Uвх к3 ↑→ Кu ↑.
Так как увеличение С2 существенно влияет на изменение Хс на низких частотах, то увеличение коэффициента усиления будут наблюдаться в низкочастотной области амплитудно-частотной характеристики усилителя (см. рис.15). При уменьшении С2 коэффициент усиления Кu на низких частотах падает.
На нулевой частоте X Cp → ∞ и связь между каскадами отсутствует.
На средних частотах сопротивление емкости XС мало и практически не влияет на Uвхз УОЭ2, а коэффициент усиление всего усилителя, не зависит от частоты.
На высоких частотах усилительные свойства каскадов ухудшаются и величина Ku падает.
1.10 Усилитель постоянного тока.
Для многих практических задач необходимо усиливать медленно изменяющиеся во времени электрические сигналы, являющиеся сигналами низкой частоты (в автоматике, системах управления и слежения за целью, контрольно-измерительной технике).
Рис. 16. АЧХ училителя постоянного Рис. 17. Дрейф УПТ.
тока.
В этом случае усилитель, получивший название усилитель постоянного тока (УПТ), должен обладать АЧХ, неимеющей спада коэффициента усиления на низких частотах (см. рис 16). Такой усилитель не должен содержать в конструкции емкостей, которые представляют большие сопротивления для низкочастотного сигнала (
).
Как и в усилителях с резистивно-емкостной связью между каскадами, характеристики усилителей постоянного тока должны отвечать ряду требований:
-
в отсутствие входного сигнала должен отсутствовать выходной сигнал;
-
при изменении знака входного сигнала должен изменять знак и выходной сигнал;
-
напряжение на нагрузочном устройстве должно быть пропорционально входному напряжению.
Второе и третье требования в УПТ, так же как и в других усилителях, выполняются при работе усилителя в линейном режиме А. Для выполнения первого условия необходимо отделить полезный выходной сигнал от постоянных составляющих тока и напряжения транзистора.
Первое условие выполнить сложнее, т. к. отсутствие емкостей приводит к возникновению проблемы дрейфа нуля УПТ рис. 17 (изменение выходного напряжения усилителя Uд.вых при отсутствии изменения полезного входного напряжения), вызванного воздействием на УПТ дестабилизирующих факторов, таких как изменение температуры, старение элементов, нестабильность источника питания, электромагнитные помехи и т. д. УПТ может усиливать входные сигналы Uвх, превышающие напряжение дрейфа усилителя, приведенного ко входу
, где K – коэффициент усиления усилителя.
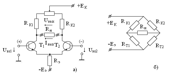
Наиболее часто используется дифференциальная балансная схема УПТ (рис.18а). Она представляет собой два параллельно соединенных УОЭ с общим сопротивлением Rэ в эмиттерной цепи транзисторов Т1 и Т2. Назначение всех элементов то же, что и в УОЭ.
Рис. 18. Дифференциальная схема УПТ (а) и мост сопротивлений (б)
Принцип работы дифференциального УПТ основан на использовании свойств четырехплечного моста сопротивлений (рис.18б). Мост будет сбалансирован, т. е. ток и напряжение нагрузочного устройства RН будут равны нулю IН = Iвых = 0, UН = Uвых = 0, когда выполняется условие Rk1RT2=Rk2RT1, где RT1 и RT2 эквивалентные сопротивления транзисторов Т1 и Т2. Резисторы Rk1 и Rk2 выбирают равными, а транзисторы Т1 и Т2 – идентичными. Следовательно, при Uвх1 = Uвх2 = 0 УПТ будет сбалансирован и Uвых = 0. При изменении дестабилизирующего фактора, например, температуры окружающей среды, транзисторы одинаково изменят свои характеристики RТ1 = RT2 и баланс моста УПТ не нарушается, т. к. Rk1(RT2+RT2)= Rk2(RТ1+RТ1). На практике уменьшение дрейфа нуля дифференциального УПТ удается достичь на 2-3 порядка, по сравнению с другими схемами УПТ, и составляет
.
Использование в схемах дифференциальных УПТ двух источников питания –Ек и Еэ позволяет в режиме покоя настроить транзисторы так, что UбэоТ1=UбэоТ2=0 без дополнительных резисторов (отсутствуют Rб см. УОЭ), и обеспечивает возможность подключения источников входного сигнала в режиме покоя без изменения режима работы УПТ.
В динамическом режиме входные сигналы УПТ подаются на базы транзисторов (см.рис18а). Выходной сигнал снимается с RН и равен
Uвых=К(Uвх1-Uвх2), где К – коэффициент усиления одного УОЭ, входящего в состав УПТ. Пусть на входе Т1 увеличилось напряжение Uвх1, а Uвх2=0. Изменение электрических характеристик в схеме отражается диаграммой ΔUвх1↑→UбэТ1↑→IКТ1↑→UкэТ1↓→URэ↑→RкТ2↑→UкэТ2→Uвых↑, из которой следует, что увеличение входного сигнала приводит к увеличению выходного. Поэтому вход транзистора Т1 называется неинвертирующий (не меняет фазу сигнала) и обозначается на схеме рис.18а знаком «+». Аналогично можно показать, что увеличение Uвх2 приводит к уменьшению Uвых, поэтому вход Т2 называется инвертирующий (меняет на 180 фазу входного сигнала) и обозначается на схеме рис.18а знаком «-».
Многие усилители такого типа выполнены в виде микросхем, поскольку схемы содержат несколько усилительных элементов и резисторы, что сравнительно легко реализуется в технологическом цикле изготовления микросхем.
И
зображаются микросхемы следующим образом:
7 1
9
К140УД2 9К140УД2 5 или 5
10
10
4
Рис. 19. Условное обозначение микросхемы.
На рисунке 19 номера выводов соответствуют: 7 и 1 – питание (их часто не показывают на схемах), 4 – земля, 5 – выход, 9 – инвертируемый вход (-), 10 – не инвертирующий вход(+). Остальные выводы служат для контроля характеристик микросхем в процессе их изготовления и при работе обычно не используются.
















