Основы аналоговой схемотехники (1083279), страница 5
Текст из файла (страница 5)
Основные параметры микросхемы, например, типа К140УД2:
Rвх = 1МОм;
Rвых =300 Ом;
Кu хх =35000-70000 полоса пропускания АЧХ до 107 Гц.
Имеются также другие электрические характеристики, а также предельные эксплутационные параметры схемы, приводимые в справочниках по аналоговым микросхемам.
Этот усилитель характеризуется большим значением коэффициента усиления, однако нестабилен в работе.
Такие микросхемы с двумя входами и одним выходом и большим коэффициентом усиления на основе усилителей постоянного тока называются операционными усилителями.
Они являются основой целого ряда различных устройств, на их основе можно построить: масштабный усилитель, интегрирующий усилитель, дифференцирующий усилитель, различные типы фильтров и т.д.
1.11 Обратные связи в усилителях.
Конструирование различных электронных устройств на основе ОУ производится с использованием обратных связей. Обратной связью (ОС) называется передача части энергии выходного сигнала усилителя на его вход (см. рис. 20).
Рис.20. Усилитель с обратными Рис. 21. Операционный усилитель
связями. отрицательной ОС.
Из выходной цепи во входную блок-схемы рис.20 энергия передается через электрическую цепь обратной связи с коэффициентом передачи
, где K0 – коэффициент усиления усилителя без обратной связи. Обратная связь называется положительной, если передаваемый ею с выхода на вход сигнал Uос совпадает по фазе и складывается с входным сигналом Uвх (на рис.20 положительная обратная связь обозначена +). Обратная связь называется отрицательной, если сигнал обратной связи Uос находится в противофазе и вычитается с входным сигналом Uвх (на рис.20 отрицательная обратная связь обозначена -). Коэффициент усиления усилителя К с положительной ОС определяется выражением
, при отрицательной ОС -
. Применение отрицательной ОС в усилителях существенно улучшает их параметры: повышает стабильность коэффициента усиления, увеличивает входное и уменьшает выходное сопротивление, расширяется полоса пропускания. Поэтому отрицательная ОС широко применяется для конструирования новых усилительных устройств. Положительная ОС воздействует на параметры усилителей противоположным образом, т. е. увеличивает нестабильность коэффициента усиления и может привести к самовозбуждению усилителя, т. е. переходу его в режим генератора электрических сигналов. Поэтому положительная ОС в усилительных устройствах практически не используется, а используется в генераторах.
1.12. Операционный усилитель.
Операционный усилитель с отрицательной обратной связью наиболее часто применяется на практике (см. рис.21). Отрицательный характер ОС обусловлен подачей U1 на инвертирующий вход ОУ, так что Uвых = - K0U1. Отрицательная обратная связь осуществляется через сопротивления
и
.
Т. к. входное сопротивление ОУ больше (принимает
), то входной ток ОУ Iоу=0 и выполняется Iвх=Iос, откуда:
.
При большом коэффициенте усиления ОУ (К0
) напряжение на входе ОУ
и поэтому
откуда
(1)
Инвертирующий усилитель (инвертатор). При
и
выражение (1) примет вид
(Uвых = - Uвх), схема принимает вид инвертирующего повторителя напряжения.
Масштабный усилитель. При
и
выражение (1) примет вид
, а усилитель выполняет роль масштабного инвертирующего
усилителя: Uвых = - К-Uвх.
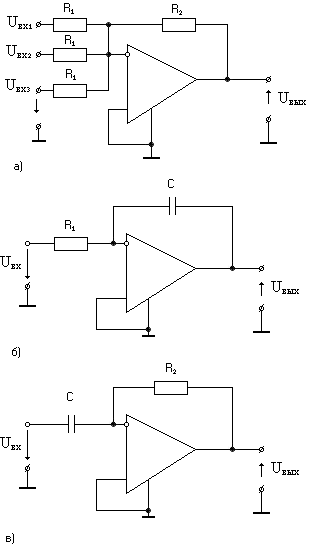
Суммирующий усилитель (сумматор). Если на вход ОУ подается несколько входных напряжений Uвх1 Uвх2 Uвх3, а R1 = R2 (рис.22а), то
выражение (1) примет вид
. Усилитель выполняет роль сумматора, т. к.
Uвых = -(Uвх1 + Uвх2 + Uвх3). Интегрирующий усилитель. При
и
получается интегрирующий усилитель (рис.20б), у которого коэффициент усиления
, что
соответствует операции интегрирования
в комплексной форме записи, где
=CR1 – постоянная
интегрирования, задающая
масштаб интегрирования по
времени. Соответственно
в временной форме записи имеем
Рис. 22. Усилители: а – суммирующий,
б – интегрирующий,
в - дифференцирующий
Дифференцирующий усилитель. При
и
получается дифференцирующий усилитель (см. рис.22в), у которого коэффициент усиления:
,
что соответствует операции дифференцирования входного сигнала
в комплексной форме записи, где =CR2 постоянная времени дифференцирования Соответственно во временной форме записи имеем
1. 13 Избирательный усилитель.
Рассмотренные выше схемы усилителей предназначены для усиления входных сигналов в широкой полосе частот.
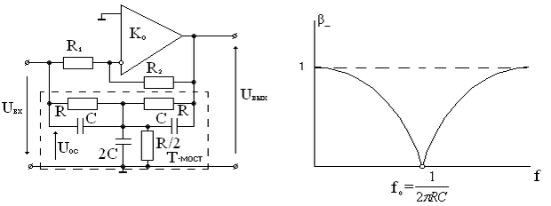
На практике в системах связи и радиопередачи, во многих системах автоматического контроля и управления необходимо усиливать полезный сигналодной частоты ƒ0 , так чтобы сигналы других частот не усиливались. Такую задачу решает избирательный усилитель, представляющий собой, например, ОУ, охваченный частотно-зависимой отрицательной обратной связью в виде двойного Т-образного моста (рис.23). Амплитудно-частотная характеристика Т-образного моста
ƒ ) приведена на рис.24. На низких
ƒ0
ƒ0
ƒ
Рис.23. Схема избирательного усилителя Рис. 24. АЧХ Т-моста
с Т-мостом
частотах ƒ0 коэффициент передачи моста 1, т. к. сопротивление Хс конденсаторов становится большим и все напряжение Uвых через «верхний» одинарный мост R, 2C, R передается на вход ОУ в виде напряжения обратной связи Uос. На высоких частотах ƒ
,1 вследствие того, что сопротивления конденсаторов Хс =1/2пfC становятся небольшими, и все выходное напряжение через «нижний» одинарный Т-мост С, R/2, С передается на вход ОУ. На резонансной частоте ƒ0 =1/2пRC коэффициент передачи моста 0.
Коэффициент усиления Кβ_ с двойным Т-мостом в цепи отрицательной обратной связи известен Кβ_ =
Анализ этого выражения показывает, что на низких ƒ 0 и высоких ƒ
частотах при _ 1 Кβ_ =
≈ 1, а на резонансной частоте ƒ0 (при _ = 0)
Кβ_ = К0 >> 1.
Амплитудно-частотная характеристика Кβ_ =F(ƒ) избирательного усилителя с Т-мостом в цепи обратной связи приведена на рис.25. Она построена с учетом выражения для Кβ_ и амплитудно-частотной характеристики
Рис.25. АЧХ избирательного Рис. 26. Блок-схема генератора
усилителя с Т-мостом
Т-моста. Нужная величина К0 обеспечивается правильным выбором номиналов резисторов R2 и R1 так, что К0= R2 / R1.
2. ГЕНЕРАТОРЫ ЭЛЕКТРИЧЕСКИХ СИГНАЛОВ.
Генераторы гармонических сигналов предназначены для преобразования энергии источника питания в энергию электрического сигнала синусоидальной формы требуемой частоты и мощности. На практике, часто, такой генератор представляет собой ОУ охваченный глубокой положительной обратной связью с коэффициентом передачи + (см.рис.26). для схемы входное и выходное напряжения связаны соотношениями :
Uвх = + Uвых,
Uвых = К0 Uвх
откуда Uвых = К0+ Uвых, справедливое при К0+≥1.
Выполнение последнего условия обеспечивает в автогенераторе незатухающие колебания. Величины К0 и + в уравнении являются комплексными, поэтому можно записать
К0 += К0 ℓјφ · +ℓјψ = 1
Последнее выполняется при двух условиях:
φ + ψ = 0 – условие баланса фаз автогенератора,
К0 + = 1– условие баланса амплитуд.
Условие баланса фаз означает, что в схеме существует положительная обратная связь. Условие баланса амплитуд соответствует тому, что энергия, теряемая в генераторе за одно колебание, восполняется энергией от источника питания. Выполнение условий баланса фаз и амплитуд обеспечивает возникновение сигналов генератора сложной формы, состоящих из большого числа гармонических составляющих. Для возникновения сигнала генератора нужной частоты обеспечивают
в
ыполнение условий баланса фаз и амплитуд, только для частоты f0, путем включения частотно-зависимых схем, например, Т-образного моста.
Пример выполнения автогенератора гармонических колебания с Т-образным мостом
приведен на рис.27. положительная ОС создается резисторами R3 и R4 ,
отрицательная ОС – резонаторами R2 и R1, которые обеспечивают условие
самовозбуждения генератора: баланс
амплитуд К0+= - (R2/ R1)·+ ≥ 1;
Рис. 27. Схема генератора с Т-мостом баланс фаз φ + ψ = 0 ( φ и ψ = 0).
Поскольку в автогенераторе в цепь отрицательной обратной связи включен Т- образный мост, то условия самовозбуждения генератора выполняются только для одной резонансной частоты ƒ0=1/2пRC.
Приведенная на рис.27 схема относится к генераторам RC- типа, применяемых для возбуждения гармонических сигналов низких и средних частот (условно до 300 кГц). Электрические сигналы более высоких частот (условно выше 300 кГц) создаются генераторами LС – типа примером которых может служить схема, представленная на рис.28.
Усилитель в схеме LC- генератора рис.28 выполнен на базе УОЭ с транзистором п – р – п типа (см.рис.6). назначение всех элементов УОЭ известно (см. п.1.4), вместо коллекторного сопротивления RК включен дроссель LДР., выполняющий функцию Rк в УОЭ по переменному току и обеспечивающий RК = 0 по постоянному току, чтобы уменьшить потери энергии. ОС выполняется
Рис.28. Схема LC-генератора Рис. 29. Кварц: а – графическое
обозначение; б – эквивалентная схема
за счет магнитной связи М контура LКСК , включенного между выходом УОЭ и катушкой Lб входной цепи УОЭ. Условие баланса амплитуд обеспечивается правильным выбором Кu≥1, где КИ – коэффициент усиления УОЭ,
=
- коэффициент магнитной связи, М , Lб , LК - cоответственно взаимная индуктивность и индуктивность катушек. Условие баланса фаз обеспечивается φ+ ψ = 0 за счет положительной ОС:
φ = 1800 для УОЭ, ψ = 1800 из-за обратной намотки катушек индуктивности LК и Lб (на рис.28 начало обмоток обозначены «»). Частота гармонического сигнала генератора определяется резонансной частотой контура ƒ 0=
.
Важным параметром генератора является коэффициент нестабильности частоты ɣ=
, показывающий уход частоты ∆ƒ относительно рабочей f0 за промежуток времени из-за температурной нестабильности элементов схемы. У обычных генераторов ɣ ≈10-5. На практике в высокоточной схемотехнике (например, высокоточный счет времени) необходимо обеспечить ɣ ≈10-7÷10-8. В таких случаях применяют кварцевые резонаторы – «кварцы», представляющие собой кварцевую пластину, обладающую пьезоэффектом и закрепленную в кварцедержателе (рис.29а).
Кварцевый резонатор эквивалентен электрическому колебальному контуру. Эквивалентная схема кварцевого резонатора изображена на рис.29.б. Как видно, кварц эквивалентен последовательно включенным элементам LКВ,RКВ,CКВ, а в такой цепи может быть резонанс напряжения с частотой ωН =
. Индуктивность кварца LКВ может быть значительной – от десятков микрогенри до нескольких миллигенри. Емкость кварца СКВ мала (сотые доли пикофарад). Кварцевый резонатор обладает острым резонансом, что свидетельствует о небольшом сопротивлении RКВ, порядка единиц Ом. Поэтому добротность кварца достигает 105 – 106, т.е. она на два-три порядка больше добротности контуров, выполненных на дискретных элементах – индуктивной катушке и конденсаторе.
















