ШПОРА (1082819), страница 4
Текст из файла (страница 4)
Для получения точного значения тока необходимо перейти в пределе от Δх к dx, а от ΔU - к
, где
при
Tогда
- основная форма записи интеграла Дюамеля.
Всего существует 5 форм записи интеграла Дюамеля.
Последовательность расчета переходных процессов с помощью интегарал Дюамеля.
1) Определяем переходную проводимость y(t) классическим или операторным методом.
2) Находим y(t-x). Для этого в переходной проводимости заменяем t на t-x.
3) Определяем U(0).
4) Определяем
. Для этого берем производную от входного напряжения U(t) по времени и переходим от t к x.
5) Подставляем все найденные величины в п.1-4 в формулу интеграла Дюамеля .
Расчет переходных процессов методом переменных состояний.
Уравнения состояния – система уравнений, описывающих рабочий режим электрической цепи.
Метод переменных состояний – метод анализа (расчета) электрической цепи, основанный на составлении и решении уравнений состояния, записанных в нормальной форме Коши (дифференциальное уравнение первого порядка). В качестве переменных состояния удобно выбирать токи в индуктивностях
, а напряжение на емкостях
, то есть величин, опирающихся на законы коммутации.
Число уравнений, составляемых по методу переменных состояний, равно порядку электрической цепи, то есть числу разнородных электрических элементов.
Пример:
Найти уравнения состояния.
Решение
по 1-му и 2-му закону Кирхгофа:
Разделим уравнение (1) на L, а уравнение (2) на C:
Уравнения состояния обычно записываются в матричной форме:
Матрица
- матрица – столбец переменных состояния.
- квадратная матрица параметров элементов в цепи.
- матрица параметров воздействия.
- матрица источников воздействия.
Эти уравнения состояния, записанные в матричной форме, решаются численными методами с использованием ЭВМ.
Рассмотрим решение уравнений состояния простыми одношаговыми методами:
1) С помощью явного метода Эйлера:
2) С помощью неявного метода Эйлера:
3) Метод трапеций:
Точность расчетов и их устойчивость явным методом Эйлера зависит от величины шага .
Устойчивость (2) и (3) методов не зависит величины шага. С уменьшением шага точность увеличивается.
В современных программах величина шага регулируется автоматически в соответствии с требуемой точностью расчета.
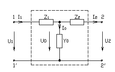
Четырехполюсники.
Основные уравнения четырехполюсников.
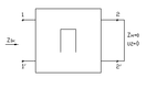
Многие устройства (трансформаторы, линии электропередач, стабилизаторы, усилители и т.д.) имеют два входных зажима и два выходных. Все эти устройства в независимости от их структуры зазываются четырехполюсниками. Его работу описывают две входных величины
и две выходных
.
Теория четырехполюсников позволяет, зная две любые величины, не рассчитывая сложную структуру, найти две других.
Четырехполюсники бывают: линейные и нелинейные, симметричные и несимметричные, пассивные (П), активные (А).
Линейные – если все элементы четырехполюсников линейные.
Нелинейные – если хотя бы один элемент нелинейный.
Симметричные – если при замене входных зажимов на выходные напряжения и токи во внешней цепи не изменятся.
Пассивные – если внутри четырехполюсника не ни источника энергии, ни электронных ламп, ни транзисторов, ни операционных усилителей.
1 – 1’ – входные параметры.
2 – 2’ – выходные параметры.
- основные уравнения четырехполюсника, где A,B,C,D –комплексные величины четырехугольника.
- уравнение связи между коэффициентами четырехугольника.
У симметричного четырехполюсника
.
“A” – форма записи уравнения четырехполюсника:
“В” – форма записи уравнения четырехполюсника:
Найдём коэффициенты:
“Z” – форма записи уравнения четырехполюсника:
Найдём коэффициенты:
“Y” – форма записи уравнения четырехполюсника:
Найдём коэффициенты:
“H” – форма записи уравнения четырехполюсника:
“G” – форма записи уравнения четырехполюсника:
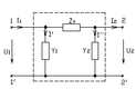
Сложные четырехполюсники.
-
Каскадное соединение четырехполюсников:
-
Последовательное соединение четырехполюсников:
-
Параллельное соединение четырехполюсников:
4) Последовательно – параллельное соединение четырехполюсников:
-
Параллельно – последовательное соединение четырехполюсников:
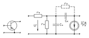
Схемы замещения четырёхполюсников.
Вне зависимости от сложной структуры любой пассивный четырехполюсник может быть заменен эквивалентной “T” или “П” – образной схемой.
1)“T ” – образная схема замещения (схема соединения - звезда).
2) “П” – образная схема замещения (схема соединения - треугольник)
Определение коэффициентов четырехполюсника.
Коэффициенты четырехполюсника могут быть определены следующими способами:
1) Составляются уравнения по законам Кирхгофа, в которых первичные параметры U1
и I1 выражаются через вторичные U2 и I2. Полученные уравнения сравниваются с
основными уравнениями четырёхполюсника.
2) Схема четырехполюсника преобразуется к “Т”- или “П”- образной схеме замещения и затем по формулам соответствия находим коэффициенты четырехполюсника.
3) Определяем входные сопротивления четырехполюсника для режимов холостого хода и короткого замыкания со стороны первичных и вторичных зажимов (основной способ).
3-ий способ нахождения коэффициентов четырёхполюсника:
- входное сопротивление схемы со стороны первичных зажимов при холостом ходе вторичных (зажимы 2 и 2’ - разомкнуты).
- входное сопротивление четырехполюсника со стороны первичных зажимов при коротком замыкании вторичных. (зажимы 2 и 2’ – замкнуты).
- входное сопротивление четырёхполюсника со стороны вторичных зажимов при холостом ходе первичных (зажимы 1 и 1’ – разомкнуты).
- входное сопротивление четырехполюсника со стороны вторичных зажимов при коротком замыкании первичных (зажимы 1 и 1’ - закорочены ).
Совмесное решение уравнений (1)-(4) не позволяет найти коэффициенты, но позволяют найти соотношение между
,
,
,
:
Для нахождения коэффициентов основных уравнений четырёёхполючника необходимо дополнить уравнения (1)-(4) уравнением связи между коэффициентами:
Коэффициент A можно выразить следующим образом:
Передаточные функции четырёхполюсника.
Четырехполюсники с обратной связью.
KU – коэффициент передачи (усиления) по напряжению.
KI - коэффициент передачи (усиления) по току.
KY - коэффициент передачи (усиления) по проводимости.
KZ - коэффициент передачи (усиления) по сопротивлению.
Четырехполюсники с обратной связью:
Тогда результирующий коэффициент:
Управляемые (зависимые) источники.
-
Источник напряжения, управляемый напряжением (ИНУН).
обозначение ИНУН в зарубежной литературе
2) Источник напряжения, управляемый током (ИНУТ).
3) Источник тока, управляемый током (ИТУТ).
4) Источник тока, управляемый напряжением (ИТУН).
Схемы замещения электронных ламп, транзисторов и операционных усилителей.
В общем случае характеристики электронных ламп, транзисторов и операционных усилителей нелинейны, но в области слабых сигналов их можно считать линейными.
1) Схема замещения электронных ламп.
2) Схема замещения транзисторов.
а) Низкочастотных транзистор с общей базой.
“Т”-образная схема замещения низкочастотного биполярного транзистора с переходом p-n-p
б) Схема замещения высокочастотного транзистора с общим эмиттером.
“П”-образная схема замещения низкочастотного биполярного транзистора с переходом p-n-p
в) С помощью гибридных уравнений:
h11 – имеет размерность (Ом).
h12U2 – источник напряжения, управляемый напряжением U2.
(h12 = KU)
h21I1 – источник тока, управляемый током I1.
(h21=KI)
h22U2 имеет размерность проводимости.
3) Схема замещения операционных усилителей.
Идеальный операционный усилитель представляет собой источник напряжения, управляемый напряжением, коэффициент усиления у которого стремится к бесконечности,
При подаче напряжения на оба входа выходное напряжение пропорционально разности входных:
Вход 1 со знаком “+” – неинвертирующий вход – т.е. при подаче напряжения на этот вход, напряжение на выходе получается такой же полярности.
Вход 2 со знаком “-” – инвертирующий вход – т.е. при подаче напряжения на этот вход, напряжение на выходе получается обраьной полярности.
При подаче напряжения на оба входа, напряжение на выходе будет пропорционально разности входных напряжений.
У реального операционного усилителя, выполненного в одном кристалле по линейной технологии:
Электрические фильтры.
Электрический фильтр – это четырехполюсник, беспрепятственно пропускающий токи одних частот и не пропускающий или пропускающий с большими затуханием токи других частот.
Полоса пропускания (полоса прозрачности) – это диапазон частот, беспрепятственно пропускаемых фильтром. (a=0), а – коэффициент затухания.
















