1 (1082583)
Текст из файла
Задание:
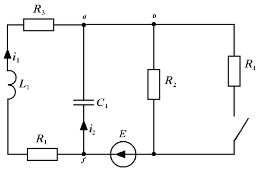
Дана электрическая цепь, в которой происходит коммутация. В цепи действует постоянная ЭДС E. Рассмотреть переходный процесс в цепи второго порядка. Определить закон изменения во времени указанной величины.
Дано:
E=300 В
L1=5 мГн
C1=4 мкФ
R1=15 Ом
R2=20 Ом
R3=5 Ом
R4=20 Ом
Определить:
i1
Цепь до коммутации:
Напряжение на конденсаторе равно падению напряжения на R2 от тока i1пр:
Найдём принуждённые значения после коммутации:
По первому закону коммутации
, поэтому:
Свободные составляющие тока и напряжения определим как разность между полными и принуждёнными величинами:
Чтобы определить uLсв(0+), составим уравнение для свободных составляющих:
Характеристическое уравнение для послекоммутационной схемы:
Решаем систему:
B1= -3.585
B2= 1.085
Искомая величина:
Расчет операторным методом и определение искомой величины:
1)
2)
3)Значения, полученные из классического метода:
З
начения, полученные из операторного метода:
Уравнение M(p)=0 имеет корни
4. Переход в систему оригиналов по формуле соответствия:
5
Характеристики
Тип файла документ
Документы такого типа открываются такими программами, как Microsoft Office Word на компьютерах Windows, Apple Pages на компьютерах Mac, Open Office - бесплатная альтернатива на различных платформах, в том числе Linux. Наиболее простым и современным решением будут Google документы, так как открываются онлайн без скачивания прямо в браузере на любой платформе. Существуют российские качественные аналоги, например от Яндекса.
Будьте внимательны на мобильных устройствах, так как там используются упрощённый функционал даже в официальном приложении от Microsoft, поэтому для просмотра скачивайте PDF-версию. А если нужно редактировать файл, то используйте оригинальный файл.
Файлы такого типа обычно разбиты на страницы, а текст может быть форматированным (жирный, курсив, выбор шрифта, таблицы и т.п.), а также в него можно добавлять изображения. Формат идеально подходит для рефератов, докладов и РПЗ курсовых проектов, которые необходимо распечатать. Кстати перед печатью также сохраняйте файл в PDF, так как принтер может начудить со шрифтами.
















