Курсовой проект по Теории Автоматов (1082220)
Текст из файла
Министерство Образования Российской Федерации
Московский Государственный Институт Радиотехники Электроники и Автоматики (Технический Университет)
Курсовой проект по Теории Автоматов
Выполнил студент группы ВВ-62-02
Ильин Дмитрий Викторович
Шифр: 021114
Москва 2004 год.
ФИО: Ильин Дмитрий Викторович.
Группа/Шифр: ВВ-62-02/021114.
Разработать вычислительное устройство, состоящее из двух взаимосвязанных частей: операционного и управляющего автоматов и выполняющее следующие операции:
-
Перевод из кода с плавающей точкой (мантисса в прямом коде) в целое в дополнительном коде.
-
Перевод правильной двоичной дроби в десятичную.
УА. Схема с адресным ПЗУ, конвейерный вариант.
Числа 32 разрядные.
Суммарное число входных и выходных контактов ≤ 40.
Должны быть разработаны и представлены:
-
Интерфейс разрабатываемого устройства.
-
Математические обоснования используемых алгоритмов.
-
Тестовые примеры.
-
Микропрограммы в содержательном виде.
-
Таблицы заполнения управляющей памяти.
-
Функциональные схемы операционного и управляющего автоматов.
Функциональные схемы разрабатываются с использованием многоразрядных канонических мультиплексоров, дешифраторов, сумматоров, регистров, счётчиков, ПЗУ с чётким указанием информационных, управляющих и синхронизирующих входов.
Вычислительное устройство должно состоять из трёх частей: операционный автомат, реализующий первую операцию, операционный автомат, реализующий вторую операцию и управляющий автомат, обрабатывающий сигналы операционных автоматов, вырабатывающий управляющие сигналы и организующий ввод и вывод информации.
Разработку вычислительного устройства можно разбить на четыре этапа:
-
Разработка первого операционного автомата.
-
Разработка второго операционного автомата.
-
Разработка управляющего автомата.
-
Разработка схемы взаимодействия первых трёх автоматов.
Операционный автомат № 1
Первый операционный автомат должен реализовывать перевод из кода с плавающей точкой (мантисса в прямом коде) в целое в дополнительном коде.
По условию мантисса нормализована и должна лежать в полуотрезке [0,1 – 1), т.к. она представляет собой. Порядок должен быть в смещённом коде и ≥ 0. Порядок занимает 8 разрядов.
Алгоритм преобразования:
-
Если порядок не равен нулю то сдвигаем мантиссу влево с добавлением нуля в младший разряд.
-
Уменьшаем порядок на единицу.
-
Повторяем пункты 1 и 2 пока порядок не станет равным нулю или пока не наступит переполнение.
-
Перевод мантиссы в дополнительный код.
Составим блок-схему преобразования:
Разработка функциональной схемы
-
Регистр сдвига RG1 используется для реализации сдвига мантиссы влево. Регистр 56 разрядный и первые 32 разряда записываются нули, а остальные 24 мантисса и знак. При сдвиге мантиссы влево нули будут вытесняться мантиссой, преобразованной в целое число.
-
Для уменьшения порядка на единицу используется регистр RG2 и декриментор.
-
Для перевода мантиссы в дополнительный код используется последовательное соединение инвертора и инкрементора.
-
Для проверки равенства порядка нулю можно использовать дизъюнкцию от всех разрядов кроме старшего.
-
Для обнаружения переполнения мантиссы можно определить присутствие единицы в разряде 1 (разряд 0 это знаковый разряд и мантисса не должна его занимать) разряде, что означает, что следующий сдвиг приведёт к потере знакового разряда.
-
Если нет переполнения, на выход проходит все 32 разряда сдвигового регистра RG1 после преобразования в дополнительный код, если есть переполнение, то на выход поступают только 24 разряда мантиссы, преобразованные в дополнительный код, а остальные 8 разрядов заменяются порядком. MX2 выбирает способ вывода ответа в соответствии с сигналом переполнения.
-
Для переключения уменьшение/запись порядка можно использовать мультиплексор.
-
Для сохранения результата преобразования достаточно прекратить подачу синхросигнала на регистры.
Управляющие сигналы:
-
Y1 – переключение режимов запись/сдвиг (0 – сдвиг, 1 – запись)
-
Y2 – сохранение результата (0 – работа, 1 – вывод ответа)
Условия (признаки):
-
УСЛ1 – завершение работы (0 – работа, 1 – завершение). Означает или равенство всех разрядов порядка кроме старшего нулю (завершение преобразования), или единица в разряде 1 мантиссы, означающая переполнение в следующем такте (невозможность преобразования).
Описание работы автомата
Перед началом преобразования необходимо записать данные. Для этого на первом такте нужно подать управляющие сигналы Y1 = 1, Y2 = 0. После записи данных для начала преобразования нужно подать управляющие сигналы Y1 = 0, Y2 = 0. Об окончании преобразования сигнализирует УСЛ1. Для сохранения результата нужно подать управляющие сигналы Y1 = 0, Y2 = 1.
Операционный автомат № 2
Второй операционный автомат должен реализовывать перевод правильной двоичной дроби в десятичную. Десятичная дробь записывается при помощи тетрад, кодировки десятичных цифр в двоичной системе счисления.
Алгоритм преобразования:
Для преобразования правильной двоичной дроби в десятичную можно воспользоваться рекурсивным алгоритмом.
Если возникнет переполнение, то будут потеряны младшие разряды десятичной дроби, что немного уменьшит точность, но сильно не повлияет на ответ. Поэтому в автомате можно не рассматривать ситуацию переполнения разрядов регистра десятичной дроби.
-
Сначала сумма равна 0
-
Делим сумму на 2
-
Прибавляем младший разряд двоичной дроби к целой части десятичной дроби
-
Сдвигаем двоичную дробь вправо
-
Повторяем 2 - 4 пока не прибавим последний разряд (32 раза)
Составим блок-схему преобразования:
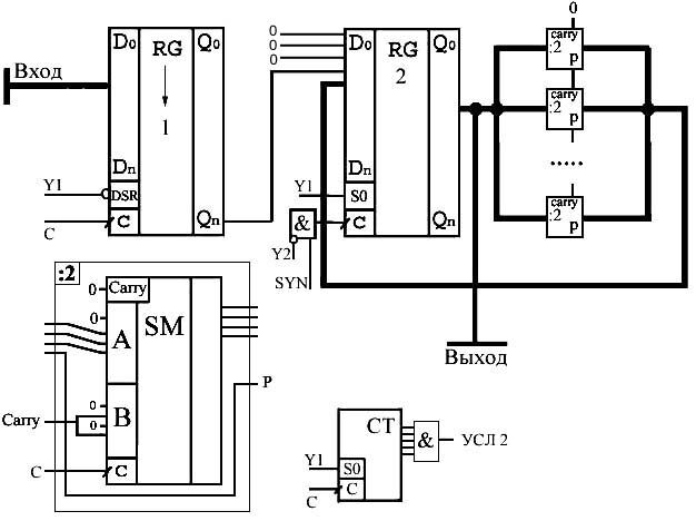
Разработка функциональной схемы
-
Основное действие в этом алгоритме – деление десятичного числа на 2. Его можно реализовать при помощи модификации каскадного сумматора. Деление надо начинать со старшего разряда. Разделить на 2 десятичную цифру, закодированную тетрадой можно при помощи передачи со сдвигом вправо. Если при этом потерянный младший разряд был равен единице, то в следующем разряде после сдвига нужно прибавить 5. После деления на 2 десятичной цифры максимальная цифра будет 4, поэтому переполнение невозможно. Элемент :2 реализует деление на 2 одного десятичного разряда. При каскадном соединении этих элементов получается деление на 2 всего десятичного числа (не обязательно дроби).
-
Поскольку мы имеем дело с двоичной дроби, к целой части может быть прибавлены или 0 или 1. После деления на 2 в обоих случаях в целой части остаётся 0. Поэтому вместо прибавления 0 или 1 к целой части можно просто заменять старший разряд десятичной дроби после деления на 2 на текущий младший разряд двоичной дроби. Поскольку старший разряд десятичной дроби представлен тетрадой нужно просто приравнять к нулю её первые 3 разряда и заменить четвёртый.
-
Для сдвига десятичной дроби вправо и потактной выдачи её текущего младшего разряда используется регистр сдвига RG1. Для хранения текущей десятичной дроби и замены старшей тетрады используется регистр RG2.
-
На схеме показана конструкция элемента :2 и структура каскадного делителя на 2.
-
Для определения числа прошедших тактов используется пятиразрядный счётчик CT. После прошествия 32 тактов все его разряды становятся равны 1 и конъюнкция выдаёт сигнал – условие окончания преобразования.
-
Для записи управляющий сигнал Y1 разрешает запись в RG1 и обнуляет RG2 и счётчик CT.
-
Для сохранения результата используется управляющий сигнал Y2, который прекращает подачу синхросигнала на RG2.
Управляющие сигналы
-
Y1 – обнуление, запись (0 – работа, 1 – запись)
-
Y2 - сохранение результата (0 – работа, 1 – вывод ответа)
Условия (признаки):
-
УСЛ2 – завершение работы (0 – работа, 1 – завершение). С начала работы прошло 32 такта. Вся дробь преобразована.
Описание работы автомата
Перед началом преобразования необходимо записать данные. Для этого на первом такте нужно подать управляющие сигналы Y1 = 1, Y2 = 0. После записи данных для начала преобразования нужно подать управляющие сигналы Y1 = 0, Y2 = 0. Об окончании преобразования сигнализирует УСЛ2. Для сохранения результата нужно подать управляющие сигналы Y1 = 0, Y2 = 1 (комбинации управляющих сигналов совпадают с комбинациями в первом операционном автомате, что позволяет использовать одинаковые микропрограммы).
Управляющий автомат
По условию должен быть управляющий автомат с адресным ПЗУ, конвейерный вариант. Следовательно нужно использовать схему, содержащую функцию переходов, функцию выходов, регистр состояний (флагов) и регистр микрокоманд. Функции перехода и выхода можно реализовать с помощью двух ROM.
Диаграмма Мура Управляющего Автомата
Таблицы заполнения памяти
| Микропрограммы | Описание | Y1 | Y2 |
| M0 | Начало | 0 | 0 |
| M1 | Запись | 1 | 0 |
| M2 | Работа | 0 | 0 |
| M3 | Окончание | 0 | 1 |
| xx00 | xxx | ||||||
| xx01 | 001 | ||||||
| xx10 | 100 | ||||||
| xx11 | 000 | ||||||
| НС | Операция 1 | Операция 2 | |||||
| У1,У2,К1,К2 | 000 | 001 | 010 | 011 | 100 | 101 | 110 |
| 0000 | 000 | 010 | 010 | 011 | 101 | 101 | 110 |
| 0100 | 000 | 010 | 010 | 011 | 101 | 110 | 110 |
| 1000 | 000 | 010 | 011 | 011 | 101 | 101 | 110 |
| 1100 | 000 | 010 | 011 | 011 | 101 | 110 | 110 |
| Выход | M0 | M1 | M2 | M3 | M1 | M2 | M3 |
| ROM Перехода | ||
| Адрес | У | Переход |
| 000 | 0 | 000 |
| 000 | 1 | 000 |
| 001 | 0 | 010 |
| 001 | 1 | 010 |
| 010 | 0 | 010 |
| 010 | 1 | 011 |
| 011 | 0 | 011 |
| 011 | 1 | 011 |
| 100 | 1 | 101 |
| 100 | 0 | 101 |
| 101 | 1 | 101 |
| 101 | 0 | 110 |
| 110 | 1 | 110 |
| 110 | 0 | 110 |
| К1 K2 | Переход | |
| 00 | Xxx | |
| 01 | 001 | |
| 10 | 100 | |
| 11 | 000 | |
| ROM Выхода | |||
| Адрес | Описание | Микропрограмма | H |
| 000 | Начальное состояние | M0 | x |
| 001 | Первая операция, запись | M1 | 0 |
| 010 | Первая операция, работа | M2 | 0 |
| 011 | Первая операция, окончание | M3 | 0 |
| 100 | Вторая операция, запись | M1 | 1 |
| 101 | Вторая операция, работа | M2 | 1 |
| 110 | Вторая операция, окончание | M3 | 1 |
Разработка Управляющего Автомата
-
Для реализации функций перехода и выхода используется два ROM: ROM перехода и ROM выхода.
-
RG1 используется для хранения текущего состояния управляющего автомата.
-
Так как управляющий автомат должен быть автоматом Мура, его выходные сигналы должны иметь задержку в 1 такт по отношению к соответствующему автомату Мили. Для этого используется регистр микрокоманд RG2.
-
Для упрощения схемы автомат обрабатывает условия только с действующей операции. Для этого используется флаг H, который показывает, какая операция сейчас работает, первая или вторая. В соответствии с этим флагом мультиплексор выбирает условия.
-
Работой управляющего автомата управляют сигналы K1 и K2. С их помощью задаётся код операции и возвращение автомата в начальное состояние.
Функциональная схема Управляющего Автомата
Характеристики
Тип файла документ
Документы такого типа открываются такими программами, как Microsoft Office Word на компьютерах Windows, Apple Pages на компьютерах Mac, Open Office - бесплатная альтернатива на различных платформах, в том числе Linux. Наиболее простым и современным решением будут Google документы, так как открываются онлайн без скачивания прямо в браузере на любой платформе. Существуют российские качественные аналоги, например от Яндекса.
Будьте внимательны на мобильных устройствах, так как там используются упрощённый функционал даже в официальном приложении от Microsoft, поэтому для просмотра скачивайте PDF-версию. А если нужно редактировать файл, то используйте оригинальный файл.
Файлы такого типа обычно разбиты на страницы, а текст может быть форматированным (жирный, курсив, выбор шрифта, таблицы и т.п.), а также в него можно добавлять изображения. Формат идеально подходит для рефератов, докладов и РПЗ курсовых проектов, которые необходимо распечатать. Кстати перед печатью также сохраняйте файл в PDF, так как принтер может начудить со шрифтами.
















