Курсовик ТА Каржавин (1082217), страница 3
Текст из файла (страница 3)
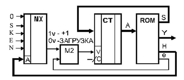
Блок-схема Управляющего Автомата
Функциональная схема Управляющего Автомата
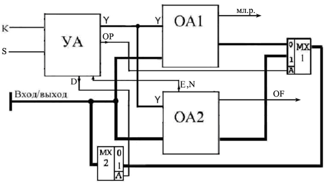
Схема взаимодействия автоматов
-
Действие вычислительного устройства, представленного композицией управляющего и операционного автоматов основано на том, что от операционного автомата к управляющему поступают признаки или условия, а от управляющего к операционному поступают управляющие сигналы. На управляющий автомат поступают коды операций. На операционный автомат поступают входные данные и выходят выходные данные. Также с управляющего автоматы могут идти некоторые выходные сигналы.
-
По условию количество входных и выходных контактов должно быть ≤ 40. Поэтому придётся использовать шину входных сигналов для передачи также и выходных сигналов.
Описание вычислительного устройства
Композиция автоматов, получившаяся при соединении, представляет из себя вычислительное устройство, способное выполнять требуемые операции.
Управление работой вычислительным устройством происходит по входу K на который подаётся код операции. Выбор выполняемой операции производится в соответствии с кодами операции, поданными на управляющий вход. На входную/выходную шину нужно подавать число А на такте записи, число В на такте действия (или два раза число А в случае возведения в квадрат), и снимать число С на тактах готового ответа.
Количество проводов в шине 32, что соответствует разрядности обрабатываемых чисел. Количество управляющих входов 2. Суммарное количество всех контактов 36.
Выход младшего разряда сигнализирует о том, что при вычислении среднего арифметического образовалась половина. OF представляет из себя дизъюнкцию трех сигналов переполнения и сигнализируют о переполнении при умножении или нормализации.
На мультиплексор 2 подается сигнал разрешения выдачи информации на шину входа/выхода. Если этот сигнал равен 0 то мультиплексор отрезает выходные данные от шины чтобы не препятствовать вводу информации.
Мультиплексор 1 выбирает с какого операционного автомата выдавать данные на шину входа/выхода в зависимости от сигнала ОР – номер исполняемой операции.
Тестовые примеры
Пример № 1
Задача: среднее арифметическое 110 и 11 (6 и 3).
| Число А (32 разряда) | Число В (32 разряда) |
| 0,0000000000000000000000000000110 | 0,0000000000000000000000000000011 |
Для переключения вычислительного устройства в режим выполнения первой операции подаем на управляющий вход К = 0, подаём число А на входную шину, оно записывается на первый регистр.
В следующем такте подаём число В на входную шину, оно записывается на второй регистр.
После этого происходит однотактное сложение, после чего число записывается на регистр С со сдвигом в сторону младшего разряда, что означает деление на два. Поскольку сумма нечётна, пропадает младший разряд и нахождение среднего арифметического происходит с точностью до целых. Информация о потерянном разряде выводится по выходу младшего разряда. Поскольку числа одного знака, в освободившийся старший разряд записывается перенос с сумматора, который в данном случае равен 0.
| Число С |
| 00000000000000000000000000000100 |
Пример № 2
Задача: Возвести в квадрат число 485.
| Число А (мантисса и знак) (23+1 разряда) | Порядок |
| 0, 11110010100000000000000 | 1,110010 |
Для переключения вычислительного устройства в режим выполнения второй операции подаем на управляющий вход К = 1, подаём число А на входную шину на такте записи числа, и его мантисса записывается на первый и второй регистры.
Дальше происходит возведение мантиссы числа в квадрат с использованием алгоритма умножения числа само на себя.
После прохождения 23 тактов на управляющий автомат поступает сигнал окончания преобразования Е, и из управляющего автомата приходит набор управляющих сигналов записи ответа. Порядок передаётся на регистр ответа со сдвигом влево (умножение на два). После этого происходит нормализация мантиссы с коррекцией порядка. Для записи ответа используется 32 разрядная шина. Знак записывается в знаковый разряд ответа, и, поскольку происходит возведение в квадрат, он всегда положителен.
| Число С (мантисса и знак) | Порядок |
| 0, 11100101101101100100000 | 1,011111 |
6
















