Методы анализа линейных разветвлённых электрических цепей при синусоидальных воздействиях (1077723)
Текст из файла
Домашнее задание № 1. Вариант 3.
Методы анализа линейных разветвлённых электрических цепей при синусоидальных воздействиях.
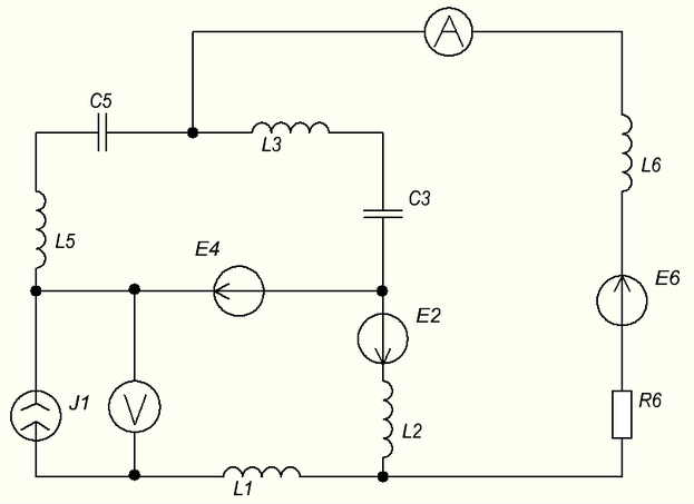
Рассчитать токи в заданной схеме методом контурных токов, методом узловых потенциалов и неизвестный ток в одной из ветвей методом эквивалентного источника. Построить векторные диаграммы для одного из узлов и напряжений для одного из контуров, содержащего источники ЭДС. Проверку правильности выполненного расчёта осуществить методом баланса мощностей. Определить показания приборов, измеряющих действующее значение.
В ответе указать значения токов в комплексной форме и во временной для тока, рассчитанного методом эквивалентного источника, показания приборов.
Единицы измерения:
[В],
[А],
[Ом],
[мГн],
[мкФ].
Узлы на схемах обозначить точками, индуктивность рисовать четырьмя витками в соответсвии ГОСТ.
-
Метод контурных токов.
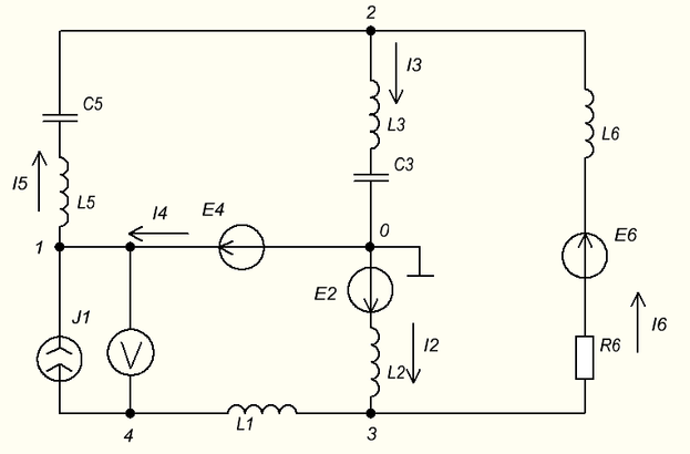
Выберем направления контурных токов так, как показано на рисунке:
Мы имеем 3 контура, один из которых содержит источник тока, поэтому ток в этом контуре равняется
. Составим уравнения для остальных контуров:
Учитывая первое уравнение, имеем:
Подставляя значения, получим:
Из первого уравнения
, тогда второе уравнение примет вид:
Таким образом, контурные токи равняются:
Найдём токи в ветвях схемы:
-
Метод узловых потенциалов.
Пронумеруем узлы в соответствие с рисунком. Примем потенциал узла 0 равным нулю:
.
Тогда потенциал узла 1 равняется
:
. Составим уравнения для узлов 2 и 3:
Подставляя значения, получим:
После преобразований из первого уравнения, получим:
Второе уравнение примет вид:
Отсюда находим:
Таким образом, мы получили следующие потенциалы узлов:
Найдём токи в ветвях электрической цепи:
Так как ток в 1-ой ветви равняется
, а по первому уравнению Кирхгофа для узла 1 имеем:
Таким образом, мы получили значения токов в ветвях:
что соответствует найденным значениям по методу контурных токов.
-
Метод эквивалентного источника.
Найдём ток в 5-ой ветви методом эквивалентного источника.
Найдём напряжение холостого хода
. Введём контурные токи
и
так как показано на рисунке. Так как контур 1 содержит источник тока, то
. Составим уравнение для второго контура:
Подставляя значения, получим:
Ток
. По второму закону Кирхгофа:
Найдём входное сопротивление относительно точек 2 и 1:
Теперь найдём ток в 5-ой ветви:
что совпадает с результатам, полученными методом контурных токов и узловых потенциалов.
-
Векторные диаграммы.
Построим векторную диаграмму для токов для узла 0. По первому закону Кирхгофа:
Построим векторную диаграмму напряжений для контура 0-3-2. По второму закону Кирхгофа:
Токи в ветвях равняются:
-
Показания приборов.
Амперметр в ветви 6 показывает действующее значение тока
, поэтому его показания равняются 2 А. Найдём показания вольтметра.
Методом узловых потенциалов мы нашли:
Таким образом, вольтметр покажет 0 В.
-
Баланс мощностей.
Токи во всех ветвях схемы:
Полная комплексная мощность источников-генераторов должна равняться полной комплексной мощности потребителей. Рассчитаем полную комплексную мощность источников-генераторов. Источниками-генераторами являются
, так как направление тока в них совпадает с направлением ЭДС. Источником-генератором является и источник тока, так как напряжение на нём
противоположно направлению
. Но так как напряжение на источнике тока (показания вольтметра) равно нулю, то генерируемая источником тока
мощность также равняется нулю. Таким образом, полная комплексная мощность источников-генераторов равняется:
Полная комплексная мощность потребителей (мощность, потребляемая
равняется нулю):
Таким образом:
, значит, баланс мощностей сходится.
Ответ:
Значения токов в комплексной форме:
Показание вольтметра 0 В. Показание амперметра 2 А.
Характеристики
Тип файла документ
Документы такого типа открываются такими программами, как Microsoft Office Word на компьютерах Windows, Apple Pages на компьютерах Mac, Open Office - бесплатная альтернатива на различных платформах, в том числе Linux. Наиболее простым и современным решением будут Google документы, так как открываются онлайн без скачивания прямо в браузере на любой платформе. Существуют российские качественные аналоги, например от Яндекса.
Будьте внимательны на мобильных устройствах, так как там используются упрощённый функционал даже в официальном приложении от Microsoft, поэтому для просмотра скачивайте PDF-версию. А если нужно редактировать файл, то используйте оригинальный файл.
Файлы такого типа обычно разбиты на страницы, а текст может быть форматированным (жирный, курсив, выбор шрифта, таблицы и т.п.), а также в него можно добавлять изображения. Формат идеально подходит для рефератов, докладов и РПЗ курсовых проектов, которые необходимо распечатать. Кстати перед печатью также сохраняйте файл в PDF, так как принтер может начудить со шрифтами.
















