Лаб.3.регистры (1076496), страница 2
Текст из файла (страница 2)
1. Заданный вариант слова по табл.1.
2. Схема исследуемого регистра для записи слова в параллельном коде и считывания в прямом и обратном кодах с указанием номеров логических элементов триггеров и устройств, на которых собрана схема.
3. Таблица с результатами исследования параллельного регистра.
4. Схема исследуемого сдвигающего регистра с указанием номеров триггеров и устройств, на которых собрана схема.
5. Таблица с результатами исследования сдвигающего регистра.
4. КОНТРОЛЬНЫЕ ВОПРОСЫ.
1. Определение регистра.
2. Состав регистра.
3. Операции, выполняемые регистрами.
4. Почему регистры преимущественно строятся на D-триггерах.
5. Запись информации в регистр в последовательном коде.
6. Запись информации в регистр параллельным кодом.
7. Считывание информации из регистра в прямом коде.
8. Считывание информации из регистра в обратном коде.
9. Сдвиг информации в регистре.
10. Преобразование информации в регистре в обратный код.
11. Преобразование в регистре параллельного кода слова в последовательный.
12. Преобразование в регистре последовательного кода слова в параллельный.
5. ПОРЯДОК ПРОВЕДЕНИЯ РАБОТЫ С ПОМОЩЬЮ
программы анализа электронных схем
Electronic Workbench.
Часть 2.
5.1. Используемые элементы программы EWB.
Рис.6. Voltage Source – источник постоянного напряжения +5 вольт.
С помощью этого источника на вход триггеров и логических элементов подается логическая единица.
Р
ис.7. Переключатель (Basic->Switch).
Переключение производится нажатием на клавишу, указанную в скобках над этим элементом.
Рис.8. Логический элемент "И" (Logic gates->2-Input AND gate).
Рис.9 Логический элемент "ИЛИ" (Logic gates->2-Input OR gate).
Р
ис.10. Триггер типа D (Digital->D Flip-Flop)
Р
ис.11. Светоиндикатор (Indicators->red Prob).
При подаче на этот элемент логической единицы светодиод загорается красным цветом.
Р
ис.12. Источник прямоугольных сигналов (Sources->Clock).
Выполняет функцию синхронизатора, который обеспечивает одновременность подачи сигналов на входы триггеров.
6. Задание на выполнение лабораторной работы.
6.1 Составить схему трехразрядного регистра для занесения слова параллельным кодом и возможностью вывода в прямом и обратном кодах и контролем по индикаторам.
Порядок построения схемы регистра.
6.1.1 Сборка переключающих схем для управления считыванием в
прямом и обратном кодах :
Р
ис.13. Элементарный мультиплексор.
Для реализации схемы переключения прямого кода на обратный на выходе регистра необходимо три таких соединения.
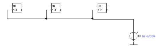
6.1.2 К входу С1 каждого из трёх D-триггеров подключим источник
прямоугольных импульсов с частотой 10 Гц, заземлив его на выходе минусового сигнала:
Рис.14. Промежуточная схема
регистра.
6.1.3. Три пятивольтовых источника напряжения подсоединяются через переключатели к входам D1 триггеров каждого разряда.
Для настройки управлением переключателя необходимо назначить клавишу для переключения данного переключателя. Для этого нужно двойным щелчком мыши кликнуть на изображении переключателя и меню настройки в форме KEY указать эту клавишу.
6.1.4 Инверсный выход триггера подключить к входу нижнего логического элемента логического элемента "И". Проделать эту процедуру с каждым триггером и соответствующим соединением.
6.1.5 Пятивольтовый источник напряжения подключить к входу переключателя, выбирающего прямое или инверсное считывание. Верхний вывод переключателя подключить к верхнему входу верхнего логического элемента "И" каждой схемы.
6.1.6. Итоговая схема регистра, готовая к проведению проверки работы выглядит следующим образом:
Рис.15. Триггер параллельного занесения с выходными мультиплексорами.
6.2. Порядок проведения исследования работы регистра параллельного занесения.
При исходном положении ключа K (верхнее положение) индикация подключается к прямым выходам регистра.
Положение нижних переключателей 1,2,3 определяет код, подаваемый на вход регистра.
Включение 1-го и 3-го выключателей (нажатие клавиш 1 и 3) соответствует заносимому коду 101.
В результате загораются соответствующие светоиндикаторы.
Р
ис.16. Регистр параллельного заненсения с установленным кодом 101.
При изменении положения переключателя K на индикаторах
отображается инверсный код.
Составить временную диаграмму работы регистра параллельного занесения.
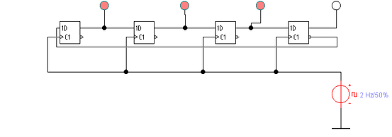
6.3 Составить схему сдвигающего регистра.
6.3.1. В основе схемы сдвигающего регистра используется та же
элементная база, что и в п. 3.1.
Рис.17. Сдвигающий регистр на 4 разряда.
Изменяя частоту генератора синхроимпульсов в пределах 0.1 до
1 Гц, с помощью переключателя S (клавиша S) можно заносить
последовательный код.
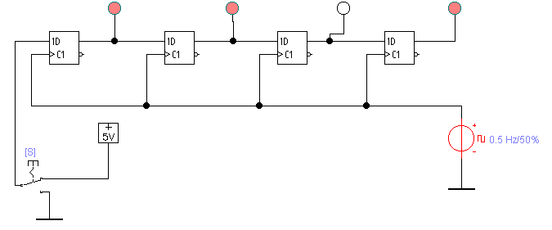
6.4. Моделирование работы счетчика Джонсона.
Для получения схемы счетчика Джонсона необходимо соединить
инверсный выход старшего разряда регистра с входом младшего.
Изменяя частоту синхроимпульсов, можно добится разной скорости изменения состояний.
Р
ис. 18. Схема счётчика Джонсона.
7. Задание для самостоятельной работы.
Собрать схему реверсивного сдвигающего регистра. Организовать управление направлением сдвига с помощью
переключателя и обеспечить индикацию выполнения операций сдвига.
Собрать схему универсального регистра, выполняющего операции сдвигов в обе стороны и параллельное занесение.
Р
ис.19. Универсальный регистр на 3 разряда.
8. Содержание отчета.
1. Схемы, моделирующие работу регистров по всем пунктам задания.
2. Временные диаграммы, поясняющие работу регистров.
3. Проанализировать работу регистров с помощью
программы EWB "логический анализатор".
9. Контрольные вопросы.
1. Назначение различных типов регистров в вычислительных устройствах.
2. Какие типы триггеров могут быть использованы для построения
регистров?
3. Назначение синхросигнала в работе регистров.
4. Какие дополнительные устройства необходимы для построения
универсального регистра.
5. Последовательность действий, выполняемых на регистрах с целью преобразования параллельного кода в последовательный код и обратно.
10. Литература.
1. В.И. Карлащук. Электронная лаборатория на IBM PC.
М., "СОЛОН-Р", 2001.
2. Электротехника и электроника в экспериментах и упражнениях:
Практикум на Electronics Workbench: В 2-х томах /Под общей
редакцией Д.И.Панфилова. М.: ДОДЭКА,2000.
3. Потёмкин И.С. Функциональные узлы цифровой автоматики. - М.: Энергоатомиздат, 1988. - 320 с.
4. Пухальский Г.И., Новосельцева Т.Я. Цифровые устройства: Учебное пособие
для втузов. - СПб.: Политехника, 1996. - 885 с.
5. Савельев А.Я. Арифметические и логические основы цифровых автоматов: Учебник. - М.: Высшая школа, 1980.-255 с.
6. Угрюмов Е.П. Цифровая схемотехника. - СПб.: БХВ - Санкт-Петербург, 2000 - 528 с.: ил.
7. http://spb-lta-kafapp.narod.ru/markich.htm
8. http://www.tstu.ru/education/elib/pdf/2005/chernva.pdf
9. http://workbench.host.net.kg/
10. http://electronics.bntu.edu.by/?page_id=9
















