Лаб.2.триггеры (1076485), страница 4
Текст из файла (страница 4)
15. Синхронный одноступенчатый JK-триггер на элементах И-НЕ (с запуском по переднему фронту синхросигнала).
16. Синхронный двухступенчатый JK-триггер на элементах И-НЕ (с запуском по заднему фронту синхросигнала).
17. Асинхронный Т-триггер на основе JK-триггера.
18. Синхронный Т-триггер на основе JK-триггера.
19. Синхронный Т-триггер на основе D-триггера.
ПОРЯДОК ПРОВЕДЕНИЯ РАБОТЫ НА МАКЕТЕ УМ-11.
-
Для исследования синхронных триггеров собрать схему генератора синхросигналов C1 и С2, используя генератор одиночного импульса и универсальный JK-триггер (№ 1) макета. При нажатии кнопки формируется один импульс C1 и один из фронтов С2. Зажженная лампа Л1 свидетельствует об уровне логической “1”. Схема и потенциальная диаграмма генератора показана на рис.22.
-
В качестве источника сигналов, подаваемых на R-, S- и D-входы триггеров использовать тумблеры (верхнее гнездо). Верхнему положению тумблера соответствует логическая “1”, нижнему - "0". При исследовании триггера в различных режимах заполнить таблицу переходов при использовании сигнала С2. К выходам Q и Q исследуемого триггера подключить индикаторные лампы.
Перед началом исследования схем триггеров необходимо собрать следующую схему для получения синхроимпульса, управляемого вручную рис.22.
3. В соответствии с вариантом (табл.9), предложенным преподавателем, провести сборку и исследование схем триггеров, для чего необходимо для каждой схемы триггера:
а) нарисовать схему исследуемого триггера с обозначением входов и выходов триггера,
б) составить таблицу переходов исследуемого триггера,
в) вывести характеристическое и структурное уравнения, описывающие логику работы исследуемого триггера,
г) собрать схему исследуемого триггера на наборном поле стенда,
д) проверить работоспособность исследуемого триггера на соответствие таблице переходов.
ВАРИАНТЫ СХЕМ ТРИГГЕРОВ.
Таблица 9
| Вариант | Схемы триггеров |
| 1 | 1,8,13,19. |
| 2 | 2,7,14,17. |
| 3 | 3,10,15,18. |
| 4 | 4,9,16,19. |
| 5 | 5,11,12,18. |
| 6 | 6,8,10,17. |
| 7 | 1,7,15,19. |
| 8 | 2,10,16,18 |
| 9 | 3,9,12,17. |
| 10 | 4,11,10,19. |
| 11 | 5,8,15,18. |
| 12 | 6,7,16,17. |
| 13 | 1,10,12,18. |
| 14 | 2,9,16,18. |
| 15 | 3,11,16,19. |
См. пункт «Схемы триггеров для исследования на стенде».
СОДЕРЖАНИЕ ОТЧЕТА.
Для каждой исследуемой схемы триггера в отчете по лабораторной работе необходимо привести:
1. Определение триггера.
2. Таблицу переходов.
3. Вывод характеристического уравнения триггера.
4. Вывод структурного уравнения триггера.
5. Рабочую схему триггера с указанием номера элемента, тумблеров и других устройств, составляющих схему.
КОНТРОЛЬНЫЕ ВОПРОСЫ.
1. Определение триггера.
2. Отличие триггеров от комбинационных схем.
3. Активные сигналы для инверсных входов триггеров.
4. Определение состояния триггера.
5. Задание законов функционирования триггеров.
6. Определение таблицы переходов триггера.
7. Определение характеристического уравнения триггера.
8. Признаки классификации триггеров.
9. Определение асинхронного триггера.
10. Определение синхронного триггера.
11. Определение асинхронного RS-триггера, таблица переходов, характеристическое уравнение триггера.
12. Определение структурного уравнения триггера.
13. Отличие RS-триггеров с прямыми и инверсными входами.
14. Определение синхронного RS-триггера, таблица переходов, характеристическое уравнение триггера.
15. Условие устойчивой работы одноступенчатых RS-триггеров в произвольной схеме.
16. Определение двухступенчатого RS-триггера.
17. Определение D-триггера, таблица переходов, характеристическое уравнение.
18. Определение JK-триггера, таблица переходов, характеристическое уравнение.
19. Универсальность JK-триггера.
20. Определение Т-триггера, таблица переходов, характеристическое уравнение.
Исследование триггеров с помощью программы
Electronics Workbench. Часть 2.
1. 1.Используемые элементы программы EWB.
Рис.23. Voltage Source – источник постоянного напряжения +5 вольт.
С помощью этого источника на вход триггеров и логических элементов подается логическая единица.
Р
ис.24. Переключатель (Basic->Switch).
Переключение производится нажатием на клавишу, указанную в скобках над этим элементом.
Рис.25. Логический элемент "И" (Logic gates->2-Input AND gate).
Рис.26. Логический элемент "ИЛИ" (Logic gates->2-Input OR gate).
Р
ис.27.
Триггер типа D (Digital->D Flip-Flop), без асинхронных входов.
Рис.28. Триггер типа J-K (JK Flip-flop with Active High asynch inpout), с прямыми асинхронными установочными входами.
Р
ис.29. Светоиндикатор (Indicators->red Prob).
При подаче на этот элемент логической единицы светодиод загорается красным цветом.
Рис.30. Источник прямоугольных сигналов (Sources->Clock).
Источник прямоугольных сигналов выполняет функцию синхронизатора, ко- торый обеспечивает одновременность подачи сигналов на входы триггеров.
Рис.31. Логический анализатор.
Логический анализатор позволяет снимать диаграммы прямоугольных
импульсов.
2. Задание на выполнение лабораторной работы.
2.1. Исследование асинхронных и синхронных R-S триггеров.
2.1.1 Простейшие схемы асинхронных R-S триггеров составить
с использованием логических элементов "И-НЕ", "ИЛИ-НЕ", см. рис.5 и рис.6.
Асинхронный триггер на логических элементах И-НЕ
Рис.32. Асинхронный R-S триггер на логических элементах "ИЛИ-НЕ"
Для подачи на входы триггера значений логического "0" и "1"
воспользоваться 5-вольтовым источником и переключателем.
Для контроля значений на прямом выходе триггера воспользоваться светоиндикатором.
Проконтролировать работу триггера по таблице состояний.
Найти и объяснить отличия в управлении асинхронного триггера
на элементах "ИЛИ-НЕ".
Составить временные диаграммы работы триггеров.
3.1.2 Для построения синхронного R-S триггера необходимо добавить логические схемы "И-НЕ" для анализа синхросигнала и
добавить источник синхросигнала. В качестве синхросигнала можно взять
5-вольтовый источник и переключатель.
Р
ис.33. Синхронный R-S триггер на логических элементах "И-НЕ"
Рис.34. Пример построения модели схемы синхронного R-S триггера.
Составить таблицу состояний синхронного R-S триггера
и временную диаграмму работы.
3.1.3. Составить модель двухступенчатого синхронного R-S (M-S типа) триггера с задержками.
Р
ис.35. Синхронный R-S триггер (MS-типа) с задержками.
Для анализа временной диаграммы работы данного триггера использовать подключение светодиодов на первой ступени триггера и на выходе триггера.
-
Собрать и исследовать схему динамического RS-триггера.
Рис.36. Схема динамического синхронного RS-триггера.
3.2 Исследование работы D-триггера.
3.2.1. Собрать схему, моделирующую работу D-триггера из
библиотечного набора EWB.
Рис.37. Набор элементов схемы на рабочем столе.
Из данного набора элементов собирается схема проверки работы
D-триггера.
Составить таблицу переходов и временную диаграмму работы
D-триггера.
Превратить макет синхронного R-S триггера в триггер типа D,
сделав необходимые подключения.
Сравнить работу собранного триггера типа D c работой D-триггера из библиотеки EWB.
3.3 Исследование работы универсального J-K триггера.
3.3.1 Использовать два вида библиотечных J-K триггеров.
Рис.38. Триггеры различаются прямыми и инверсными установочными входами.
Составить временную диаграмму работы J-K триггера.
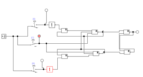
3.3.2. Собрать схему J-K триггера с задержкой (типа M-S) на элементах "И-НЕ".
Синхросигнал реализовать от 5-вольтового источника и управлять
с назначенной клавиши.
Составить таблицу переходов, временную диаграмму и особенности
работы данной схемы триггера.
4. Содержание отчета.
1. Схемы, моделирующие работу триггеров по всем пунктам
задания.
2. Временные диаграммы, поясняющие работу триггеров.
-
Таблицы переходов для каждой моделируемой схемы триггера.
5. Контрольные вопросы.
1. К какому классу устройств относятся триггеры: к комбинационными схемам или цифровым автоматам и в чём основное отличие?
2. Назовите способ задания законов функционирования триггеров.
3. По каким признакам классифицируются триггерные устройства?
4. Каковы отличия синхронных триггеров от асинхронных триггеров?
5. В чём заключаются преимущества триггеров с задержкой (типа
Master-slave)?
6. Функции каких триггеров может выполнять универсальный
J-K триггер?
7. Назначение триггеров D-V типа.
















