[МИС] Курсовой (1075820)
Текст из файла
Московский государственный технический университет им. Н.Э.Баумана
Факультет « Информатика и системы управления»
Кафедра « Автоматизированные системы обработки информации и управления »
Курсовая работа по микроэлектронике и схемотехнике
Вариант – 20
28
____________________________________________________
(количество листов)
Разработал: студент группы ИУ5-41 Сидякин А.А.
Принял : Радюкевич В.В.
Москва- 2010
Содержание
Задание……………………………………………………………………………………………………………..3
-
Расчет резисторов схемы ………………………………………………………………………….…5
-
Моделирование схемы на постоянном токе ………………………………………..…...6
-
Реакция схемы на изменение параметров транзистора ……………………….…12
-
Заключение по результатам моделирования на постоянном токе…………13
-
Расчет основных малосигнальных параметров схемы ………………………....14
-
Расчет емкости конденсаторов. Прогнозирование верхней границы полосы пропускания…………………………………………………………………………………..16
-
Моделирование схемы на переменном токе …………………………………………..19
-
Реакция усилителя на импульсный сигнал …………………………………..…………..23
-
Заключение по результатам моделирования на переменном токе………...26
Список литературы…………………………………………………………………………………………..28
1. Задание на курсовую работу
-
Рассчитать параметры резисторов
,
,
и
, исходя из заданного положения рабочей точки в классе А (
) и ее нестабильности (
) при напряжении источника питания схемы (
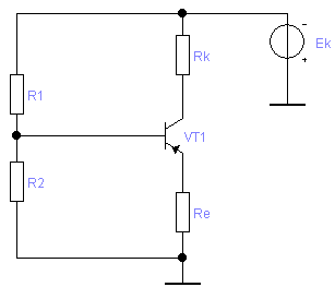
), типе транзистора (VT1), для схемы, изображенной на рис.1.
Рис. 1. Схема электрическая принципиальная усилителя
-
Используя любую из программ анализа электронных схем, промоделировать работу схемы на постоянном токе. Рассмотреть узловые потенциалы в схеме. Построить передаточную характеристику схемы на участке база-коллектор транзистора
и нанести на нее рабочую точку. Обозначить на характеристике области работы транзистора. -
Изменить коэффициент усиления по току транзистора (
) в два раза и определить, на сколько изменится ток коллектора. Проделать то же, изменив неуправляемый ток коллекторного перехода в десять раз. -
Дать заключение о степени соответствия прогноза, сделанного на основании аналитических расчетов, и результатов моделирования по работе схемы на постоянном токе.
-
Оценить расчетным путем основные малосигнальные параметры рассматриваемой схемы
,
,
,
,
,
, а также, при какой амплитуде входного сигнала в схеме возникнут нелинейные искажения. -
На основе сведений о нижней граничной частоте (
) полосы пропускания усилителя с учетом данных о сопротивлениях нагрузки (
) и источника сигнала (
) определить емкости разделительных (
и
) и блокировочного (
) конденсаторов. Спрогнозировать верхнюю граничную частоту (
) полосы пропускания усилителя. -
Промоделировать работу схемы на переменном токе и построить АЧХ и ФЧХ усилителя, по которым определить граничные частоты полосы пропускания усилителя. Определить также на основе моделирования с использованием зависимого источника сигнала входное (
) и выходное (
) сопротивления усилителя на средней частоте. -
Предсказать аналитически и исследовать с помощью моделирования реакцию усилителя на импульсный сигнал малой величины.
-
Провести сравнение аналитических прогнозов поведения усилителя на переменном токе с результатами моделирования и сделать необходимые выводы.
-
Оформить отчет о проделанной работе, в котором представить:
-
исходные данные и задание;
-
аналитические расчеты параметров деталей схемы и параметров выходных сигналов, характеризующих ее поведение на постоянном и переменном токе;
-
результаты моделирования в виде распечаток принципиальной схемы с узловыми потенциалами, передаточной, амплитудно-частотной, фазо-частотной и переходной характеристик (приведенные графики должны быть обработаны и на них указаны извлекаемые параметры);
-
распечатки библиотечных параметров транзистора VT1, источников синусоидального и импульсного сигналов с объяснением каким образом все эти параметры были назначены;
-
выводы по работе.
2. Исходные данные
Таблица 1. Исходные данные задания на курсовой проект
Согласно ОСТ 11 336.919-81, устанавливающего систему условных обозначений современных типов транзисторов, ГТ310Б – германиевый биполярный транзистор, относящийся к классу маломощных (максимальная рассеиваемая мощность не может превышать 0,3 Вт) сверхвысокочастотных транзисторов. Более точно параметры этого транзистора определим, воспользовавшись справочником (табл. 2).
| Параметр | Расшифровка | Единица измерения | Значение |
| Тип | - | - | p-n-p |
| Максимальный постоянный ток коллектора | мА | 10 | |
| Максимальное постоянное напряжение эмиттер-база при токе коллектора, равном нулю | В | 4 | |
| Максимальное постоянное напряжение коллектор-эмиттер при токе базы, равном нулю | В | 12 | |
| Максимально допустимая рассеиваемая мощность транзистора | мВт | 20 | |
| Температура окружающей среды | 25 | ||
| Максимально допустимая температура перехода | 75 | ||
| Максимально допустимая температура окружающей среды | 55 | ||
| Статический коэффициент передачи тока биполярного транзистора в режиме малого сигнала в схеме с общим эмиттером | 60..180 | ||
| Постоянное напряжение коллектор-эмиттер | В | 1.5 | |
| Постоянный ток эмиттера | мА | 1 | |
| Напряжение коллектор-эмиттер в насыщении | В | 12 | |
| Обратный ток коллектора | мкА | 1 | |
| Ёмкость коллекторного перехода при нулевом напряжении база-коллектор | пФ | 4 | |
| Граничная частота коэффициента передачи тока | МГц | 160 |
Таблица 2. Параметры транзистора ГТ310Б, взятые из справочника
3. Выполнение задания
3.1 Расчёт резисторов
,
,
и
Резисторы
,
и
призваны обеспечить режим работы транзистора VT1 по постоянному току (вывести его рабочую точку в класс А), а резистор
– стабилизировать этот режим введением последовательной отрицательной обратной связи по току.
При расчёте постоянных составляющих используем схему рис.2. При этом не будем учитывать обратный ток коллекторного перехода
.
Рис. 2. Упрощённая схема усилителя для расчёта постоянных составляющих
В соответствие с табл. 2, примем коэффициент усиления тока
.
По первому закону Кирхгофа ток базы транзистора:
где
Характеристики
Тип файла документ
Документы такого типа открываются такими программами, как Microsoft Office Word на компьютерах Windows, Apple Pages на компьютерах Mac, Open Office - бесплатная альтернатива на различных платформах, в том числе Linux. Наиболее простым и современным решением будут Google документы, так как открываются онлайн без скачивания прямо в браузере на любой платформе. Существуют российские качественные аналоги, например от Яндекса.
Будьте внимательны на мобильных устройствах, так как там используются упрощённый функционал даже в официальном приложении от Microsoft, поэтому для просмотра скачивайте PDF-версию. А если нужно редактировать файл, то используйте оригинальный файл.
Файлы такого типа обычно разбиты на страницы, а текст может быть форматированным (жирный, курсив, выбор шрифта, таблицы и т.п.), а также в него можно добавлять изображения. Формат идеально подходит для рефератов, докладов и РПЗ курсовых проектов, которые необходимо распечатать. Кстати перед печатью также сохраняйте файл в PDF, так как принтер может начудить со шрифтами.














