Схема модели полевого транзистора КП323А (1075622)
Текст из файла
Схема модели полевого транзистора КП323А-2.
Р
ис.1. Семейство выходных характеристик полевого транзистора КП323А-2.
Р
ис. 2. Семейство проходных характеристик и зависимости крутизны транзистора от тока стока для транзистора КП323А-2.
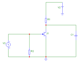
Рис. 3. Схема для исследования работы полевого транзистора в ключевом режиме.
Рис. 4 .Типичный вид осциллограммы выходного напряжения
3
Характеристики
Тип файла документ
Документы такого типа открываются такими программами, как Microsoft Office Word на компьютерах Windows, Apple Pages на компьютерах Mac, Open Office - бесплатная альтернатива на различных платформах, в том числе Linux. Наиболее простым и современным решением будут Google документы, так как открываются онлайн без скачивания прямо в браузере на любой платформе. Существуют российские качественные аналоги, например от Яндекса.
Будьте внимательны на мобильных устройствах, так как там используются упрощённый функционал даже в официальном приложении от Microsoft, поэтому для просмотра скачивайте PDF-версию. А если нужно редактировать файл, то используйте оригинальный файл.
Файлы такого типа обычно разбиты на страницы, а текст может быть форматированным (жирный, курсив, выбор шрифта, таблицы и т.п.), а также в него можно добавлять изображения. Формат идеально подходит для рефератов, докладов и РПЗ курсовых проектов, которые необходимо распечатать. Кстати перед печатью также сохраняйте файл в PDF, так как принтер может начудить со шрифтами.














