Импульсный усилитель на ОУ (1075518)
Текст из файла
Усиление импульсных сигналов.
Целью работы является изучение усиления импульсных сигналов в усилительном каскаде на операционном усилителе (ОУ). Задачей работы состоит в определении влияния параметров усилительного каскада на форму выходного импульсного напряжения, освоении методики измерения импульсных сигналов. По результатам исследований необходимо сформулировать требования к усилительному каскаду при усилении прямоугольных импульсных сигналов, исходя из допустимых искажений на выходе.
Порядок выполнения работы.
-
Рассчитайте граничные частоты полосы усиления неинвертирующего усилительного каскада на ОУ с коэффициентами усиления КU=101, 11 и 1 и ожидаемые искажения формы выходного сигнала при усилении прямоугольного импульсного напряжения.
Коэффициент усиления KU неинвертирующего усилительного каскада на ОУ (см. рис.1) в области средних частот определяется параметрами цепи отрицательной обратной связи и равен:
KU=1+ R2/R1,
где R1 и R2 – резисторы цепи отрицательной обратной связи. Согласно данному выражению выберете на лабораторном макете номиналы резисторов R2 и R1, позволяющие получить заданные коэффициенты усиления.
Р
ис. 1. Принципиальная схема неинвертирующего усилительного каскада на ОУ переменного напряжения.
Нижняя граничная частота fН полосы усиления неинвертирующего усилительного каскада определяется номиналами элементов входной RC – цепи:
fН = 1 / 2**R3*C1.
При исследовании усилительного каскада, создаваемого на лабораторном макете, следует использовать в качестве резистора R3 параллельное соединение резисторов R3.1 и R3.2 для минимизации смещения нуля выходного напряжения. Рассчитайте нижние граничные частоты fН,1(С1.1) и fН,2(С1.2) для двух номиналов разделительного конденсатора (величины элементов С1.1, С1.2 и R3.1, R3.2 указаны на лабораторном макете).
Верхняя граничная частота fВ полосы усиления определяется коэффициентом усиления KU неинвертирующего усилительного каскада и частотой единичного усиления f1 используемого ОУ:
fВ = f1/ KU ,
где f1 является паспортным параметром ОУ (см. приложение). Вычислите верхние граничные частоты (fВ,101, fВ,11, fВ,1) для усилительного каскада KU = 101, 11 и 1. Результаты расчетов двух нижних и трех верхних граничных частот полосы усиления каскада занесите в таблицу №1.
При усилении прямоугольных импульсных напряжений из-за ограничения полосы усиления каскада возникают искажения формы выходного сигнала. Нижняя граничная частот определяет относительный спад вершины импульса, который можно вычислить как:
Um.вых =[Um.вых /Um.вых.]*100=[1-ехр(-tимп./н)]*100 [%],
где Um.вых – абсолютный спад вершины импульсного выходного напряжения, Um.вых – амплитуда импульсного выходного напряжения, tимп – длительность усиливаемого прямоугольного импульсного напряжения, н – постоянная времени усилительного каскада в области нижних частот (н=R3*C1=1/2**fН). Вычислите относительные спады Um.вых вершин выходного напряжения для двух номиналов входного разделительного конденсатора С1 (С1.1, С1.2) при усилении прямоугольного импульсного напряжения с длительностью tимп =100 мкс, а результаты занести в таблицу №1.
Ограничение полосы усиления усилительного каскада в области верхних частот приводит к искажению переднего и заднего фронтов при усилении прямоугольного импульсного напряжения. Если принять за длительность переднего фронта ФР время, в течение которого выходное напряжение возрастает от 0 до уровня 0.9*Um.вых, то она связана с постоянной времени усилительного каскада в области верхних частот В (В=1/2**fВ) соотношением:
ФР =2.3*В .
Проведите расчет длительности переднего фронта ФР выходного напряжения усилительного каскада с коэффициентом усиления KU = 101, 11 и 1, а результаты занесите в таблицу №1.
Таблица №1
Сводная таблица теоретических и экспериментальных результатов.
| KU | fН,1 [Гц] (С1.1) | Um.вых (С1.1)[%] | fН,2 [Гц] (С1.2) | Um.вых (С1.2) | fВ [кГц] | ФР[мкс] | ||||||
| теория | экспер | теория | экспер | теория | экспер | теория | экспер | теория | экспер | теория | экспер | |
| 101 | ||||||||||||
| 11 | ||||||||||||
| 1 | ||||||||||||
-
Определите экспериментально граничные частоты полосы усиления неинвертирующего усилительного каскада на ОУ с коэффициентом усиления КU=101, КU=11 и КU=1.
2
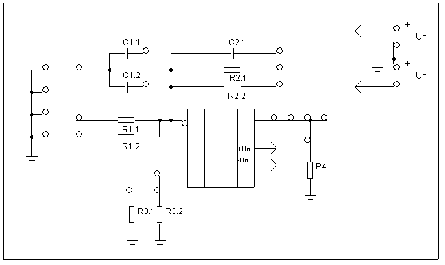
.А. На лабораторном макете, принципиальная схема которого приведена на рис. 2, соберите неинвертирующий усилительный каскад с коэффициентом усиления КU=101. От лабораторных источников напряжения подайте на макет питание Епит =+-15 В, обращая внимание на правильное подключение полярности напряжений. Неправильное подсоединение полярности источников напряжения приводит к выходу из строя ОУ на лабораторном макете.
Рис.2. Принципиальная схема лабораторного макета для исследования усилительных каскадов на ОУ.
Через разделительный конденсатор С1.2 на неинвертирующий вход ОУ подайте от измерительного генератора Г3-112 гармоническое напряжение с частотой f=1000 Гц. Соедините параллельно резисторы R3.1 и R3.2. Для контроля величины выходного напряжения генератора Г3-112, которое может изменяться с перестройкой частоты, используйте один из Y-входов двухканального осциллографа. Выходное напряжение усилительного каскада измеряйте вольтметром В3-38, имеющего шкалу, проградуированную в децибелах (дБ). С помощью выходных аттенюаторов (грубо и плавно) генератора Г3-112 установите выходное напряжение усилительного каскада равное 0 дБ. Плавно изменяя частоту генератора Г3-112, определите среднюю частоту fср полосы усиления каскада, на которой выходное напряжение усилителя максимально, и ее значение запишите в рабочую тетрадь. При необходимости скорректируйте уровень выходного напряжения генератора Г3-112 так, чтобы выходное напряжение усилительного каскада на частоте fср точно составляло 0 дб.
Для экспериментального определения верхней граничной частоты fВ,101 усилительного каскада увеличивайте частоту генерации генератора Г3-112 до тех пор, пока выходное напряжение каскада не уменьшится на 3 дБ. По указателю частоты, расположенному на передней панели генератора Г3-112, зафиксируйте величину этой частоты, являющейся верхней граничной частотой fВ,101 усилительного каскада. Результаты измерения занесите в таблицу №1.
Для определения нижней граничной частоты fН,1 полосы усиления каскада уменьшайте частоту генератора Г3-112 от fср до тех пор, пока выходное напряжение усилителя не уменьшится на 3 дБ относительно напряжения на частоте fср (0дБ). Замерьте данную частоту, которая соответствует нижней граничной частоте fН,1 усилительного каскада с конденсатором С1.2, а ее значение занесите в таблицу №1.
2.Б. Измените коэффициент усиления каскада на КU=11 заменой в цепи обратной связи резистора R2.2 на резистор R2.1. Аналогично, как и выше, измерьте граничные частоты данного каскада. Измерения каскада с КU=11 проведите для двух конденсаторов С1.1 и С1.2, а результаты занесите в таблицу №1.
2.В. Соберите на макете повторитель напряжения на ОУ, т.е. неинвертирующий усилительный каскад с КU=1. Для этого необходимо соединить перемычкой выход ОУ с инвертирующим входом, а левый вывод резистора R1.1 отсоединить от общего провода (такое соединение соответствует R1=, R2=0). На входе повторителя напряжения используйте разделительный конденсатор С1.2 макета. По вышеописанной методике измерьте граничные частоты повторителя напряжения, а результаты занесите в таблицу №1.
-
Исследуйте усиление импульсного напряжения в неинвертирующем усилительном каскаде на ОУ.
Все последующие измерения проводятся для импульсного напряжения прямоугольной формы положительной полярности длительностью tимп=100мкс и с периодом следования T=1 мс (частота следования Fсл=1 кГц.), которое получают от импульсного генератора Г5-63 или Г5-54. Предварительно параметры импульсного напряжения (полярность, амплитуда, длительность и период или частота следования) устанавливаются с помощью ручек управления импульсного генератора. Для контроля формы выходного напряжения генератора его подайте на один из Y-входов двухканального осциллографа (АСК-1022, С1-83 или С1-93). В осциллографе используйте внешнюю синхронизацию развертки от синхросигнала импульсного генератора. Для проведения измерений на переднем фронте импульсного напряжения установите на генераторе время сдвига выходного импульсного напряжения относительно синхросигнала равное tсд=10 мкс. Первоначально подберите скорость развертки осциллографа такой, чтобы на экране располагалось 1.5 – 2 периода импульсного напряжения и добейтесь ее устойчивого изображения. Для того, чтобы исследуемый сигнал по экрану осциллографа «не бежал» частота развертки должна быть точно равной частоте следования исследуемого сигнала. Для подстройки частоты развертки, в пределах которой происходит синхронизация внешним сигналом, ее плавная регулировка выведена на переднюю панель любого осциллографа. По осциллографу оцените длительность и период следования импульсного напряжения генератора и сравните их с показаниями на лимбах ручек управления генератора.
На второй Y-вход осциллографа подайте выходное напряжение усилительного каскада. При измерениях используйте «открытые» Y-входы осциллографа, позволяющие оценить уровень постоянной составляющей сигнала. Измерьте по осциллографу амплитуды, постоянные уровни, длительности и периоды следования импульсных напряжений на входе и выходе усилительного каскада. Оцените коэффициент усиления каскада как отношение амплитуды импульса на выходе Um.вых. к амплитуде на входе Um.вх. Зарисуйте общий вид осциллограмм в рабочую тетрадь.
Рис. В. Осциллограмма выходного напряжений импульсного генератора.
3.А. Усилительный каскад с коэффициентом усиления КU=101.
На лабораторном макете соберите неинвертирующий усилительный каскад (рис.1.) с коэффициентом усиления КU=101, используя в цепи обратной связи резисторы R1.1 и R2.2 и конденсатор С1.2. Выходное напряжение импульсного генератора подведите на вход усилительного каскада, а напряжение с выхода подайте на второй Y-вход двухканального осциллографа. По обоим каналам осциллографа используйте «открытые» Y-входы, позволяющие измерять напряжения с постоянными составляющими.
Используя выходные аттенюаторы (грубо и плавно), установите амплитуду импульсного напряжения генератора, чтобы амплитуда выходного напряжения усилительного каскада составляла бы Um.вых.=1 В. Подберите усиление Y-канала осциллографа, при котором измеряемая амплитуда занимала на экране 4 – 5 больших клеток. Зарисуйте осциллограммы входного и выходного напряжений с указанием нулевого уровня, величины амплитуд (в вольтах, а не в «клетках»), длительности импульса и периода (в секундах).
Р
ис. Т. Общий вид осциллограмм входного и выходного напряжений усилительного каскада.
Характеристики
Тип файла документ
Документы такого типа открываются такими программами, как Microsoft Office Word на компьютерах Windows, Apple Pages на компьютерах Mac, Open Office - бесплатная альтернатива на различных платформах, в том числе Linux. Наиболее простым и современным решением будут Google документы, так как открываются онлайн без скачивания прямо в браузере на любой платформе. Существуют российские качественные аналоги, например от Яндекса.
Будьте внимательны на мобильных устройствах, так как там используются упрощённый функционал даже в официальном приложении от Microsoft, поэтому для просмотра скачивайте PDF-версию. А если нужно редактировать файл, то используйте оригинальный файл.
Файлы такого типа обычно разбиты на страницы, а текст может быть форматированным (жирный, курсив, выбор шрифта, таблицы и т.п.), а также в него можно добавлять изображения. Формат идеально подходит для рефератов, докладов и РПЗ курсовых проектов, которые необходимо распечатать. Кстати перед печатью также сохраняйте файл в PDF, так как принтер может начудить со шрифтами.














