Таймер (1075497)
Текст из файла
Sozinov B.L. стр. 8 2.7.2019
Таймер.
О
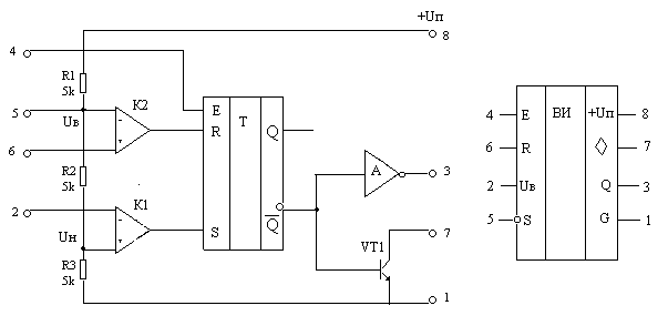
дной из наиболее широко применяемых простых аналого-цифровых интегральных схем является интегральный таймер типа КР 1006ВИ1 (зарубежные аналоги SE555, NE555). Функциональная схема этого таймера показана на рис. 1. В нее входят два компаратора, RS-триггер, резистивный делитель, выходные транзисторные каскады. Напряжение питания Uп+ таймера может меняться в пределах 5 – 15 В.
Рис.1 Функциональная схема таймера КР 1006ВИ1
R1, R2 и R3 – резистивный делитель напряжения, К1 и К2 – компараторы, Т – Е-триггер (управляемый RS-триггер), А – инвертирующий усилитель, VT1 – ключ на транзисторе.
Компаратор – это простейшим преобразователем аналогого (непрерывного) сигнала в дискретный. В зависимости от входных сигналов его выходное напряжение принимает один из двух фиксированных уровней. Одно из входных напряжений является измеряемым, второе опорным. Роль компаратора состоит в сравнении двух входных сигналов, в зависимости от соотношения которых определяется выходное напряжение. Если напряжение на неинвертирующем входе больше напряжения, чем на инвертирующем, то выходное напряжение принимает высокий уровень (логическая «1»). При противоположном соотношении входных сигналах выходное напряжение имеет низкий уровень (логический «0»). В качестве компаратора могут быть использованы операционные усилители (ОУ), как например, при построении мультивибратора на ОУ. Компараторы, специально разработанные для преобразования аналогового сигнала в дискретный, имеют ряд преимуществ в сравнении с обычными ОУ. При проектировании компараторов предусматриваются меры, обеспечивающие быстрый выход усилительных каскадов из режима насыщения и согласование выходного напряжения компаратора с напряжениями логических интегральных схем. В таймере использованы два аналогичных компаратора с разницей по управлению: на компаратор К1 опорное напряжение с резистора R3 подается на неинвертирующий вход, на компаратор К2 опорное напряжение с резисторов (R2+R3) подается на инвертирующий вход.
Резисторные матрицы в интегральной схемотехники изготавливают групповым способом, что обеспечивает пропорциональность номиналов резисторов некоторой постоянной величине Ro.
Следовательно, для матрицы резисторов таймера можно записать
R1=m*Ro R2=m*Ro R3=m*Ro
Поэтому напряжение, подаваемое на вывод 2, сравнивается с опорным напряжением Uн, равным
Uн=(m/3*m)*Uп =(1/3)*Uп
а напряжение, подаваемое на вывод 6, сравнивается с опорным напряжением Uв, равным
Uв=(2*m/3*m)*Uп =(2/3)*Uп
Выходные напряжения компараторов являются управляющими сигналами триггера.
Триггер – это устройство, имеющее два устойчивых состояний. Аналогично мультивибратору переход триггера из одного состояния в другое происходит лавинообразно, но только с приходом переключающего (запускающего) сигнала. В интервале между переключающими сигналами состояние триггера не меняется, т.е. триггер «запоминает» поступление сигнала, отражая это величиной выходного напряжения. В зависимости от свойств, числа и назначения входов триггеры можно разделить на несколько видов.
Прежде всего следует различать тактируемые (синхронные) и нетактируемые (асинхронные) триггеры. Изменение состояния асинхронного триггера происходит сразу же после соответствующего изменения входного управляющего напряжения. В синхронном триггере изменение состояния происходит только в момент присутствия соответствующего напряжения на тактовом входе. Тактирование может осуществляться импульсом (потенциалом) или фронтом (перепадом потенциалов). В первом случае управляющие сигналы оказывают влияние на выходное напряжение триггера только при разрешающем потенциале на тактовом входе. Во втором случае воздействие управляющих сигналов проявляется только в момент перехода единица – нуль или нуль – единица на тактовом входе.
Основные типы триггеров в интегральном исполнении носят следующие названия: RS-триггер, D-триггер, T-триггер и JK-триггер.
SR-триггер имеет два управляющих входа, S и R: потенциал “единица” на входе S при R=0 устанавливает триггер в единицу (Q=1), потенциал «единица» на входе R при S=0 устанавливает триггер в нуль (Q=0). Входы S и R названы по первым буквам английских слов set – установка и reset – предустановка. Для RS-триггера комбинация S=1 и R=1 является запрещенной, так как состояние триггера будет неопределенным: он может оказаться в единице или нуле.
Существует разновидности RS-триггера, исключающие запрещенную комбинацию входных сигналов. К их числу относится так называемый Е-триггер, для которого сочетание входных сигналов S=1 и R=1 не изменяет состояние триггера. Подобный триггер используется в таймере.
Если на входы триггера таймера поступают одновременно сигналы установки в различные состояния, то триггер срабатывает в соответствии со следующим приоритетами сигналов. Наивысший приоритет имеет сигнал, подаваемый на вывод 4. Поэтому этот сигнал является сигналом разрешения Е: если Е=1, то работа таймера разрешена, если Е=0, то триггер таймера находится в состоянии «нуль». Вторым по старшинству является непрерывный сигнал U2, подаваемый на вывод 2. Этот сигнал соответствует инверсному входу установки триггера в единицу: если Е=1 и U2<Uн, то с выхода триггера будет сниматься сигнал «единица» (вне зависимости от напряжения на выводе 6). И наконец, самый младший приоритет принадлежит непрерывному сигналу U6, подаваемому на вывод 6. Этот сигнал при U6>Uв, U2>Uн и Е=1 обеспечит установку триггера в нуль.
Выход таймера обеспечивает втекающие и вытекающие токи до 200 мА, что позволяет управлять непосредственно лампочками и даже электромагнитным реле. Выходное сопротивление – около 10 Ом как для низкого (Uвых=0.1 В), так и для высокого (Uвых=Uп-0,5 В) уровней выходного напряжений.
Длительность генерируемых выходных импульсов устанавливается внешней времязадающей цепью RtCt.
Запуск таймера осуществляется подачей на вывод 2 напряжения меньше Uп / 3 (эту цепь обычно называют триггерным входом). При высоком напряжении на выводе 2 состоянием выхода таймера можно управлять с помощью компаратора К2 по выводу 6, называемому обычно пороговым входом. Входной ток, вытекающий для компаратора К1 и втекающий для компаратора К2 (вывод 6), не превышает 0,5 мкА. Для сброса таймера, т. е. установления на его выходе низкого напряжения, независимо от напряжения на выводах 2 и 6 используется вывод 4 (входЕ). Если напряжение на этом выводе меньше 0,4 В, напряжение на выводе 3 равно 0,1 В. При напряжении больше 1 В на выводе 4 работа таймера разрешена и его состояние определяется входными сигналами S и R. В дополнении к низкоомному выходу таймер имеет вспомогательный высокоомный выход (вывод 7), представляющий собой открытый коллектор транзистора VT1. Этот вывод используется для организации обратной связи с выхода на входы таймера. Допустимое изменение напряжения на выводах 2, 4, 6 и 7 лежит в пределах 0 – 15 В. В таймере имеется доступ через вывод 5 и к двум другим входам внутренних компараторов, на которые поданы пороговые напряжения. Этот вывод от резисторного делителя позволяет дополнительно управлять работой таймера, изменяя пороговые напряжения компараторов при постоянном напряжении питания. Рекомендуется шунтировать этот вывод конденсатором емкостью 0,01 мкФ, чтобы избежать влияние внешних помех и пульсаций напряжения питания на точность работы таймера.
Приводимое в справочных данных значения погрешности формирования временного интервала, равное 0,5%, измеряется обычно при формировании импульсов длительностью 10 мкс. Время нарастания выходного напряжения таймера не превышает 100 нс. Временные параметры таймера слабо зависят от изменений напряжения питания Uп и температуры и определяются схемами внутренних компараторов и качеством технологии их изготовления. В таймерах, изготовленных по КМОП-технологии, отличающейся худшим согласованием параметров парных транзисторов, зависимость от Uп и температуры выше, чем у таймеров, изготовленных по биполярной технологии.
Длительность генерируемого таймером импульса определяются параметрами времязадающей RtCt-цепи. Чтобы параметры данной цепи не влияли на точность формирования временных интервалов, необходимо ограничить диапазон изменения сопротивления Rt и емкости Ct. Максимальное сопротивление Rt определяется входным током Iвх компаратора, протекающим по цепи вывода 2 или 6. Для формирования устойчивых временных интервалов достаточно выбрать максимальное сопротивление Rt из условия Rtmax< Uп/Iвх, где Rtmax=20 МОм при Uп=10 в и Iвх=0,5 мкА.
Минимальное сопротивление Rt определяется максимально допустимым током, протекающим через внутренний транзистор VT1 таймера, при его насыщении. Хотя допустимый выходной ток по выводу 7 устанавливают обычно равным 100 мА, нецелесообразно применять малые сопротивления в сочетании с большими емкостями Ct. Объясняется это тем, что при разряде конденсаторов Ct большой емкости транзистор VT1 не мгновенно переходит в режим насыщения, а только через некоторое конечное время tн. В течение этого времени транзистор работает в активном режиме со средним напряжением коллектор – эмиттер около Uп/2. Если Rtmin выбрано из условия Rtmin<Uп/100 мА, то транзистор VT1 может выйти из строя из-за чрезмерной рассеиваемой в нем мощности. Поэтому рекомендуется при формировании малых временных интервалов ограничиться величиной Rtmin=1 кОм и выбрать исходя из этого емкость Ct. Если же таймер применяется в схеме, где Ct<100 пФ, то сопротивление Rt может быть уменьшено до 150 Ом.
Минимальная емкость времязадающего конденсатора Ct должна быть значительно больше изменений собственной емкости таймера в зависимости от напряжения на выводах 2, 6 и 7. Поскольку изменение входной емкости при перезарядки Ct не превышает нескольких пикофарад, не рекомендуется использовать Ct<100 пФ при формировании точных временных интервалов. Можно применять конденсаторы Ct сколь угодно большой емкости, если их ток утечки пренебрежимо мал. Фактически же чем выше емкость конденсатора, тем больше его ток утечки. Для нормальной работы таймера необходимо, чтобы ток утечки был меньше зарядного тока через резистор Rt. Для формирования точных временных интервалов ток утечки через Ct должен быть на два порядка меньше его зарядного тока.
Выходной усилитель таймера работает в режиме класса АВ, вследствие чего на переходной характеристике возникает «полка» длительностью 10 – 20 нс при напряжении 1,5 В. Если таймер нагружен на быстродействующие ТТЛ-схемы, то наличие такой «полки» не допустимо, так как она находится в их пороговой области и может вызвать ложное срабатывание. Чтобы выровнять линию переходного процесса, необходимо выход таймера зашунтировать конденсатором емкостью около 100 пФ.
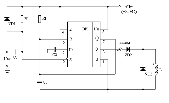
Основная схема включения таймера для работы в режиме одновибратора приведена на рис. 2.
Работает такой одновибратор следующим образом. При положительном входном напряжении, большем Uп/3, RS-триггер таймера удерживает внутренний транзистор VT1 насыщенным и напряжение на времязадающим конденсаторе Ct близко к нулю. Поэтому и выходное напряжение близко к нулю (U3=0,1 В). При подаче на триггерный вход напряжения меньше Uп/3 компаратор К1 в таймере переключает RS-триггер, транзистор VT1 закрывается, напряжение на Ct экспоненциально нарастает, стремясь к своему максимальному значению, равному Uп, и на выходе устанавливается напряжение U3Uп. Скорость нарастания напряжения Uc на времязадающем конденсаторе Ct определяется постоянной времени цепи RtCt. Значение U3=Uп сохраняется в течение времени увеличения Uc до 2Uп/3. В момент, когда выполняется равенство Uc(t)=2Uп/3, в таймере переключается в исходное состояние RS-триггер, транзистор VT1 насыщается, разряжая конденсатор Ct, и, как в исходном состоянии, Uc0,1 В. Низкий уровень выходного напряжения таймера сохранится до тех пор, пока на триггерный вход вновь не поступит импульс, изменяющий напряжение на выводе 2 от Uп до Uп/3. На положительный перепад входного напряжения от 0 до Uп одновибратор не реагирует. Однако если на отрицательный перепад напряжения от Uп до 0 поступит на триггерный вход таймера в период увеличения Uc от 0 до Uп/3, то таймер также его не воспримет.
В то же время конденсатор Ct будет мгновенно (за время меньше 50 нс) разряжен независимо от величины Uc, если в цепь сброса таймера (вывод 4) подать напряжение меньше 0,4 В. Если цепь сброса не используется для управления работой одновибратора, то вывод 4 следует подключить к шине питания для уменьшения влияния внешних помех.
Рис. 2. Принципиальная схема одновибратора на таймере КВ1006ВИ1.
Время задержки tз, в течение которого на выходе таймера сохраняется высокий уровень напряжения (около Uп), вычисляется из уравнения
Uc(t)=Uп[1-exp(-t/RtCt)]
которое справедливо при условии, что Uc(t=0)=0 при насыщенном транзисторе VT1. Принимая за время задержки tз такое время, за которое напряжение на конденсаторе возрастает до величины Uc(tз)= 2Uп/3, находим его
tз=1,1RtCt
Время tз практически не зависит от напряжения питания Uп при его изменении в диапазоне 5 – 15 В, так как пороговые напряжения Uн и Uв внутренних компараторов таймера пропорциональны значению Uп.
При расчете одновибратора на таймере следует учитывать, что низкий уровень напряжения запуска на выводе 2 не должен сохраняться дольше времени 1,1RtCt. Нарушение этого условия приводит к тому, что через время tз таймер начинает генерировать импульсы произвольной формы. Связано это тем, что внутренние компараторы таймера не равносильны по своему воздействию на триггер. Компаратор К1, управляемый по выводу 2, обладает приоритетом при установлении состояния триггера. Компаратор К2 может управлять триггером только тогда, когда на вывод 2 подано высокое напряжение. Если необходимо управлять одновибраторм с помощью импульсов длительностью больше 1,1RtCt, то эти импульсы следует подавать через дифференцирующую R1C1-цепь, как показано на рис.2. Диод VD1 ограничивает положительную амплитуду напряжения на выводе 2 на уровне Uп+Uд, где Uд – прямое падение напряжения на диоде.
Для формирования длительных временных интервалов при работе одновибратора в аппаратуре с высоким уровнем помех необходимо шунтировать вывод 5 конденсатором (если этот вывод не используется для управления работой таймера). Емкость шунтирующего конденсатора должна быть равна 0,01 – 0.1 мкФ. Нецелесообразно устанавливать шунтирующие конденсаторы емкостью больше 0,1 мкФ, поскольку это увеличивает чувствительность пороговых напряжений к низкочастотным нестабильностям напряжения Uп.
Е
сли таймер используется для управления электромагнитным реле, то необходимо подключить реле к выходу таймера через диод VD2 (рис. 2). При положительном выходном напряжении таймера в катушке реле накапливается энергия в виде магнитного поля. По окончанию импульса ток резко обрывается, что соответственно вызывает ЭДС самоиндукции величиной значительно больше, чем Uп. Вследствие этого на выходе таймера появляется импульс отрицательного напряжения, который может вывести таймер из строя. Для предотвращения данного эффекта катушка реле шунтируется диодом VD3, который ограничивает амплитуду напряжения импульса самоиндукции на уровне 0,7 В.
Характеристики
Тип файла документ
Документы такого типа открываются такими программами, как Microsoft Office Word на компьютерах Windows, Apple Pages на компьютерах Mac, Open Office - бесплатная альтернатива на различных платформах, в том числе Linux. Наиболее простым и современным решением будут Google документы, так как открываются онлайн без скачивания прямо в браузере на любой платформе. Существуют российские качественные аналоги, например от Яндекса.
Будьте внимательны на мобильных устройствах, так как там используются упрощённый функционал даже в официальном приложении от Microsoft, поэтому для просмотра скачивайте PDF-версию. А если нужно редактировать файл, то используйте оригинальный файл.
Файлы такого типа обычно разбиты на страницы, а текст может быть форматированным (жирный, курсив, выбор шрифта, таблицы и т.п.), а также в него можно добавлять изображения. Формат идеально подходит для рефератов, докладов и РПЗ курсовых проектов, которые необходимо распечатать. Кстати перед печатью также сохраняйте файл в PDF, так как принтер может начудить со шрифтами.















