RC-генератор-1 (1075473)
Текст из файла
Sozinov B.L. стр. 16 2.7.2019
RC – генератор с мостом Вина-Робинсона.
Любой автогенератор представляет собой замкнутую систему, состоящую из усилителя, охваченного цепью положительной обратной связи.
Р
ис. 1. Блок-схема автогенератора.
Kuo – коэффициент усиления усилителя,
Kum – коэффициент передачи цепи положительной обратной связи.
Первоначально рассмотрим качественно процессы, происходящие в автогенераторе. Причиной возникновения автоколебаний являются флюктуации, всегда имеющие место в реальных схемах. Так ток, протекающий через активный элемент, флюктуирует из-за дробового эффекта, флюктуирует токораспределение в активных элементах и появляются слабые колебания напряжений на резисторах из-за хаотического движения свободных носителей зарядов и т. д. Спектр этих колебаний близок по характеру к белому шуму, т.е. содержит компоненты практически любых частот.
Предположим, что на входе усилителя из-за флюктуаций появилось напряжение Uвх`. Соответственно появится напряжение на выходе усилителя, которое равно
Uвых`=Uвх`*Kuo, (1)
где Kuo=Kuo(f)*exp[i*uo(f)] – коэффициент усиления усилителя. Модуль Kuo(f) коэффициента усиления показывает увеличение амплитуды усиливаемого напряжения на частоте f, а uo(f) указывает на сдвиг фазы выходного сигнала относительно фазы входного на частоте f. Часть выходного напряжения усилителя через цепь обратной связи возвращается на вход, и она равна
Uвх``=Uвых``*Kum, (2)
где Kum=Kum(f)*exp[i*um(f)] – коэффициент передачи цепи обратной связи. Здесь Kum(f) модуль коэффициента передачи цепи обратной связи, показывающий как изменяется амплитуда передаваемого напряжения на частоте f, а uo(f) показывает на фазовый сдвиг выходного напряжения цепи обратной связи относительно входного.
Если какая-то компонента Uвх`` окажется в фазе с первоначальной компонентой Uвх` той же частоты, то она будет нарастать с наибольшей скоростью. Процесс нарастания амплитуды напряжения генерации наблюдается, если коэффициент передачи напряжения по замкнутой цепи генератора больше единицы: К>1. Представляя последний в виде произведения коэффициента усиления усилителя Kuo и коэффициента передачи цепи обратной связи Kum, получим условие возникновения колебаний в автогенераторе:
Kuo*Kum>1. (3)
В стационарном режиме генерации амплитуды напряжений в любой точке автогенератора остаются неизменными во времени. В этом случаи коэффициент передачи напряжения по замкнутой цепи должен быть равен единице, что соответствует
Kuo*Kum=1. (4)
Автоматический переход от условия возникновения генерации (3) к условию режима стационарной генерации (4) возможен, если усилитель или цепь обратной связи являются нелинейными устройствами, т. е. их коэффициент передачи зависит от передаваемого напряжения.
Так как коэффициент усиления и коэффициент передачи являются комплексными величинами, то (3) и (4) можно заменить на два уравнения. Одно из них записывается относительно модулей коэффициентов и называют балансом амплитуд
Kuo*Kum1, (5),
второе относительно фаз и называют балансом фаз
uo+um=2**n, (6),
где n – любое целое число. Если в автогенераторе баланс фаз (6) выполняется только на одной частоте, то он генерирует напряжение гармонической формы на данной частоте. Из уравнения баланса амплитуд (5) определяются условия возникновения генерации и амплитуда напряжения в стационарном режиме, а из баланса фаз – частота генерации.
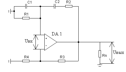
В автогенераторах гармонического сигнала используются резонансные усилители с колебательными контурами или узкополосные усилители с частотозависимыми цепями обратной связи. Такие цепи образуются на основе различных типов соединений резисторов и конденсаторов. Одним из примеров такого автогенератора является RC-генератора с мостом Вина-Робинсона, принципиальная схема которого приведена на рис. 2.
Рис. 2. Принципиальная схема RC-генератора с мостом Вина-Робинсона.
В данном автогенераторе применен широкополосный операционный усилитель DA.1, у которого в линейном режиме выходное напряжение Uвых связано с входным Uвх через коэффициент усиления Kuo операционного усилителя:
Uвых=Kuo*Uвх, (7)
Часть выходного напряжения Uвых возвращается через цепь обратной связи на вход ОУ, и она определяется коэффициентом передачи Kum моста Вина-Робинсона
Uвх=Kum*Uвых. (8)
Амплитуда и фаза возвращаемого напряжения Uвх зависит от частоты, поскольку коэффициент передачи Kum моста является частотозависимой функцией. Выходное (Uвх) и входное (Uвых) напряжения моста Вина-Робинсона находятся в фазе только на квазирезонансной частоте fo, которая равна
(9).
Так как ОУ имеет широкую полосу усиления, то фаза его выходного напряжения Uвых совпадает с фазой входного Uвх. Поэтому в данном генераторе баланс фаз выполняется только на квазирезонансной частоте fo, что и определяет частоту генерации fг=fo.
В автогенераторе можно использовать только неуравновешенные мосты Вина Робинсона, так как у уравновешенных мостов коэффициент передачи на квазирезонансной частоте fo равен нулю и выполнить баланс амплитуд невозможно. Коэффициент передачи неуравновешенного моста Вина-Робинсона на квазирезонансной частоте fo определяется его разбалансом [1]. Так, например, для моста, у которого сопротивление R3 отличается от R3o, при котором мост уравновешен (R3o=2*R4), коэффициент передачи на квазирезонансной частоте Kum(fo) равен
Kum(fo) (2/9)*, (10)
где – относительное отклонение сопротивления R3=R3o*(1+) (в дальнейшем примем в качестве оценки разбаланса моста Вина-Робинсона).
Исходя из баланса амплитуд (5), разбаланс моста Вина-Робинсона определяет требования к коэффициенту усиления Kuo ОУ, который с учетом (10) должен быть
Kuo > 1/Kum=9/(2*). (11)
С уменьшением разбаланса моста () требуются ОУ с более высоким коэффициентом усиления Однако малый разбаланс моста Вина-Робинсона способствует генерации более чистого и стабильного гармонического сигнала. Как известно [1], мосты с малым имеют фазо-частотную характеристику с большой крутизной в районе квазирезонансной частоты fo, что способствует повышению стабильности частоты генерации. Поясним это на примере.
Р
ис.3. Фазо-частотная характеристика неуравновешенного моста Вина-Робинсона.
___ - мост с =0.05, … -мост с =0.2, uo – фазовый сдвиг, получаемый в усилителе.
Пусть в силу каких-то дестабилизирующих причин напряжение при усилении в ОУ (допустим, из-за нарушения симметрии напряжений питания) получит фазовый сдвиг uo. Тогда согласно баланса фаз выходное напряжение ОУ, проходя через цепь обратной связи, получит дополнительный фазовый сдвиг равной величины, но противоположного знака. Поэтому генерация будет проходить не на квазирезонансной частоте fo, а на несколько иной, для которой выполняется баланс фаз. Непостоянство фазовых возмущений приводит к нестабильности частоты генерации. Отклонение частоты генерации f от квазирезонансной fo зависит от вида фазо-частотной характеристикой цепи обратной связи (рис.3): чем выше крутизна ФЧХ, тем меньше отличие частоты генерации от fo. Для повышения стабильности частоты генерации в автогенераторах используют узкополосные цепи обратной связи, обладающие высокой крутизной фазовой характеристики в районе квазирезонансной частоты. Поэтому для повышения стабильности частоты генерации лучше использовать в RC-генераторах неуравновешенные мосты Вина-Робинсона с минимально возможным разбалансом. Малый разбаланс моста не является препятствием по выбору ОУ, так как ОУ в интегральном исполнении имеют коэффициенты усиления равные десяткам – сотням тысяч и условие (11) легко выполняется.
В RC-генераторе с мостом Вина-Робинсона выход генерации на стационарный режим происходит за счет изменения режима усиления в ОУ с линейного на нелинейный, при котором коэффициент усиления уменьшается и выполняется условие (4). Уменьшение коэффициента усиления с ростом амплитуды напряжения объясняется эффектами насыщения или из-за ограничения скорости изменения выходного напряжения ОУ.
Баланс амплитуд (4) является основой для определения амплитуды генерируемого напряжения в стационарном режиме. Представим RC-генератор в виде замкнутой системы из неинвертирующего усилительного каскада на ОУ, охваченного цепью положительной обратной связи в виде моста Вина. Принципиальная схема такого автогенератора показана на рис.4.
Рис. 4. Принципиальная схема RС-генератора с мостом Вина на ОУ.
Примем, что линейный режим усиления в усилительном каскаде на ОУ ограничен эффектами насыщения. Для такого усилительного каскада передаточная характеристика Uвых=f(Uвх) представляется кусочно-ломанной линией, как показано на рис. 5. Напомним, что передаточная характеристика каскада связывает мгновенные значения входного и выходного напряжения.
Р
ис. 5. Передаточные характеристики неинвертирующего усилительного каскада на ОУ и моста Вина.
___ - передаточная характеристика усилительного каскада,
….. - передаточная характеристика моста Вина.
В линейном режиме усиления, при котором напряжение на выходе ОУ меньше по модулю максимально допустимого Uвых.max., коэффициент усиления Kuн неинвертирующего усилительного каскада равен
Kuн=1+R3/R4. (12)
Для входных напряжений по модулю больше напряжения Uвх1=Uвых.max/Kин выходное напряжение остается постоянной величины, равной Uвых.max.
Для моста Вина связь между Uвх и Uвых линейна, т.е. не зависит от передаваемого напряжения. Коэффициент передачи моста Вина на квазирезонансной частоте Kum(fo) определяется параметрами своих элементов [1]. В частном случаи, когда в мосте используются равные резисторы (R1=R2) и конденсаторы (C1=C2), он равен
Kum(fo)=Uвх/Uвых=1/3. (13)
Так как неинвертирующий усилительный каскад и моста Вина являются частью генератора, то напряжения Uвх и Uвых должны одновременно удовлетворять как передаточной характеристики усилителя, так передаточной характеристики моста Вина. Это выполняется только при определенных напряжениях Um.вх и Uвых,max, которые являются координатами общих точек передаточных характеристик (т.А и т.Б на рис. 5). Определенные таким способом напряжения Um.вх и Uвых,max соответствуют амплитудам входного и выходного напряжений. Как следует из рис. 5, для реализации стационарного режима линейный коэффициент усиления неинвертирующего усилительного каскада должен быть больше 3-х. Чтобы иметь общую точку, например т.А, передаточная характеристика усилителя должна располагаться над передаточной характеристикой моста Вина. К сожалению, общие точки (т.А и т.Б) располагаются в области нелинейного усиления усилителя. Начиная с входного напряжения Uвх1, выходное напряжение усилителя остается постоянным из-за эффекта насыщения, а поэтому амплитуда напряжения получает отсечку. Задаваясь гармоническим входным напряжением с амплитудой Um.вх., соответствующей т.А, можно получить формы выходного напряжения при различных коэффициентах усиления Kuн, используя передаточные характеристики усилителя. Несколько таких примеров приведены на рис. 6.
Р
ис. 6. Формы генерируемого напряжения при различных коэффициентах усиления Kuн неинвертирующего усилительного каскада.
Приведенные на рис. 6 примеры показывают, что RC-генератора с мостом Вина-Робинсона не генерирует чисто гармонический сигнал. Его выходное напряжение представляет собой часть синусоиды, у которой с напряжения равного максимальному допустимому напряжению Uвых.max. ОУ начинается отсечка. Такие искажения принято оценивать углом отсечки =*t, показывающего половину части периода, когда мгновенное напряжение остается на постоянном уровне. Из рис. 5 и 6 следует, что с ростом линейного коэффициента усиления Kuн возрастает угол отсечки выходного напряжения и искажения возрастают.
Т
ак как при любом коэффициенте усиления Kuн усилителя выходное напряжение остается периодической функцией, то его можно разложить в ряд Фурье. По составляющим ряда Фурье можно оценить высшие гармоники в генерируемом напряжении и сравнить их с основной. Качество генерируемого гармоническим автогенератором сигнала оценивают коэффициентом гармоник Kn, под которым понимают
(14)
где Um1 – амплитуда первой гармоники генерируемого напряжения, Umk – амплитуда k – гармоники. На рис. 7 представлена зависимость коэффициента гармоник выходного напряжения RC- генератора с мостом Вина-Робинсона от линейного коэффициента усиления усилителя, полученная с помощью программы Mathcad.
Характеристики
Тип файла документ
Документы такого типа открываются такими программами, как Microsoft Office Word на компьютерах Windows, Apple Pages на компьютерах Mac, Open Office - бесплатная альтернатива на различных платформах, в том числе Linux. Наиболее простым и современным решением будут Google документы, так как открываются онлайн без скачивания прямо в браузере на любой платформе. Существуют российские качественные аналоги, например от Яндекса.
Будьте внимательны на мобильных устройствах, так как там используются упрощённый функционал даже в официальном приложении от Microsoft, поэтому для просмотра скачивайте PDF-версию. А если нужно редактировать файл, то используйте оригинальный файл.
Файлы такого типа обычно разбиты на страницы, а текст может быть форматированным (жирный, курсив, выбор шрифта, таблицы и т.п.), а также в него можно добавлять изображения. Формат идеально подходит для рефератов, докладов и РПЗ курсовых проектов, которые необходимо распечатать. Кстати перед печатью также сохраняйте файл в PDF, так как принтер может начудить со шрифтами.














