ЭМПТ ч.2 МУ к ЛР № 1 (1075470), страница 2
Текст из файла (страница 2)
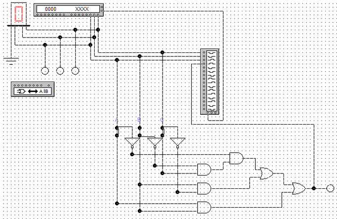
Логический преобразователь (Logic Converter).
Внешний вид логического преобразователя показан на рис. 1.12. На лицевой панели преобразователя показаны клеммы-индикаторы входов А, В,..., Н и одного выхода OUT, экран для отображения таблицы истинности исследуемой схемы, экран-строка для отображения ее булева выражения (в нижней части). В правой части панели расположены кнопки управления процессом преобразования (CONVERSIONS). Возможные варианты использования преобразователя:
1. Логический анализ 8-входового устройства с одним выходом (входы исследуемого устройства подключаются к клеммам А... Н, а выход ‑ к клемме OUT). В этом случае, используя кнопки управления, получим:
1.1. ‑ таблицу истинности исследуемого устройства;
1.2. ‑ булево выражение, реализуемое устройством;
1.3. ‑ минимизированное булево выражение;
1.4. ‑ схему устройства на логических элементах без ограничения их типа;
1.5. ‑ схему устройства только на логических элементах И-НЕ.
2. Синтез логического устройства по таблице истинности.
2.1. Щелчком мыши по входным клеммам А, В,..., Н, начиная с клеммы А, активизируем мышью требуемое число входов анализатора (на рис. 1.12 показаны активными входы А, В и С), в результате чего на экране анализатора получим начальную таблицу истинности, в которой будут представлены все возможные комбинации входных сигналов и соответствующие им значения логических сигналов (О или 1) в столбце OUT.
2.2. Отредактируем полученную таблицу в соответствии с заданием путем записи 1, О или Х в столбце OUT в строках, которые по комбинациям входных сигналов соответствуют заданным. Пусть, например, в седьмой строке при комбинации входных сигналов 110 (см. рис. 1.12) нужно на выходе получить не 0, а 1. Для этого ставим курсор мыши на пятую строку в столбце OUT, производим щелчок и на клавиатуре вводим 1. Дальнейшие перемещения с целью редактирования остальных строк столбца OUT удобнее производить с помощью клавиш управления курсором. При этом данные в столбцах А, В и С редактирования не требуют, поскольку в этих столбцах уже имеются все возможные комбинации.
Рис. 1.12. Лицевая панель логического преобразователя
Далее выполняем команды из п. 1, начиная с п.п. 1.2.
3. Синтез логического устройства по булеву выражению.
3.1. Булево выражение заносится в экран-строку, предварительно активизируя там мышью курсор. Используются символы А...Н, при инверсии — А\..Н\ .
3.2. Нажимая кнопку,
получаем таблицу истинности.
Далее выполняем команды п. 1, начиная с п.п. 1.3.
Схема №4.
Цифровые микросхемы.
В зависимости от технологии изготовления интегральные микросхемы (ИМС) подразделяются на серии (семейства), различающиеся физическими параметрами базовых элементов и их функциональным назначением. Наибольшее распространение получили ИМС, изготовляемые по ТТЛ - и КМОП-технологиям. (ТТЛ — транзисторно-транзисторная логика с использованием биполярных транзисторов, КМОП — с использованием комплементарных МОП-транзисторов).
Первой была выпущена ТТЛ-серия SN74/SN54 (74 — коммерческая, 54 — для военных применений). Отечественным аналогом серии SN74 стала популярная в свое время серия 155.
В библиотеке программы EWB используется только серия SN74. Редактирование параметров отдельных ИМС, к сожалению, невозможно.
7400 155ЛАЗ 4 элемента 2И-НЕ (цифра 2 означает 2-входовой).
Рисунок 1.14 – Сигналы на экране осциллографа
















