U-OE1 (1075442)
Текст из файла
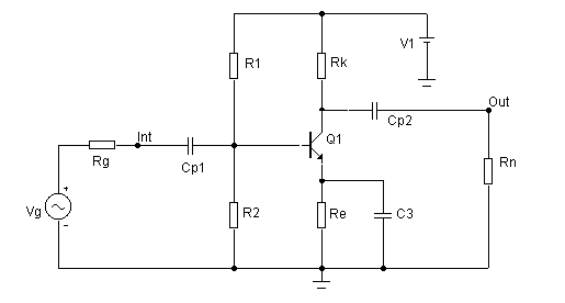
К выбору точки покоя усилительного каскада по схеме ОЭ.
Принципиальная схема усилительного каскада представлена на рис. 1.
Р
ис. 1. Принципиальная схема усилительного каскада по схеме ОЭ.
Для проведения анализа данного усилительного каскада составим его эквивалентную схему для области средних частот, т.е. для таких частот усиливаемого сигнала, для которых можно принять, что сопротивление конденсаторов Ср1, Ср2 и С3 равно нулю, а транзистор Q1 можно рассматривать как безинерционный элемент. При составлении эквивалентной схемы будем учитывать, что оба вывода источника питания V1 для переменного напряжения эквидистанты. Поэтому при составлении эквивалентной схемы вместо резисторов R1 и R2 делителя напряжения можно ввести один резистор Rb, величина которого определяется из условия параллельного соединения R1 и R2. Нагрузкой Rkn транзистора по переменному току также является параллельное соединение двух резисторов Rk и Rn. Вместо транзистора используем его физическую эквивалентную схему.
Р
ис. 2. Эквивалентная схема усилительного каскада по схеме ОЭ для области средних частот.
На рис. 2 транзистор представлен в виде Т-образного соединения, где между выводом базы В и внутренней точкой базы B' стоит резистор rb, учитывающий объемное сопротивление базовой области, между внутренней точкой базы B' и выводом эмиттера Е - дифференциальное сопротивление re эмиттерного перехода, между внутренней точкой базы B' и выводом коллектора С - параллельное соединение выходного дифференциального сопротивления rce транзистора в схеме ОЭ и упрвляемого генератора тока b*Ib (здесь b - коэффициент усиления тока в схеме ОЭ, т.е. параметр h21э, Ib - переменная компонента тока вазы, Ic -переменная компонента тока коллектора, Ie - переменная компонента тока эмиттера). Преобразуем данную эквивалентную схему к виду, представленному на рис. 3.
Р
ис. 3. Упрощенная эквивалентная схема усилительного каскада по схеме ОЭ для области средних частот.
Обе схемы эквивалентны, если в них одинаковы токи транзистора. По схеме рис. 2, принимая во внимание, что сопротивление эмиттерного перехода мало (re<<rb, rb<<rce), ток коллектора Ic равен
Ic=(b*Ib)*rce/(rce+Rcn) (1),
а по рис. 3 он равен
Ic=be*Ib (2).
Из условия равенства тока коллектора Ic в обоих схемах определяем эквивалентный коэффициент усиления тока транзистор be:
be= [rce/(rce+Rcn)]*b (3),
который в отличии от b зависит от сопротивления нагрузки Rсn усилительного каскада по переменному току. С ростом Rcn эквивалентный коэффициент усиления по току be уменьшается и для его приближения к b нагрузка каскада Rcn должна выбираться меньше выходного сопротивления транзистора rce.
Входное сопротивление Rint каскада (между точкой Int и общим проводом, т.е. куда подключается генератор сигнала V1 с внутренним сопротивлением Rg) согласно рис. 3 определяется как параллельное соединение Rb и входного сопротивления транзистора r(int). Согласно закона Ома входное сопротивление транзистора r(int) определяется как
r(int)=U(Int)/Ib (4).
Таким образом, входное сопротивление каскада Rint, которое является нагрузкой для источника сигнала, определяется как
Rint=[Rb*r(int)]/[Rb+r(int)] (5).
Для получения высокого входного сопротивления Rint сопротивления R1 и R2 должны быть высокоомными (Rb>r(int)), а с точки зрения обеспечения стабильности точки покоя, наоборот, их следовало брать низкоомными (ток делителя Id должен быть больше тока покоя базы Ibo). На практике между двумя противоречивыми требованиями ищется компромис, который состоит в ограничении выбора тока делителя Id при расчете сопротивлений R1 и R2 (ток делителя Id практически никогда не берут больше, чем 10*Ibo).
Входное напряжение U(Int) равно сумме падений напряжений на резисторе rb и резисторе re, где по rb протекает ток базы Ib, а по re - ток эмиттера Ie. Ток эмиттера и ток базы в схеме на рис. 3 связаны соотношением
Ie=(be+1)*Ib (6).
Поэтому входное сопротивление транзистора равно
r(int)=rb+(be+1)*re (7).
Современные транзисторы характеризуются высоким коэффициентом усиления по току (b>50-100) и имеют относительно небольшие объемные сопротивления базовой области (rb< 150 Ом). Сопротивление эмиттерного перехода re зависит от постоянной составляющей эмиттерного тока Ieo и определяется как
re=25 [мВ] / Ieo [мА] (8).
Поэтому для оценки входное сопротивление транзистора можно использовать соотношение
r(int)=b*re (9).
По схеме на рис. 3 выходное напряжение каскада U(Out) по закону Ома равно
U(Out)=be*Ib*Rcn (10),
а входное напряжение через ток базы
U(Int)=Ib*r(int) (11).
Отсюда коэффициент усиления каскада по напряжению Ku, определяемый как отношение U(Out) к U(Int), равен
Ku=be*Rcn/r(int) (12).
Для транзисторов с высоким b и при Rcn<rce c учетом соотношений (8) и (9) коэффициент усиления по напряжению Ku можно определить как
Ku=Rcn[Ом]*Ieo[мА]/25[мВ] (13),
т.е. с ростом постоянной составляющей эмиттерного тока Ieo коэффициент усиления по напряжению Ku каскада увеличивается.
Однако более объективным показателем усиления является сквозной коэффициент усиления каскада Ke, определяемый как отношение выходного напряжения U(Out) к э.д.с. источника сигнала Eg. Его можно представить как
Ke=U(Out)/Eg=[U(Out)/U(Int)]*[U(Int)/Eg] (14).
Первая квадратная скобка представляет собой коэффициент усиления каскада по напряжению Ku, вторая квадратная скобка - коэффициент передачи входной цепи K(Int) каскада. Для определения коэффициента передачи K(Int) входную цепь усилительного каскада представим через последовательное соединение внутреннего сопротивления Rg источника сигнала и входного сопротивление R(Int) усилительного каскада, как показано на рис. 4.
Р
ис. 4. Эквивалентная схема входной цепи усилительного каскада.
Из эквивалентной схемы входной цепи усилительного каскада следует, что коэффициент передачи входной цепи K(Int) равен
K(Int)=Rint/(Rg+Rint) (15).
Для того, чтобы сквозной коэффициент усиления Ke приближался бы к коэффициенту усиления по напряжению Ku необходимо стремиться получить как можно ближе к 1коэффициент передачи входной цепи K(Int). Для этого необходимо в каскаде выбрать такой постоянный ток эмиттера Ieo, от которого зависит входное сопротивление r(int) транзистора, чтобы выполнялось условие
Rint>Rg (16).
Для выполнения условия (16) постоянный ток эмиттера усилительного каскада желательно выбирать как можно меньшей величины, однако при этом одновременно снижается коэффициент усиления Ku каскада по напряжению. Ниже рассмотрим пути поиска компромиссного решения из условия получения максимального сквозного коэффициента усиления Ke.
Для определения выходного сопротивления каскада, т. е. внутреннего сопротивления схемы на зажимах, к которым подсоединяется сопротивление нагрузки Rn, представим выходную цепь, как показано на рис. 5.
Р
ис. 5. Выходная цепь усилительного каскада.
Если принять, что параметры генератора тока be*Ib не зависят от сопротивления и учесть, что сопротивление эмиттерного перехода re значительно меньше Rk, то выходное сопротивление каскада r(Out) равно
r(Out)=Rk (17).
Однако при не выполнении неравенства Rkn<rce величина эффективного коэффициента согласно (3) зависит от сопротивлений нагрузки каскада по переменному напряжению Rkn, т.е. от сопротивления нагрузки Rn. Поэтому более точный ответ получим, рассматривая выходную цепь каскада согласно рис. 6.
Р
ис. 6. Эквивалентная схема выходной цепи усилительного каскада.
Из данной схемы видно, что к сопротивлению в коллекторной цепи Rk подсоединено параллельно выходное сопротивление транзистора rce, учитывая, что re<<Rk. Отсюда следует, что выходное сопротивление усилительного каскада по схеме ОЭ равно
r(Out)=(rce*Rk)/(rce+Rk) (18).
Напомним, что выходное сопротивление rce транзистора в схеме ОЭ зависит от постоянного тока коллектора Iсо и определяется через напряжение Эрли Uer
rce=Uer/Ico (19).
Полученные выше соотношения позволяют проанализировать зависимость сквозного коэффициента усиления Ke каскада от параметров транзистора, выбора тока эмиттера транзистора Ieo в режиме покоя, выходного сопротивления Rg источника сигнала и сопротивления нагрузки каскада по переменному току Rkn.
Для определения уровней напряжений входного сигнала, при которых транзистор работает в активном режиме, т.е. усиление проходит с минимальными искажениями, необходимо рассмотреть движение координаты (Ic и Uce) рабочей точки усиления. Для этого предварительно необходимо в системе координат Ic – Uce построить нагрузочную прямую усилительного каскада по постоянному току. Для выходной цепи усилительного каскада, представленного на рис. 1, согласно закону Кирхгофа, можно записать
V1=Ic*Rk+Uce+IeRe (20).
Учитывая, что современные транзисторы имеют b>>1, то приближенно можно принять, что
Ic=Ie и уравнение (20) переписать в виде
V1=Ic*(Rk+Re)+Uce (21).
В этом уравнении два неизвестных: Ic и Uce, а сопротивления Rk, Re и напряжение источника питания V1 являются параметрами уравнения. Для однозначного ответа, каким будет постоянный ток коллектора Ico и постоянное напряжение между коллектором и эмиттером Uceo, необходимо второе уравнение, связывающее ток коллектора Ic и напряжение Uce. Таким уравнением является одна из характеристик семейства выходных характеристик транзистора, каждая из которых соответствует некоторой постоянной величине тока базы Ib. Последнее уравнение является явно нелинейным, а поэтому в инженерной практике данную систему у ранений решают, как правило, графическим способом. Для этого на семействе выходных характеристик транзистора строят нагрузочную прямую по постоянному току согласно уравнению (21). Как и любую прямую, ее можно построить по двум точкам, которые выбирают с координатами: точка 1 – Ic1=0, тогда Uce1=V1 и точка 2 – Uce2=0, тогда Ic2= V1/(Rk+Re). Отметим, что угол наклона нагрузочной прямой по постоянному току относительно вертикальной линии определяется суммарным сопротивлением (Rk+Re). Пример построения нагрузочной прямой по постоянному току совместно с выходными характеристиками транзистора показан на рис. 7.
Р
ис. 7. Семейство выходных характеристик транзистора и нагрузочная прямая по постоянному току.
В зависимости от выбора постоянного тока базы Ibo определяются координаты точки покоя транзистора Ico и Uceo.
При усилении сигналы электродвижущей силой в выходной цепи транзистора является сам транзистор. Именно в нем под воздействием входного напряжения происходит преобразование энергии источника напряжения V1 в энергию переменного тока коллектора Ic, который на сопротивлении по переменному току выходной цепи Rkn создает переменное выходное напряжение. Для переменного тока выходную цепь транзистора в области средних частот, когда сопротивление конденсатора Се можно принять равным нулю, можно представить в виде схемы, представленной на рис. 8.
Р
ис. 8. Эквивалентная выходная цепь усилительного каскада для области средних частот.
Из эквивалентной схемы выходной цепи согласно закону Кирхгофа следует, что переменные компоненты напряжения коллектор – эмиттер Uce и тока коллектора Ic связаны уравнение
Uce = -Ic*Rkn (22).
Данное уравнение является нагрузочной прямой для переменных составляющих тока коллектора Ic и напряжения между коллектором и эмиттером Uce. Точка покоя усилительного каскада с координатами Ico, Uceo также принадлежит нагрузочной прямой по переменному току, как частный случай, когда переменные компоненты тока Ic=0 и напряжения Uce=0. Поэтому нагрузочную прямую по переменному току выходной цепи каскада можно построить по известной ее одной точки (точки покоя - Ico, Uceo) и углу наклона, определяемого согласно (22) сопротивлением Rkn. Так как сопротивление Rkn<(Rk+Re), То нагрузочная прямая по переменному току имеет угол наклона относительно вертикали более крутой, чем нагрузочная прямая по постоянному току. Пример построения нагрузочных прямых по постоянному и переменному току представлен на рис. 9.
Р
ис. 9. Расположение нагрузочных прямых на семействе выходных характеристик транзистора
Характеристики
Тип файла документ
Документы такого типа открываются такими программами, как Microsoft Office Word на компьютерах Windows, Apple Pages на компьютерах Mac, Open Office - бесплатная альтернатива на различных платформах, в том числе Linux. Наиболее простым и современным решением будут Google документы, так как открываются онлайн без скачивания прямо в браузере на любой платформе. Существуют российские качественные аналоги, например от Яндекса.
Будьте внимательны на мобильных устройствах, так как там используются упрощённый функционал даже в официальном приложении от Microsoft, поэтому для просмотра скачивайте PDF-версию. А если нужно редактировать файл, то используйте оригинальный файл.
Файлы такого типа обычно разбиты на страницы, а текст может быть форматированным (жирный, курсив, выбор шрифта, таблицы и т.п.), а также в него можно добавлять изображения. Формат идеально подходит для рефератов, докладов и РПЗ курсовых проектов, которые необходимо распечатать. Кстати перед печатью также сохраняйте файл в PDF, так как принтер может начудить со шрифтами.















