Семинар-7 (1075440)
Текст из файла
С
еминар 7.
А. Метод фиксированного тока.
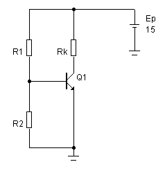
Рис. 1. Схема с фиксированным входным током.
Заданно:
А) тип транзистора (см. номер варианта в семинаре 4)
Б) напряжение питания Ер=15 В.
В) ток насыщения коллекторной цепи Iк.н=0.1*Iк.макс. (Iк.макс -справочная величина)
Г) выходной ток в точке покоя Iко=0.5*Iк.н
Определите величины резисторов схемы.
Пример. Пусть задан транзистор КТ315А, для которого допустимый максимальный ток коллектора равен Iк.макс =100 мА. Поэтому в заданной схеме Iк.н=0.1*100 мА=10 мА. Ток насыщения коллекторной цепи определяется напряжением питания Ер и резистором Rк
Iк.н=Ер/Rк
Отсюда определяем сопротивление Rк
Rк=Ер/Iк.н=15 В / 10 мА = 1.5 кОм.
В точке покоя ток коллектора должен быть равен
Iк.о.=0.5* Iк.н.=0.5*10 мА =5 мА
Для получения заданного коллекторного тока необходим ток базы Iб.о, равный
Iб.о.= Iк.о./h21э,
где коэффициент передачи тока h21э определяется выбранным типом транзистора (см. семинар 6). Для транзистора КТ315А при токе Iк.о=1 мА h21э =50. Отсюда следует, что в базовой цепи необходимо получить ток
Iб.о=Iк.о./ h21э =5 мА/58.5=85 мкА
Согласно схемы ток базы приближено равен
Iб.о=Ер/Rb.
Отсюда находим сопротивление в базовой цепи
Rb=Ер/Iб.о.=15 B / 85 мкА = 170 кОм.
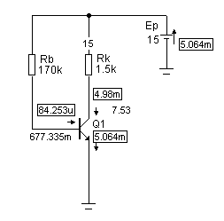
После определения величин сопротивлений наберем данную схему на рабочем поле МС7 и проведем в ней расчет по постоянному току (Dynamic DC). Результаты расчета представлены на рис. 2.
Р
ис. 2. Карта напряжений и токов схемы с фиксированным током базы.
Cсравнивая результаты аналитического расчета с численным, можно сделать вывод о правомерности использования приближенного аналитического метода расчета параметров схемы.
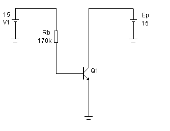
Для выяснения влияния температуры на координаты точки покоя на рабочем поле наберем схему, представленную на рис. 3.
Р
ис. 3. Схема для исследования влияния температуры на координату точки покоя.
После набора схемы используем тип анализа DC… В качестве независимой переменной является напряжение источника Ер, а его функцией ток коллектора транзистора Ic(Q1). В результате получаем выходную характеристику при постоянном заданном токе базы (от источника V1). На этом же графике одновременно построим нагрузочную прямую по постоянному току для выходной цепи схемы, представленной на рис. 1
Ер=Ik*Rк+Uкэ
Анализ проведем для двух температур окружающей среды: Т=27оС, Т=47оС. Точка пересечения выходной характеристики с нагрузочной прямой дает координаты точки покоя для схемы, представленной на рис. 1. Пример задания параметров проведения анализа DC.. приведен на рис. 4.
Р
ис.4. Задание на приведение анализа расчета выходной характеристики для двух температур окружающей среды и построения нагрузочной прямой (Ер=15 В, Rк=1.5 кОм)
Результаты численного анализа представлены на рис. 5.
Р
ис. 5. Результаты численного расчета к определению влияния температуры на координаты точки покоя усилительного каскада.
Из полученных результатов следует, что в рассматриваемой схеме изменение температуры на 20оС приводит к уменьшению напряжения Uкэ.о. на 0.55 В и к увеличению тока Iк на 0.38 мА.
Транзисторы характеризуются большим разбросом коэффициета усиления по току h21э. Используя многовариантный (Steping) анализ DC..., где следует задаться изменение коэффициента усиления транзистора (параметр BF у транзистора Q1), можно оценить о влиянии разброса коэффициента усиления на координату точки покоя. Например, по справочнику для КТ315А дается h21э =20…90. Приведем в этом диапазоне анализ DC.. только для одной температуры Т=27оС (введите поправку в задание на проведения анализа DC..). Пример заполнения задания на проведения многовариантного анализа (Steрping) приведен на рис. 6.
Р
ис. 6. Задание на проведение многовариантного анализа DC.. с целью определения влияния коэффициента усиления транзистора на координату точки покоя.
Соответствующие результаты анализа показаны на рис. 7
Р
ис. 7. К влиянию коэффициента усиления транзистора на координату точки покоя усилительного каскада.
Представленный анализ показывает, что в усилительном каскаде по схеме рис. 1., координаты точки покоя сильно зависят от коэффициента усиления транзистора.
Б. Метод фиксированного напряжения.
Р
ис. 2-1. Схема с фиксированным напряжением на входе транзистора.
Условия работы транзистора сохраним как в предыдущей схеме. Поэтому резистор Rk в коллекторной цепи сохраняет свою величину. Ток Iд в делителе напряжения R1-R2 выберем на порядок больше, чем ток в базе, необходимый для получения заданного тока в коллекторной цепи (Iбо=85 мкА): Iд=1 мА. Так как ток делителя определяется как Iд=Ер/(R1+R2), то сумма сопротивлений равна
R1+R2=Ер/Iд=15 В / 1 мА =15 кОм.
Согласно входной характеристики транзистора для получения тока базы Iб=85 мкА необходимо подать напряжение между базой и эмиттером Uбэ=677 мВ. В данной схеме это напряжение получается на резисторе R2 делителя напряжения источника питания:
Uбэ=Ер*R2/(R1+R2)
Отсюда находим сопротивление R2^
R2=(Uбэ/Ер)*(R1+R2)=(0.68/15)*15 кОм = 0.68 кОм =680 Ом
Тогда сопротивление R1 равно
R1=(R1+R2)-R2=15-0.68=14.32 кОм.
С данными номиналами резисторов соберем на рабочем поле МС7 схему согласно рис. 2-1. После набора схемы проведем ее расчет по постоянному току (Dynamic DC..), результаты которого приведены на рис. 2-2.
Р
ис. 2.2. Результаты расчета по постоянному току схемы с фиксированным напряжением на входе.
Сравнивая аналитические результаты с численными, находим достаточно большую разницу из-за неточной установки напряжения на входе транзистора. Для выяснения влияния температуры или влияния коэффициента усиления необходимо набрать схему как показано на рис. 2-3 и провести анализ, как и в предыдущем случаи.
Р
ис.2-3. Схема для проведения анализа влияния температуры окружающей среды, разброса параметров транзистора на координаты точки покоя.
В. Эмиттерная стабилизация точки покоя.
Р
ис. 3-1. Усилительный каскад с эмиттерной стабилизацией точки покоя.
На резисторе R3 образуется сигнал отрицательной обратной связи. На практике задают падение напряжения на данном резисторе не более 20% от напряжения питания. Выберем
Uэ=0.1*Ер=0.1*15=1.5 В.
Так как по данному резистору протекает ток эмиттера, который практически равен току коллектора (в нашей схеме Iко=5 мА), то
R3= 1.5 B / 5 мА = 0.3 кОм
При использовании в схеме резистора R3 увеличивается напряжение на базе транзистора Uб, которое равно
Uб=Uбэ+UR3=0.7 + 1.5 = 2.2 B.
Поэтому при старом токе делителя, т.е при R1+R2=15kОм, сопротивление R2 должно быть равно
R2=(Uб/Ер)*(R1+R2)=(2.2/15)*15=2.2 кОм,
а сопротивление R1 равно
R1= (R1+R2)-R2=15-2.2=14.8 кОм
С данными резисторами следует набрать схему на рабочем поле МС7 и провести ее анализ, как и выше с двумя предыдущими случаями.
Характеристики
Тип файла документ
Документы такого типа открываются такими программами, как Microsoft Office Word на компьютерах Windows, Apple Pages на компьютерах Mac, Open Office - бесплатная альтернатива на различных платформах, в том числе Linux. Наиболее простым и современным решением будут Google документы, так как открываются онлайн без скачивания прямо в браузере на любой платформе. Существуют российские качественные аналоги, например от Яндекса.
Будьте внимательны на мобильных устройствах, так как там используются упрощённый функционал даже в официальном приложении от Microsoft, поэтому для просмотра скачивайте PDF-версию. А если нужно редактировать файл, то используйте оригинальный файл.
Файлы такого типа обычно разбиты на страницы, а текст может быть форматированным (жирный, курсив, выбор шрифта, таблицы и т.п.), а также в него можно добавлять изображения. Формат идеально подходит для рефератов, докладов и РПЗ курсовых проектов, которые необходимо распечатать. Кстати перед печатью также сохраняйте файл в PDF, так как принтер может начудить со шрифтами.















