Исследование регистров сдвига (МУ к ЛР №3) (1075399)
Текст из файла
ЛАБОРАТОРНАЯ РАБОТА№2.
ИССЛЕДОВАНИЕ РЕГИСТРОВ СДВИГА
Цель работы - изучение принципов построения регистров сдвига, способов преобразования параллельного кода в последовательный и обратно, макетирование регистров сдвига и их экспериментальное исследование.
В процессе самостоятельной подготовки к работе необходимо ознакомиться с теоретическими сведениями и подготовить расчетные и теоретические материалы, электрические функциональные схемы исследуемых регистров и временные диаграммы сигналов регистра сдвига. Перед началом работы предъявить преподавателю рабочие материалы для проверки и обсуждения. После выполнении работы каждый студент обязан представить преподавателю аккуратно оформленный отчет.
Продолжительность работы - 4 часа.
Теоретические сведения
Регистром называется операционный узел ЦВМ, предназначенный для ввода, хранения, преобразования и вывода двоичного слова или его части. Регистр состоит из запоминающих элементов (триггеров) и логических элементов, обеспечивающих выполнение следующих операций:
-
прием слова из другого регистра, сумматора, счетчика и т.п.,
-
передача слова в другой регистр, сумматор, счетчик и т.п.,
-
преобразование прямого кода в обратный и наоборот,
-
сдвиг слова влево или вправо на требуемое число разрядов,
-
преобразование последовательного кода в параллельный и обратно,
-
поразрядные логические операции (умножение, сложение, сложение по модулю 2).
По способу ввода и вывода информации различают регистры параллельные (регистры памяти), последовательные (регистры сдвига) и параллельно-последовательные. В параллельных регистрах ввод и вывод слова выполняется параллельным способом, т.е. все разряды слова передаются одновременно, каждый разряд по своей цепи. В регистрах сдвига разряды-слова передаются последовательно во времени, один разряд за другим, как при вводе, так и при выводе информации. В параллельно-последовательных регистрах ввод слова осуществляется параллельным способом, а вывод - последовательным или наоборот.
Рассмотрим схемы регистров различного назначения.
Параллельный регистр (рис.1) обеспечивает прием, хранение и передачу слова. Схема построена на триггерах RS-тапа и логических элементах И, И-ИЛИ. Входные логические элементы обеспечивают прием слова в момент прихода управляющего сигнала записи ("Зап."), выходные - передачу слова из регистра в прямом или обратном коде в зависимости от управляющего сигнала. Регистр имеет N информационных входов x1, x2, . . . xN выходов входов y1, y2, . . . yN и четыре входа для управляющих сигналов.
С
Рис. 1
помощью управляющего сигнала установки нуля ("Уст.0"), поступающего на R-входы триггеров, все триггеры устанавливают в нулевое состояние. Это состояние Q1 Q1… Q1= 00…0 сохраняется до тех пор, пока на входах регистре не появятся сигналы x1, x2, . . . xN и управляющий сигнал записи. При xi = 1 с приходом управляющего сигнала записи происходит переключение триггера i -го разряда в единичное состояние, при xi = 0 триггер остается в нулевом состоянии. Одновременное действие сигналов установки нуля и записи недопустимо, так над комбинация S = R = 1 на входах RS-триггера является запрещенной. Считывание информации из регистра осуществляется в прямом или обратном коде по сигналу выдачи прямого (ВПК) или обратного (ВОК) кода. Очевидно, что одновременное действие сигналов ВПК и ВОК запрещено. В каждом разряде рассматриваемого регистра прием и выдача информации осуществляются по одному каналу.Период работы такого регистра
T = (tЗД.Р,СР)ЛЭ + 2(tЗД.Р,)ТР + tСЧ ,
где (tЗД.Р,СР)ЛЭ - среднее время задержки распространения сигнала в логическом элементе И;
(tЗД.Р,)ТР - время задержки распространения сигнала в триггере, в качестве которого можно принять большее из времен задержек tзд.р01, tзд.р10 триггера;
tСЧ - время считывания информации из регистра.
Примечание. Если учитывать время перехода t01, t10 элемента из одного состояния в другое, то период следует увеличить на большую из величин t01, t10 .
В регистре, изображенном на рис.2, для записи используется парафазии код слова, т.е. одновременно прямой и обратный коды. Прием информации в регистр в этом случае осуществляется без предварительной установки его в нулевое состояние, т.е. за один такт. По сигналу записи триггер i-го разряда регистра устанавливается в состояние, соответствующее значению xi , независимо от предшествующего состояния триггера. Выдача информации из регистра происходит также в парафазном коде по двум каналам при поступлении сигнала считывания, или выдачи кода (ВК). Период работы регистра с приемом информации в парафазном коде
T = (tЗД.Р,СР)ЛЭ + (tЗД.Р,)ТР + tСЧ ,
В
Рис. 2
ыдача кода из регистра часто совмещается с записью кода на другой регистр. При этом схему передающего регистра можно упростить, исключив из нее схемы выдачи кода и соединив непосредственно выходы триггеров Q1, Q1 передающего регистра и информационными входами принимающего регистра (рис. 3).О
Рис. 3
перация сдвига заключается в перемещении содержимого всех разрядов регистра влево или вправо на определенное число разрядов. Для сдвига кода используются регистры сдвига, которые в зависимости от направления сдвига делятся на регистры со сдвигом информации вправо (в сторону младших разрядов); регистры со сдвигом информации влево (в сторону старших разрядов); реверсивные регистры, обеспечивающие сдвиг информации вправо или влево в зависимости от управляющего сигнала.Р
Рис.4
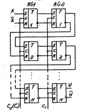
егистры сдвига находят широкое применение в цифровой технике. Они могут использоваться в устройствах управления в качестве распределителей импульсов, для построения кольцевых считчиков, для преобразования параллельного кода в последовательный и обратно.Для построения регистров сдвига могут быть использованы триггеры разных типов: D, RS, JK, DV . В регистре на потенциальных элементах сдвиг информации осуществляется обычно по двухтактной схеме. В этом случае каждый разряд регистра сдвига состоит из двух триггеров: основного и вспомогательного. На рис. 4 приведена схема регистра для сдвига информации вправо, выполненная на тактируемых RS-триггерах. Основные и вспомогательные триггеры образуют два регистра: основной (RG1)и вспомогательный (RG2).
Сдвиг информация в схеме осуществляется за два такта, сначала по сигналу C1 содержимое основного регистра переписывается во вспомогательный, а затем по сигналу C2 информация из вспомогательного регистра возвращается в основной регистр со сдвигом на один разряд вправо. Направление сдвига и количество разрядов, на которое проводится сдвиг, определяется коммутацией выходов одного и входов другого регистра.
Регистр, изображенный на рис.4, за одну посылку управляющих импульсов C1 , C2 обеспечивает сдвиг информации на один разряд вправо. Для сдвига на m разрядов требуется m таких посылок. Две последовательности управляющих сигналов C1, C2 можно заменить одной C1 , соединив шину C1 с шиной C2 через инвертор.
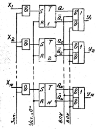
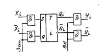
При использовании интегральных триггеров с двухступенчатым запоминанием информации или триггеров с динамическим управлением записью схемы регистров сдвигов приобретают -более простой вид (рис. 5). Выходы одних триггеров непосредственно соединяются с входами других, а сигналы сдвига подаются на общею линию, соединённую с синхровходами С триггеров. Сдвиг кода здесь осуществляется каждым управляющим импульсом, поэтому такие схемы называют регистрами с одноактным сдвигом.
В
Рис. 5
Схема формирования управляющих сигналов начальной установки и сдвига С1.
Рис. 6.
случае применения триггеров с прямым динамическим управлением (рис.5б) состояние регистра изменяется от положительного фронта сигнала сдвига, как показано пунктиром на рис.5г, в других случаях - от отрицательного фронта.Задание и порядок проведения работы
1. Пользуясь исходными данными, приведенными в табл. 3, начертить функциональную схему четырехразрядного регистра сдвига, имеющего обратную связь с инверсного выхода 4-го разряда на вход 1-го. При сдвиге числа вправо разряды регистра следует нумеровать слева направо, а при сдвига влево- справа налево. На схеме указать две входные линии: для подачи одиночного сигнала установки начального состояния регистра по входам НЕ-R и НЕ-S триггеров и для подачи сигналов сдвига.
Характеристики
Тип файла документ
Документы такого типа открываются такими программами, как Microsoft Office Word на компьютерах Windows, Apple Pages на компьютерах Mac, Open Office - бесплатная альтернатива на различных платформах, в том числе Linux. Наиболее простым и современным решением будут Google документы, так как открываются онлайн без скачивания прямо в браузере на любой платформе. Существуют российские качественные аналоги, например от Яндекса.
Будьте внимательны на мобильных устройствах, так как там используются упрощённый функционал даже в официальном приложении от Microsoft, поэтому для просмотра скачивайте PDF-версию. А если нужно редактировать файл, то используйте оригинальный файл.
Файлы такого типа обычно разбиты на страницы, а текст может быть форматированным (жирный, курсив, выбор шрифта, таблицы и т.п.), а также в него можно добавлять изображения. Формат идеально подходит для рефератов, докладов и РПЗ курсовых проектов, которые необходимо распечатать. Кстати перед печатью также сохраняйте файл в PDF, так как принтер может начудить со шрифтами.
















