РК №2 (1075257), страница 2
Текст из файла (страница 2)
При механизме сквозной записи не возникает проблем. В случае обратной записи: МП обновил кэш, но не загрузил значения в ОП -> В ОЗУ и кэшА находятся разные значения. Чтобы согласовать все это регулируют протоколы обеспечения когерентности.
Существует 2 класса:
-
Протоколы на основе справочника – информация о состоянии блока физической памяти содержится только в одном месте.
-
Протоколы наблюдения – каждый кэш, который содержит копию данных некоторого блока имеет также копию служебной информации о ее состоянии. Чтобы обнаружить несоответствие существуют контроллеры.
Для обеспечения согласованности памяти в мультипроцессорных системах используются аппаратные механизмы, позволяющие решить эту проблему.
Один из методов заключается в том, чтобы гарантировать, что процессор должен получить исключительные права доступа к элементу данных перед выполнением записи в этот элемент.
Этот тип протоколов называются протоколами записи и аннулирования.
Альтернативный способ – протокол записи с обновлением.
Данный протокол использует n признаков состояния строки кэш-памяти по первым буквам протокола.
-
Классификация ЗУ по функциональному назначению.
-
Запоминающие устройства с произвольным доступом.
Запоминающее устройство с произвольным доступом— один из видов памяти компьютера, позволяющий единовременно получить доступ к любой ячейке (всегда за одно и то же время, вне зависимости от расположения) по её адресу на чтение или запись.
-
Запоминающие устройства с последовательным доступом.
-
Запоминающие устройства. Структуры 2D, 3D, 2.5D
-
Адресные и безадресные ЗУ.
Тип используемых запоминающих элементов определенным образом влияет на структуру памяти, в результате чего существует большое разнообразие структур ЗУ.
Совокупность определенным образом соединенных запоминающих элементов (ЗЭ) образует запоминающую матрицу (массив) ЗМ, где каждый запоминающий элемент хранит бит информации.
Запоминающий элемент должен реализовывать следующие режимы работы:
1) хранение состояния;
2) выдача сигнала состояния (считывание);
3) запись 0 или 1.
К запоминающим элементам должны поступать управляющие сигналы для задания режима работы, а также информационный сигнал при записи. При считывании запоминающий элемент должен выдавать сигнал о своем состоянии.
Запоминающий массив имеет систему адресных и разрядных линий (проводников). Адресные линии используются для выделения по адресу совокупности запоминающих элементов, которым устанавливается режим считывания или записи. Выделение отдельных разрядов осуществляется разрядными линиями, по которым передается записываемая или считываемая информация.
Запоминающие устройства строятся из специальных запоминающих элементов, для которых характерно использование троичных сигналов и совмещение линий входных и выходных сигналов.
Адресные и разрядные линии носят общее название линий выборки. В зависимости от числа таких линий, соединенных с одним запоминающим элементом различают двух-, трехкоординатные ЗУ и т.д., называемые соответственно 2D, 3D и т.д.
Безадресная память
К безадресным можно отнести стековые и ассоциативные запоминающие устройства. При обращении к безадресной памяти в команде обращения к памяти не задается адрес ячейки. В стековых устройствах памяти адрес ячейки памяти отслеживает специальный адресный регистр. При обращении к стеку устанавливается адрес из этого регистра. При обращении к ассоциативной памяти поиск информации ведется по признаку (тэгу) путем сравнения тегов всех ячеек памяти с ассоциативным признаком. Ассоциативный признак записывается для выполнения операции сравнения в специальный регистр признака.
-
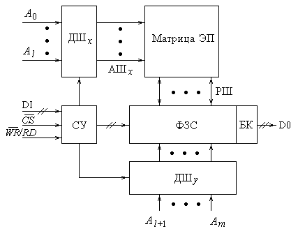
Структурная организация блоков памяти полупроводниковых ЗУ.
Полупроводниковые ОЗУ, ПЗУ состоят из двух основных частей: накопителя и схемы управления, или периферии. Накопитель – это основная часть ПЗУ, где хранятся данные (двоичные коды). Периферия предназначена для ввода и вывода этих данных. В нее входят дешифраторы, усилители, регистры, разного рода ключевые схемы, коммутаторы и другое.
Накопитель состоит из элементов памяти (ЭП), каждая из них хранит один бит информации. Основу ЭП составляют бистабильные ячейки, основным свойством которых является наличие двух устойчивых состояний – 0, 1.
На приведенной схеме используются следующие сокращения:
ДШх, ДШу – адресные дешифраторы строк и столбцов;
ФЗС – формирователь сигналов записи/считывания;
СУ – схема управления;
АШх, РШ – адресные и разрядные шины;
DI, DO – шины записи и считывания соответственно;
БК – буферный каскад.
Накопитель представляет собой прямоугольную матрицу ЭП, содержащую nx строк и ny столбцов. Емкость накопителя N = nx · ny. Каждый ЭП подключен к адресным (АШ) и разрядным (РШ) шинам. Выбор необходимого ЭП осуществляется путем подачи определенной комбинации адресных переменных (Am … A1 , A0). Адресные дешифраторы строк (ДШx) и столбцов (ДШy) формируют сигналы выборки на соответствующих АШ, которые определяют строку и столбец накопителя, в котором расположен выбираемый ЭП. Таким образом, m адресных входов позволяют выбирать один из N = 2m элементов памяти.
-
Биполярные ЗУ. Принцип работы. Структура элементов памяти.
Элементы памяти статистического ОЗУ. ЭП биполярного ОЗУ представляет собой асинхронный RS-триггер, построенный из двух логических элементов И-НЕ, выполненных на двух двухэмиттерных транзисторах.
ЭП подключен к двум разряд-ным линиям РЛ “0” и РЛ “1” и адресной линии АЛ. В зави-симости от комбинации на-пряжений на этих линиях ЭП может работать в режимах хранения, записи и считыва-ния информации.
Если, например, транзис-тор Т1 открыт, то низкий по-тенциал его коллектора пода-ется на базу транзистора Т2 и поддерживает его закрытое состояние. Высокий потен-циал коллектора закрытого Т2, в свою очередь, поддерживает открытое состояние транзистора Т1. В состоянии хранения по линии адреса АЛ поддерживается низкий потенциал.
Пусть ЭП хранит нуль 0, если Т2 закрыт, а Т1 – открыт. Тогда для записи единицы 1 необходимо одновременно подать высокие уровни в линии АЛ и РЛ “0” и низкий уровень в линию РЛ “1”. Тогда транзистор Т1 закрывается, а Т2 – открывается. Для считывания информации в адресную линию АЛ подается высокий уровень. При этом в транзисторе, находящемся в открытом состоянии, происходит перераспределение токов эмиттеров, и большая часть тока будет течь в разрядной линии РЛ “1”, если считывается 1, или в РЛ “0” – если считывается 0.
-
Статические МОП-ЗУ. Принцип работы. Структура элемента памяти.
Наименьшим энергопотреблением отличаются ЗУ, выполненные на комплементарных МОП-транзисторах (КМОП-технология). В ЭП КМОП-типа (рис.8.4) транзис-торы Т1 и Т2 имеют каналы p-типа, а транзисторы Т3 – Т6- каналы n-типа.
В результате потребляемая мощность в режиме хранения опре-деляется токами утечки ка-налы n- и p-переходов. В режи-ме переключения требуется зна-чительно бóльшая мощность, так как при этом ток протекает через оба приоткрытых транзис-тора Т1, Т4 и Т2, Т5. Однако, расходуемая мощность КМОП ЗУ на порядок меньше, чем у биполярных.
-
Динамические МОП-ЗУ. Принцип работы. Структура элемента памяти.
Элемент памяти динамического ОЗУ. Накопитель занимает большую часть площади кристалла микросхем памяти, поэтому для увеличения их информационной емкости необходимо уменьшать размеры ЭП. Это достигается при использовании динамического способа хранения информации в виде заряда, накопленного на паразитной емкости. Обычно динамические ЭП реализуются на МДП-транзисторах, так как при этом обеспечивается достаточно длительное время хранения информации (приблизительно 10 миллисекунд) без ее регенерации.
Один из вариантов трех-транзисторного динамического ЭП с раздельными шинами для записи и считывания показан на рис. 8.5. Информация хранится в виде заряда емкости CЗ ≈ 0,1 пф. В процессе записи от РЛЗ при разрешающем высоком потен-циале на АЛЗ через открытый транзистор Т2 заряжается ем-кость CЗ до потенциала РЛЗ, соответствующего U0 или U1. По окончании сигнала адреса на АЛЗ транзистор Т2 запирается и ЭП переходит в режим хранения информации.
Считывание информации производится на разрядной линии РЛсч, находящейся под высоким потенциалом U1, при подаче на адресную линию считывания АЛсч высокого потенциала, которым открывается транзистор Т3. Если ЭП находится в единичном состоянии (CЗ заряжена до потенциала до U1), то транзистор Т1 также будет открыт и потенциал разрядной линии снизится до потенциала U0. Если емкость CЗ была заряжена до потенциала U0, то транзистор Т1 будет находиться в закрытом состоянии и потенциал РЛсч останется неизменным, т. е. равным U1.
-
Постоянные запоминающие устройства. Перепрограммируемые ПЗУ.
ПЗУ – энергонезависимая память, используемая для хранения некоторого массива данных.
Перепрограммируемые ПЗУ позволяют при необходимости перепрограммировать память.
По способам стирания ранее записанной информации РПЗУ бывают с ультрафиолетовыми лучами и с электрическим стиранием. РПЗУ позволяют десятки перепрограммировать и сохранять записанную информацию (десятки и сотни тысяч часов). Быстродействие РПЗУ несколько хуже, чем быстродействие ППЗУ.
-
Энергонезависимые запоминающие устройства.
Энергонезависимая память, NVRAM — разновидность запоминающих устройств с произвольным доступом, которые способны хранить данные при отсутствии электрического питания. Может состоять из модуля SRAM, соединённого со своей собственной батарейкой. В другом случае SRAM может действовать в связке с EEPROM, например, флеш-памятью.
В более общем смысле, энергонезависимая память — любое устройство компьютерной памяти, или его часть, сохраняющее данные вне зависимости от подачи питающего напряжения. Однако попадающие под это определение носители информации, ПЗУ, ППЗУ, устройства с подвижным носителем информации (диски, ленты) и другие носят свои, более точные названия.
-
ПЗУ
-
PROM
-
EPROM
-
EEPROM
-
Флеш-память
-
-
Внешние запоминающие устройства. Принципы магнитной записи.
Внешняя память компьютера или ВЗУ - важная составная часть электронно-вычислительной машины, обеспечивающая долговременное хранение программ и данных на различных носителях информации. Внешние запоминающие устройства (ВЗУ) - можно классифицировать по целому ряду признаков : по виду носителя, по типу конструкции, по принципу записи и считывания информации, по методу доступа и т.д. При этом под носителем понимается материальный объект, способный хранить информацию.
Свойства внешней памяти :
-
ВЗУ энергонезависима, целостность её содержимого не зависит от того, включен или выключен компьютер .
-
В отличие от оперативной памяти, внешняя память не имеет прямой связи с процессором.
В состав внешней памяти включаются :
-
НЖМД – накопители на жёстких магнитных дисках.
-
НГМД – накопители на гибких магнитных дисках.
-
НОД – накопители на оптических дисках (компакт-дисках CD-R, CD-RW, DVD).
-
НМЛ – накопители на магнитной ленте (стримеры).
-
Карты памяти.
Напряжение от источника звуковых колебаний подается на вход усилителя магнитофона, а после необходимого усиления сигнал в виде переменного тока звуковой частоты поступает в обмотку магнитной головки. При записи магнитная лента протягивается с постоянной скоростью перед записывающей головкой, а точнее перед зазором сердечника головки (рис. 1). Переменный ток, проходящий по обмотке головки, создает в сердечнике и зазоре магнитное поле. Сила и направление этого поля изменяются в соответствии с изменениями тока, проходящего по обмотке головки. Как видно из рис. 1, силовые линии магнитного поля зазора замыкаются через ферромагнитный слой ленты, она намагничивается, чем и осуществляется запись. Намагниченное состояние ленты сохраняется для последующего воспроизведения.















