практика2 (1073638), страница 3
Текст из файла (страница 3)
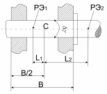
Допустим, что в точечной опоре 2 есть погрешность
(это может быть погрешность формы базирующей поверхности цепи, контактная деформация и т.д.). очевидно она вызовет поворот контура, т.е. цепи, на некоторый угол
, что приведет к смещению точки М (РЭц). Это смещение и поворот цепи будут ничем иным, как ошибками положения цепи ее РЭц, измеренными в системе отсчета, связанной с системой базирования.
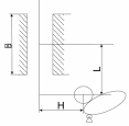
Определим эти ошибки
Угол поворота
обратно пропорционально базовому размеру
, а чтобы найти смещение, необходимо знать положение мгновенного центра поворота контура (цепи). В данном случае центр лежит на пересечении опор 1 и 3 (точка С). Отсчитывать будем скалярные составляющие смещение точки М в системе координат НL, начало координат которой связали с точкой С, а оси ориентируем по направлениям ограничений.
Соединив точку М с центром поворота радиусом СМ и повернув последний на угол
, находим новое положение точки М (
) ее смещение
и скалярные составляющие этого смещения
и
если начальное положение точки M определяется координатами
и
, то находим следующие зависимости
, выражающие два фундаментальных принципа конструирования:
-
Принцип ограничения поперечного вылета Н;
-
Принципы ограничения продольного вылета L.
Из формул следует, что при
цепь становится нечувствительной к поворотам ее в продольном направлении (
), а при
- то же имеет место в поперечном направлении (
).
Установим в общем виде условия зависимости между видами объектов и влиянием вылетов Н и L на точность положения РЭц (знаком «+» отмечено влияние вылета на точность, знаком «-» - отсутствие влияния).
| Виды объекта |
|
|
| Точка | + | + |
| Линия, параллельная оси СL | + | - |
| Линия, параллельная оси СH | - | + |
| Линия, перепендикулярная плоскости СН | + | + |
Иллюстрацией рассмотренных принципов применительно к реальным конструкциям служат примеры, приведенные на рис. 3.14. В них встречаются либо поперечным, либо продольный вылеты, либо оба вместе.
|
|
| ||
| а) | б) | ||
|
|
|
| |
| в) | г) | д) | |
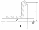
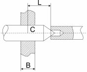
| Рис. 3.14 Примеры конструкций с поперечным и продольным вылетами рабочих элементов: а – валик на двух опорах, несущий рабочие элементы и ; б – центровая опора валика; в – кулачковый механизм; г – коническое ЗК; д – цилиндрическое ЗК с увеличенным вылетом зубчатого венца | |||
Поскольку в общем случае вылеты следует рассматривать в трех измерениях , то из них всегда один будет продольный и два поперечных; продольный ориетирован везде по направлению осей тел вращения, осей симметрии, оптических осей и т.д.
Анализируя конструкцию, необходимо определить систему отсчета вылетов (точечные системы базирования встречаются редко).
В подвижных базирующих соединениях (рис. 3.14, а), где при наличии осевого момента поворот подвижного элементапроисходит за счет зазоров, определение центра поворота не составляет труда: он лежит на оси симметрии стержня (валика, ползунка) посередине длины направляющих.
В неподвижных базирующих соединениях повороты происходят по различным причинам: часто за счет неточности баз.
Рис. 3.15 Схемы для определения положения центра поворота С при базирования ЗКЦ: а – на плоскость.
Для определения положения центра поворота при базировании по плоскости следует считать, что контактирование неточных поверхностей при замыкании силой означает сложное смещение базируемого элемента: перемещение по оси с Н (
) и поворот (
) вокруг центра, лежащего по середине базового размера В.
Рис. 3.14 иллюстрирует вредное действие консольного расположения РЭ, т.к. вылет зубчатого венца (рис. 3.14, г и д) приведет к дополнительному биению колес.
В тех случаях, когда продольный вылет неизбежен, приходится ужесточать требования к точности изготовления элементов конструкции.
На рис. 3.14, г, д видна зависимость между действием вылета и видом РЭ: поперечный вылет Н для цилиндрического прямозубого колеса не влияет на точность, так как смещение
происходит вдоль образующих зубьев колеса. Но то же смещение становится действующим для косозубого цилиндрического и, особенного, конических колес заметим, что продольный вылет L опасен для всех видов ЗК, так как смещение
создает дополнительное радиальное биение колес.
Следует помнить, что вылеты начинают «действовать» при столь малых поворотах
, что должны отпасть всякие сомнения в их существовании; например, для образование смещения (мкм на вылете Н=20 мм достаточно поворота всего на
).
Поля допусков для соединения круглых оптических деталей с оправами
| Точность центрирования | Поля допусков | Примеры применения | |||
| Характеристика | Допуск на центрировку, мм | На диаметры оптических деталей | На внутренний диаметр оправы | ||
| Повышенная | до 0,02 | h8 | d9 | H9 | Линзы микрообъективов |
| g6 | d11 | H7 | Линзы светосильных фотообъетивов | ||
| f7 | Тонкая оптика: линзы, сетки, шкалы | ||||
| Средняя | Свыше 0,02 до 0,05 | h8 | d9 | H9 | Линзы окуляров |
| e9 | c11 | H8 | Оптика телескопических приборов, сетки, шкалы | ||
| f9 | H9 | ||||
| e8 | |||||
| Пониженная | Свыше 0,05 | d11 | Н11 | Конденсорные линзы, светофильтры, плоские зеркала, защитные стекла | |
Для защитных стекол, к которым предъявляются требования по герметизации, рекомендуется применять поле допуска е9.
Ключникова Л.В., Ключников В.В. «Проектирование оптико-механических приборов» Н., Санкт-Петербург, 1995
Плотников В.С. и др. «Расчет и конструирование оптико-механических приборов»,Машиностроение, 1972
Соединение оптических деталей с механическими
Особенности конструирования и сборки соединений оптических деталей с механическими следующие:
-
Исходным условием является неподвижность соединения;
-
Конструкция оптической детали известна заранее поэтому конструирование соединений сводится к разработке базовой механической детали, обеспечивающей требуемое ориентирование и базирование оптической детали, а также дополнительных механических деталей для закрепления последней
-
В связи с обычно жесткими требованиями к точности взаимного расположения оптических деталей в соединениях широко предусматриваются регулировки, обеспечивающие ориентирование с помощью малых подвижек, либо оптических деталей, либо базовой механической детали вместе с оптической относительно общей монтажной основы системы.
Рассмотрим принципы ориентирования ОД круглой формы (линзы и плоскопараллельные стеклянные пластины) в их соединениях с механическими базовыми деталями (рис. 2.25). методы базирования ОД зависят от типа детали, от требований к функциональной точности и надежности соединения.
В соединении всегда участвуют два базирующих элемента детали: опорный в направлении оси детали и центрирующий в поперечном направлении. Первый представляет связь класса
, а второй (узкий цилиндрический поясок) – связь класса
. При базировании склеенных ОД, когда высота блока соизмерима с диаметром, нельзя все ОД делать одного диаметра, т.к. в этом случае цилиндрическая поверхность обращается в связь класса
и базирование будет иметь избыточные связи, что для ОД недопустимо. Чтобы этого не было одну деталь блока наиболее чувствительный к делают с несколькими большими диаметрами и поперечное базирование выполняется по этой детали.
В целях базирования и закрепления у ОД круглой формы предусматривается базовый элемент в виде узкого кольцевого пояска на центрирующей поверхности детали, ширина которого, равная разности полным и световым диаметром детали, нормируется стандартами.
Наиболее ответственным, определяющим ориентирование ОД, является опорное базирование, которое возможно в двух вариантах: по плоской контактной паре(рис. 2.25, а) или по кольцевой линии, образованной контактом сферы линзы и кромки цилиндрического отверстия оправы (рис. 2.25, б).
|
|
|
| а) | б) |
|
|
|
| в) | г) |
| Рис. 2.25 | |
Точность базирования ОД принято оценивать двумя видами децентрировок: поперечным смещением детали (децетрировка 1-го рода) и наклонами (поворотами) (децентрировка 2-го рода). Обе они регламентируются допусками. Для ОД, представляющих по форме плоскопараллельные, часто главным является поперечное смещение, для линз – те и другие.
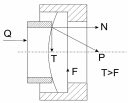
Особую роль для точности базирования линз приобретает способ замыкания на опорной базе при ее закреплении. Шестая степень их устраняется силовой связью – силой трения, создаваемой прижимом ОД к базирующим элементам. При определенных условиях усилие прижима может вызвать поперечное смещение и наклон линзы. При креплении линзы резьбовым или гладким цилиндрическим кольцом в случае перекоса его опорного торца или эксцентриситета опорной кромки относительно оптической оси линзы возникает односторонний контакт кольца с линзой в точке А. в результате составляющая Т силы прижима Р, не уравновешивается такой же силой с противоположной стороны при условии Т>F (F – сила трения в контакте) сместит линзу до упора в базирующий поясок оправы или в опорную кромку кольца. При базировании линз по сфере (рис. 2.25, д), когда приходится преодолевать лишь составляющую силы трения, подобные смещения всегда имеют место.
Таким образом, требование к точности изготовления и базирования прижимного кольца, закрепляющего линзу в оправе, должен соответствовать требованиям к точности центрирования линзы в соединении с оправой. Кроме того, при базировании линз по сфере необходимо согласовать допуски на параметры прижимного кольца и на диаметр цилиндрического базирующего пояска оправы во избежание избыточного поперечного базирования линз и появления статической неопределенности соединения линзы с оправой.
















