Задание 18, вариант 4 (1072800)
Текст из файла
Московский государственный технический университет имени Н.Э.Баумана
ДОМАШНЕЕ ЗАДАНИЕ ПО КУРСУ
“ТЕХНОЛОГИЯ ПРОИЗВОДСТВА ЭЛЕКТРОННОЙ
АППАРАТУРЫ”
Задание -18, вариант - 4
Бумага формата А4
(тип носителя)
11__
(количество листов)
Выполнил: Принял:
Студент группы ИУ 5-54 Доцент кафедры ИУ-4
Кустицкий Алексей Романович Билибин Константин Иванович
Подпись ___________ Подпись ____________
“___”_______________2007г. “___”_______________2007г.
Москва 2007г.
Оглавление
1. Задание…………………………………………………………………….3
2. Определение допустимых погрешностей……………………………….4
3. Первая схема базирования ( на призмы )………………………………..5
4. Второя схема базирования ( на утапливаемые конические
штыри и призмы…………………………………………………………..6
5. Проверка условий собираемости………………………………………....7
6. Определение точности сборочного приспособления…………………...7
7. Силовой расчет приспособления…………………………………………8
8. Конструирование приспособления и описание его работы……………9
9. Список используемой литературы………………………………………11
1.Задание
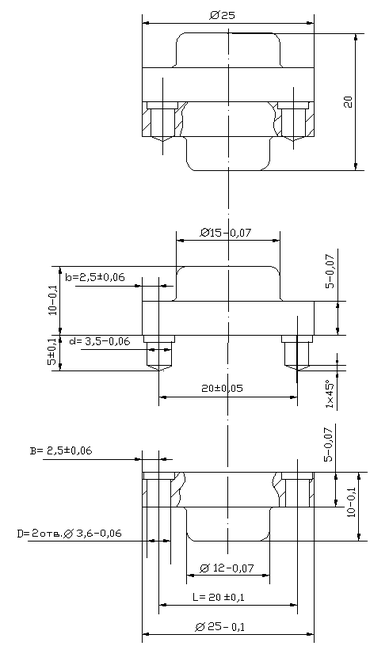
1. Для представленных на чертеже двух железных муфт определить условие их собираемости (допустимое значение базирования).
2. Предложить две схемы базирования собираемых деталей и выбрать одну из них по условию.
3. Для выбранной схемы спроектировать сборочное приспособление (эскиз).
4. Произвести расчеты усилия перемещения детали на позицию сборки и по усилию выбрать привод.
5. Описать кратко работу приспособления.
а)
б)
в)
Рис.1. Сборочный чертеж детали.
2.Определение допустимых
погрешностей
Рис.2. Железные муфты.
Используем для данного случая формулу сопряжения по двум цилиндрическим осям.
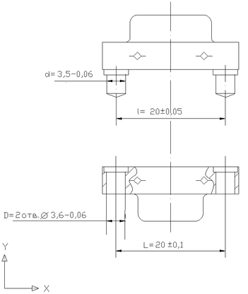
3. Первая схема базирования (на призмы)
– Для левого отверстия
– Для правого отверстия
Рис.3. Базирование детали на призму.
– Для левого штыря
– Для правого штыря
Наибольшее взаимное смещение осей детали для данной схемы базирования:
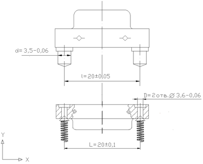
4. Вторая схема базирования (на
утапливаемые конические штыри и на
призмы)
– Для левого отверстия
– Для правого отверстия
– Для левого штыря
– Для правого штыря
Рис.4. Базирование детали на утапливаемые
конические штыри и на призму.
Наибольшее взаимное смещение осей детали для данной схемы базирования:
5.Проверка условий собираемости
Если схема монтажа выбрана правильно, то она удовлетворяет данным условиям:
1) Для базирования на призмы:
Условие собираемости выполняется.
2) Для базирования на утапливаемые конические штыри и на призмы:
Условие собираемости выполняется.
Будем использовать первую схему базирования на призмы.
6.Определение точности сборочного
приспособления
7. Силовой расчет приспособления
Рис. 5. Конструкция пневмопривода.
k P Fтр
P – давление пружины, P = 150 кгс
k – коэффициент запаса, k = 1.3
Fтр = Wfn, W - сила закрепления заготовки, n – число приложений силы W,
n = 1
f – коэффициент трения, f = 0.3
W = Fтр / fn
W = k P/ fn
W = 650 кгс
W = Q
Q – усилие пневмопривода
Q = q Fакт
q – давление в промышленной пневмосети, q = 0.05 кгс/мм2
Fакт - активная площадь, разность площадей поршня и штока
Q = q (D2/4-d2/4)
d = 20 мм (диаметр штока)
D = 130 мм – диаметр поршня
8. Конструирование приспособления и
описание его работы
На рисунке 6 показано приспособление для сборки верхней муфты 1 с нижней муфтой 2. Муфты 1 из магазина–кассеты подаются на сборочную позицию питателем 3, совершающим возвратно-поступательные колебания. После доставки муфты 1 на позицию для сборки, она, с помощью поворотного устройства 6, приводимого в действие электродвигателем, поворачивается вокруг своей оси для совмещения с муфтой 2. Верхний пневмопривод 5, подавая муфту 2 через базирующие концентрические призмы 4, производит сборку её с муфтой 1. Концентрические призмы делаются подпружиненными для обеспечения качественной сборки.
Работа приспособления ведется в автоматическом режиме от действия трех пневмоприводов 5 и одного поворотного устройства 6. Сборочная единица удаляется после сборки на следующую позицию, освобождая место для следующего цикла сборки.
B
B
Рис.6. Приспособление для сборки железных муфт (фронтальный разрез).
1 – верхняя муфта. 3 – питатель. 5 – пневмопривод.
2 – нижняя муфта. 4 – базирующая концентрическая призма. 6 - поворотное устройство.
C
C1
A
A
5
4
B – B
Рис.7. Приспособление для сборки железных муфт (вид сверху).
12
Характеристики
Тип файла документ
Документы такого типа открываются такими программами, как Microsoft Office Word на компьютерах Windows, Apple Pages на компьютерах Mac, Open Office - бесплатная альтернатива на различных платформах, в том числе Linux. Наиболее простым и современным решением будут Google документы, так как открываются онлайн без скачивания прямо в браузере на любой платформе. Существуют российские качественные аналоги, например от Яндекса.
Будьте внимательны на мобильных устройствах, так как там используются упрощённый функционал даже в официальном приложении от Microsoft, поэтому для просмотра скачивайте PDF-версию. А если нужно редактировать файл, то используйте оригинальный файл.
Файлы такого типа обычно разбиты на страницы, а текст может быть форматированным (жирный, курсив, выбор шрифта, таблицы и т.п.), а также в него можно добавлять изображения. Формат идеально подходит для рефератов, докладов и РПЗ курсовых проектов, которые необходимо распечатать. Кстати перед печатью также сохраняйте файл в PDF, так как принтер может начудить со шрифтами.
















