проект отчёт (1072798)
Текст из файла
Скопинцева Е.Ю.
ИУ 5-53
Задание 18, вариант 3
Сконструировать приспособление для сборки следующих деталей в автоматическом режиме.
Схема базирования
Транзистор базируется на призму.
Определим допустимую погрешность базирования:
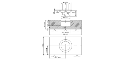
Происходит сопряжение по двум цилиндрическим поверхностям (с фасками).
Допустимое смещение по осям ОХ и ОУ равно:
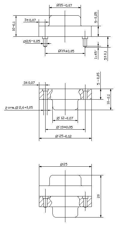
размер фаски отверстия радиатора
Сборка произойдет только при условии подвижности одной из деталей.
Определим фактическую погрешность базирования:
Проверка условия собираемости деталей.
Правильно выбранная схема монтажа должна удовлетворять следующему условию:
Условие собираемости выполняется.
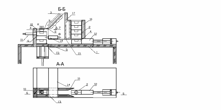
Чертеж приспособления.
F
К пневмоприводу
К пневмоприводу
воздух
Обозначения на чертеже:
| 1.Стол-подставка | 8.Ограничитель |
| 2.Кассета с радиаторами | 9.Положение транзистора при сборке |
| 3.Салазки | 10.Призма базирования транзистора |
| 4.Положение радиатора при выпадении из кассеты | 11-13.Поршни |
| 5.Положение радиатора при перемещении на поршень | 14.Лента-транспортер |
| 6.Положение радиатора при сборке | 15.Борт |
| 7.Транзистор | 16,17.Опоры крепления кассет |
Описание работы приспособления
Перед началом работы радиаторы помещаются в кассету 2, транзисторы – на салазки 3. Ограничитель 8 не дает транзисторам выпадать из салазок. После того, как ограничитель отходит, работа начинается. Транзистор 7 выпадает из салазок 3 и попадает в положение 9, попадая при этом в призму базирования 10. После этого транзистор прижимается усилием F, чтобы он не смещался при сборке. Радиатор выпадает из кассеты 2 на стол 1, после чего сдвигается поршнем 12 до положения 5, движение происходит в пазе между бортами 15. Поршень 13 перемещается вверх с лежащим на нем радиатором и перемещается в положение сборки 6. После завершения сборки поршень 11 выталкивает собранное изделие на ленту-транспортер 14 (она движется в плоскости перпендикулярной плоскости рисунка в направлении от читателя), которая увозит изделие на место следующей операции.
Характеристики
Тип файла документ
Документы такого типа открываются такими программами, как Microsoft Office Word на компьютерах Windows, Apple Pages на компьютерах Mac, Open Office - бесплатная альтернатива на различных платформах, в том числе Linux. Наиболее простым и современным решением будут Google документы, так как открываются онлайн без скачивания прямо в браузере на любой платформе. Существуют российские качественные аналоги, например от Яндекса.
Будьте внимательны на мобильных устройствах, так как там используются упрощённый функционал даже в официальном приложении от Microsoft, поэтому для просмотра скачивайте PDF-версию. А если нужно редактировать файл, то используйте оригинальный файл.
Файлы такого типа обычно разбиты на страницы, а текст может быть форматированным (жирный, курсив, выбор шрифта, таблицы и т.п.), а также в него можно добавлять изображения. Формат идеально подходит для рефератов, докладов и РПЗ курсовых проектов, которые необходимо распечатать. Кстати перед печатью также сохраняйте файл в PDF, так как принтер может начудить со шрифтами.
















