ТиК - ДЗ (1072784)
Текст из файла
Министерство образования РФ
Государственное образовательное учреждение высшего профессионального образования «Московский государственный технический университет
им. Н. Э. Баумана»
Кафедра ИУ4 "Конструирование и производство электронной аппаратуры"
Домашнее задание
по предмету: «Технология производства электронной аппаратуры»
Выполнил студент группы ИУ5-59:
Сидякин А.А.
Проверил преподаватель:
Адамова А.А.
Москва 2010
Задание 13, вариант 4
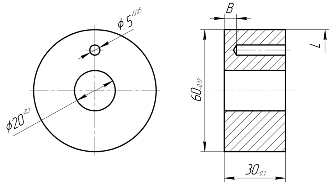
На рисунке 1 приведён эскиз заготовки, в которой требуется сделать отверстие диаметром 5+0.05 с координатами L=10+0.1 и B=6+0.1. Для заготовки необходимо предложить две схемы базирования
Рис. 1. Эскиз детали
Выполнить следующие действия:
-
Предложить две схемы базирования
-
Рассчитать для этих схем допустимую и фактическую погрешность
-
Рассчитать усилие закрепления заготовки в приспособлении
-
Выбрать и рассчитать привод, а также описать принцип работы устройства
Схема базирования №1
Рис. 2. Схема базирования №1
- погрешность выбранного метода обработки
- следовательно меняем схему базирования
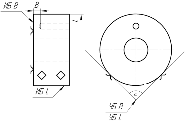
Схема базирования №2
Рис. 3. Схема базирования №2
Выбираем данную схему базирования
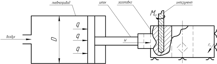
Силовой расчёт
Рис. 4. Силовой расчёт установки
q = 5 кгс/см2 – удельное сопротивление в пневмосети
– диаметр поршня пневмоцилиндра
W – сила от пневмопривода
- условие закрепления заготовки
k = 1.3 – коэффициент запаса
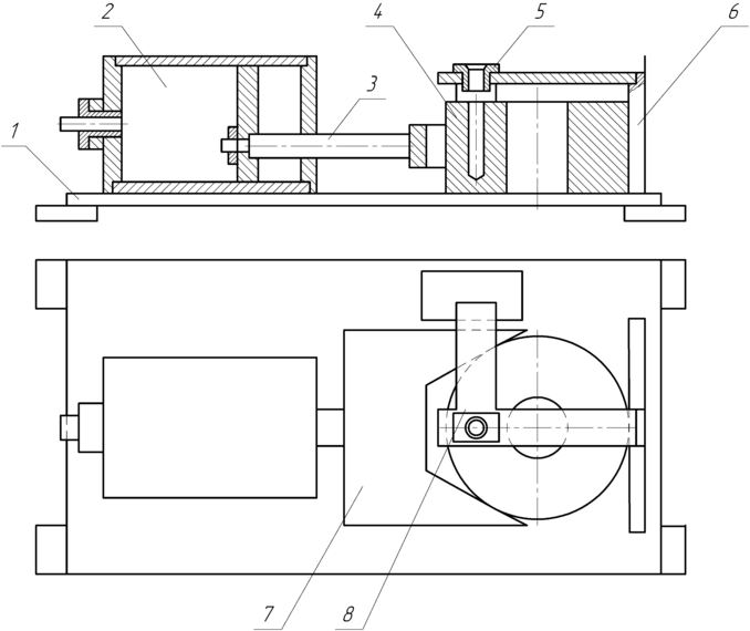
Установка
Рис. 5. Установка для сверления отверстия в заготовке
Установка располагается горизонтально. Заготовка устанавливается вручную
Конструкция установки:
1 – основание установки
2 – пневмопривод
3 – шток пневмопривода
4 – заготовка
5 – направляющая для сверла
6 – стенка базирования
7 – поджим пневмопривода
8 – подставка для направляющей для сверла
Применение установки позволяет сократить время, необходимое для получения отверстия в заготовке. От рабочего требуется лишь установить заготовку
Характеристики
Тип файла документ
Документы такого типа открываются такими программами, как Microsoft Office Word на компьютерах Windows, Apple Pages на компьютерах Mac, Open Office - бесплатная альтернатива на различных платформах, в том числе Linux. Наиболее простым и современным решением будут Google документы, так как открываются онлайн без скачивания прямо в браузере на любой платформе. Существуют российские качественные аналоги, например от Яндекса.
Будьте внимательны на мобильных устройствах, так как там используются упрощённый функционал даже в официальном приложении от Microsoft, поэтому для просмотра скачивайте PDF-версию. А если нужно редактировать файл, то используйте оригинальный файл.
Файлы такого типа обычно разбиты на страницы, а текст может быть форматированным (жирный, курсив, выбор шрифта, таблицы и т.п.), а также в него можно добавлять изображения. Формат идеально подходит для рефератов, докладов и РПЗ курсовых проектов, которые необходимо распечатать. Кстати перед печатью также сохраняйте файл в PDF, так как принтер может начудить со шрифтами.
















