Фрезировка (1072762)
Текст из файла
Московский Государственный Технический Университет
им. Н.Э. Баумана
Домашнее задание по теме
«Проектирование приспособлений»
Задание №1.
Вариант №3.
Выполнил:
Студент группы ИУ5-53
Абламцев Д. М.
«____»___________2005г.
Москва 2005г.
Содержание
1. Задание 3
2. Схема базирования 4
3. Силовой расчет приспособления 5
2. Описание работы приспособления для зажима заготовки 7
-
Задание
Фрезеровка
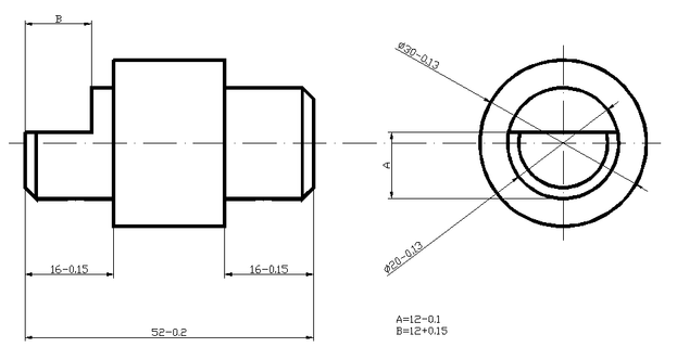
Для представленной на рис.1 схемы выполнить следующие действия:
-
Предложить две схемы базирования.
-
Рассчитать для этих схем допустимую и фактическую погрешности.
-
Рассчитать усилие закрепления заготовки в приспособлении.
-
Выбрать и рассчитать привод.
-
Кратко описать работу приспособления.
-
Схемы базирования.
-
Базирование на призму
Следовательно, данная схема базирования подходит.
-
Базирование на плоскость
Следовательно, эта схема базирования не подходит.
В дальнейшем будем использовать только первую схему базирования.
3. Силовой расчет приспособления.
Расчет усилия закрепления W.
- cила, действующая на заготовку со стороны фрезы.
Найдем необходимую силу W, решив следующее уравнение:
Расчет усилия привода.
Выберем ручной привод. Механизм зажима – эксцентриковый.
где: - угол подъема прямой на эксцентрике =8;
1 – приведенный угол трения между эксцентрикой и заготовкой;
2 – приведенный угол трения между эксцентрикой и осью;
1 = 2 = 5;
R – радиус ролика; R=15мм; L=250 мм; W=417 кГс;
Т.к. Q<10 кГс, то можно использовать ручной привод.
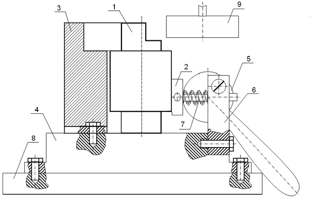
Упрощенный вид прижимного приспособления.
-
Заготовка;
-
Плита;
-
Призма;
-
Основание станка;
-
Эксцентрик;
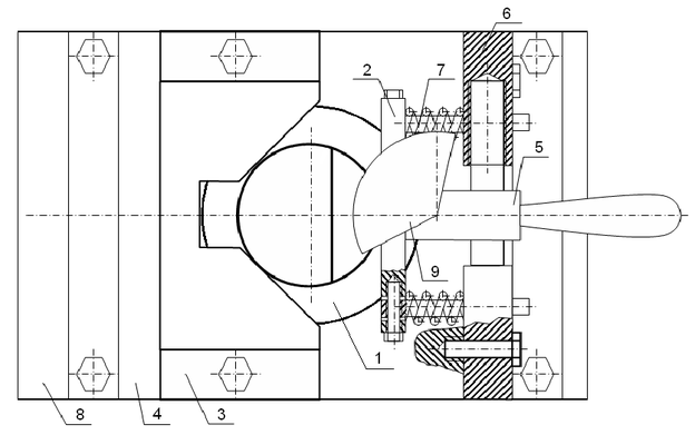
4. Описание работы приспособления для зажима заготовки.
Виды сверху и сбоку:
Описание чертежа приспособления для зажима заготовки.
Заготовка (1) устанавливается на основание (4) и прижимается плитой (2) к призме (3), которая крепится двумя винтами к основанию. Эксцентрик (5), прижимающий плиту (2) прикреплен к блоку (6) с помощью болта. Пружинный механизм (7) обеспечивает свободное вынимание детали из приспособления зажима. Пружинный механизм соединяет плиту (2) и блок (6), и в центре каждой пружины вставлены специальные стержни (для направления плиты). Пружинный механизм соединяется с блоком с помощью двух винтов (завинчивающихся и в блок и в стержень). Блок (6) крепится к основанию (4) с помощью двух болтов. Основание (4) крепится с помощью четырёх болтов к рабочему столу (8).
-
Заготовка;
-
Плита;
-
Призма;
-
Основание станка;
-
Эксцентрик;
-
Блок;
-
Пружинный механизм;
-
Стол;
-
Фреза.
8
Характеристики
Тип файла документ
Документы такого типа открываются такими программами, как Microsoft Office Word на компьютерах Windows, Apple Pages на компьютерах Mac, Open Office - бесплатная альтернатива на различных платформах, в том числе Linux. Наиболее простым и современным решением будут Google документы, так как открываются онлайн без скачивания прямо в браузере на любой платформе. Существуют российские качественные аналоги, например от Яндекса.
Будьте внимательны на мобильных устройствах, так как там используются упрощённый функционал даже в официальном приложении от Microsoft, поэтому для просмотра скачивайте PDF-версию. А если нужно редактировать файл, то используйте оригинальный файл.
Файлы такого типа обычно разбиты на страницы, а текст может быть форматированным (жирный, курсив, выбор шрифта, таблицы и т.п.), а также в него можно добавлять изображения. Формат идеально подходит для рефератов, докладов и РПЗ курсовых проектов, которые необходимо распечатать. Кстати перед печатью также сохраняйте файл в PDF, так как принтер может начудить со шрифтами.
















