Техпроцесс Брыткова (1072153)
Текст из файла
Московский государственный технический университет им. Н.Э. Баумана
Кафедра РЛ3
Домашнее задание по курсу
«Технологии изготовления оптико-механических приборов»
«Проектирование технологического процесса обработки отливки»
Брыткова Татьяна, РЛ3-61
Москва
2010
1. Технологический анализ чертежа детали
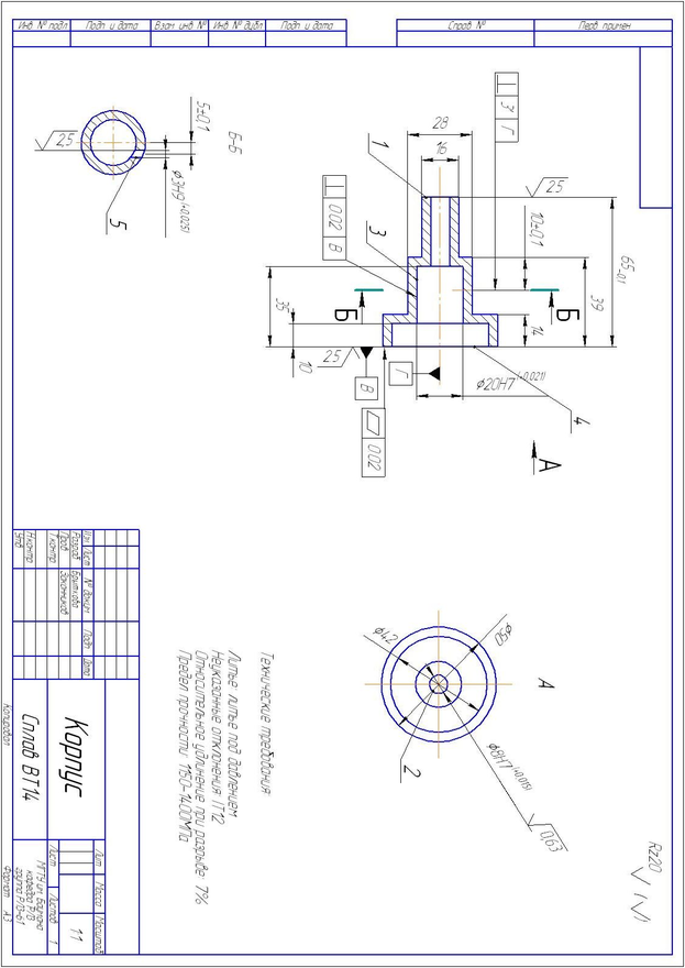
Исходные данные для разработки технологического процесса (чертеж детали) представлены ниже.
Вид заготовительной операции: литье по выплавляемым моделям.
Тип производства: серийное.
При литье по выплавляемым моделям возможно получение размеров точностью
IT 11…12. Степень точности допусков формы и расположения поверхностей – 12, шероховатость поверхности Rz = 20 мкм.
2. Составление планов обработки отдельных поверхностей
Поверхность 1
Поверхность 2
Поверхность 3
Поверхность 4
.
Поверхность 5
.
3. Разработка маршрута обработки деталей
| № операции | Станок, приспособление | № перех. | Содержание операции | Выдерживаемые параметры | |
| поверхности | |||||
| 1 | Литье по выплавляемым моделям | – | Получены все поверхности, кроме п. 2, 5 | IT12 | - |
| 2 | Токарно-винторезный станок | 1 | Точение торцевое чистовое п. 1 | IT10 | - |
| 2 | Точение торцевое тонкое п. 1 | IT8 | - | ||
| 3 | Сверление п. 2 | IT12 | - | ||
| 4 | Растачивание черновое п. 2 | IT9 | - | ||
| 5 | Растачивание чистовое п. 2 | IT8 | - | ||
| 6 | Зенкерование черновое п. 3 | IT12 | перп. 0,05 мкм | ||
| 7 | Растачивание черновое п. 3 | IT10 | перп. 0,012 мкм | ||
| 8 | Растачивание чистовое п. 3 | IT7 | перп. 0,008 мкм | ||
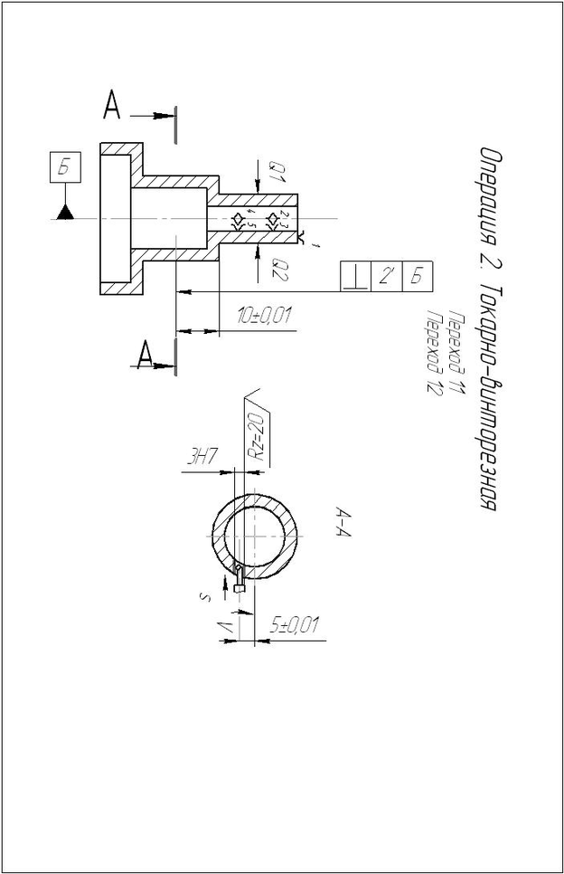
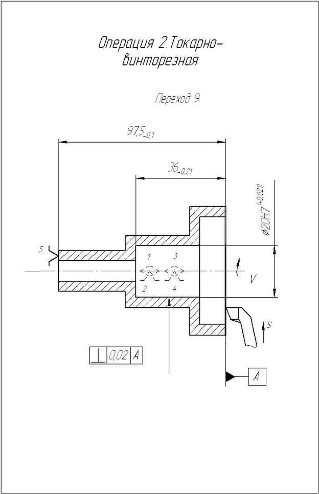
| 9 | Точение торцевое чистовое п. 4 | - | перп. 0,02 мкм | ||
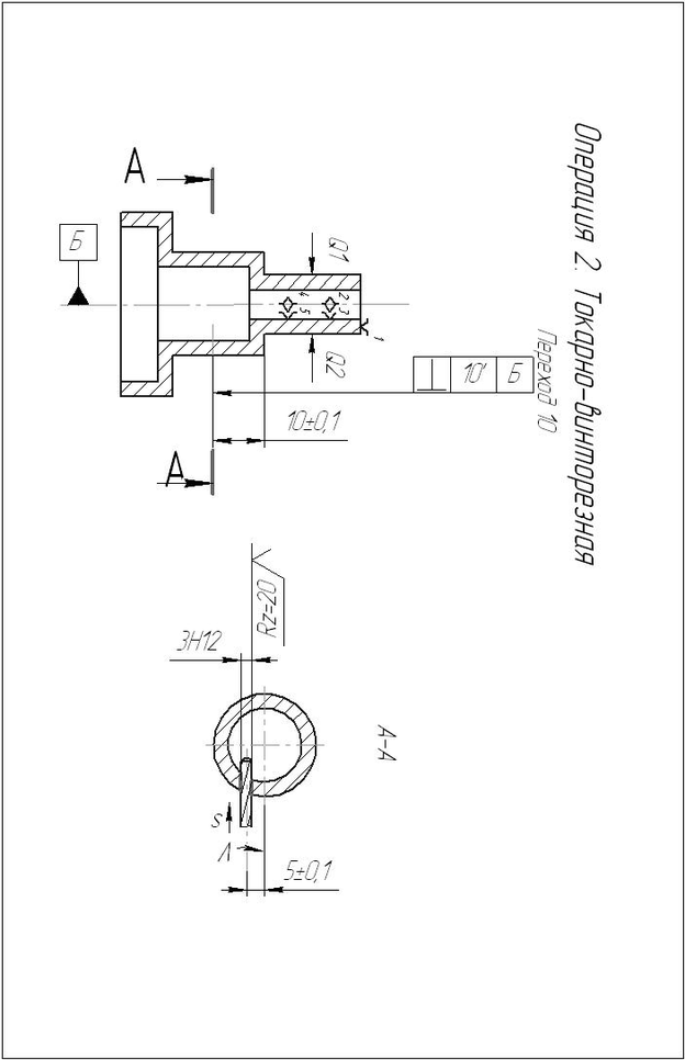
| 10 | Сверление п. 5 | IT12 | перп. 10’ | ||
| 11 | Растачивание черновое п. 5 | IT7 | перп. 2’ | ||
| 12 | Растачивание чистовое п. 5 | IT7 | перп. 2’ | ||
Характеристики
Тип файла документ
Документы такого типа открываются такими программами, как Microsoft Office Word на компьютерах Windows, Apple Pages на компьютерах Mac, Open Office - бесплатная альтернатива на различных платформах, в том числе Linux. Наиболее простым и современным решением будут Google документы, так как открываются онлайн без скачивания прямо в браузере на любой платформе. Существуют российские качественные аналоги, например от Яндекса.
Будьте внимательны на мобильных устройствах, так как там используются упрощённый функционал даже в официальном приложении от Microsoft, поэтому для просмотра скачивайте PDF-версию. А если нужно редактировать файл, то используйте оригинальный файл.
Файлы такого типа обычно разбиты на страницы, а текст может быть форматированным (жирный, курсив, выбор шрифта, таблицы и т.п.), а также в него можно добавлять изображения. Формат идеально подходит для рефератов, докладов и РПЗ курсовых проектов, которые необходимо распечатать. Кстати перед печатью также сохраняйте файл в PDF, так как принтер может начудить со шрифтами.














