Kursovoy_proekt_Tishenko_var_8_5 (1071091), страница 3
Текст из файла (страница 3)
Назначим материал Сталь 30Х.
Диаметр валика определяется из условия
- среднее значение касательных напряжений для стальных валов.
Следует учесть, что отношение длины вала к его диаметру должно быть в интервале 6…15. Поэтому увеличим диаметр вала
.
Определяем усилие, действующее на вал I (колесо прямозубое цилиндрическое, с эвольвентным профилем зубьев, с углом профиля 200). (Cм. рис.1)
Окружная сила, действующая на колесо 2, равна
Радиальная сила, действующая на колесо 2, равна
Окружная сила, действующая на колесо 3, равна
Радиальная сила, действующая на колесо 3, равна
5.2. Расчет на статическую прочность.
Определяем составляющие реакций в опорах.
1. Для плоскости OZY.
Проверяем выполнение условия.
Условие выполняется.
2. Для плоскости OZX.
Проверяем выполнение условия.
Условие выполняется.
Эпюры моментов и сил показаны на рис.2.
рис.2.
5.3. Определение эквивалентных напряжений
Согласно энергетической теории:
Определим эквивалентное напряжение в сечении, где действуют окружная и радиальная силы. Здесь действуют изгибающие моменты: в плоскости OZY (13,44 Н*мм) и в плоскости OZX (1,92 Н*мм), не стоит забывать про крутящий момент (3,18 Н*мм).
Найдем нормальное напряжение:
где:
осевой момент сопротивления изгибу в горизонтальной или вертикальной плоскости;
изгибающий момент в сечении.
Формула для расчета осевого момента сопротивления изгибу для круглого сечения имеет вид:
Рассчитаем эквивалентный момент в сечении, где действуют силы:
Определим напряжение изгиба:
Касательное напряжение рассчитаем по формуле:
где
крутящий момент,
момент сопротивления кручению;
Определим напряжение изгиба:
Таким образом, напряжение в опасном сечении:
Переходим к сравнению напряжения с допускаемым.
Должно выполняться условие
где
допустимое напряжение.
Вал при работе совершает вращательные движения, а значит, находится под действием переменной нагрузки, цикл нагружения – симметричный. При таком цикле изменения напряжений, допускаемое напряжение определяется по формулам:
где:
предельная несущая способность материала.
Материалом вала назначим высокоуглеродистую хромовую сталь 30Х, для которой
(обработка стали: нормализация и улучшение).
Неравенство прочности выполняется, значит, выбранный материал подходит.
Определим коэффициент запаса:
6. Расчет предохранительной фрикционно-дисковой муфты
6.1 Выбор и расчет муфты
В процессе эксплуатации устройства возможны перегрузки выходного звена, что может привести к выходу из строя двигателя или поломке зубьев колёс. Установка предохранительной муфты на предпоследнем (третьем) вале редуктора позволит не допустить эти нежелательные явления.
Спроектируем фрикционно-дисковую предохранительную муфту.
Найдем силу сжатия пружины.
где
коэффициент трения (0.08 для трения закалённой стали о закалённую сталь со смазкой);
крутящий момент;
средний радиус рабочей поверхности конусов:
где
ширина поверхности трения;
допускаемое давление для поверхности трения (для закалённой стали, равно
).
Для проектируемой фрикционной муфты необходимо обеспечить рассчитанную силу прижатия пружиной, для этого спроектируем пружину.
6.2. Расчет пружины для предохранительной муфты
6.2.1 Проектировочный расчёт пружины
Назначаем предварительный материал пружины: углеродистая легированная сталь 50ХФА, для которой после закалки допускаемое касательное напряжение составляет:
модуль упругости второго рода
;
Назначаем удобный для нас средний диаметр пружины:
;
Из двух уравнений, прочности и жёсткости, определяем следующие параметры:
- диаметр проволоки:
коэффициент увеличения напряжения у внутренней стороны витка (сравнительно с напряжением, возникающим при кручении прямого стержня).
зависит от индекса пружины
(обычно
). Предположим
, проверяем:
- число рабочих витков:
где
- индекс пружины;
- жёсткость пружины, которую можно рассчитать следующим образом:
где
предельно допускаемая осадка пружины (примем значение в 10мм);
Рассчитаем геометрические параметры пружины:
- число полных витков:
- начальную высоту:
6.2.2 Проверочный расчёт пружины
,
Условие прочности выполняется.
;
Условие жёсткости выполняется.
7. Проверочный расчет валов и опор
7.1. Проверочный расчет по динамической грузоподъемности
Определим суммарную реакцию в опорах.
Суммарная реакция в опоре А оказалась больше, поэтому дальнейший расчет будем вести по ней.
Запишем характеристики нашего подшипника из сверхлегкой серии диаметров 10000094.
Таблица 5.
| Условное обозначение | d, мм | D, мм | В, мм | r, мм | Dw, мм | z | C, Н | С0, Н |
| 10000094 | 4 | 11 | 4 | 0,3 | 2 | 7 | 750 | 350 |
На подшипник действуют силы в двух направлениях:
окружная сила, действующая на колесо 2 в момент проскальзывания
радиальная сила, действующая на колесо 3 в момент проскальзывания
Эквивалентная радиальная сила равна
Осевая сила равна (сила прижима пружинами)
Так как рабочая температура не превышает 600С, то
.
, так как предъявляются повышенные требования.
Из таблицы находим значение
.
Так как отношение
, то эквивалентная динамическая нагрузка вычисляется по формуле
Рассчитываем динамическую грузоподъёмность:
срок службы подшипника.
Сравниваем с паспортным значением,
. Подшипник подходит.
7.2. Расчет КПД опор
Определим момент трения в шарикоподшипниках.
где
K=0,01
Найдем КПД шарикоподшипника.
8. Проверочный расчет редуктора
8.1. Проверка правильности подбора двигателя
Двигатель выбран правильно, если выполнено условие
Рассчитаем статический момент нагрузки, приведенный к валу двигателя по формуле (3.11)
Условие выполнено
, значит, двигатель выбран правильно.
Для цилиндрических прямозубых передач внешнего зацепления КПД передачи рассчитывается оп формуле
,
где
коэффициент трения,
коэффициент перекрытия,
окружная сила,
коэффициент нагрузки,
Аналогично рассчитываем для остальных передач и получаем
,
Рассчитываем моменты в соответствие с полученными КПД передачи.
Выполним проверку.
Погрешность не превышает 5%, следовательно, расчеты выполнены правильно.
8.2. Проверочный расчет на прочность.
Для цилиндрических и прямозубых передач рассчитаем
Выполним проверку.
Материалы выбраны верно.
8.3. Расчет на прочность при кратковременных перегрузках.
Пусковой момент двигателя равен
Коэффициент перегрузки равен
Статическая прочность зубьев при перегрузках моментом рассчитывается по формуле (),([1], стр.48).
Значение предельного напряжение определяется оп формуле (),([1], стр.48).
,
Статическая прочность зубьев при перегрузках моментом проверяется условием
Условие выполняется.
8.4. Расчет на прочность передачи винт-гайка.
Угол подъема винтовой линии равен
.
Приведенный угол трения
.
Сила на выходном звене равна
.
Шаг резьбы на винте
,
Рассчитаем КПД передачи.
.
Коэффициент запаса примем
Предел текучести материала винта
для стали 45.
Внутренний диаметр равен
.
Допускаемое напряжение в материале равно
.
Расчетная площадь сечения винта равна
Приведенное напряжение винта рассчитаем по формуле (),([], стр.).
Проверим выполнение условия
Условие выполняется.
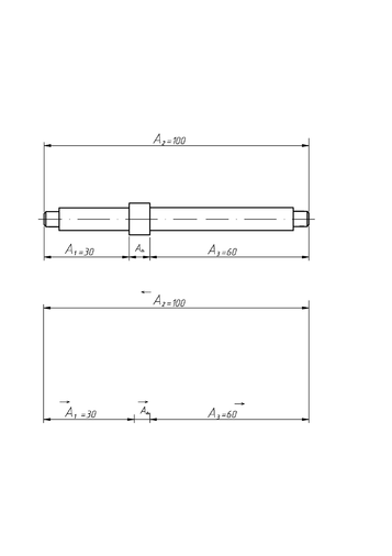
9. Расчет размерной цепи.
9.1. Расчет методом максимума-минимума, способом равных допусков
Размерная цепь изображена на рис.3.
рис. 3.
Следует определить, какими являются размеры: увеличивающие и уменьшающие. Для этого применим правило (См. рис.3.):
Размер
увеличивающий, размеры:
;
– уменьшающие.
Будем рассчитывать по способу равных допусков методом максимума-минимума.
Зададим допуск замыкающего звена
Допуск отдельного звена равен
.
В соответствии с полученным значением, зададим каждому размеру допуск. Запишем полученное в Таблицу 6.
Таблица 6.
|
|
|
|
|
|
|
|
|
Найдем допуск замыкающего звена.
Найдем верхнее и нижнее отклонение размера замыкающего звена.














