Ответы на экзаменационные вопросы (1067284)
Текст из файла
43
-
Умножение частоты
Умножение частоты – увеличение частоты в кратное число раз.
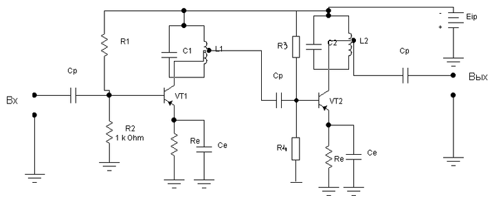
Работа по умножению частоты происходит следующим образом (см. схему)
В виду того, что рабочая точка усилителя VT1 находится на нелинейном участке ВАХ, то на выходе усилителя возникают гармоники начальной частоты w0.
Колебательный контур С1,L1 является коллекторной нагрузкой, настроенной на частоту n1.w0, т.е. выделяет из всех гармоник гармонику n1, чтобы она имела достаточно большую амплитуду на уровне усиления.
Далее эта гармоника поступает на вход 2-ого усилителя VT2, где колебательный контур настроен на гармонику n2 от гармоники n1.
Умножение частоты используют:
-
Чтобы можно было задающий генератор делать на удобной частоте
-
для развязки задающего генератора и последующих устройств (или нагрузки)
-
Преобразование частоты
Преобразование частоты – изменение начальной частоты на определенную величину в направлении уменьшения или увеличения.
Типичное устройство для преобразования частоты:
Схема должна выдавать частоту биений.
За счет того, что в схеме исп. активный элемент (полевой транзистор), то на выходе усилителя будут генерироваться частоты основные w1 и w2, так и их гармоники + частоты биений.
Частоты биений w1-w2 и w1+w2
Предположим, имеется 2 сигнала:
U1(t) = Um1cos(w1t)
U2(t) = Um2cos(w2t)
Таким образом, на входе преобразователя частот имеем:
Uвх(t) = U1(t) + U2(t) = Um1cos(w1t) + Um2cos(w2t)
У полевого транзистора ВАХ нелинейна; min нелинейностью является квадратичная зависимость, поэтому
I=αUвх^2, тогда
I = α*(Um1)^2*cos^2(w1t) + 2α*Um1*Um2*cos(w1t)*cos(w2t) + α*(Um1)^2*cos^2(w2t) = α*(Um1)^2*cos^2(w1t) + α*(Um2)^2*cos^2(w2t)+ α*Um1*Um2*cos[(w1-w2)t] + α*Um1*Um2*cos[(w1+w2)t] Гармоники биений (выделены)
Выходной контур преобразователя частот должен быть настроен на частоту w1 –w2, поэтому колебания этой волны будут усиливаться больше всего.
Пояснить пример преобразования частоты можно на работе приемника прямого усиления.
Входная Цепь – антенна (может включить антенный усилитель)
УВЧ – усилитель высокой частоты (настройка на нужную станцию)
Д – детектор (из сигнала выделяется полезная информация)
УНЧ - усилитель сигнала до требуемой частоты
Н - нагрузка (динамик)
УВЧ осуществляет предварительное усиление сигнала до нужной частоты.
УВЧ должен иметь высокую избирательность (и быть широкополосным). Сделать это очень затруднительно, поэтому придумали супергетеродинный приемник.
-
Принцип супергетеродинного приема
Перестраиваемый УВЧ
СМ- смеситель
Г – гетеродин
УПЧ – усилитель промежуточной частоты
УВЧ обеспечивает настройку на определенную станцию.(w1)
Г – это генератор высокочастотных колебаний, генерирует частоту w2.
При изменении частоты w1 автоматически меняется частота w2. Таким образом, что
w1 – w2 = const = Wпч
Wпч = промежуточная частота.
Десятки n*10Мгц для приема (нормальный сигнал)
Сотни n*100КГц для промежуточной частоты
Оптимальный частотный диапазон, для которого можно сделать высокочастотный усилитель.
Принимая входной сигнал, он преобразуется в w1 – w2, на такой частоте сигнал усиливается.
Проходит через детектор и передается в нагрузку.
Упрощённая структурная схема супергетеродина с однократным преобразованием частоты показана на рисунке. Радиосигнал из антенны подаётся на вход усилителя высокой частоты (в упрощённом варианте он может и отсутствовать), а затем на вход смесителя — специального элемента с двумя входами и одним выходом, осуществляющего операцию преобразования сигнала по частоте. На второй вход смесителя подаётся сигнал с локального маломощного генератора высокой частоты — гетеродина. Колебательный контур гетеродина перестраивается одновременно с входным контуром смесителя (и контурами усилителя ВЧ) — обычно конденсатором переменной ёмкости (КПЕ), реже катушкой переменной индуктивности (вариометром, ферровариометром). Таким образом, на выходе смесителя образуются сигналы с частотой, равной сумме и разности частот гетеродина и принимаемой радиостанции. Разностный сигнал постоянной промежуточной частоты (ПЧ) выделяется с помощью полосового фильтра и усиливается в усилителе ПЧ, после чего поступает на демодулятор, восстанавливающий сигнал низкой (звуковой) частоты.
-
Виды модуляции электрических сигналов.
Модуляция - изменение сигнала в соответствии с изменением информации.
Сигнал, который изменяется, называется модулируемым, а с помощью которого изменяется – модулирующим.
Обычно частота модулируемого сигнала намного выше частоты модулирующего сигнала и называется несущей частотой.
Частота модулирующего сигнала называется частотой модуляции.
Существует столько видов модуляции, сколько параметров у модулирующего сигнала. Под модуляцией понимается изменение одного из параметров модулируемого сигнала по закону передаваемой информации.
Модулироваться могут как импульсные, так и непрерывные сигналы. Для импульсных сигналов существует 4 основных вида модуляции:
- Амплитудно-импульсная модуляция (АИМ)
- Широтно-импульсная модуляция (ШИМ)
- Частотно-импульсная модуляция (ЧИМ)
- Фазово-импульсная модуляция (ФИМ)
Модулироваться могут и непрерывные сигналы:
U(t) = Umcos(wt) (1)
Uam = Um+∆Um*cosΩt (2)
Ω -частота модулирующего сигнала.
∆Um – величина, на которую может измениться модулируемый сигнал.
(2)-(1)
Uam(t) = Uam*cos(wt) =(Um +∆Um*cosΩt)*cos(wt) = Um*(1+cosΩt)*cos(wt)
АИМ: недостаток в том, что амплитуда сигнала может сильно изменяться, поэтому может сильно изменяться мощность.
ЧИМ: амплитуда сигнала остается постоянной.
Частотно модул.сигнал нельзя представить в виде отдельных спектральных составляющих.
Недостаток: требуется устройство с широкой полосой пропускания.
Преимущество: амплитуда колебаний постоянна, поэтому постоянна и мощность.
ФИМ:
Φm = wt + ∆φcosΩt (1)
Uφm(t) = Um*cos( wt + ∆φ*cosΩt) (2)
-
Виды детектирования электрических сигналов.
Детектирование – процесс обратный модуляции, т.е. в результате которого из модулируемого колебания выделяется модулирующий сигнал или полезная информация, которая была заложена в модулированные колебания.
Виды детекторов совпадают с видами модуляции.
- амплитудные
- частотные
- фазовые
- широтные
Детекторы также различаются по амплитуде входных сигналов:
- квадратичные
- линейные
Для работы детектора необходимо 2 фактора:
-
прибор с нелинейной ВАХ (например, диод)
-
сглаживающий фильтр или фильтр низких частот (RC – цепь чаще всего)
Принцип работы детектора:
Поскольку ВАХ нелинейна, то среднее значение выходного тока не равно среднему значению тока (тока покоя) а будет изменяться по закону близкому к закону изменения модулирующего сигнала. Если используется сглаживающий фильтр, то Iср можно будет выделить – это и будет требуемой средней информацией.
Квадратичный детектор получается тогда, когда имеются малые входные сигналы и работает на нелинейном участке ВАХ, поэтому он обладает высоким уровнем нелинейных искажений.
Для линейного детектора характерна работа в режиме больших входных сигналов, поэтому в этом случае ВАХ диода апроксимируется прямой и уровень нелинейных искажений будет намного ниже.
Частотные и фазовые детекторы:
1 часть – преобразуют ЧМК (ФМК) в АМК
2 часть – амплитудный детектор.
-
Структурная схема источника питания
Структурная схема ИП
Тр: трансформатор – решает 2 основные задачи
-
обеспечивает развязку с питающей электрической цепью
-
обеспечивает необходимую величину напряжения (повышающий/понижающий трансформатор)
В – выпрямитель – выпрямление переменного тока и превращение его в постоянный
СФ – сглаживающий фильтр – для сглаживания пульсации тока (или напряжения)
Ст – стабилизатор напряжения
Н – нагрузка, на которую работает ИП
ИП нестабилен, когда имеют место следующие дестабилизирующие факторы
- нестабильность питающих напряжений
- нестабильность частоты питающих напряжений
- влияние температуры окружающей среды
- изменение параметров нагрузки
-
Схемы выпрямления переменного тока.
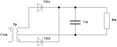
1) Однополупериодная схема.
При использовании данной схемы теряется одна полуволна => низкое качество.
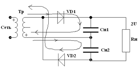
2) Двухполупериодная схема.
КПД такого выпрямителя в 2 раза выше.
а)VD1-открыт, VD2-закрыт, Сн заряжается б) наоборот
3) Мостовая схема (является двухполупериодной)
«+»: Нагрузка на диод уменьшается вдвое, растет мощность и надежность.
«-»: Требуется в 2 раза больше диодов.
3) Схема с умножением напряжения.
Используется, когда нужно иметь более высокое напряжение в нагрузке, чем дает на входе трансформатор.
8. Пассивные сглаживающие фильтры.
Сглаживающие фильтры по принципу работы и элементам можно разделить на пассивные и активные. Пассивные изготовляются на базе R, L, C. Активные – на базе транзисторов и транзисторных схем.
q=Knвх/Кnвых (1) – отношение коэффициента пульсации на входе к кп на выходе
Knвх = Uвх~/Uвх0 – отношение переменной составляющей к постоянной (кп) на входе
Характеристики
Тип файла документ
Документы такого типа открываются такими программами, как Microsoft Office Word на компьютерах Windows, Apple Pages на компьютерах Mac, Open Office - бесплатная альтернатива на различных платформах, в том числе Linux. Наиболее простым и современным решением будут Google документы, так как открываются онлайн без скачивания прямо в браузере на любой платформе. Существуют российские качественные аналоги, например от Яндекса.
Будьте внимательны на мобильных устройствах, так как там используются упрощённый функционал даже в официальном приложении от Microsoft, поэтому для просмотра скачивайте PDF-версию. А если нужно редактировать файл, то используйте оригинальный файл.
Файлы такого типа обычно разбиты на страницы, а текст может быть форматированным (жирный, курсив, выбор шрифта, таблицы и т.п.), а также в него можно добавлять изображения. Формат идеально подходит для рефератов, докладов и РПЗ курсовых проектов, которые необходимо распечатать. Кстати перед печатью также сохраняйте файл в PDF, так как принтер может начудить со шрифтами.
















