Реферат (1066011)
Текст из файла
МГТУ им. Баумана
Реферат
«Планетарные передачи»
«Волновые передачи»
Студент: Якубович Н.Р.
Группа: Э7-52
Преподаватель: Фомин М.В.
Дата предъявления:___________
Подпись ___________
2006г
Планетарные передачи.
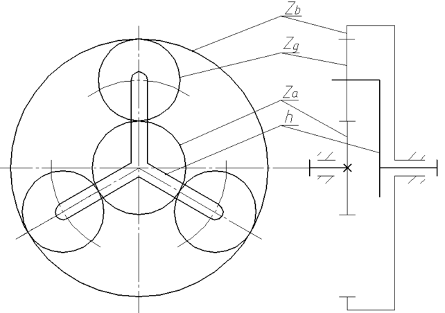
Планетарными называется механизм, состоящий из зубчатых колес, в котором геометрическая ось хотя бы одного из колес подвижна.
Принцип работы планетарных передач: при закрепленном колесе zb (b=0) вращение колеса za (a=0) вызывает вращение сателлита zg относительно собственной оси со скоростью g. Качение сателлита по zb перемещает его ось и вращает водило со скоростью h.
Сателит совершает вращение относительно водила со скоростью gh=g – h и вместе с водилом (переносное движение). Его движение напоминают движение планет, поэтому передача называется планетарной.
Основными звеньями планетарной передачи называют такие, которые воспринимают внешние моменты. Любое основное звено планетарной передачи может быть остановлено.
Дифференциальной называют передачу, в которой все основные звенья подвижны. При этом можно суммировать движение двух звеньев на одном или раскладывать движение одного звена на два остальных.
Планетарные передачи по сравнению с обычными имеют преимущества: меньшие габариты и массу, так как вращающий момент передается по нескольким потокам (сателлитам); в некоторых схемах можно получить большие передаточные отношения при малом числе колес (с увеличением передаточного числа в одной передаче КПД уменьшается).
К недостаткам передач можно отнести: повышенная точность изготовления; большое число подшипников качения; наличие долбяка для нарезания колес с внутренними зубьями (долбяк меняет параметры при переточках).
Волновые зубчатые передачи.
Волновая передача – это механизм, в котором движение между звеньями передается перемещением волны деформации гибкого звена. Волновая зубчатая передача (ВЗП) включает z1 – гибкое колесо с внешними зубьями, выполненное в виде тонкостенного цилиндра, соединенного с тихоходным валом; z2 – жесткое колесо с внутренними зубьями, соединенное с корпусом; h – генератор волн, состоящий из гибкого подшипника, напрессованного на овальный кулачок, или из двух больших роликов (дисков), расположенных на эксцентриковом валу.
Генератор волн по большой оси Y выполняют больше отверстия гибкого колеса на величину 2W0, а по малой оси X – меньше. При деформации гибкого колеса во время сборки зубья по большой оси генератора входят в зацепление на полную глубину активной части зуба hd. По малой оси зубья перемещаются (W) к центру и не зацепляются. Между этими участками зубья гибкого колеса погружены во впадины жесткого на разную глубину.
Цель деформации – получить большое число одновременно зацепляющихся зубьев и повысить нагрузочную способность передачи. Для обеспечения многопарного зацепления выбирают определенной формы кулачок, величину радиальной деформации и геометрию профиля зубьев.
Многопарность зацепления определяет все положительные качества передач по сравнению с обычными: меньшие массу и габаритные размеры, более высокую кинематическую точность, меньший мертвый ход, высокую демпфирующую способность, меньший шум.
Волновые передачи позволяют осуществить большие передаточные отношения в одной ступени: минимальное 70 (ограничивается изгибной прочностью гибкого зубчатого венца), максимальное – 300…320 (ограничивается минимально допустимой величиной модуля, равной 0,2…0,15 мм). При этом КПД равен 85…78%, как в планетарных передачах при тех же передаточных отношениях. В режиме мультипликатора КПД 65…55%.
К недостаткам ВЗП можно отнести мелкие модули зацепления (0,15…2 мм), сложность изготовления генератора волн из-за возникновения вибраций.
Характеристики
Тип файла документ
Документы такого типа открываются такими программами, как Microsoft Office Word на компьютерах Windows, Apple Pages на компьютерах Mac, Open Office - бесплатная альтернатива на различных платформах, в том числе Linux. Наиболее простым и современным решением будут Google документы, так как открываются онлайн без скачивания прямо в браузере на любой платформе. Существуют российские качественные аналоги, например от Яндекса.
Будьте внимательны на мобильных устройствах, так как там используются упрощённый функционал даже в официальном приложении от Microsoft, поэтому для просмотра скачивайте PDF-версию. А если нужно редактировать файл, то используйте оригинальный файл.
Файлы такого типа обычно разбиты на страницы, а текст может быть форматированным (жирный, курсив, выбор шрифта, таблицы и т.п.), а также в него можно добавлять изображения. Формат идеально подходит для рефератов, докладов и РПЗ курсовых проектов, которые необходимо распечатать. Кстати перед печатью также сохраняйте файл в PDF, так как принтер может начудить со шрифтами.















