ЛР1. Исследование интерфейса и управления АЛУ для логических и арифметических операций (1065583)
Текст из файла
6
МОСКОВСКИЙ ГОСУДАРСТВЕННЫЙ ТЕХНИЧЕСКИЙ УНИВЕРСИТЕТ им. Н.Э.Баумана
В.И. Виноградов, С.Б. Спиридонов, А.В. Шигин
Лабораторная работа № 1
по курсу “Вычислительные средства АСОИУ”
Исследование интерфейса и управления арифметико-логическим устройством для выполнения логических и арифметических операций.
Москва. 2012 г.
Цель работы: Ознакомление c возможностями моделирования работы арифметико-логического устройства (АЛУ). Настройка интерфейса управления микросхемы АЛУ. Исследование работы АЛУ на примере выполнения арифметических и логических операций.
Продолжительность работы: 4 часа.
1. Основные понятия.
Арифметико-логическое устройство предназначено для выполнения арифметических и логических операций над многоразрядными операндами в зависимости от кодов, подавемых на управляющие входы.
В вычислительных устройствах АЛУ является базовым узлом и работает в сочетании с ОЗУ, регистрами сдвига, регистрами общего назначения и др. Микросхемы АЛУ, принадлежащие к разным видам логик, функционально во многом совпадают.
Так в ТТЛ-логике это микросхема К155ИП3, в К-МОП-логике
микросхема 564ИП3.
Аналогом микросхемы К155ИП3 в программе EWB имеется микросхема 74181. Она представляет собой четырехразрядное АЛУ.
АЛУ работает в режиме выполнения логических операций при значении управляющего сигнала М=1 и в режиме выполнения арифметических операций при значении управляющего сигнала
М=0.
В приведенной таблице 1 содержатся выполняемые логические и арифметические операции в зависимости от кодовой комбинации на управляющих входах S0, S1,S2, S3.
Таблица 1.
| S3 | S2 | S1 | S0 | Логическая функция М=1 | Арифметико-логическая функция М=0, С'=1 (входной перенос отсутствует) |
| 0 | 0 | 0 | 0 | А' | A или А+1 (вх.перенос ) |
| 0 | 0 | 0 | 1 | (A+B)' | A+B или A+B+1 |
| 0 | 0 | 1 | 0 | A' B | A+B' или (A+B')+1 |
| 0 | 0 | 1 | 1 | 0 | -1 или 0 при переносе |
| 0 | 1 | 0 | 0 | (AB)' | A+AB' или (A+AB')+1 |
| 0 | 1 | 0 | 1 | B' | (A+B)+AB' или ((A+B)+AB')+1 |
| 0 | 1 | 1 | 0 | A EB искл. ИЛИ | A-B-1 или A-B |
| 0 | 1 | 1 | 1 | AB' | AB'-1 или AB' |
| 1 | 0 | 0 | 0 | A'+B | A+AB или A+B+1 |
| 1 | 0 | 0 | 1 | (A+B)' | A+B или A+B+1 |
| 1 | 0 | 1 | 0 | B | (A+B')+ABили (A+B')+AB+1 |
| 1 | 0 | 1 | 1 | AB | AB-1 или AB |
| 1 | 1 | 0 | 0 | 1 | A+A или A+A+1 |
| 1 | 1 | 0 | 1 | A+B' | (A+B)+A или (A+B)+A |
| 1 | 1 | 1 | 0 | A+B | (A+B')+A или (A+B')+A+1 |
| 1 | 1 | 1 | 1 | A | A-1 или A |
2. Используемые элементы EWB.
На панели Digital ICs выбирается схема из множества 741хх
Под номером 74181 - Четырёхразрядное АЛУ.
3. Задание на выполнение лабораторной работы.
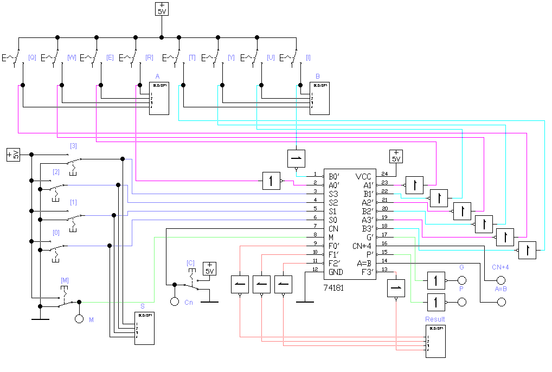
Подготовить микросхему АЛУ на рабочем столе.
Подготовить 4 переключателя для задания режимов управления.
Сигналы S подаются на входы S0.....S3 АЛУ.
Ещё один переключатель используется для задания режима М.
И в том и другом случае логическая 1 подаётся от 5V источника постоянного тока, логический 0 от заземления.
Шестой переключатель осуществляет роль входного переноса и подключается таким же образом к входу CN.
Значения четырёхразрядных операндов А и В задаются с помощью генератора слова и в шестнадцатеричном коде отображаются на алфавитно-цифровых индикаторах и подсоединяются к входам А0....А3 и В0.....В3.
На выходах F0....F3 формируется результат операции АЛУ. Для отображения результата к выходам F0....F3 присоединяется алфавитно-цифровой индикатор.
К выходу VCC присоединить источник 5V.
К входу GND подсоединить заземление.
При коде 1111 на выходах F и при равенстве операндов выход А=В переводится в единичное состояние. Поскольку этот выход представляет собой каскад с открытым коллектором, то на него подаётся питание +5 вольт через резистор 1 кОм. Выход А=В совместно с выходом переноса CN+4 и выходом Р подтверждения переноса используются для формирования признаков А>B и A<B c помощью дополнительных логических элементов ИЛИ-НЕ и НЕ.
Изменяя состояния сигналов на управляющих входах по приведённой таблице, можно промоделировать большинство функций АЛУ, используемых в микропроцессорах.
Схема исследования АЛУ представлена на рис.2
Рис.2 Схема исследования АЛУ.
1. Проведите моделирование перечисленных в таблице режимов
работы АЛУ (по указанию преподавателя).
2. Выполните сложение и вычитание двух целых чисел со знаками в дополнительном коде.
4. Содержание отчета.
4.1. Схема АЛУ, собранная на лабораторной работе.
4.2. Таблица исходных операндов и результат выполнения операций в АЛУ.
5. Контрольные вопросы.
5.1. Назначение входа переноса в АЛУ.
5.2.. Чем отличаются логические операции от арифметических операций?
5.3. Как можно выполнить операцию инкремента?
5.4. Как выполняются операции сравнения?
6. Литература.
1. В.И. Карлащук. Электронная лаборатория на IBM PC.
М., "СОЛОН-Пресс", 2003.
2. Электротехника и электроника в экспериментах и упражнениях:
Практикум на Electronics Workbench: В 2-х томах /Под общей
редакцией Д.И.Панфилова. М.: ДОДЭКА,2000.
3. Потёмкин И.С. Функциональные узлы цифровой автоматики. - М.: Энергоатомиздат, 1988. - 320 с.
4. Пухальский Г.И., Новосельцева Т.Я. Цифровые устройства: Учебное пособие
для втузов. - СПб.: Политехника, 1996. - 885 с.
5. Савельев А.Я. Арифметические и логические основы цифровых автоматов: Учебник. - М.: Высшая школа, 1980.-255 с.
6. Угрюмов Е.П. Цифровая схемотехника. - СПб.: БХВ - Санкт-Петербург, 2000 - 528 с.: ил.
6
Характеристики
Тип файла документ
Документы такого типа открываются такими программами, как Microsoft Office Word на компьютерах Windows, Apple Pages на компьютерах Mac, Open Office - бесплатная альтернатива на различных платформах, в том числе Linux. Наиболее простым и современным решением будут Google документы, так как открываются онлайн без скачивания прямо в браузере на любой платформе. Существуют российские качественные аналоги, например от Яндекса.
Будьте внимательны на мобильных устройствах, так как там используются упрощённый функционал даже в официальном приложении от Microsoft, поэтому для просмотра скачивайте PDF-версию. А если нужно редактировать файл, то используйте оригинальный файл.
Файлы такого типа обычно разбиты на страницы, а текст может быть форматированным (жирный, курсив, выбор шрифта, таблицы и т.п.), а также в него можно добавлять изображения. Формат идеально подходит для рефератов, докладов и РПЗ курсовых проектов, которые необходимо распечатать. Кстати перед печатью также сохраняйте файл в PDF, так как принтер может начудить со шрифтами.
















