ДЗ (23.12) (1065481)
Текст из файла
Исходные данные:
Объем рабочей камеры – 0,5 м3;
Площ. непрогр. мет. дет.Fi – 0,5 м²
Площ. поверх. стекла Fj – 0,005 м²
Масса прогр. дет.(катод, испарит.) mk – 0,005 кг.
Рабочий вакуум – 5.10-9 Па;
Тип вакуума – безмасляный;
-
Исходя из объёма и формы выбрать геометрические параметры камеры и определить площадь поверхности.
-
Допустим, что камера цилиндрическая.
-
Высота = 0,5 м
-
Радиус = 0,56 м
-
Площадь поверхности = 1,76
-
Расчет эффективной быстроты откачки вакуумной камеры.
-
Рабочее давление
=5.10-9 [Па]; -
S0=Qв/p=
Выбор типа и типоразмера высоковакуумного насоса исходя из условия Sн≥S0, типа вакуума и давления остаточных газов;
-
Криогенный насос HSR VCP100
-
Предельное давление РН, Па –
-
Быстрота действия,
- 11,0 -
Диаметр присоединительного фланца Dy, мм - 100
-
Диапазон рабочих давлений РР, Па –
-
Даёт безмасляный вакуум
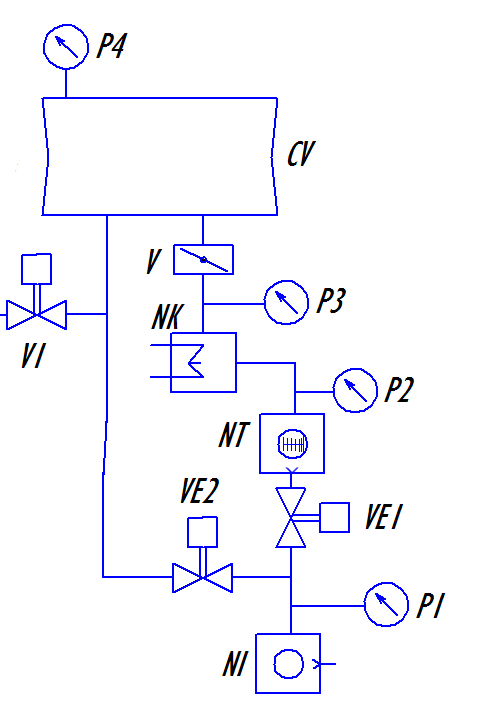
Составить вакуумную схему с учётом выбранного типа высоковакуумного насоса: схема в начале.
Выбор типа и типоразмера турбомолекулярного насоса
-
Edwards STP301C ISO100 inlet KF40 outlet
-
Диапазон рабочих давлений, Па –
-
Диаметр впускного патрубка – 100 мм
-
Диаметр выпускного патрубка – 40 мм
Выбор типа и типоразмера форвакуумного насоса исходя из условия Sн≥Qв/pвх.ф.в.н., где pвх.ф.в.н. находится по таблице для выбранного форвакуумного насоса.
-
Спиральный насос Varian TriScroll 600 Inverter
-
Предельное давление РН’, Па –
-
Быстрота действия,
- 0,001 -
Диаметр присоединительного фланца Dy, мм - 40
-
Диапазон рабочих давлений РР, Па -
-
Qв/pвх.ф.в.н. =
-
Sн≥Qв/pвх.ф.в.н - выполняется.
Выбрать и обосновать тип и типоразмер запорной арматуры:
-
Клапаны электромагнитные – PVEK PV40 (7,5x10-10 – 1500 Торр)
-
Затвор VAT Series 08 (08140-FA03) DN 100 (диапазон давлений - Па –
) -
Клапаны напуска: Edwards IPVA10EK C41731000
Вакууметры комбинированные: INFICON; Inverted Magnetron Pirani Gauge; MPG401 (FPM sealed metal-sealed)
Дополнительные элементы не требуются
Так как придётся открывать камеру – нужно использовать резиновые уплотнения. Можно использовать бонусную схему со шлюзом, тогда резиновые уплотнения будут только в шлюзе, а в остальной вакуумной системе - медные уплотнения.
Таблица:
| Схема | Наименование | Марка | Название | Артикул | Кол-во |
| NI | Спиральный насос | Varian | TriScroll 600 Inverter | 656494220 | 1 |
| P_X | Комбинированный вакуумный датчик | INFICON | Inverted Magnetron Pirani Gauge | MPG401 | 4 |
| V1 | Клапан напуска | Edwards | IPVA10EK | C41731000 | 1 |
| V | Затвор | VAT | Series 08 DN 100 | 08140-FA03 | 1 |
| VE_X | Клапаны электромагнитные | PVEK | PV40 | - | 2 |
| NT | Турбомолекулярный насос | Edwards | ISO100 inlet KF40 outlet | STP301C | 1 |
| NK | Криогенный насос | HSR | VCP100 | - | 1 |
P.S. Переделал всё с нуля, так как в первом варианте была ошибка с насосом из-за невнимательности к размерностям. Теперь переделал с тремя насосами.
Характеристики
Тип файла документ
Документы такого типа открываются такими программами, как Microsoft Office Word на компьютерах Windows, Apple Pages на компьютерах Mac, Open Office - бесплатная альтернатива на различных платформах, в том числе Linux. Наиболее простым и современным решением будут Google документы, так как открываются онлайн без скачивания прямо в браузере на любой платформе. Существуют российские качественные аналоги, например от Яндекса.
Будьте внимательны на мобильных устройствах, так как там используются упрощённый функционал даже в официальном приложении от Microsoft, поэтому для просмотра скачивайте PDF-версию. А если нужно редактировать файл, то используйте оригинальный файл.
Файлы такого типа обычно разбиты на страницы, а текст может быть форматированным (жирный, курсив, выбор шрифта, таблицы и т.п.), а также в него можно добавлять изображения. Формат идеально подходит для рефератов, докладов и РПЗ курсовых проектов, которые необходимо распечатать. Кстати перед печатью также сохраняйте файл в PDF, так как принтер может начудить со шрифтами.
=5.10-9 [Па];
- 11,0
)















