LEK_1 (1064536)
Текст из файла
электротехника и электроника
Лекции Князьковой Т.О.
МОДУЛЬ 1. «Цепи постоянного тока. Основы анализа и расчета электрических цепей»
ЛЕКЦИЯ 1
Введение
Электротехника – общеобразовательная дисциплина, изучающая использование электромагнитных явлений для практических целей, а также вопросы производства, передачи на расстояние и преобразования электрической энергии в другие виды энергий.
Основные понятия электротехники
Электрическое поле – одна из форм проявления электромагнитного поля, характеризующаяся напряженностью электрического поля
Е – эдс (В)
Потенциал – энергия заряженной частицы или узла
φ (В)
Напряжение или разность потенциалов
U = φа - φв (В)
Ток – направленное движение электрических зарядов. Токи могут быть: постоянными, значение и направление которых не изменяется во времени, переменными, значение и направление которых изменяется во времени. I (А)
Сопротивление R (Ом)
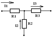
Топология электрических схем
| а) ветвь - участок электрической цепи с одним и тем же током |
| ветвь активная |
|
| ветвь пассивная |
Количество ветвей - р
б) узел – q место соединения трех и более ветвей, узлы бывают потенциальные или геометрические рис. 1
Рис. 1
Четыре узла геометрических (abcd) и три потенциальных (abc) так как потенциалы узлов с и d равны: φс = φd
в) Контур - замкнутый путь, проходящий через несколько ветвей и узлов разветвленной электрической цепи – abcd , рис. 1. Независимый контур имеющий хотя бы одну новую ветвь.
г) Двухполюсник - часть электрической цепи, имеющая два полюса-вывода. Двухполюсники бывают активные и пассивные
д) Четырехполюсник- часть электрической цепи, имеющая четыре полюса-вывода, бывают активные и пассивные
Электрическая цепь и ее элементы
Электрической цепью называют совокупность генерирующих, приемных и вспомогательных устройств, соединенных электрическими проводами и образующие замкнутый путь для электрического тока.
Источники электрической энергии – преобразователи химической, механической, тепловой, световой и т.д. энергий в электрическую энергию:
и т.д.
Приемники электрической энергии:
а) с необратимыми процессами преобразования электрической энергии в другие виды энергии:
| Резистор, (противодействие проводника электрическому току) электрическая энергия преобразуется в тепловую. Условное обозначение резисторов 1-тип прибора: Р - постоянный, РП - переменный, ТР – терморезистор и т.д. 2-материал: 1 - непроволочное, 2 – проволочное и т.д. 3-порядковый номер разработки Пример обозначения: Р1-26 (постоянный непроволочный резистор). Основные параметры резисторов номинальное сопротивление и допуск на величину сопротивления номинальная мощность температурный коэффициент сопротивления Значения номинальных сопротивлений выбираются из рядов сопротивлений Е6, Е12, Е24, Е48, Е96, Е192 | |
|
| Лампа накаливания, электрическая энергия преобразуется в световую, тепловую энергии |
и др.
б) с обратимыми процессами преобразования электрической и магнитной энергии
Вспомогательные устройства:
а) Коммутаторы, управляющие режимом работы электрической цепи
б) Реле
в) предохранители, для защиты от перенапряжения или недопустимых значениях тока.
г) Выключатели, переключатели.
Классификация элементов электрической цепи
| Активные: | Пассивные: |
| ЭДС | Линейные: R, C, L |
| Источник тока | Нелинейные: диоды, стабилитроны и др |
Законы, описывающие работу электрической цепи
1. Закон Ома – сила тока прямо пропорциональна приложенному напряжению и обратно пропорциональна сопротивлению проводника.
Обобщенный закон Ома для активной ветви:
Правило: ЭДС и напряжение берутся со знаком «+», если их направления совпадают с направлением тока, и со знаком «–» , если нет.
2. Законы Кирхгофа
1-ый закон: алгебраическая сумма токов ветвей, сходящихся в одном узле, равна нулю. Правило: ток втекающий в узел берется с «+» и вытекающий с «–».
Σ Ii = 0, например: I1 + I2 - I3 = 0
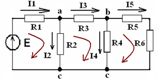
2-ой закон: алгебраическая сумма напряжений на резистивных элементах замкнутого активного контура- macn (рис.1) равна алгебраической сумме ЭДС, входящих в этот контур.
ΣRi·Ii = ΣEi
Пример: Составим уравнение по 2-му закону Кирхгофа для 1 контура и для 2 контура, рис.1 :
алгебраическая сумма напряжений всех участков замкнутого пассивного контура abcd (рис.1) равна 0.
ΣUi = 0
Правило: если ЭДС и ток имеют одинаковое направление с направлением обхода контура, то они берутся с «+», если нет, то с «–».
3. Закон Джоуля-Ленца
Мощность источника эл. энергии определяется как произведение тока на напряжение:
Pист = U·J или Рист = Е·I
Мощность приемника определяется как произведение квадрата тока на сопротивление ветви:
Рпр = I²·R
Лекция 1 5
Характеристики
Тип файла документ
Документы такого типа открываются такими программами, как Microsoft Office Word на компьютерах Windows, Apple Pages на компьютерах Mac, Open Office - бесплатная альтернатива на различных платформах, в том числе Linux. Наиболее простым и современным решением будут Google документы, так как открываются онлайн без скачивания прямо в браузере на любой платформе. Существуют российские качественные аналоги, например от Яндекса.
Будьте внимательны на мобильных устройствах, так как там используются упрощённый функционал даже в официальном приложении от Microsoft, поэтому для просмотра скачивайте PDF-версию. А если нужно редактировать файл, то используйте оригинальный файл.
Файлы такого типа обычно разбиты на страницы, а текст может быть форматированным (жирный, курсив, выбор шрифта, таблицы и т.п.), а также в него можно добавлять изображения. Формат идеально подходит для рефератов, докладов и РПЗ курсовых проектов, которые необходимо распечатать. Кстати перед печатью также сохраняйте файл в PDF, так как принтер может начудить со шрифтами.
















