Построение эпюр в статически неопределимых системах. Метод перемещений (1061798)
Текст из файла
7. Построение эпюр в статически неопределимых системах. Метод перемещений
7.1 Сущность метода
Как уже говорилось выше, в статически неопределимых системах (в отличие от систем статически определимых) распределение внутренних сил зависит от упругих свойств элементов системы. Поэтому для определения всех усилий в конструкции одних только уравнений равновесия недостаточно, и в общем случае нужно дополнительно составлять физические и геометрические уравнения, описывающие условия деформации системы. При этом какие-то факторы выбирают в качестве основных неизвестных. Эти величины должны вполне определять напряженно-деформированное состояние системы, т.е. через них можно выразить все остальные неизвестные.
Если в методе сил в качестве таких основных неизвестных выбираются внутренние усилия в фиксированных сечениях конструкции, то в методе перемещенийза основные неизвестные принимаются перемещения фиксированных сечений или узлов системы. Число неизвестных перемещений, принимаемых за основные, называется степенью кинематической неопределимости. Оно, вообще говоря, не связано со степенью статической неопределимости данной конструкции. Число и вид неизвестных перемещений назначают так, чтобы через них достаточно легко могли быть выражены все прочие факторы системы, в частности внутренние усилия в ее элементах.
Для иллюстрации сказанного рассмотрим абсолютно жесткий брус, поддерживаемый четырьмя одинаковыми стержнями с жесткостью на растяжение ЕА(рис.7.1,а). Такая система является трижды статически неопределимой. В то же время удлинения, а следовательно, и усилия всех стержней вполне определяются одним перемещением, например вертикальным перемещением точки В, которое обозначим через Z1.
Рис.7.1. Трижды статически неопределимая и один раз кинематически неопределимая система
Степень статической неопределимости зависит от числа вертикальных стержней, в то время как степень кинематической неопределимости такой системы остается равной единице при любом числе стержней.
Метод расчета таких систем, рассматриваемый в традиционном курсе сопротивления материалов, также предполагает использование картины деформаций системы, но не является методом перемещений. Здесь же мы рассмотрим решение в форме, характерной для метода перемещений.
Определим усилия в стержнях N1, N2, N3, N4, принимая в качестве неизвестного перемещение Z1. Устраним перемещение Z1, введя по его направлению дополнительную связь (рис.7.1,б). Сформированную таким образом систему назовем основной системой метода перемещений. Сообщим введенной связи принудительное смещение Z1, которое определим из условия равенства нулю суммарной реакции R1 в этой связи, так как в действительности сама связь отсутствует. Будем считать реакцию положительной, если ее направление совпадает с принятым направлением перемещения, и отрицательной — в противном случае.
В основной системе от нагрузки F реакция в связи
(рис.7.1,б). От смещения Z1 для линейно-упругой системы реакция в связи пропорциональна перемещению Z1. Представим ее в виде
,
где r11 – реакция от единичного смещения
(рис.7.1,в). Согласно принципу суперпозиции условие отсутствия полной реакции в присоединенной связи имеет вид
|
| (7.1) |
или
|
| (7.2) |
Составляя сумму моментов относительно точки О (рис.7.1,в), находим
Из уравнения (7.2) получим
Усилия в стержнях, показанные на рис.7.1,в, найдены от единичного смещения
умножая их на фактическое перемещение Z1, получим искомые значения сил:
Разрешающее уравнение (7.2) выражает в соответствующей форме условие равновесия системы, получившей под нагрузкой F перемещение Z1; иначе говоря, это уравнение равновесия системы, выраженное через перемещение Z1.
Аналогичные рассуждения можно провести и для рамных систем, где использование метода перемещений является особенно эффективным.
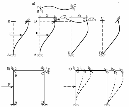
Рассмотрим плоскую раму (рис.7.2,а) в деформированном состоянии как совокупность отдельных стержневых элементов, объединенных в узлах. Деформированное состояние каждого элемента вполне определяется нагрузкой, непосредственно приложенной к этому элементу, и перемещениями его концевых сечений. Отдельные стержни, показанные на рис.7.2,а, деформированы так же, как и в составе рамы, что достигается смещением концевых сечений стержней на величины, равные перемещениям узлов рамы.
Если пренебречь изменением длин стержней в процессе деформации, то в целом деформированное состояние рамы будет определено тремя перемещениями узлов — горизонтальным линейным смещением ригеля Z1 и углами поворотов узлов Z2 и Z3. Следовательно, степень кинематической неопределимости рамы равна трем.
Основная система с присоединенными связями, устраняющими эти перемещения, показана на рис.7.2,б. Условные защемления, введенные в узлы и устраняющие их углы поворотов, называются плавающими заделками, так как считается, что, устраняя поворот, они не препятствуют соответствующему линейному смещению узла. При устранении связи 1 рама деформируется без поворота узлов (рис.7.2,в).
Уравнения равновесия рамы, выраженные через перемещения Z1, Z2 и Z3 получим, приравнивая нулю суммарные реакции в присоединенных связях (сосредоточенная сила в линейной связи) и моменты в угловых связях:
|
| (7.3) |
Рис.7.2. К расчету рам методом перемещений
Система уравнений (7.3) является разрешающей системой для рассматриваемой рамы по методу перемещений. Для того чтобы можно было развернуть каждое из равенств (7.3), нужно предварительно изучить работу отдельных стержней, составляющих основную систему, на воздействие различных видов нагрузки и смещений опорных закреплений. Если предварительно вычислить реакции по концам стержней от указанных воздействий, то, используя принцип суперпозиции, каждую из полных реакций (7.3) можно записать как сумму слагаемых, выражающих каждое воздействие отдельно.
7.2 Вспомогательная таблица метода перемещений
Как было показано в предыдущем параграфе, при расчете методом перемещений исходная система путем введения дополнительных связей расчленяется на ряд однопролетных статически неопределимых балок. Очевидно, что характер нагружения таких балок и способы закрепления их концов дают определенный, постоянный "набор" возможных вариантов, к определенной совокупности которых приводит расчетная схема любой заданной системы. Поэтому целесообразно заранее рассчитать однопролетные статически неопределимые балки при разных нагрузках и использовать эти результаты по мере необходимости. Обычно такой "набор" возможных вариантов представляется в табличной форме (табл.7.1).
Рассмотрим несколько примеров, иллюстрирующих результаты, указанных в тех или иных строках приведенной таблицы.
1. Загружение сосредоточенной силой F однопролетной балки с жестким защемлением на одном конце и шарнирно подвижным опиранием на другом (строка 1 вспомогательной таблицы).
Для решения задачи используем метод сил. Эквивалентная система, единичная и грузовая эпюры для заданной схемы (рис.7.3,а) представлены на рис.7.3,б,в,г.
Рис.7.3. Расчет вспомогательной балки методом сил
Каноническое уравнение метода сил:
Коэффициенты канонического уравнения найдем способом Верещагина:
Таблица 7.1
Вспомогательная таблица метода перемещений
Таблица 7.1 (окончание)
Вспомогательная таблица метода перемещений
Характеристики
Тип файла документ
Документы такого типа открываются такими программами, как Microsoft Office Word на компьютерах Windows, Apple Pages на компьютерах Mac, Open Office - бесплатная альтернатива на различных платформах, в том числе Linux. Наиболее простым и современным решением будут Google документы, так как открываются онлайн без скачивания прямо в браузере на любой платформе. Существуют российские качественные аналоги, например от Яндекса.
Будьте внимательны на мобильных устройствах, так как там используются упрощённый функционал даже в официальном приложении от Microsoft, поэтому для просмотра скачивайте PDF-версию. А если нужно редактировать файл, то используйте оригинальный файл.
Файлы такого типа обычно разбиты на страницы, а текст может быть форматированным (жирный, курсив, выбор шрифта, таблицы и т.п.), а также в него можно добавлять изображения. Формат идеально подходит для рефератов, докладов и РПЗ курсовых проектов, которые необходимо распечатать. Кстати перед печатью также сохраняйте файл в PDF, так как принтер может начудить со шрифтами.
















