Sneak° РПЗ (1060440), страница 4
Текст из файла (страница 4)
Целью данного расчёт является определение общей погрешности кинематической цепи
и сравнение её с допустимым значением [
. Общая погрешность кинематической цепи находится как сумма кинематической погрешности цепи
и погрешности мёртвого хода цепи
. Таким образом проверяемое условие для погрешности будет иметь вид [1]
(34)
Определение погрешности мёртвого хода кинематической цепи.
Общая погрешность мёртвого хода состоит из люфтовой погрешности цепи и упругого мёртвого хода валов [1]
(35)
Определение люфтовой погрешности передачи.
Вычислим межосевые расстояния по формуле [1]:
Определим по графику [1] собственную люфтовую погрешность Δφ7H для передачи c 7 степенью точности, сопряжением H и модулем m=0.5 мм.
Определим собственную люфтовую погрешность для разрабатываемой конструкции:
(36)
Где Kc – коэффициент, вносящий поправку при выборе степени точности 7G. Kc = 1,6 [1].
Km - коэффициент, вносящий поправку для модуля m=0,4 мм. Km = 1,2 [1].
Так как 2 и 3 ступени редуктора содержат люфтовыбирающие колёса, то люфтовая погрешность этих ступеней равна нулю.
Результаты представим в сводной таблице (табл.13):
| Табл. 13 Значение люфтовой погрешности ступеней редуктора | |||
| № ступени | 1 | 2 | 3 |
| zколеса | 62 | 192 | 192 |
| a, мм | 17,2 | 43,2 | 43,2 |
| Δφ`7H | 7 | 2 | 2 |
| Δφ`л | 13,44 | 0 | 0 |
Найдём люфтовую погрешность передачи по формуле [1]:
(37)
Здесь
,
, и
- передаточные отношения от валов редуктора к выходному валу.
Определение упругого мёртвого хода валов.
Т.к. в качестве материала для валов используется сталь, то упругий мёртвый ход вала в угловых минутах считаем по формуле [1]:
(38)
Результаты представим в сводной таблице (табл.14):
| Табл. 14 Значение упругого мёртвого хода ступеней редуктора | |||
| № вала | 1 | 2 | 3 |
| Mк, Н∙мм | 4,00 | 9,82 | 74,70 |
| l, мм | 10 | 34,5 | 34,5 |
| d, мм | 3,8 | 3,0 | 4,0 |
| Δφ`у | 0,17 | 3,68 | 8,86 |
Определяем суммарную величину упругого мёртвого хода:
.
Суммарная величина мёртвого хода:
Определене кинематической погрешность передачи.
Кинематическую погрешность зубчатого колеса рассчитываем по формуле [1]:
(39)
Где
- допуск на кинематическую погрешность зубчатых колёс,
(40).
Здесь Fр – допуск на накопленную погрешность шага зубчатого колеса (шестерни), выбирается из таблиц [1]; ff – допуск на погрешность профиля зуба (ff = 9 [1], т. к. m = 0,4 и степень точности 7).
Результаты представим в сводной таблице (табл.15):
| Табл. 15 кинематической погрешности колёс редуктора | ||||||
| № | 1 | 2 | 3 | 4 | 5 | 6 |
| Z | 24 | 62 | 24 | 192 | 24 | 192 |
| da, мм | 10,4 | 25,6 | 10,4 | 77,6 | 10,4 | 77,6 |
| Fp | 22 | 27 | 22 | 42 | 22 | 42 |
| Fi` | 31 | 36 | 31 | 51 | 31 | 51 |
| Δφ`i | 15,5 | 6,97 | 15,5 | 3,19 | 15,5 | 3,19 |
Суммарную кинематическую погрешность передачи вычислим по формуле:
(41)
Общая погрешность передачи:
≤ 20` (42)
Таким образом, спроектированная передача удовлетворяет условию точности.
Расчет люфтовыбирающего колеса
На рис.14 представлен вид люфтовыбирающего колеса:
Рис. 14 Люфтовыбирающее колесо.
1 – зубчатое колесо
2 – люфтовыбирающее колесо
3 – пружина
4 – винт
Зазоровыбирающий момент должен превышать величину крутящего момента на валу, на котором установлено люфтовыбирающее колесо [6].
Рассчитаем пружину растяжения для люфтовыбирающего колеса z6. Определим рабочее усилие пружины:
Н (43)
где
Н•мм – момент нагрузки,
мм – расстояние от центра окружности до средней линии пружины,
мм – длина пружины,
- число зубьев, на которые производится смещение,
- число зубьев составного колеса.
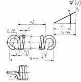
Остальные параметры пружины найдём, используя схему (рис. 15) [6]:
Рис. 15 схема работы пружины люфтовыбирающего колеса
(44)
Жёсткость определяемой пружины равна [6]
(45)
Согласно ГОСТ 13771-86 выбираем пружину 1086-0179 с параметрами (рис. 16 и табл. 16):
| Табл. 16 Параметры пружины люфтовыбирающего колеса | |
| P2, Н | 23,60 |
| P3, Н | 25,00 |
| D, мм | 4,0 |
| d, мм | 0,56 |
| H0, мм | 8,8 |
| H0`max, мм | 21,6 |
| F2, мм | 21,50 |
| F*3max, мм | 22,79 |
| Число рабочих витков n | 10 |
| a, мм | 3 |
| r, мм | 3,0 |
| Длина развёрнутой пружины L, мм | 139,8 мм |
Рис. 16 Пружина растяжения
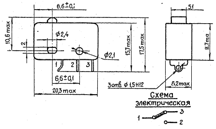
Расчет микровыключателя
Схема микровыключателя дана на рис. 17
Рис. 17 схема микровыключателя
Обозначения на рисунке 17:
S – зазор между поверхностью колеса и плунжером (из конструктивных соображений выберем зазор S = 2 мм)
R1 – радиус последнего зубчатого колеса (R1 =
= 38.8 мм)
R2 – радиус кулачка
Для того чтобы произошло срабатывание микровыключатель, радиус R2 кулачка должен обеспечивать нажатие штока на величину прямого рабочего хода плюс половина дополнительного хода [7]. Т.е.
R2 = R1 + S + А + 0.5Б (46)
Где А и Б – соответственно прямой и дополнительный ход микровыключателя.
Выберем микровыключатель ПМ1 с параметрами (табл. 17):
| Табл. 17 Параметры микровыключателя | |
| Усилие прямого срабатывания | не более 6Н |
| Прямой рабочий ход А | 0,2..0,8 мм |
| Дополнительный ход Б | не менее 0.1 мм |
| Дифференциальный ход В | не более 0.2 мм |
| Допускаемая перегрузка при линейном ускорении | 50g |
| Температурный диапазон | -60°С..+125°С |
| Масса | 4 г |
| Максимальное напряжение, В =/~ | 36/250 |
| Максимальный ток, А =/~ | 4/2 |
| Коммутируемая мощность, Вт =/~ | 120/250 |
| Износостойкость, тыс. циклов акт.нарг./индукт. нагр. | 50/25 |
Тогда радиус кулачка R2 = 38.8 + 2 + 0.5 + 0.5∙0.1 = 41.35 (мм)
Максимальный угол давления на входе (в зоне I) должен быть в пределах 30°..45°. Выберем угол давления равным 45°.
Вид микропереключателя показан на рис 18.
Рис. 18 Микровыключатель ПМ1
Расчет штифтов и поводка
Для проектируемого устройства выберем штифты исполнения 2 (класс точности В), согласно ГОСТ 3128-70 (рис.19):
Рис. 19 Штифт цилиндрический незакалённый. Исполнение 2 (класс точности В)
Пояснения к рис. 19:
d – диаметр штифта;
l – длина штифта;
с – длина фаски.
Расчёт диаметров штифта будем производить для валов, передающих наибольшие моменты (валы 3 и 4). Диаметр штифта определяется из его расчёта на срез по формуле:
(47)
Здесь Мк – крутящий момент, которое передаёт штифтованное соединение;
dв – диаметр вала;
[τср] – допускаемое напряжение на срез штифта (примем [τср] = 60МПа).
Расчёт диаметров штифтов представлен в табл.18:
| Табл. 18 Расчётные диаметры штифтов | ||
| Параметр | 3 | 4 (Вал с паразитным колесом) |
| Mкр, Н∙мм | 74,70 | 562,14 |
| dв, мм | 4,0 | 5,0 |
| dш, мм | 0,63 | 1,44 |
Согласно раду стандартных диаметров штифтов из ГОСТ 3128-70, назначим диаметры всех цилиндрических штифтов равными 1,5 мм.
Расчет поводка муфты проводим аналогично расчету штифтов на срез в месте установки его в полумуфте:
d
(48)
№ вала















