РПЗ (1060391), страница 3
Текст из файла (страница 3)
Условие применимости расхождения i0 и i0ф из практических рекомендаций [3]:
|
|
Проверяем условие (3.3.5):
, т.е. условие выполняется.
Так как на данном этапе проектирования известна кинематическая схема ЭМП, то из соотношения приведения моментов [1]:
(1), где
Mi, Mi – момент нагрузки на i-ом и j-ом валах;
iij – передаточное отношение i-го и j-го вала;
ηij – КПД передачи, ηij=0.98;
ηподш – КПД подшипников, в которых установлен ведущий вал, ηподш =0.99.
Поскольку в момент пуска двигателя нужно учесть инерционность двигателя и нагрузки, необходимо, чтобы двигатель обеспечивал нужное угловое ускорение нагрузки. На выходном валу с учётом динамической составляющей действует следующий момент:
МΣ= Мн + Jнн=0.8+0.1*15=2,3 (Н*м)
Для того чтобы проверить правильность выбора двигателя, необходимо привести момент на выходном валу к валу двигателя по формуле (1) для каждого вала, начиная от выходного, и сравнить пусковой момент двигателя с приведённым моментом.
Ведем расчёт последовательно к валу двигателя:
(Н*м) M5=M4
(Н*м) M3=M2
(Н*м)=15 (Н*мм)
Выполним предварительную проверку правильности выбора двигателя:
По паспортным данным Мпуск =29,4·10-3 Н·м, то есть 29,4≥15 – верно => двигатель выбран правильно. То есть выбранный двигатель сможет обеспечить нужно угловое ускорение нагрузки при старте.
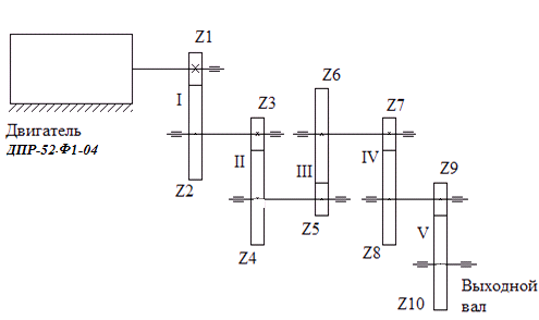
По результатам выполненного расчета изобразим кинематическую схему редуктора в виде эскиза с соблюдением масштаба, таким образом, чтобы была ясна кинематическая цепь передачи движения между валами.
5.4 Оптимальное передаточное отношение
С учётом трёх критериев, выбираем следующие передаточные отношения, исходя из конструкторско-технологических соображений (небольшое передаточное отношение обеспечивает быстродействие, увеличение передаточного отношения для более тихоходных ступеней обеспечивает точность, небольшое число ступеней обеспечивает небольшие габариты):
n=5
Таблица 13
| № колеса | 1 | 2 | 3 | 4 | 5 | 6 | 7 | 8 | 9 | 10 |
| № элементарной передачи | I | II | III | IV | V | |||||
| Число зубьев | 21 | 52 | 19 | 53 | 19 | 55 | 19 | 55 | 28 | 81 |
Фактическое передаточное отношение редуктора рассчитывается по формуле:
|
|
Подставляя значения, находим i0:
| Погрешность передаточного отношения находится по формуле: |
Подставляя значения, получаем:
Условие применимости расхождения i0 и i0ф из практических рекомендаций [3]:
|
|
Проверяем условие (3.3.5):
, т.е. условие выполняется.
Следовательно, выбор числа зубьев колес и шестерен был произведен верно.
Рис. 2 Кинематическая схема
6. Силовой расчет ЭМП
6.1 Проверка правильности выбора электродвигателя по пусковому моменту:
Поскольку основной режим работы привода динамический и при этом статический момент много меньше динамического, то и проверочный расчет выбранного двигателя ведем по динамической нагрузке.
|
| |
|
|
Mп – пусковой момент двигателя
Mн – номинальный момент двигателя
,
,
– суммарный, статический и динамический момент нагрузки, приведенные к валу двигателя, соответственно
|
|
i0 – общее передаточное отношение редуктора
Jд – момент инерции ротора двигателя
Kм – коэффициент, учитывающий инерционность собственного зубчатого механизма.
|
| (4.3.3) |
Можно принять Kм = 0,5 .
По паспорту двигателя: Jд=1,6ּ10-6 кгּм2
По условию: Jн=0,1 кгּм2
Находим приведенные к валу двигателя моменты:
(Нּм)
(Нּм)
(Нּм)
По паспорту двигателя: Mп=0,0294(Нּм) ≥ 0,022 (Нּм); Mн=0,0098(Нּм) ≥ 0,004 (Нּм), т.е. условия (4.3.1) и (4.3.2) выполняются, следовательно, двигатель выбран верно, т. е. он сможет обеспечить требуемое угловое ускорение нагрузки при пуске.
6.2 Проверочный расчет выбранного двигателя по заданной нагрузке
Так как на данном этапе проектирования известна кинематическая схема ЭМП, то из соотношения приведения моментов [1]:
(1), где
Mi, Mi – момент нагрузки на i-ом и j-ом валах;
iij – передаточное отношение i-го и j-го вала;
ηij – КПД передачи, ηij=0.98;
ηподш – КПД подшипников, в которых установлен ведущий вал, ηподш =0.99.
Поскольку в момент пуска двигателя нужно учесть инерционность двигателя и нагрузки, необходимо, чтобы двигатель обеспечивал нужное угловое ускорение нагрузки. На выходном валу с учётом динамической составляющей действует следующий момент:
МΣ= Мн + Jнн=0.8+0.1*15=2,3 (Н*м)
Для того чтобы проверить правильность выбора двигателя, необходимо привести момент на выходном валу к валу двигателя по формуле (1) для каждого вала, начиная от выходного, и сравнить пусковой момент двигателя с приведённым моментом.
Ведем расчёт последовательно к валу двигателя:
(Н*м) M9=M8
(Н*м) M7=M6
(Н*м) M5=M4
(Н*м) M3=M2
(Н*м)=16 (Н*мм)
Выполним предварительную проверку правильности выбора двигателя:
По паспортным данным Мпуск =29,4·10-3 Н·м, то есть 29,4≥16 – верно => двигатель выбран правильно. То есть выбранный двигатель сможет обеспечить нужно угловое ускорение нагрузки при старте.
Следовательно, двигатель выбран верно.
7. Расчет зубчатых передач на прочность
Целью данного расчета является определение модулей зацепления по изгибной и контактной прочности зубьев. Т.к. по ТЗ передачи проектируемой конструкции открытые, то расчёт на изгибающую прочность является проектным. После его выполнения необходимо осуществить проверочный расчёт на контактную прочность.
-
Расчет на изгибную прочность
С учётом назначения передачи, характера действующей нагрузки, условий эксплуатации, массы, габаритов и стоимости выбираем материалы для элементов передач. Материалы для колес и шестерен выбирают с учетом назначения передачи, характера действующей нагрузки, условий эксплуатации (окружной скорости, состояния среды), массы, габаритов и стоимости. Для выравнивания срока службы рекомендуется назначать для зубчатых колес разные материалы, причем твердость шестерни необходимо выбирать больше твердости колеса. С учетом этих рекомендаций выбор материала для колес был остановлен на конструкционной стали 45, а для шестерен - сталь 40X. Параметры этих материалов согласно ГОСТ 4543-71 приведены в таблице ниже:
Таблица 14
| Шестерня | Колесо | |
| Материал | Сталь 40X | Сталь 45 |
| Твердость HB | 455-525 | 196-263 |
| Твердость HRC | 40-50 | 40-50 |
| α, 1/°C | 11,8*10-6 | 11*10-6 |
| Модуль упругости E, МПа | 2,14*105 | 2,1*105 |
| Плотность ρ, г/см3 | 7,85 | 7,85 |
| Предел прочности σв, МПа | 880 | 620 |
| Предел текучести σт, МПа | 700 | 500 |
Назначаем термообработку для колеса и шестерни: нормализация, закалка, отпуск.
Согласно ГОСТ:
сталь 40X (ГОСТ 4543-71)
сталь 45 (ГОСТ 1050-88)
Допустимые изгибные напряжения:
, тогда примем n=1,5 – коэффициент запаса.
Предел выносливости для углеродистых сталей определяют по формуле:
.
Сталь 45.
Предел выносливости для стали 45 и допускаемые изгибные напряжения для колеса :
Предел выносливости для стали 40Х и допускаемые изгибные напряжения для колеса
Сталь 40X:
ψв – коэффициент формы зубчатого венца, для мелкомодульных передач ψв=3...16 (согласно [1]), выбираем ψв=8;
– допускаемое напряжение при расчете зубьев на изгиб [МПа];
Z – число зубьев рассчитываемого колеса.
Для колеса отношение
больше, то расчет модуля будем вести по колесу:
m – модуль прямозубых колес;
Km – коэффициент, для прямозубых колёс равный 1,4 [1];
K – коэффициент расчетной нагрузки, K=1.1...1.5 (выбирается согласно [1]), выбираем значение K=1.3;
, где
, где
















