РПЗ (1058496), страница 5
Текст из файла (страница 5)
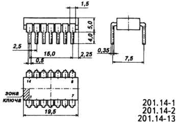
Микросхема представляет собой четыре логических элемента 2И-НЕ. Корпус К155ЛА3 типа 201.14-1, масса не более 1 г.
Корпус ИМС К155ЛА3
Условное графическое обозначение
1
,2,4,5,9,10,12,13 - входы X1-X8;
3 - выход Y1;
6 - выход Y2;
8 - выход Y3;
11 - выход Y4;
Электрические параметры
| 1 | Номинальное напряжение питания | 5 В |
| 2 | Выходное напряжение низкого уровня | не более 0,4 В |
| 3 | Выходное напряжение высокого уровня | не менее 2,4 В |
| 4 | Напряжение на антизвонном диоде | не менее -1,5 В |
| 5 | Входной ток низкого уровня | не более -1,6 мА |
| 6 | Входной ток высокого уровня | не более 0,04 мА |
| 7 | Входной пробивной ток | не более 1 мА |
| 8 | Ток короткого замыкания | -18...-55 мА |
| 9 | Ток потребления при низком уровне выходного напряжения | не более 22 мА |
| 10 | Ток потребления при высоком уровне выходного напряжения | не более 8 мА |
| 11 | Потребляемая статическая мощность на один логический элемент | не более 19,7 мВт |
| 12 | Время задержки распространения при включении | не более 15 нс |
| 13 | Время задержки распространения при выключении | не более 22 нс |
ИМС К155ЛА4
Корпус ИМС К155ЛА4
У
словное графическое обозначение
1,2,13,3,4,5,9,10,11 - входы X1-X9;
6 - выход Y3;
8 - выход Y2;
12 - выход Y1;
Электрические параметры
| 1 | Номинальное напряжение питания | 5 В |
| 2 | Выходное напряжение низкого уровня | не более 0,4 В |
| 3 | Выходное напряжение высокого уровня | не менее 2,4 В |
| 4 | Напряжение на антизвонном диоде | не менее -1,5 В |
| 5 | Входной ток низкого уровня | не более -1,6 мА |
| 6 | Входной ток высокого уровня | не более 0,04 мА |
| 7 | Входной пробивной ток | не более 1 мА |
| 8 | Ток короткого замыкания | -18...-55 мА |
| 9 | Ток потребления при низком уровне выходного напряжения | не более 16,5 мА |
| 10 | Ток потребления при высоком уровне выходного напряжения | не более 6 мА |
| 11 | Потребляемая статическая мощность на один логический элемент | не более 19,7 мВт |
| 12 | Время задержки распространения при включении | не более 15 нс |
| 13 | Время задержки распространения при выключении | не более 22 нс |
ИМС К155ЛЕ1
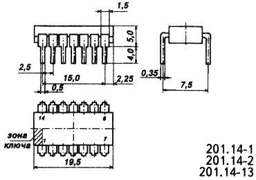
Микросхема представляет собой четыре логических элемента 2ИЛИ-НЕ. Корпус К155ЛЕ1 типа 201.14-1, масса не более 1 г.
Корпус ИМС К155ЛЕ1
У
словное графическое обозначение
1,4,10,13 - выходы;
2,3,5,8,9,11,12 - входы;
Электрические параметры
| 1 | Номинальное напряжение питания | 5 В |
| 2 | Выходное напряжение низкого уровня | не более 0,4 В |
| 3 | Выходное напряжение высокого уровня | не менее 2,4 В |
| 4 | Входной ток низкого уровня | не более -1,6 мА |
| 5 | Входной ток высокого уровня | не более 0,04 мА |
| 6 | Входной пробивной ток | не более 1 мА |
| 7 | Ток потребления при низком уровне выходного напряжения | не более 27 мА |
| 8 | Ток потребления при высоком уровне выходного напряжения | не более 16 мА |
| 9 | Потребляемая статическая мощность на один логический элемент при низком уровне выходного напряжения | не более 36 мВт |
| 10 | Потребляемая статическая мощность на один логический элемент при высоком уровне выходного напряжения | не более 21 мВт |
ИМС К155ЛЕ4
Микросхема представляет собой три логических элемента 3ИЛИ-НЕ. Корпус К155ЛЕ4 типа 201.14-1, масса не более 1 г.
Корпус ИМС К155ЛЕ4
Условное графическое обозначение
1
,2,13,3,4,5,9,10,11 - входы;
12,6,8 - выходы;
Электрические параметры
| 1 | Номинальное напряжение питания | 5 В |
| 2 | Выходное напряжение низкого уровня | не более 0,4 В |
| 3 | Выходное напряжение высокого уровня | не менее 2,4 В |
| 4 | Входной ток низкого уровня | не более -1,6 мА |
| 5 | Входной ток высокого уровня | не более 0,04 мА |
| 6 | Входной пробивной ток | не более 1 мА |
| 7 | Ток потребления при низком уровне выходного напряжения | не более 16 мА |
| 8 | Ток потребления при высоком уровне выходного напряжения | не более 26 мА |
| 9 | Потребляемая статическая мощность на один логический элемент | не более 36,75 мВт |
| 10 | Время задержки распространения при включении | не более 11 нс |
| 11 | Время задержки распространения при выключении | не более 15 нс |
ИМС К155КП2
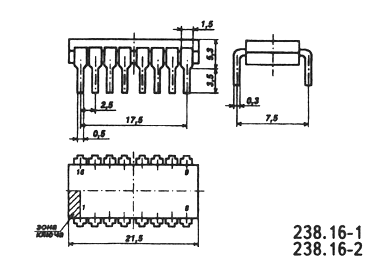
Микросхема представляет собой сдвоенный селектор-мультиплексор 4-1 с общими входами выбора данных и раздельными входами стробирования. При высоком уровне напряжения на входе стробирования V соответствующий выход A/D устанавливается в состояние низкого уровня напряжения, в ином случае на выход приходит информация от выбранного входами S1, S2 информационного входа A/D0-A/D3. Корпус К155КП2 типа 238.16-1, масса не более 2 г и у КМ155КП2 типа 201.16-5, масса не более 2,5 г.
Корпус ИМС К155КП2
Условное графическое обозначение
1
- вход разрешения V1;
2 - вход выборки разряда S2;
3 - вход информационный A3;
4 - вход информационный A2;
5 - вход информационный A1;
6 - вход информационный A0;
7 - выход A; 8 - общий; 9 - выход D;
10 - вход информационный D0;
11 - вход информационный D1;
12 - вход информационный D2;
13 - вход информационный D3;
14 - вход выборки разряда S1;
15 - вход разрешения V2;
16 - напряжение питания;
Электрические параметры
| 1 | Номинальное напряжение питания | 5 В |
| 2 | Выходное напряжение низкого уровня | не более 0,4 В |
| 3 | Выходное напряжение высокого уровня | не менее 2,4 В |
| 4 | Входной ток низкого уровня | не более -1,6 мА |
| 5 | Входной ток высокого уровня | не более 0,04 мА |
| 6 | Ток потребления | не более 60 мА |
| 7 | Потребляемая статическая мощность | не более 315 мВт |
ИМС К155КП7
Микросхема представляет собой селектор-мультиплексор на восемь каналов со стробированием. В зависимости от установленного на входах A,B,C кода разрешает прохождение сигнала на выходы Y1 и Y2 только от одного из восьми информационных входов D0-D7, при этом на входе стробирования V должно быть установленно напряжение низкого уровня. При высоком уровне напряжения на входе V выход Y1 устанавливается в состояние низкогоуровня напряжения, а выход Y2 соответственно в состояние высокого уровня. Корпус К155КП7 типа 238.16-1, масса не более 2 г.
Корпус ИМС К155КП7
Условное графическое обозначение
1-4 - входы информационные D3-D1;
5 - выход Y1;
7 - вход разрешения;
8 - общий;
9 - вход C;
10 - вход B;
11 - вход A;
12-15 - входы информационные D7-D4;
16 - напряжение питания;
Электрические параметры
| 1 | Номинальное напряжение питания | 5 В |
| 2 | Выходное напряжение низкого уровня | не более 0,4 В |
| 3 | Выходное напряжение высокого уровня | не менее 2,4 В |
| 4 | Входной ток низкого уровня | не более -1,6 мА |
| 5 | Входной ток высокого уровня | не более 0,04 мА |
| 6 | Ток потребления | не более 48 мА |
ИМС К1533КП11
Микросхема КП11 - четыре двухвходовых мультиплексора с общим управлением и возможностью перевода выходов в высокоимпедансное состояние. При лог. 0 на адресном входе А на выход каждого мультиплексора проходит сигнал со входа D0, при лог. 1 -с входа D1. Выходы микросхемы активны при лог. 0 на входе ЕО. Подача лог 1 на вход ЕО переводит выходы в высокоимпедансное состояние.
| G | S | A B | Y |
| H | X | X X | Z |
| L | L | L X | L |
| L | L | H X | H |
| L | H | X L | L |
| L | H | X H | H |
Условное графическое обозначение















