РПЗ (1058496), страница 4
Текст из файла (страница 4)
-
Для входа D3:
| X5 X2,X0 | 0 | 1 |
| 00 | 1 | |
| 01 | 1 | |
| 11 | ||
| 10 | 1 |
Входные сигналы для информационных входов 4-го мультиплексора второго уровня:
-
Для входа D4:
| X5 X2,X0 | 0 | 1 |
| 00 | 1 | |
| 01 | 1 | |
| 11 | 1 | |
| 10 | 1 | 1 |
Входные сигналы для информационных входов 5-го мультиплексора второго уровня:
-
Для входа D5:
| X5 X2,X0 | 0 | 1 |
| 00 | 1 | 1 |
| 01 | ||
| 11 | 1 | |
| 10 |
Входные сигналы для информационных входов 6-го мультиплексора второго уровня:
-
Для входа D6:
| X5 X2,X0 | 0 | 1 |
| 00 | ||
| 01 | 1 | |
| 11 | ||
| 10 | 1 |
Входные сигналы для информационных входов 7-го мультиплексора второго уровня:
-
Для входа D7:
| X5 X2,X0 | 0 | 1 |
| 00 | ||
| 01 | ||
| 11 | 1 | 1 |
| 10 | 1 |
Входные сигналы для информационных входов 8-го мультиплексора второго уровня:
-
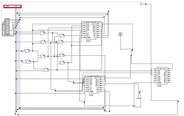
Функциональная схема
Функциональная схема ЦУУ строится на основе полученных логических выражений для информационных входов мультиплексора.
При построении схемы были использованы элементы К155КП7 (2 четырехблочных двухвходовых мультиплексора) и К155КП5 ( 1 восьмивходовой мультиплексор) и К155ЛА1 (10 логических элементов Шеффера) .
Функциональная схема ЦУУ представлена на листе №4
3.5.2 Построение схемы 8-2
Для распределения сигналов по информационным входам мультиплексора используется метод карт Карно. Управляющими сигналами мультиплексора по заданию являются сигналы Xх на втором уровне мультиплексирования и Xх,Xх,Xх на первом уровне мультиплексирования.
Распределение сигналов показано в таблице:
| X2 X5,X4,X3,X1,X0 | 0 | 1 |
| 00000 | 1 | |
| 00001 | 1 | |
| 00010 | 1 | |
| 00011 | 1 | |
| 00100 | 1 | |
| 00101 | 1 | 1 |
| 00110 | ||
| 00111 | ||
| 01000 | 1 | |
| 01001 | 1 | 1 |
| 01010 | 1 | 1 |
| 01011 | 1 | |
| 01100 | 1 | |
| 01101 | ||
| 01110 | 1 | |
| 01111 | ||
| 10000 | 1 | |
| 10001 | 1 | |
| 10010 | 1 | |
| 10011 | 1 | 1 |
| 10100 | 1 | 1 |
| 10101 | ||
| 10110 | 1 | |
| 10111 | 1 | |
| 11000 | 1 | |
| 11001 | 1 | 1 |
| 11010 | 1 | |
| 11011 | ||
| 11100 | 1 | |
| 11101 | 1 | |
| 11110 | ||
| 11111 | 1 | 1 |
3.5.2.1 Первый уровень мультиплексирования
Необходимо начать с распределения входных сигналов на мультиплексор с двумя информационными входами и управляющим сигналом Xх. Далее полученные логические функции для входов реализуются на восьми-входовых мультиплексорах второго уровня с управляющими сигналами Xх, Xх, Xх.
Для распределения сигналов по информационным входам мультиплексора обозначим столбцы номерами входов мультиплексора соответственно номеру столбца в двоичной системе счисления:
После распределения сигналов по входам мультиплексора были получены следующие выражения:
3.5.2.2 Второй уровень мультиплексирования
Для построения второго уровня мультиплексирования для каждого информационного входа мультиплексора первого уровня входная логическая функция реализуется с помощью восьми-входовых мультиплексоров второго уровня. Для распределения сигналов по входам мультиплексора второго уровня также используются карты Карно соответствующих логических функций. Рассмотрим построение входных сигналов для мультиплексоров второго уровня.
-
Для входа D0:
| X3, X1, X0 X5,X4 | 000 | 001 | 011 | 010 | 110 | 111 | 101 | 100 |
| 00 | 1 | 1 | 1 | 1 | ||||
| 01 | 1 | 1 | 1 | |||||
| 11 | 1 | 1 | 1 | 1 | ||||
| 10 | 1 | 1 | 1 | 1 | 1 | 1 | ||
| D00 | D01 | D03 | D02 | D06 | D07 | D05 | D04 |
Входные сигналы для информационных входов 1-го мультиплексора второго уровня:
-
Для входа D1;
| X3, X1, X0 X5,X4 | 000 | 001 | 011 | 010 | 110 | 111 | 101 | 100 |
| 00 | 1 | 1 | 1 | |||||
| 01 | 1 | 1 | 1 | 1 | 1 | |||
| 11 | 1 | 1 | 1 | 1 | ||||
| 10 | 1 | 1 | 1 | |||||
| D10 | D11 | D13 | D12 | D16 | D17 | D15 | D14 |
Входные сигналы для информационных входов 2-го мультиплексора второго уровня:
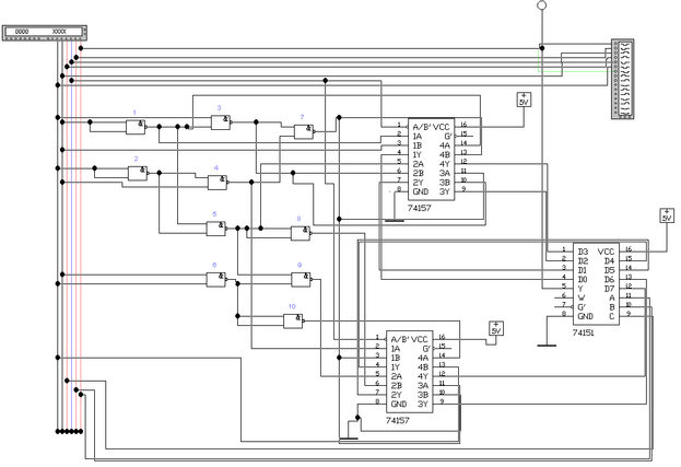
3.5.2.3 Функциональная схема
Функциональная схема ЦУУ строится на основе полученных логических выражений для информационных входов мультиплексора.
При построении схемы были использованы элементы К155КП7 (1 четырехблочных двухвходовых мультиплексора) и К155КП5 ( 2 восьмивходовой мультиплексор) и К155ЛА1 (10 логических элементов Шеффера) .
Функциональная схема ЦУУ представлена на листе №5
3.6 Выводы
На основе проделанной работы можно сделать следующие выводы:
-
Для построения ЦУУ предпочтительнее использовать мультиплексоры, так как это значительно сокращает количество используемых элементов.
-
Увеличение количества переменных приводит к усложнению самой процедуры минимизации ДНФ, что вынуждает применять различные математические методы.
-
Переход от схемы 2-8 к схеме 8-2 уменьшает количество сигналов в схеме.
Заключение
Мультиплексор позволяет реализовать логические функции, значительно снижая количество элементарных элементов. Вследствие этого мультиплексоры использовать гораздо предпочтительнее, чем простые элементы. Кроме этого их использование делает схему проще и нагляднее, снижает вероятность возникновения ошибки и время обработки самой функции.
Приложение. Характеристики используемых микросхем.
ИМС К155ЛА3















