РПЗ (1058412), страница 6
Текст из файла (страница 6)
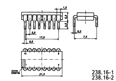
Микросхема представляет собой селектор-мультиплексор на восемь каналов со стробированием. В зависимости от установленного на входах A,B,C кода разрешает прохождение сигнала на выходы Y1 и Y2 только от одного из восьми информационных входов D0-D7, при этом на входе стробирования V должно быть установленно напряжение низкого уровня. При высоком уровне напряжения на входе V выход Y1 устанавливается в состояние низкогоуровня напряжения, а выход Y2 соответственно в состояние высокого уровня. Корпус К155КП7 типа 238.16-1, масса не более 2 г.
Корпус ИМС К155КП7
Условное графическое обозначение
1-4 - входы информационные D3-D1;
5 - выход Y1;
7 - вход разрешения;
8 - общий;
9 - вход C;
10 - вход B;
11 - вход A;
12-15 - входы информационные D7-D4;
16 - напряжение питания;
Электрические параметры
| 1 | Номинальное напряжение питания | 5 В |
| 2 | Выходное напряжение низкого уровня | не более 0,4 В |
| 3 | Выходное напряжение высокого уровня | не менее 2,4 В |
| 4 | Входной ток низкого уровня | не более -1,6 мА |
| 5 | Входной ток высокого уровня | не более 0,04 мА |
| 6 | Ток потребления | не более 48 мА |
ИМС К1533КП11
Микросхема КП11 - четыре двухвходовых мультиплексора с общим управлением и возможностью перевода выходов в высокоимпедансное состояние. При лог. 0 на адресном входе А на выход каждого мультиплексора проходит сигнал со входа D0, при лог. 1 -с входа D1. Выходы микросхемы активны при лог. 0 на входе ЕО. Подача лог 1 на вход ЕО переводит выходы в высокоимпедансное состояние.
| G | S | A B | Y |
| H | X | X X | Z |
| L | L | L X | L |
| L | L | H X | H |
| L | H | X L | L |
| L | H | X H | H |
Условное графическое обозначение
| A-B | входные линии |
| S | адресная линия |
| -G | строб |
| Y | выходы |
Электрические параметры
| Параметры | 74ALS |
| Выходной ток лог. 1,мА | 1/2.6 |
| Выходной ток лог. 0, мА | 12/24 |
| Входной ток лог.0 для "S", мА | 0.1 |
| Входной ток лог.0, мА | 0.1 |
| Входной ток лог.1 для "S", мкА | 20 |
| Входной ток лог.1, мкА | 20 |
| Ток к.з., мА | 30-112 |
| Ток потребления все вых.=H, мА | -3-6 |
| Ток потребления все вых.=L, мА | -8-12 |
| Ток потребления все вых.=Z, мА | -9-14 |
| Задержки распространения, (нс) |
|
| От A, B Y= L-->H | -10 |
| От A, B Y= H-->L | -12 |
| От S Y= L-->H | -18 |
| От S Y= H-->L | -22 |
| От G Y= Z-->H | -16 |
| От G Y= Z-->L | -18 |
| От G Y= H-->Z | -10 |
| От G Y= L-->Z | -15 |
5. Список литературы
1. Методические указания к курсовой работе.
2. Цифровые и аналоговые интегральные микросхемы: Справочник / С.В.Якубовский, Л.И. Ниссельсон, В.И. Кулешова и др. Под ред. С.В. Якубовского – М.: Радио и связь, 1990. – 496 с.: ил.
3. Дискретная математика.: Учебник для втузов. А.И.Белоусов, С.Б.Ткачев– М.: МГТУ,2001-7442с.
4. Конспект лекций по Архитектуре ЭВМ..: Лекции. Преп. С.Б. Спиридонов.– М.: МГТУ,20ХХ.
















