РПЗ (1058412), страница 2
Текст из файла (страница 2)
Присвоим каждой простой импликанте некоторое имя: т.е. обозначим их, например, как K1,K2,.. Km.
После построения склеек на карте Карно была получена сокращенная ДНФ логической функции:
Выделим из простых импликант все ядровые (убрав ядровую импликанту на карте, окажется свободная единица, не закрытая никакой другой склейкой):
Для определения тупиковых ДНФ воспользуемся функцией Патрика:
После упрощения функции Патрика получилось 6 тупиковых ДНФ. Из этих тупиковых ДНФ кратчайшей и минимальной является следующая ДНФ :
Таким образом, полученная минимальная ДНФ представляет собой следующую функцию:
На карте Карно минимальной ДНФ соответствует следующее покрытие:
2.4 Синтез ЦУУ на основе логических элементов Шеффера
2.4.1 Функциональная схема
Функциональная схема ЦУУ строится на основе минимальной ДНФ логической функции и заданного элементного базиса.
Так как минимальная ДНФ реализована в булевом базисе (и-или-не), то для преобразования минимальной ДНФ в базис штрих Шеффера следует придерживаться следующих правил:
Для получения инверсных значений переменных X0,X4,X3 используем вышеописанное правило для выражения отрицания через элемент Шеффера. Инверсным значениям переменных соответствуют сигналы 6-8 на функциональной схеме.
Для того, чтобы уменьшить количество логических элементов в схеме, упростим выражение минимальной ДНФ функции, группируя конъюнкции:
Упрощая выражение минимальной ДНФ получим следующее выражение:
Для упрощения синтеза ЦУУ на элементах Шеффера, рассмотрим перевод в базис штриха Шеффера каждой конъюнкции отдельно:
Инверсному значению этого выражения соответствует сигнал №14 и элементы 1, 4, 9 на функциональной схеме.
Инверсному значению этого выражения соответствует сигнал №15 и элементы 2, 4, 10 на функциональной схеме.
Инверсному значению этого выражения соответствует сигнал №16 и элементы 2,5, 11 на функциональной схеме.
Инверсному значению этого выражения соответствует сигнал №17 и элементы 2, 3, 6, 7, 12 на функциональной схеме.
Для дальнейшего приведения функции в базис штриха Шеффера, будем суммировать все вышеописанные конъюнкции, обозначая их вышеприведенными порядковыми номерами. Тогда получим следующее выражение:
Значению этого выражения соответствует сигнал №20 на выходе схемы и группа элементов 13, 14, 15.
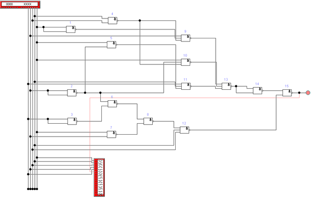
Функциональная схема ДНФ представлена на Листе №1. При построении схемы были использованы элементы К155ЛА1 (10 логических элементов 2И-НЕ) и К155ЛА4 (5 логических элементов 3И-НЕ).
Функциональная схема ЦУУ представлена на листе №1
2.5 Синтез ЦУУ на основе мультиплексоров и логических элементов Пирса
2.5.1 Построение карты Карно для распределение входов мультиплексоров
Для распределения сигналов по информационным входам мультиплексора используется метод карт Карно. Управляющими сигналами мультиплексора по заданию являются сигналы Xх, Xх.
Распределение сигналов показано в таблице:
| Инф. входы | D0 | D1 | D3 | D2 |
| X1, X0 X4, X3, Х2 | 00 | 01 | 11 | 10 |
| 000 | 1 | |||
| 001 | 1 | 1 | 1 | 1 |
| 011 | 1 | 1 | 1 | |
| 010 | 1 | 1 | ||
| 110 | 1 | 1 | 1 | |
| 111 | 1 | 1 | ||
| 101 | 1 | |||
| 100 | 1 | 1 | 1 | 1 |
2.5.2 Построение входных логических функций для информационных входов мультиплексоров
Входные логические функции для информационных входах мультиплексора строятся на основе карт Карно. Так, для входов D0-D3 получаем:
2.5.3 Функциональная схема
Функциональная схема ЦУУ строится на основе полученных логических выражений для информационных входов мультиплексора в базисе элементов Пирса.
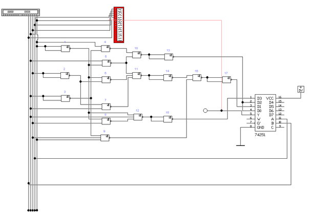
Функциональная схема ЦУУ представлена на Листе №2.
Соответствие сигналов на входах и выходах элементов и соответствующих логических функций показано на функциональной схеме.
При построении схемы были использованы элементы К155ЛЕ1 (15 логических элемента 2ИЛИ-НЕ) и К155ЛЕ4 (2 логических элемента 3ИЛИ-НЕ).
При построении схемы были использованы мультиплексор : КР155КП2.
Функциональная схема ЦУУ представлена на листе №2
2.6 Выводы
Из проделанной работы можно сделать следующие выводы:
-
Реализация ЦУУ на базе мультиплексора и комбинационных схем увеличивает количество использованных элементов (с 15 до 18 штук). Следовательно, лучшее использовать первую схему.
-
При реализации ЦУУ только на элементах Шеффера следует минимизировать ДНФ функции, так как построение ЦУУ непосредственно по СДНФ приведет к значительным затратам элементов и времени, а также, как следствие, к увеличению вероятности ошибки при построении ЦУУ.
-
При реализации ЦУУ на основе минимальной ДНФ с использованием элементов Пирса целесообразно предварительно произвести группировку конъюнкций ДНФ, тем самым, сокращая количество элементов
3. Задача 2
3.1 Табличная форма СДНФ функции Y2
В таблице представлена логическая функция Y2:
| X5 | X4 | X3 | X2 | X1 | X0 | Y2 | |
| 0 | 0 | 0 | 0 | 0 | 0 | 0 | |
| 1 | 0 | 0 | 0 | 0 | 0 | 1 | |
| 2 | 0 | 0 | 0 | 0 | 1 | 0 | 1 |
| 3 | 0 | 0 | 0 | 0 | 1 | 1 | 1 |
| 4 | 0 | 0 | 0 | 1 | 0 | 0 | 1 |
| 5 | 0 | 0 | 0 | 1 | 0 | 1 | |
| 6 | 0 | 0 | 0 | 1 | 1 | 0 | 1 |
| 7 | 0 | 0 | 0 | 1 | 1 | 1 | 1 |
| 8 | 0 | 0 | 1 | 0 | 0 | 0 | |
| 9 | 0 | 0 | 1 | 0 | 0 | 1 | 1 |
| 10 | 0 | 0 | 1 | 0 | 1 | 0 | |
| 11 | 0 | 0 | 1 | 0 | 1 | 1 | |
| 12 | 0 | 0 | 1 | 1 | 0 | 0 | |
| 13 | 0 | 0 | 1 | 1 | 0 | 1 | 1 |
| 14 | 0 | 0 | 1 | 1 | 1 | 0 | 1 |
| 15 | 0 | 0 | 1 | 1 | 1 | 1 | |
| 16 | 0 | 1 | 0 | 0 | 0 | 0 | |
| 17 | 0 | 1 | 0 | 0 | 0 | 1 | 1 |
| 18 | 0 | 1 | 0 | 0 | 1 | 0 | |
| 19 | 0 | 1 | 0 | 0 | 1 | 1 | 1 |
| 20 | 0 | 1 | 0 | 1 | 0 | 0 | 1 |
| 21 | 0 | 1 | 0 | 1 | 0 | 1 | |
| 22 | 0 | 1 | 0 | 1 | 1 | 0 | 1 |
| 23 | 0 | 1 | 0 | 1 | 1 | 1 | 1 |
| 24 | 0 | 1 | 1 | 0 | 0 | 0 | |
| 25 | 0 | 1 | 1 | 0 | 0 | 1 | |
| 26 | 0 | 1 | 1 | 0 | 1 | 0 | |
| 27 | 0 | 1 | 1 | 0 | 1 | 1 | 1 |
| 28 | 0 | 1 | 1 | 1 | 0 | 0 | |
| 29 | 0 | 1 | 1 | 1 | 0 | 1 | |
| 30 | 0 | 1 | 1 | 1 | 1 | 0 | |
| 31 | 0 | 1 | 1 | 1 | 1 | 1 | 1 |
| 32 | 1 | 0 | 0 | 0 | 0 | 0 | 1 |
| 33 | 1 | 0 | 0 | 0 | 0 | 1 | |
| 34 | 1 | 0 | 0 | 0 | 1 | 0 | 1 |
| 35 | 1 | 0 | 0 | 0 | 1 | 1 | 1 |
| 36 | 1 | 0 | 0 | 1 | 0 | 0 | 1 |
| 37 | 1 | 0 | 0 | 1 | 0 | 1 | 1 |
| 38 | 1 | 0 | 0 | 1 | 1 | 0 | |
| 39 | 1 | 0 | 0 | 1 | 1 | 1 | |
| 40 | 1 | 0 | 1 | 0 | 0 | 0 | 1 |
| 41 | 1 | 0 | 1 | 0 | 0 | 1 | |
| 42 | 1 | 0 | 1 | 0 | 1 | 0 | 1 |
| 43 | 1 | 0 | 1 | 0 | 1 | 1 | |
| 44 | 1 | 0 | 1 | 1 | 0 | 0 | |
| 45 | 1 | 0 | 1 | 1 | 0 | 1 | |
| 46 | 1 | 0 | 1 | 1 | 1 | 0 | 1 |
| 47 | 1 | 0 | 1 | 1 | 1 | 1 | 1 |
| 48 | 1 | 1 | 0 | 0 | 0 | 0 | 1 |
| 49 | 1 | 1 | 0 | 0 | 0 | 1 | 1 |
| 50 | 1 | 1 | 0 | 0 | 1 | 0 | |
| 51 | 1 | 1 | 0 | 0 | 1 | 1 | |
| 52 | 1 | 1 | 0 | 1 | 0 | 0 | |
| 53 | 1 | 1 | 0 | 1 | 0 | 1 | 1 |
| 54 | 1 | 1 | 0 | 1 | 1 | 0 | 1 |
| 55 | 1 | 1 | 0 | 1 | 1 | 1 | |
| 56 | 1 | 1 | 1 | 0 | 0 | 0 | 1 |
| 57 | 1 | 1 | 1 | 0 | 0 | 1 | |
| 58 | 1 | 1 | 1 | 0 | 1 | 0 | 1 |
| 59 | 1 | 1 | 1 | 0 | 1 | 1 | |
| 60 | 1 | 1 | 1 | 1 | 0 | 0 | |
| 61 | 1 | 1 | 1 | 1 | 0 | 1 | 1 |
| 62 | 1 | 1 | 1 | 1 | 1 | 0 | |
| 63 | 1 | 1 | 1 | 1 | 1 | 1 | 1 |
Построение СДНФ логической функции Y2:
















